Inicio Quienes Somos Entretenimiento Contáctenos Como Comprar los Ebooks
Ingresar Registrarse
Artículos Gratuitos sobre electrónica básica y avanzada y venta de libros electrónicos.

INSTRUMENTOS VARIOS
PROBADOR DE CADENAS DE LED
SUPER ECONÓMICO

por ING. PICERNO




Tamaño A+ A-

1  INTRODUCCIÓN

Posiblemente Ud. debe haber visto en Internet un video mí­o con referencia a la construcción de un probador de cadenas de LEDs con muy pocos componentes, que opera en forma independiente del TV. Es decir que se puede sacar el circuito impreso que contiene a las cadenas de LEDs (por lo general del ancho de la pantalla y ubicado en el borde superior o inferior de la misma iluminando un filtro de lucite) y probar las cadenas una por una, para estar seguros de su estado, sin peligro de dañarlas por mal funcionamiento del drive.
Esta prueba se puede realizar a una corriente media que no involucre peligro para los LEDs. Una buena elección puede ser un valor de pico de 20 mA con una forma de onda que asegure una corriente eficaz de unos 10 mA.
Este video fue realizado para promocionar mi nueva colección de libros "La Biblia del TV LED" del cual ya salió el primero de sus 4 tomos. Para ser moderno diré que este video se viralizó de tal forma que nos sorprendió a todos. Tanto, que no falto quien desoyendo mis indicaciones, construyó el circuito sin los transformadores aisladores de la red y por supuesto quemó los diodos bajo prueba. Esto me llevó a repensar el circuito, para hacerlo a prueba de indios Tocapotee y al final resultó un circuito aun más económico que el original porque saqué un diodo zener de 100V y agregué un resistor de 1/8 W.

2  CIRCUITO

En la figura 1 mostramos el circuito modificado para que mis seguidores vean cuanto les cuidamos el bolsillo.

 
Fig 1 Circuito básico del probador de LEDs sin aislación de red

Este circuito muy simple, tiene excelentes caracterí­sticas de regulación con referencia a la corriente que circula por los LEDs, sin importar el largo de la cadena.
El capacitor C1 debe ser de poliester metalizado de 400 o 630V aunque la tensión que hay sobre el, es realmente de 310V en el peor caso. Como muchos comercios solo tienen capacitores de 250V puede colocar dos capacitores en serie de 470 nF. El resistor debe ser de carbón de 1/8 de W, es decir de los mas chicos. 
 
3  CIRCUITOS A PROBAR 

Nosotros lo probamos con cadenas de 5 a 60 LEDs y la corriente pico por los mismos se mantuvo estable en un valor de 20 mA. Es decir que es un circuito que se autoajusta a los requerimientos de los diferentes TVs que pueden tener una sola cadena de 60 LEDs o 4 a 8 cadenas de 10 LEDs. Por supuesto esto es lo tí­pico, pero pueden existir otras combinaciones de cantidad de cadenas y largo de cada cadena.
En el caso de las cadenas múltiples, recuerde que las mismas están unidas por el ánodo del LED superior de cada cadena, pero los cátodos de las 4 u 8 cadenas están separados y conectados a sendas patitas del circuito integrado driver. Al desconectar el conector, los cátodos quedan aislados y permiten la prueba de cada cadena por separado. En la figura 2 mostramos como ejemplo el circuito de un TV de 4 cadenas de 8 LEDs.

 Fig.2 Disposición en cuatro cadenas

5  EXPLICACIÓN DE FUNCIONAMIENTO

¿Es un circuito seguro para la vida de los LEDs bajo prueba? Para que el lector se quede tranquilo le vamos a explicar para que sirve cada componente del circuito básico de la figura 1.
Un probador de LEDs debe tener un componente que limite la corriente que circule por los mismos, porque si conectamos la/las cadenas directamente a la red, se quemarí­an por exceso de corriente ya que la misma solo quedarí­a limitada por la resistencia interna de los LEDs.
Lo clásico, es una limitación resistiva pero la corriente dependerí­a de la cantidad de LEDs que tenga la cadena y dada la gran variedad de largos de cadena eso serí­a inadmisible.
Otra forma de limitación es la capacitiva con un capacitor (C1) que ofrece una reactancia capacitiva adecuada; pero como la carga de la columna de LEDs es diódica circularí­a corriente en un solo sentido y el capacitor se cargarí­a con la tensión continua de pico y dejarí­a de circular corriente por los LEDs.
Para evitarlo se coloca un diodo de fuente D1, en contraposición a los LEDs. Ahora el capacitor se carga durante el pulso positivo de red mediante la columna de LEDs. Pero en el semiciclo negativo circula corriente inversa por D1 y se descarga.
¿Para que sirve R1? Cuando el probador arranca el capacitor C1 está descargado y circula una corriente inicial muy alta si no se agrega un resistor limitador R1. El recorrido de esa corriente depende del momento exacto de la conexión a red; si ocurre durante el semiciclo positivo, la corriente circula por los LEDs, pero al estar limitada por R1 no los daña.
Que puede fallar que sea peligroso para los LEDs. Supongamos que se pone en cortocircuito el capacitor limitador C1. La corriente queda limitada por el resistor R1 pero como es de pequeño tamaño se funde inmediatamente operando de fusible. Si C1 se abre no circula corriente por el circuito y no hay peligro para los LEDs, lo mismo ocurre si se abre R1.
Si se abre D1 el capacitor C1 se carga a pico y la corriente por los LEDs se reduce ciclo a ciclo. Si se pone en cortocircuito el diodo D1 no hay tensión sobre la cadena de LEDs.
Como el lector puede observar analizamos todas las posibilidades y no encontramos ningún componente que al dañarse ponga en peligro la cadena bajo prueba. La única posibilidad de daño se encuentra en un error al armar el circuito. Por eso le indicamos que no lo pruebe con una cadena de LEDs de un TV sino que haga una cadena de 10 LEDs blancos de alto brillo de los usados en linternas; si esos LEDs que solo admiten una baja corriente de pico se encienden a un brillo regular puede dar al probador por bueno. 

6  LA AISLACIÓN DE RED

Tratamos este tema por separado porque se pueden dar diferentes casos. Por ejemplo el usuario puede tener un transformador aislador general para todo el taller y entonces no hace falta colocarle un transformador aislador al probador. En este caso asegúrese de la existencia de R1 para limitar el pulso de encendido. En efecto la inductancia de dispersión y la resistencia de los bobinados de los transformadores que recomendamos son suficientes para limitar el pulso de arranque; pero los transformadores generales de red son de mucha potencia y casi no tienen resistencia en el bobinado secundario. 
Lo más recomendable es utilizar un transformador aislador de 220 a 220V o un transformador de 110 a 220V para redes de 110V. Pero como el consumo de nuestro probador es muy bajo no tiene sentido mandar a fabricar estos transformadores especilamente. Lo más indicado es reemplazarlos por dos o tres transformadores de baja tensión de esos que se fabrican en forma genérica y que son muy económicos.
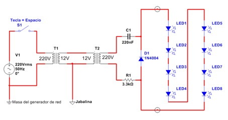
Con redes de 220V se utilizan dos transformadores de 220V a 12V y con redes de 110V tres. A continuación vamos a indicar los circuitos correspondientes. En la figura 3 mostramos el de 220V.

Fig. 3 Circuito completo para 220V con aislación galvánica

Nota: en el circuito indicamos transformadores de 220 a 12V de ½ o 1A pero la tensión del secundario puede ser cualquiera mientras los dos transformadores sean iguales. Por ejemplo se puede usar 220 a 9V o 220 a 24V o inclusive pueden usarse secundarios con punto medio y dejar el mismo desconectado. 
En la figura 4 mostramos el circuito para 110V.

Fig.4 Circuito completo en redes de 110V

En el circuito para red de 220V construimos los transformadores de relación 1:1 utilizando un transformador reductor acoplado a otro elevador.
En las redes de 110V construimos un transformador de relación 1:2  para seguir generando una tensión de 220V. Por eso usamos dos transformadores sumando las tensiones de dos bobinados de 110V. En este caso hay que tener en cuenta que los bobinados tengan la fase adecuada para que no se resten. Como por lo general los transformadores no tienen marcada la fase simplemente se conectan al azar y se mide la salida para ver que generen 220V si no hay tensión simplemente se invierten los bobinados.
En los circuitos se observan dos conexiones de tierra. La conexión de tierra de la compañí­a que ingresa con el cable neutro de la red y la jabalina local de puesta a tierra que debemos colocar obligatoriamente en nuestra red de alimentación interna. La conexión a la jabalina nos garantiza que todo nuestro dispositivo de prueba esté conectado al planeta tierra con doble aislación provista por el transformador de entrada y el/los transformadores de salida, para que un contacto accidental a los LEDs no los pueda quemar por sobretensión.

7  FORMA DE USO

Este artí­culo aclara como construir un dispositivo de prueba útil y sumamente económico que se caracteriza por su gran versatilidad. Note que puede probar cadenas de LEDs desde las más cortas hasta las más largas sin realizar un solo ajuste. Nosotros lo probamos en un circuito real con 5 y con 60 LEDs sin dificultad alguna.
En la simulación llegamos a probar desde 1 hasta 60 LEDs y se comportó perfectamente es decir que puede utilizarse inclusive como probador individual de LEDs.  
¿Cuándo se debe utilizar el probador?
Este probador se debe utilizar prácticamente en todos los casos de reparación en que coexista la duda magistral de toda fuente de alimentación: ¿fuente o carga? Es prácticamente como el primer paso obligado para no lamentarse posteriormente de haber trabajado inútilmente con un CI drive que definitivamente andaba bien.
Mis lectores me conocen y saben que me gusta realizar un buen análisis teórico de un problema, antes de meter las manos en un equipo. Es decir emplear siempre una operación no invasiva, porque no hay que olvidar que el equipo que estamos reparando no es nuestro; es de un cliente que puso en nosotros toda su confianza, a sabiendas que lo vamos a tratar del mejor modo posible.
Ahora, si hay una duda con respecto al back ligth, no le parece que lo más lógico es resolverla antes que nada. Inclusive, si el back ligth no enciende puede ser peligroso para el mismo porque un driver fallado es una fuente potencial de sorpresas y en cualquier momento puede arrancar inesperadamente sin regulación y quemar una cadena de LEDs.
El secreto es no confiar y realizar dos operaciones imprescindibles. Probar las cadenas de LEDs una por una y si están bien seguir probando el driver reemplazando los LEDs por un circuito equivalente.
Justamente en el primer tomo de "La Biblia del TV LED" se analizan los circuitos equivales de las cadenas de LEDs, entre muchos otros temas, por lo que recomendamos su compra a un valor muy económico.
Para obtener este eBook desde cualquier parte del mundo ingrese a www.clubdelservice.com "La Biblia del TV – Tomo I" y podrá obtener un capitulo de regalo y el í­ndice explicado del Tomo I.
Y ya está en venta el tomo 2 en donde explicamos el funcionamiento y la reparación de todas las secciones de entrada de un TV LED con una minuciosidad que lo dejará sorprendido. Estudiar nunca fue tan fácil y reparar con el conocimiento adquirido, es más fácil aun porque yo jamás dejo de explicar un método de prueba simple, efectivo y económico basándome en probadores caseros como el que acabamos de analizar.




SALIR

Más INSTRUMENTOS VARIOS

MEDIDOR DE RESISTENCIAS BAJAS (SHUNT)
MINIMO DE 100 mOHMS

EL OHMETRO ES UNO DE LOS INSTRUMENTOS MAS USADOS DEL LABORATORIO. SIN EMBARGO TIENE UNA GRAN LIMITACIÓN CUANDO HAY QUE MEDIR RESISTORES DE MUY BAJO VALOR. y UN EQUIPO MODERNO PUEDE TENER UNA GRAN CANTIDAD DE RESISTORES SHUNT (5 O 6) POR LO MENOS. AQUÍ LE ENSEÑAMOS A MODIFICAR EL TESTER PARA QUE PUEDA MEDIRLOS CON FACILIDAD.

[+] Leer artículo...    


OSCILOSCOPIOS DIGITALES 3
COMO GUARDAR OSCILOGRAMAS

UN OSCILOSCOPIO MODERNO TIENE GRANDES POSIBILIDADES A LA HORA DE GUARDAR OSCILOGRAMAS, PARA LUEGO PRESENTARLO EN UN INFORME O SIMPLEMENTE IMPRIMIRLOS EN LA IMPRESORA. AQUÍ LE ENSEÑAMOS COMO SE HACE.

[+] Leer artículo...    


OSCILOSCOPIOS DIGITALES CAPITULO 2
DESCRIPCIÓN DE LOS CONTROLES

EN EL CAPITULO 1 CONOCIMOS NUESTRO OSCILOSCOPIO EN FORMA GENERAL Y LE INDICAMOS LOS AJUSTES Y VERIFICACIONES QUE HAY QUE REALIZAR PARA PODER UTILIZARLO SIN PROBLEMAS. EN ESTE VAMOS A EXPLICAR SU PANTALLA Y SUS CONTROLES CON MAS PRECISIÓN.

[+] Leer artículo...    


OSCILOSCOPIOS DIGITALES CAP 1
VERIFICACIÓN Y ANCHO DE BANDA

EN ESTE CAPÍTULO ANALIZAMOS EL AJUSTE DE LAS PUNTAS DEL OSCILOSCOPIO Y SOBRE TODO ACLARAMOS EL TEMA DEL ANCHO DE BANDA PARA EVITAR FALSAS EXPECTATIVAS.

[+] Leer artículo...    


CARGA RESISTIVA PARA AMPLIFICADORES
FABRICADA CON MATERIAL DE DESCARTE

PARA DESCANSAR DE LA REPARACIÓN DE TVs VAMOS A VER UN TEMA PRÁCTICO SOBRE FABRICACIÓN DE DISPOSITIVOS CASEROS PARA EL TALLER. SI ALGO ES NECESARIO EN CUALQUIER TALLER DE REPARACIONES ES UNA BUENA CARGA PARA PROBAR AMPLIFICADORES ESTEREOFÓNICOS DE BUENA POTENCIA.

[+] Leer artículo...    


CARGA RESISTIVA PARA TV
SOLO DE TIPO PASIVO

CUANDO SE PRUEBA UNA FUENTE SE REQUIERE CARGARLA CORRECTAMENTE. EN CASO CONTRARIO LA PRUEBA PUEDE SER DESTRUCTIVA. EN ESTE ARTICULO LE EXPLICAMOS COMO CALCULAR Y CONTRUIR UNA CARGA PARA TRC; LCD Y PLASMA.

[+] Leer artículo...    


TRANSFORMADOR AISLADOR DE RED
CON MATERIALES RECUPERADOS

¿Ud. TIENE UN TRANSFORMADOR DE AISLADOR 220/220 O 110/110 EN LA INSTALACIÓN DE SU TALLER? COMO ESTOY SEGURO QUE QUE MUCHOS DIRÁN QUE NO, LOS INVITO A OBSERVAR UNO DE LOS INSTRUMENTOS QUE MAS QUIERO PORQUE LES ESTOY CUIDANDO LA VIDA A MIS ALUMNOS. SEGURAMENTE ESTARÁN PENSANDO QUE LOS VOY A HACER BOBINAR UN BRUTO TRANSFORMADOR Y QUE TENDRÁN QUE IR A COMPRAR MATERIALES. NADA DE ESO SEGURO QUE TIENEN TODO EN SU MISMO TALLER Y QUE LE ESTÁ ROBANDO ESPACIO DEL MISMO.

[+] Leer artículo...    






El Ing. Alberto Picerno, conocido en toda latinoamerica por sus cursos de Tv y LCD, es el autor mas prolífico sobre Electrónica, con mas de 40 libros tecnicos y cientos de articulos publicados. 

Se inicio en el mundo de la electronica de niño ayudando a su padre que era hobbysta y aficionado a la radio.

Su experiencia temprana le permitio recibirse con medalla de oro al mejor promedio de "Tecnico Nacional el Telecomunicaciones" y posteriormente volvio a obtener la medalla de oro al mejor promedio como "Ingeniero en electronica en UTN"

Leer Mas Aquí



Artículos Gratis
Sobre Electrónica
por Ing. Picerno


Ir a Artículos Gratuitos      


Libros Digitales

Adquiera los mejores
Libros Digitales (Ebooks)
Sobre Electrónica

Ir a Sección Libros      

MAPA DE LINKS:

INICIO - QUIENES SOMOS - ENTRETENIMIENTO - CONTACTENOS

TV: TRC - LCD - Plasma - LED - Smart - OLED

SOLDADURAS: SMD - BGA - Maquinas de Rebaling

TALLER: Puntas de prueba Sonda de RF - Punta de prueba BEBE - Punta de prueba Filtro Pasabajo - Instrumentos Fuentes - Instrumentos Evariac - Instrumentos SuperEvariac - Instrumentos Varios

AUDIO: Amplificadores Analogicos - Amplificadores Digitales - Bafles Caseros

MANUALES: TV TRC - TV LCD - TV Plasma - TV LED - SmartTV - TV Oled - Fuentes de TV - T-COM - Driver de LED - Inverters

EBOOKS

PROGRAMAS: Simuladores de Circuitos Multisim - Simuladores de Circuitos Livewire - Simuladores de Circuitos Proteus - Programas para PICs y memorias Ram

MICROS: Diseñando con PICS 1 - Diseñando con PICS 2

OTROS ARTICULOS

ARTICULOS DE LA A A LA Z

Ingeniero Alberto Picerno - Av. 2 de Abril 1140 - Burzaco - Buenos Aires - Argentina - Tel: (011)3974-4393
Artículos y Ebooks de Electrónica - Todos los Derechos Reservados - 2025

Diseño y Hosting RCH
rch.com.ar - redcomser.com.ar