Inicio Quienes Somos Entretenimiento Contáctenos Como Comprar los Ebooks
Ingresar Registrarse
Artículos Gratuitos sobre electrónica básica y avanzada y venta de libros electrónicos.

EBOOKS
LA BIBLIA DEL TV LED TOMO 4
TODOS LOS MEDIOS DE PAGO

por ING. PICERNO




$ 1800

Tamaño A+ A-

1.1 INTRODUCCIí"N

¿Como puede orientarse un reparador cuando la falla está en la sección T-COM o en la pantalla de un TV LED?
 
Todos sabemos que cuando se trataba de un TV LCD la T-COM era una plaqueta y aunque el fabricante nunca la poní­a el circuito en el manual de service el fabricante de la plaqueta si lo hací­a en algunos casos y esto nos permití­a repararla o por lo menos intentarlo, porque no existí­an repuestos de ningún tipo. Pero ya sabemos que cuando no hay repuestos siempre queda la alternativa de obtenerlo de alguna plaqueta que haya quedado perdida por nuestro taller, de un TV de "clavo". 

Le intercambiamos la plaqueta y listo. 

Todos saben que yo no soy propenso a la "ablación e implante", porque esas plaquetas que nos suministran repuestos no abundan y cuando uno tiene dos plaquetas iguales la reparación es mucho más simple porque se hace por comparación de tensiones continuas y oscilogramas. Y además el "cambiador compulsivo" no aprende nada y siempre tenemos que pensar en aprender, porque los TVs cambian constantemente y ya debemos estar pensando en los OLED y los que vengan después.

1.2 LO QUE VEMOS EN EL TOMO 4 DE LA BIBLIA DEL LED

En el tomo 3 terminamos en el conector de salida de la plaqueta main. Vimos que de allí­ salí­a la tensión de fuente para las etapas posteriores y en nuestro TV LG dos puertos de 5 patas cada uno, que llevaban la información de video. Ese punto es como un nudo georgiano, porque en el se encuentra de todo; energí­a, datos, sincronismo H y V (en formato de datos) y un clock por cada uno de los puertos.
 
El tomo 4 explica que hace la etapa T-COM (observe que no la llamamos "plaqueta" porque no tiene conector de salida sino que está firmemente unida a la pantalla) y que hace la pantalla LCD.

Ahora me entiende cuando le digo que no sea un "Cambiador compulsivo". En efecto si Ud. no reparó nunca una T-COM, ahora lo va a tener que hacer, porque en el TV LED la T-COM no se puede cambiar; la arregla o tira la pantalla y como no hay cliente que aguante un cambio de pantalla, perdió la reparación y si el cliente encuentra un reparador competente, que le arregla la etapa T-COM, perdió un cliente.

En este tomo vemos como se reparan las dos secciones involucradas en la T-COM la sección fuentes de la pantalla y la sección datos de la pantalla.

¿Y cómo nos guiamos para repararlas si la información del manual termina en el conector de salida de la main? La sección de fuentes por lo general tiene integrados de los cuales se consigue el data sheet y sus circuitos de aplicación nos son sumamente útiles porque son integrados dedicados a una función, alimentar la pantalla, y como todas las pantallas tienen tensiones y funcionamiento similares si tenemos un circuito, prácticamente los tenemos a todos.

La sección de señales se puede seguir muy fácilmente por el mismo dibujo del circuito impreso. Así­ se reconocen los dos puertos de entrada con sus pares reconocibles por su geometrí­a de lí­nea plana y el puerto de salida también reconocido por su geometrí­a.

1.3 YO NO TENGO OSCILOSCOPIO

No es buena excusa. Todas las mediciones que realizamos para reparar esta sección se pueden realizar con la sonda de RF que puede bajar gratuitamente desde mi página. Le digo más, muchas veces a pesar de tener un osciloscopio digital automático de 200 MHz lo dejo de lado y mido con la sonda porque es más rápido.

Con el osciloscopio tengo que hacer varios ajustes antes de medir y con la sonda miro el tester y ya sé si la etapa funciona.
 
Nota: no quiero decir que el osciloscopio no sea una herramienta útil pero en esta etapa estamos trabajando con señales de frecuencias muy altas. Tan altas que superan hasta al osciloscopio de 200 MHz. Pero no superan a la sonda de RF que llega hasta 10 GHz. Con un tester digital, una sonda de RF y un conocimiento profundo del funcionamiento se puede reparar cualquier falla de esta etapa.

1.4 INDICE DEL TOMO 4 

1.1 INTRODUCCIí"N
1.2 RESUMEN DE LOS TEMAS QUE VEREMOS EN ESTE CAPÍTULO
1.3 CIRCULACIí"N DE LAS SEÑALES DE DATOS LVDS
1.4 EL AMPLIFICADOR DE AUDIO PRINCIPAL
1.5 CONCLUSIONES

2.1 INTRODUCCIí"N
2.2 ¿EN DONDE ESTAMOS? 
2.3 FOTOGRAFÍA DEL TV COMPLETO
2.4 LOS INTEGRADOS DE LA T-COM
2.5 CIRCUITOS CON Y SIN INTEGRADOS DE FILA EXTERNOS
2.6 FUNCIONAMIENTO DE UNA PANTALLA LCD
2.7 ¿COMO SE LLENA UNA IMAGEN COMPLETA?
2.8 DIAGRAMA EN BLOQUES DE LOS CIRCUITOS INTEGRADOS DE FILA Y COLUMNA
2.9 EL CIRCUITO INTEGRADO CONVERSOR DE DATOS
2.10 EL CIRCUITO INTEGRADO FUENTES
2.11 CONCLUSIONES

3.1  INTRODUCCIí"N 
3.2  EL BOOST CONVERTER 
3.3  EL BUCK CONVERTER
3.4  CONCLUSIONES

4.1 INTRODUCCIí"N
4.2  ¿Dí"NDE ESTAMOS?
4.3 LA SEÑAL DE SINCRONISMO DE FILA
4.4 EL GENERADOR DE LA SEÑAL VGH
4.5 LA FUENTE ELEVADORA
4.6 CIRCUITO DE LA FUENTE ELEVADORA PRINCIPAL
4.7 CONCLUSIONES

5.1 INTRODUCCIí"N
5.2 ¿EN DONDE ESTAMOS?
5.3 DISPOSICIí"N DEL CIRCUITO DE SEÑALES LVDS HACIA LA PANTALLA
5.4 CUANDO SE DEBEN BUSCAR LOOPS LVDS DE SALIDA CORTADOS
5.5 IMÁGENES CON DIFERENTES LOOPS CORTADOS
5.6 LA FALLA MAS COMÚN EN PISTAS CORTADAS
5.7 PEGADURA DEL SUPERFLEX AL CIRCUITO IMPRESO
5.8 SE PUEDEN REPARAR LAS CINTAS CORROIDAS
5.9 CONCLUSIONES

6.1 INTRODUCCIí"N
6.2 CUANDO SE DEBE REVISAR EL SISTEMA DEL GAMMA
6.3 DONDE SE DEBE REPARAR LAS FALLAS DE GAMMA
6.4 COMO SE CORRIGE EL GAMMA
6.5 COMO SE GENERAN LAS TENSIONES DE CORRECCIí"N DE GAMMA
6.6 LA TENSIí"N DE ALIMENTACIí"N DE PANTALLA
6.7 CONCLUSIONES

7.1 INTRODUCCIí"N
7.2  DONDE ESTAMOS
7.3 EL CIRCUITO PRINCIPAL DE AUDIO
7.4 LAS PATAS DEL COSTADO INFERIOR
7.5 LAS PATAS DEL COSTADO DERECHO
7.6 LAS PATAS DEL COSTADO SUPERIOR
7.7 EL SISTEMA DE FALLA
7.8 EL MÉTODO DE REPARACIí"N
7.9 LA SEÑAL DE FAULT
7.10 LAS FALLAS EN LA LINEA DE FAULT
7.11 REPARACIONES MAS COMUNES
7.12 CONCLUSIONES

8.1 INTRODUCCIí"N
8.2 ¿DONDE ESTAMOS?
8.3 EL AMPLIFICADOR DE AURICULARES
8.4 LA SALIDA DE AURICULARES 
8.5 LA ENTRADA DE SEÑAL AL AMPLIFICADOR DE AURICULARES
8.6 REPARACIí"N DEL AMPLIFICADOR DE AURICULARES
8.7 APÉNDICE

A continuación le brindamos el capí­tulo 1 del tomo 4 para que Ud. pueda analizar la profundidad de la obra.
 
1.1 INTRODUCCIí"N
 
El tomo 4 es el final del curso de TV LED y en él se tratan los temas más complejos de estos TVs que son las etapas de salida.
 
Como salida de video entendemos la pantalla LCD y sus periféricos y como salida de audio entendemos el amplificador digital de potencia de audio generalmente con entrada y salida digitales.
 
Sobre todo, lo relacionado con la pantalla tiene una gran dificultad; la falta absoluta de información, que nos obliga a trabajar haciendo ingenierí­a inversa de lo que antes llamábamos plaqueta T-COM. La plaqueta T-COM ahora está incluida en la pantalla sin posibilidad de cambio de plaqueta. La entrada no sufrió cambios con respecto al LCD con tubos CCFL o ECFL sigue siendo un conector para un flex, que trae información digital de video en uno o dos puertos digitales y la tensión de alimentación de 12V, para la sección de la T-COM dedicada a generar las tensiones de fuente de la pan¬talla. Pero la salida, generalmente con dos puertos digitales y las fuentes, ya no terminan en un conector. Ahora es el borde de un flex que va pegado con adhesivo conductor, a la plaqueta por un lado y a la pantalla por otro. Las columnas y las filas de la pantalla, ya no tienen acceso desde el exterior, porque los circuitos integrados de filas y de columna están incluidos en la pantalla, impresos sobre el vidrio o dentro del flex.
 
El amplificador de audio digital forma parte de la plaqueta "main" y presenta la novedad de que sus señales de entrada son digitales del tipo I2SBUS.
 
Es decir que el audio no llega a ser analógico en ningún momento, salvo que lo requiera el amplificador de auriculares. La entrada es una serie de bites de canal izquierdo y derecho en sucesión y la salida dos señales PWM de audio con destino a sendos filtros LC, que generan el audio analógico para los parlantes, que son el único punto en donde pueden verse las señales clásicas de audio.
 
Por lo general los complejos amplificadores digitales de los LCD a tubos, con canal izquierdo derecho y central con buffer, queda reducido a dos amplificadores de baja potencia, alimentando a dos minúsculos parlantes. Y el que quiera escuchar buen audio que compre un Home. 

1.2 RESUMEN DE LOS TEMAS QUE VEREMOS EN ESTE TOMO.
 
En este capí­tulo 1 vamos sobre todo a ordenar lo que veremos en los siguientes capí­tulos, indicando por ejemplo donde se encuentran las principales etapas como por ejemplo la plaqueta T-COM y cuáles son sus partes principales y para qué sirven.
 
Se analizaran diferentes diagramas en bloques para aclarar la necesidad de utilizar esta placa, que sirve para adaptar la plaqueta principal a las caracterí­sticas de la pantalla utilizada.
 
Vamos a repasar el tema de la ubicación de esta plaqueta y su conexión por flex y pares LVDS con la plaqueta main.
 
Vamos a realizar un repaso del funcionamiento de la pantalla clásica y sus señales caracterí­sticas, para que no haya dudas al estudiar las modificaciones actuales.
 
Y sobre todo vamos a explicar el funcionamiento y las caracterí­sticas generales del circuito integrado de fuente de pantalla, que será algo inédito porque hasta ahora todos los autores soslayan la explicación de lo que hay dentro de la T-COM.
 
Otro tanto ocurre con la explicación del funcionamiento del circuito integrado conversor de códigos.
 
Todo esto lo realizamos en forma detallada, sobre un ejemplo para que el lector pueda realizar reparaciones en otros TVs con otros circuitos integrados. 
Sintetizando, la plaqueta T-COM posee dos circuitos integrados principales que son el circuito integrado de señales y el de fuentes.
 
El circuito integrado de señales se analiza más adelante. El de fuente no posee especificación, pero observamos que es similar al SM4028 que si la tiene. Entonces realizamos un análisis, observando las diferencias entre ambos para llegar a una conclusión sobre el funcionamiento y la reparación. 

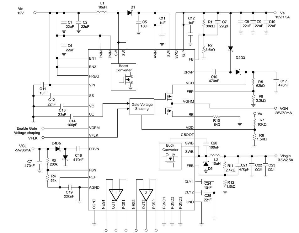
En la figura 1.2.1 mostramos el circuito completo con sus fuentes elevadoras, reductoras y sus bombas de tensión negativa y positiva. Es decir que este pequeño integrado posee todos los tipos de fuentes básicas y es ideal para repasar el tema.

Fig.1.2.1 Circuito integrado de fuentes de pantalla SM4028

En el capí­tulo 3 vamos explicar cómo realizar la reparación de la sec¬ción de fuente de pantalla, empezando por indicar las tensiones que se deben generar. Uno se pregunta porque se utilizan las llamadas fuentes del tipo bombas de tensión, si las tensiones a generar se pueden obtener con una de las más conocidas fuentes reductoras o elevadoras. La explicación es sencilla; porque no tienen inductor que es un componente caro y susceptible de fallar cuando es de pequeñas dimensiones.
 
También explicaremos el porqué de la generación de la señal VGH que es una señal de borrado aplicada a las compuertas de los transistores TFT de la pantalla. Muchos no entienden porque se genera en la sección fuente si no es una continua, sino un pulso trapezoidal. El tema es que debe alimentar la compuerta pero de unos 2.000.000 de transistores (uno por cada elemento de imagen de la pantalla HD) y por lo tanto debe ser un pulso trapezoidal de elevada corriente y es mas compatible con el circuito integrado de fuente que con el conversor de señales.

Sobre todo explicaremos con el mayor rigor, la reparación de las bombas de tensión, que son circuitos que se utilizan para fuentes de baja potencia que no requieren inductor y que no están tratadas en nuestro libro "La biblia de las fuentes pulsadas".

1.3 CIRCULACIí"N DE LAS SEÑALES DE DATOS LVDS 

En el capí­tulo 4 comenzamos a explicar la forma en que se mueven las señales de datos LVDS antes de la conversión realizada en la T-COM.
 
Vamos a explicar cómo se agrupa el puerto de entrada de la T-COM que en el TV que estamos analizando (como en la mayorí­a de los TVs actúales) se divide en dos puertos y como, en este caso, el circuito integrado conversor de códigos transforma los datos y los saca por un solo puerto de salida. En otros TVs existen dos puertos de salida que corresponden a la sección izquierda y derecha de la pantalla.
 
Sobre todo explicamos cómo se determinan cuales son las patas de los puertos y como se miden las señales, empleando el método de cortocicuitar los pares y observar la pantalla o el método de la sonda de RF o el del osciloscopio.
 
A continuación, para ir poniendo al alumno en tema, mostramos una fotografí­a de la zona del conversor de códigos de la plaqueta T-COM. Ver la figura 1.3.1.

 
Fig.1.3.1 Plaqueta T-COM zona del conversor de códigos


En el capí­tulo 6 analizamos la distribución de la señal de salida de datos, es decir las pistas que se dirigen desde el circuito integrado hasta los circuitos integrados de fila y columna, que en este modelo están construidos en el interior de lo que ahora se llama el superflex porque contiene circuitos en su interior y que dirige las señales a su pantalla.
 
También explicamos cómo se prueban dichas señales con un osciloscopio o una sonda de RF, o con el método del cortocircuito de pares de acuerdo a que tan provisto este el reparador. Si bien para otros usos como reparaciones de audio, fuente y otros circuitos de baja frecuencia, el uso del osciloscopio es conveniente, debemos reconocer que en estas mediciones no aporta mucho más que la sonda de RF. En cuanto a la medición por cortocircuito del par, lo mejor será que el alumno vea una muestra del sistema para entender su funcionamiento. Un cortocircuito sobre un par LVDS no daña ningún circuito y nos indi¬ca que ese par está funcionando. Por ejemplo nosotros podrí­amos estar observando una imagen como la indicada en la figura 1.3.2. 

Fig.1.3.2 Falla de video que puede ser de algunos de los pares LVDS


Si tomamos un par al azar de cualquiera de los dos puertos de salida, lo ponemos en cortocircuito con un destornillador y la imagen no cambia podemos asegurar que ese par está cortado o en corto o que está dañado el par de patas de salida del circuito integrado superjungla o el circuito de entrada de ese par, en el conversor de códigos.
 
En la zona inferior izquierda de la fotografí­a, se observa un agujero de anclaje rodeado de cobre bañado. Esto no solo actúa como soporte mecánico sino que es la puesta a masa de la plaqueta. Este tornillo flojo o la plaqueta sucia, pueden generar todo tipo de anomalí­as muchas veces aleatorias o inclusive la falta de video, por lo que siempre conviene realizar una inspección ocular antes de iniciar reparaciones profundas o un reestañado del circuito impreso .
 
Muchos ignoran que en la plaqueta T-COM, se realiza una función más que la de convertir los datos y generar las tensiones continuas para la pantalla y la señal VGH.
 
En efecto se realiza la función de la corrección de gamma de la pantalla. El coeficiente gama de la pantalla es una pequeña corrección, que se debe realizar porque las transmisiones de todas las normas de TV, contemplan el hecho de que los viejos tubos TRC no son lineales en su conversión de tensión a brillo. Cuando se digitalizó la TV, se dejaron que las transmisiones analógicas continuaran por cierto tiempo. Por lo tanto las imágenes serí­an vistas al mismo tiempo en TV digitales (LCD o Plasma) y en TV a TRC. Por lo tanto no podí­a abandonarse la corrección de gama, que se hace en el estudio de TV. Como la linealidad la pantalla LCD no es perfecta y depende de cada marca y modelo de pantalla se aprovechó la plaqueta T-COM que forma un juego de piezas con cada pantalla para corregir todo, el coeficiente gama y la distorsión.
 
En el fondo, esta sección de corrección se utiliza para conseguir imágenes mucho más agradables a la vista y sin empastamiento de blancos o de negros.
 
Los LCD tení­an un circuito integrado dedicado a la corrección de gama, que funcionaba en forma analógica. Actualmente el circuito integrado conversor de códigos se encarga de esta función en forma digital. 

1.4  EL AMPLIFICADOR DE AUDIO PRINCIPAL 

En el capí­tulo 7 nos dedicamos a analizar la sección digital de audio.
 
Todos los TV LED actuales, suelen funcionar con señales de audio digitales desde las entradas hasta las salidas del amplificador digital. Solo se pueden observar señales de audio analógico sobre los parlantes. Todo el procesamiento de audio del TV, que tomamos como referencia, se realiza sobre el circuito integrado NTP7250 para los parlantes y el TPA6132A2 para la salida de auriculares. Este circuito integrado de auriculares es totalmente analógico, desde la entrada hasta la salida, obteniendo sus señales de entrada desde el superjungla con micro. Esto quiere decir que el superjungla con micro tiene los dos tipos de salida de audio; a veces se utilizan las dos como en el modelo de ejemplo y a veces solo la digital, cuando el amplificador de auriculares tiene entrada digital o cuando los auriculares se conectan a la salida de parlantes.
 
En la figura 1.4.1 mostramos el circuito de un moderno amplificador digital de audio con entrada digital. 

Fig.1.4.1 Circuito del amplificador digital de audio 

En la figura 1.4.2 mostramos el circuito completo del amplificador de auriculares. 
Fig.1.4.2 Circuito del amplificador de auriculares 


Muchas veces ocurre una falla en el amplificador de audio con entrada digital por daño en el circuito integrado. Si el mismo se consigue no hay problemas pero en caso contrario se puede montar un amplificador externo. El problema es que las entradas son digitales y no es simple conseguir un CI amplificador de audio adecuado. En ese caso hay que analizar si el TV tiene amplificador analógico para auriculares y tomar la salida de allí­. Y si no lo tiene no se desespere porque el superjungla suele tener las patas analógicas correspondientes sin usar. Observe en el circuito los nombres de las patas libres. Y si no tiene el circuito con un poco de paciencia y un amplificador de audio puede ir conectándolo en las patas libre hasta detectar audio. 

1.5 CONCLUSIONES 

Con la información que brindamos en el ultimo capí­tulo de este tomo, terminamos de estudiar todo lo necesario para reparar TVs LED y muchas partes de los Smart, que son comunes a los LEDs.
 
En total es un esfuerzo muy importante del autor y del lector, que debe haber comprobado que prácticamente damos todas las explicaciones, sin nada más que los pobres circuitos entregados por el fabricante y sin ninguna información sobre las etapas más importantes, como la fuente, el driver de LEDs y en este tomo la T-COM y la pantalla, de las cuales no tuvimos la mas mí­nima información.
 
Una vez más llamo a la cordura a los fabricantes actuales sobre la importancia de mantener activo al gremio de los reparadores individuales, para mantener el prestigio de sus marcas. Quizás EEUU y Europa se avengan a reparar a nivel de plaqueta, pero América Latina jamás lo va a aceptar y Oriente sabe que no pueden prescindir de ningún mercado para satisfacer sus planes expansionistas. Quizás los fabricantes no saben que en América Latina los usuarios le preguntan a su técnico de confianza, que marca de TV comprar. 
      
Si quiere comprar toda la colección le pedimos que ingrese en en el articulo "Compra de la colección completa"
 
La forma de pago recomendada si Ud. vive en Argentina es mediante un giro a mi cuenta bancaria.  Realice el giro a mi cuenta bancaria.  Mande una nota por "contactenos" indicándonos: que desea comprar y adjunte una foto del recibo del giro. En el dí­a recibirá su .pdf con el/los libros solicitados por correo electrónico.

Pero también puede realizar la compra de cada tomo por "Mercado Pago" eligiendo la forma de pago que desee. Al finalizar el artí­culo hay un logo rojo de compra. Al seleccionarlo aparecerán las siguientes opciones de pago:

Tu cuenta de mercado pago
Tarjetas
Efectivo
Transferencia de "Red Link"

Si selecciona "efectivo" aparecerán las opciones mas utilizadas que son:

Pago Fácil
Rapipago
Otras
   
Por favor, en todos los casos debe indicarnos entrando a nuestra página por contactenos por "Contactenos" su nombre y que libro desea comprar.

  Si Ud. vive en el exterior puede hacer el pago por Pay Pal enviando previamente una comunicación  a "contáctenos" indicándonos claramente lo que desea comprar.

Los datos de mi cuenta son:
Alberto Horacio Picerno
Banco Macro. Sucursal Adrogué. Pcia de Bs As
Cuenta corriente  367806780194462
CBU  2850678030067801944628
CUIT 20-04448459-6

 
Mi cuenta para el pago por PAL PAY es:

picernoa@ar.inter.net

  



$ 1800



SALIR

Más EBOOKS

LA BIBLIA DEL LED PACK TOMOS 1, 2, 3 Y 4
INDICACIONES PARA REALIZAR LA COMPRA

BRINDAMOS A NUESTROS LECTORES TODAS LAS FACILIDADES PARA REALIZAR LA COMPRA DE COLECCIÓN COMPLETA COMENZANDO POR UN DESCUENTO POR PAGO AL CONTADO Y CON LA POSIBILIDAD DE COMPRAR A PLAZOS POR TARJETAS DE CREDITO.

[+] Leer artículo...    


REPARANDO COMO PICERNO TOMO 1
CAPITULO DE REGALO

EN ESTE ARTICULO LE ENTREGAMOS UN CAPITULO GRATIS DEL EBOOK "REAPARANDO COMO PICERNO" PARA QUE TODOS AQUELLOS QUE ESTE INTERESADOS EN LA COLECCIÓN VEAN EL TRATAMIENTO PROFUNDO QUE RECIBEN LAS REPARACIONES. EN ESTE CASO VEMOS UN PROBLEMA DE FUENTE EN UN LCD SANYO 32XH4 CON UN PROBLEMA DE FUENTE. y COMO ESTE tv TIENE ETAPA PREACONDICIONADORA APRENDEMOS AREPARAR A TODOS LOS TVs CON PREACONDICIONADOR.

[+] Leer artículo...    


LA BIBLIA DEL PIC CON NIPLE TOMO 10
TODO SOBRE EL SCADA

Un Scada es un sistema de seguimiento a distancia de alguna planta de producción o control y NIPLE no puede dejar de darle la importancia que tomaron en la actualidad dentro de las grandes o pequeñas empresas

[+] Leer artículo...    


LA BIBLIA DEL TVLED TOMO 7
CONSEJOS PARA REPARAR MONOPLAQUETAS

EN ESTE ARTÍCULO Ud PODRÁ APRENDER TODO LO NECESARIO PARA DEDICARSE A LA REPARACIÓN DE TVs LED CON PLAQUETA ÚNICA AUNQUE SOLO ES UNA MÍNIMA SÍNTESIS DEL EBOOK

[+] Leer artículo...    


LA BIBLIA DEL PIC CON NIPLE TOMO 9
COMUNICACIONES POR RF (CONTROL REMOTO)

UNA DE LOS ASPECTOS MAS DESEABLES PARA LOS DISEÑOS CON PICs ES PODER CONTROLAR DISPOSITIVOS A DISTANCIA. Y POR ESO COMENZAMOS ESTE TERCER GRUPO DE EBOOKS CON ESTE TEMA.

[+] Leer artículo...    


LA BIBLIA DEL PIC CON NIPLE TOMO 1 al 8
ANTOLOGÍA DEL PIC CON NIPLE

8 EBOKS QUE FORMAN LA ANTOLOGIA DEL PIC CON NIPLE REUNEN TODO LO NECESARIO PARA QUE UD. APRENDA A DISEÑAR SIN ESFUERZO Y CON TODO LO NECESARIO PARA REALIZAR PROGRAMAS DE PROYECTOS COMPLETOS CON SIMULACIÓN Y CIRCUITO IMPRESO

[+] Leer artículo...    


LA BIBLIA DEL PIC CON NIPLE TOMO 5, 6, 7, 8
PROGRAMACION VISUAL DE PICS

UNA BREVE RESEÑA DE LA SEGUNDA PARTE DEL CURSO PROGRAMACIÓN DE PICs EN FORMA GRAFICA Y LA CONSTRUCCIÓN DE DISPOSITIVOS ELECTRÓNICOS CON MICROPROCESADORES.

[+] Leer artículo...    






El Ing. Alberto Picerno, conocido en toda latinoamerica por sus cursos de Tv y LCD, es el autor mas prolífico sobre Electrónica, con mas de 40 libros tecnicos y cientos de articulos publicados. 

Se inicio en el mundo de la electronica de niño ayudando a su padre que era hobbysta y aficionado a la radio.

Su experiencia temprana le permitio recibirse con medalla de oro al mejor promedio de "Tecnico Nacional el Telecomunicaciones" y posteriormente volvio a obtener la medalla de oro al mejor promedio como "Ingeniero en electronica en UTN"

Leer Mas Aquí



Artículos Gratis
Sobre Electrónica
por Ing. Picerno


Ir a Artículos Gratuitos      


Libros Digitales

Adquiera los mejores
Libros Digitales (Ebooks)
Sobre Electrónica

Ir a Sección Libros      

MAPA DE LINKS:

INICIO - QUIENES SOMOS - ENTRETENIMIENTO - CONTACTENOS

TV: TRC - LCD - Plasma - LED - Smart - OLED

SOLDADURAS: SMD - BGA - Maquinas de Rebaling

TALLER: Puntas de prueba Sonda de RF - Punta de prueba BEBE - Punta de prueba Filtro Pasabajo - Instrumentos Fuentes - Instrumentos Evariac - Instrumentos SuperEvariac - Instrumentos Varios

AUDIO: Amplificadores Analogicos - Amplificadores Digitales - Bafles Caseros

MANUALES: TV TRC - TV LCD - TV Plasma - TV LED - SmartTV - TV Oled - Fuentes de TV - T-COM - Driver de LED - Inverters

EBOOKS

PROGRAMAS: Simuladores de Circuitos Multisim - Simuladores de Circuitos Livewire - Simuladores de Circuitos Proteus - Programas para PICs y memorias Ram

MICROS: Diseñando con PICS 1 - Diseñando con PICS 2

OTROS ARTICULOS

ARTICULOS DE LA A A LA Z

Ingeniero Alberto Picerno - Av. 2 de Abril 1140 - Burzaco - Buenos Aires - Argentina - Tel: (011)3974-4393
Artículos y Ebooks de Electrónica - Todos los Derechos Reservados - 2025

Diseño y Hosting RCH
rch.com.ar - redcomser.com.ar