|
Electrónica Completa
Curso en
línea gratis de Electrónica Completa por el Ing. Alberto
Picerno
Capitulo 2:
Laboratorio virtual Live Wire
Un laboratorio
real es el lugar donde Ud. realiza los trabajos
prácticos de su especialidad; en nuestro caso de
electrónica. Consta de una mesa de trabajo con
instrumentos y fuentes de energía eléctrica regulables
que suplantan a las pilas. También cuenta con un lugar
donde se guardan los componentes electrónicos que se van
a utilizar en el trabajo práctico y las herramientas
necesarias para hacer las correspondientes conexiones
entre ellos. Un laboratorio muy básico debe contar con
un tester que permita medir por lo menos R,V e I y un
conjunto de resistores de diferentes valores para este
primer trabajo práctico.
Ud. debe dentro de lo posible construir su propio
laboratorio. Lo que indicamos hasta ahora puede tener un
valor de unos pocos pesos (entre el tester y la fuente regulada). Los resistores tienen un valor
poco mas que anecdótico. Lo que Ud. va a hacer en su
laboratorio es realizar conexiones y medir tensiones
corrientes y resistencias con el tester.
¿Qué es un laboratorio virtual? Su laboratorio real
tiene un equivalente dentro de la PC, si Ud. tiene
cargado alguno de los laboratorios virtuales conocidos
hasta el momento. Nosotros vamos a trabajar en un
principio con el Live Wire, un laboratorio excelente
para los principios básicos de la electrónica. En
nuestro caso utilizaremos el Live Wire (en adelante LW)
en su versión profesional 1.11 pero prácticamente salvo
algunos componentes, las versiones anteriores son
perfectamente compatibles y las explicaciones son
prácticamente idénticas.
Descarga e
Instalación del Live Wire
Mas abajo encontrara un
link de descarga directa del programa. El mismo se
descargara como archivo .ZIP, debera descomprimirlo y
listo. Dentro de la carpeta que se creal al descargarlo
encontrara un archivo llamado Livewire.exe, al hacerle
doble clic a este archivo se abrira el programa
directamente ya que no requiere instalacion. Podrá crear
en el escritorio un acceso directo al archivo EXE, osea
al programa y aparecerá un icono en la pantalla como el
indicado en la figura 1.

Fig.1 Icono del
LW
Haciendo click
sobre este icono, aparecerá la pantalla del LW que puede
considerarse como un laboratorio básico con todo lo
necesario para realizar nuestra primera práctica y todas
las siguientes.

Fig.2 Pantalla
inicial de LW
Es posible que
al iniciar el trabajo no aparezca el bloque Gallery de
la derecha que representa la estantería donde están
guardados los instrumentos y los materiales. En ese caso
pique sobre View arriba a la izquierda y se desplegará
una pantalla en donde debe tildar “Gallery”. Al salir de
la pantalla desplegable aparecerá la mencionada
estantería.

Fig.3 Pantalla
desplegable Wiew predisponiendo "Gallery"
Los componentes
e instrumentos están ordenados dentro de esta estantería
de modo que Ud. pueda encontrarlos fácilmente. Le
aconsejamos picar en la flecha desplegable dirigida
hacia abajo para observar todas las alternativas
posibles, como se muestra en la Figura 4.

Fig.4 Pantalla
desplegable de Gallery
En nuestro
primer trabajo práctico vamos a trabajar con una fuente
de tensión (Power Supplies) la encontarra como Battery
9V (el primero de la lista); resistores, que se
encuentran en componentes pasivos (Passive Components)
lo encontrara como Resistor 1K (el primero de la lista) y
un tester que se encuentra en Measuring.Lo encontarara
en Virtual Instruments con el nombre de Digital
Multimeter.

Fig. 5
Componentes desconectados
Ud puede sacar
esos componentes haciendo click y trasladando sobre la
parte activa de la pantalla que representa a su mesa de
trabajo. Y ahora solo basta con unir los componentes con
cables virtuales realizando el circuito de la figura 6.

Fig.6. Componentes conectados
Para conectar los componentes haga
click sobre una punta del componente y arrastre hasta el
otro componente que desea conectar, allí suelte y la
conexión quedara terminada. Luego puede picar sobre los
cables y acomodarlos. Si desea realizar un tendido con
un cambio de dirección suelte momentáneamente donde
desee cambiar y luego vuelva a pulsar y terminar la
conexión.
Con todo esto podemos decir que la instalación y la
prueba ya esta terminada. En la siguiente sección
aprenderemos a usar el LW.
Simulación
del circuito elemental
Haciendo doble click sobre la batería y aparecerá una
ventanita en donde aparece el valor de la tensión de la
misma.

Fig.7 Cambio del valor de los
componentes
Todos los componentes presentan una
pantalla similar en donde se pueden cambiar su código de
posición dentro del circuito (en este caso B1 de batería
1) o el valor de tensión (en este caso cambiar 9V por
1.5V). E inclusive se puede poner algún mensaje
explicativo en la ventana “caption”. En nuestro caso el
resistor no necesita modificación porque su valor por
defecto es el que necesitamos.
Si Ud. desea ubicar los textos en una posición diferente
solo necesita hacer click sobre el valor y correrlo.
Pulse F9 o el boton Play para que comience la simulación. De inmediato
observará dos cosas.
Dentro del tester aparece el numero 1,5 indicando la
tensión de la pila.
Y en la parte de abajo del marco observará una ventanita
marcada “Time” que indica el tiempo de la simulación que
por lo general difiere del tiempo real dependiendo de la
velocidad de la computadora. En el presente trabajo
práctico la corriente y la tensión se establecen de
inmediato. Pero posteriormente veremos otros circuitos
en donde los parámetros son una función del tiempo
transcurrido.
Si Ud. desea saber como circula la corriente por este
circuito solo tiene que hacer click sobre la pestaña
vertical acostada “current flow” en el margen izquierdo. Observará que el
fondo cambia a negro y se observan puntos que
representan grupos de electrones circulando por el
circuito. Reduzca a 100 Ohms el valor del resistor y
observará como aumenta la corriente por los conductores
la pila y el resistor. Para conocer el valor de la
tensión respecto del negativo de la pila y el valor de
la corriente solo debe posicionar el cursor flecha hasta el
punto en donde desea hacer la medición.

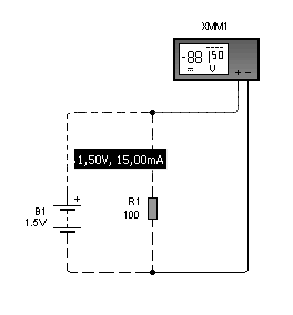
Fig.8 Circulación de la corriente y
valores de tensión con 100 Ohms
Pruebe cambiar el valor de la pila
y observará inmediatamente el resultado sobre la
corriente. ¿Por qué no hay circulación de corriente
hacia el tester? En realidad existe una pequeña
corriente por el tester pero la misma es tan pequeña que
se la suele considerar despreciable. En efecto un tester
digital normal suele tener una resistencia interna
equivalente muy alta, del orden de los 4 Mohms o mas
dependiendo de su costo. Entonces es fácil entender que
los electrones al llegar a un nodo (palabra equivalente
a nudo) desde la batería, circulan en su gran mayoría
por el resistor que ofrece poca resistencia y muy pocos
a través del tester.
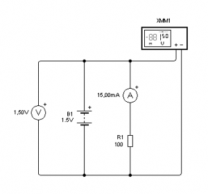
Si Ud. desea tener una indicación permanente de la
tensión y la corriente puede recurrir a la colocación de
los llamados instrumento de panel. Son equivalentes a
aquellos que se utilizan atornillados a un tablero, e
indican su parámetro en forma permanente. Detenga la
simulación apretando “control F9″ y agregue un
voltímetro (en Gallery - Measuring - Voltmeter) y un amperímetro de panel
(en Gallery - Measuring - Ammeter).

Fig.9 Colocación de un amperímetro
y un voltímetro
Observe que ambos instrumentos
indican permanentemente los parámetros del circuito y
permiten determinar un valor y ajustar otro para
conseguir un determinado nivel en el tercero, sin
realizar ninguna operación matemática. ¿Por ejemplo si
coloco una batería de 12V que valor de resistencia debo
colocar para que circulen 1,5 mA?
Simplemente cambie la tensión de batería a 12V. y luego
coloque una resistencia cualquiera. Por ejemplo 200 Ohms.
Observe la corriente. Su valor obtenido inmediatamente
es de 60 mA. Demasiado alto. Poniendo 2K la corriente se
establece en 6 mA (observe que no hace falta detener la
simulación para cambiar un valor). Ya estamos mas cerca,
pero aun el resistor es demasiado alto. Como el sistema
es lineal de inmediato nos damos cuenta que para que la
corriente baje a 3 mA debo duplicar la resistencia y
para lograr 1,5 mA debo duplicarla nuevamente. Por lo
tanto probamos con 8K.
En el laboratorio virtual encontramos resistores de
todos los valores pero en la realidad solo se encuentran
aquellos que corresponde con la serie 1 – 1.2 – 1,5 –
1,8 – 2,2 – 2,7 – 3,3 – 3,9 – 4,7 – 5,6 – 6,8 – 8,2 y 10
es decir que en nuestro caso lo mas cercano que podremos
colocar en la realidad es de 8,2 K. Si lo hacemos la
corriente se establece en 1,46 mA. Si es aceptable se lo
deja así. En caso contrario queda un recurso que es
conectar un resistor de alto valor R2 en paralelo con el
resistor R1 de modo tal que se pueda ajustar la
corriente al valor requerido.

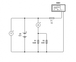
Fig.10 Ajuste de la corriente con
valores normalizados de resistencia
¿Cual es el valor real de los dos
resistores en paralelo? Mas adelante veremos que existe
una formula de cálculo pero el laboratorio virtual
permite realizar sencillamente la medición a condición
de que se desconecte una de las patas del resistor. En
la figura siguiente se puede observar como se realiza
tal medición. El tester debe predisponerse como óhmetro
pulsando sobre él con el botón derecho del mouse (BDM).
Luego se elige Ohm y se arranca la simulación con F9.

Fig.11 Medición
de la resistencia equivalente paralela
Como se puede
observar se obtiene el valor original de 8Koms.
Un caso muy particular ocurre con la medición de
corriente. Ya vimos que los medidores de tensión o
voltímetros, tienen una resistencia interna equivalente
a varios megohms para que su inclusión en el circuito no
modifique las características del mismo. Por la misma
razón, un medidor de corriente o amperímetro debe tener
un bajo valor de resistencia, ya que siempre se lo
conecta en serie con el circuito. Dada esa
característica, si por error se lo conecta sobre la
fuente, circula una corriente muy elevada que quema el
instrumento. Por esa razón los amperímetros de hasta 1 A
incluidos en un tester, tienen un fusible de 2 amperes.
En la figura 12 se puede observar el circuito necesario
para que ocurra una dramatización de este hecho, en
donde conectamos un amperímetro sobre una fuente, pero
mostrando el fusible como un componente externo. El
fusible se encuentra al final de la sección “power
supplies” de “Gallery” con el nombre de Fuse.

Fig.12.
Amperímetro mal conectado
Luego se debe entrar en las
pestañas desplegables superiores y elegir “explosions”
de acuerdo a la figura siguiente. Tools - Simulation -
Explotions

Fig.13
Predisposición explosiva
Cuando comience la simulación
con F9 se producirá la quemadura inmediata del fusible
indicando el error de conexión.
Práctica real
No hay mucho para agregar en la practica real que sea
diferente a la práctica simulada. Simplemente debemos
armar el circuito de prueba en una plaqueta perforada y
luego realizar las mediciones. El tester digital real
tiene una perilla selectora de funciones, ella permite
predisponer el tester como voltímetro, como amperímetro
o como óhmetro, seleccionando además el valor de escala
en cada caso. Es muy común que por razones de seguridad,
se utilicen dos bornes diferentes del tester para la
medición de corriente y de tensión.
Realice la practica de ajustar la corriente a 1,5 mA
cuando la tensión de fuente es de 12V, para
familiarizarse con los valores de resistencia de la
serie del 5% que es la mas utilizada habitualmente.
Conclusiones
En esta unidad didáctica aprendimos a utilizar una
poderosa herramienta de estudio que es el laboratorio
virtual LW. En realidad solo vislumbramos su utilidad,
porque lo empleamos para resolver un circuito muy
elemental. Cuando los circuitos se hagan mucho mas
complicados el uso de los laboratorios virtuales
resultará prácticamente imprescindible para obtener una
solución simple y rápida a todos nuestro problemas.
Le aconsejamos al lector que practique con su
laboratorio virtual porque ese es el mejor modo de
aprender. Este curso no es un curso para leer, es un
curso para practicar, primero en forma virtual y luego
en forma real. Cumpla con todas las modalidades si
pretende aprender realmente.
Descarga el programa
LIVEWIRE Gratis <<Clic Aqui>>
Este programa es
completo, esta libre de virus, se descarga en un archivo
comprimido (.zip)
(Generalmente dentro de la carpeta Descargas o Download de su
computadora),
debera descomprimir este zip (por lo general con boton derecho
Descomprimir Aqui),
se creara una carpeta llamada LiveWire y dentro de esta encontrara varios
archivos
y entre ellos el programa Ejecutable Portable, esto quiere
decir que no es necesario instalar el programa en su computadora,
el mismo se ejecuta haciendo doble clic al archivo
Livewire.exe y se abrira el programa.
|