Inicio Quienes Somos Entretenimiento Contáctenos Como Comprar los Ebooks
Ingresar Registrarse
Artículos Gratuitos sobre electrónica básica y avanzada y venta de libros electrónicos.

TV SMART
TIP08
Samsung LN26C450 5 destellos del piloto

por ING. PICERNO




Tamaño A+ A-

Reparación:

No solo los D5500 de Samsung fallan por la memoria flash serie, los  LN26C450, LN32C450, y otros que llevan el mismo tipo de memoria Flash  KFG1G16U2D del tipo BGA de 48 patas son suceptibles de fallas prematuras.
Por suerte la falla que se produce en el TV es bien caracterí­stica. Al conectarlo a la red el TV prende y parpadea el led de stand-by 5 veces y se queda sin imagen ni sonido.
Como no le tení­amos ninguna confianza a la flash paralelo lo primero que hicimos fue la prueba del "dedote" que es obligada cuando hay un BGA (ver apéndice) para ver si el TV arrancaba, pero fue inútil. Luego realizamos varias pruebas de refluxing sobre la memoria BGA sin obtener ningún resultado.
Luego encontramos un TV que si enfriabamos la memoria  KFG1G16U2D (IC801) andaba unos minutos. Nos decidimos y directamente realizamos un reballing.
Luego de hacer el reballing el TV seguí­a peor porque no encendió más. 
No me quede conforme porque aun dudaba de que fuera la memoria así­ que tome una plaqueta usada que habí­a tenido una descarga por HDMI y que el cliente no querí­a reparar y le quite la memoria  KFG1G16U2D, la coloque en la plaqueta que no funcionaba y el TV quedó funcionando perfecto.
Leí­ en algún foro que un reparador habí­a conseguido memorias ví­rgenes y las colocó, con el mismo resultado de los 5 destellos del piloto y llegó a la conclusión de que le habí­an vendido memorias falladas.
Si me está leyendo le aclaro que no están falladas, simplemente no están cargadas con el programa operativo del TV. Están vací­as.
Este no es un error que deba avergonzar a nadie. En internet hay una propaganda sobre las memorias del Samsung D5500 a muy buen precio y el propio vendedor dice que son memorias sin uso, ví­rgenes, "sin programar" y las vende muy convencido de su calidad.
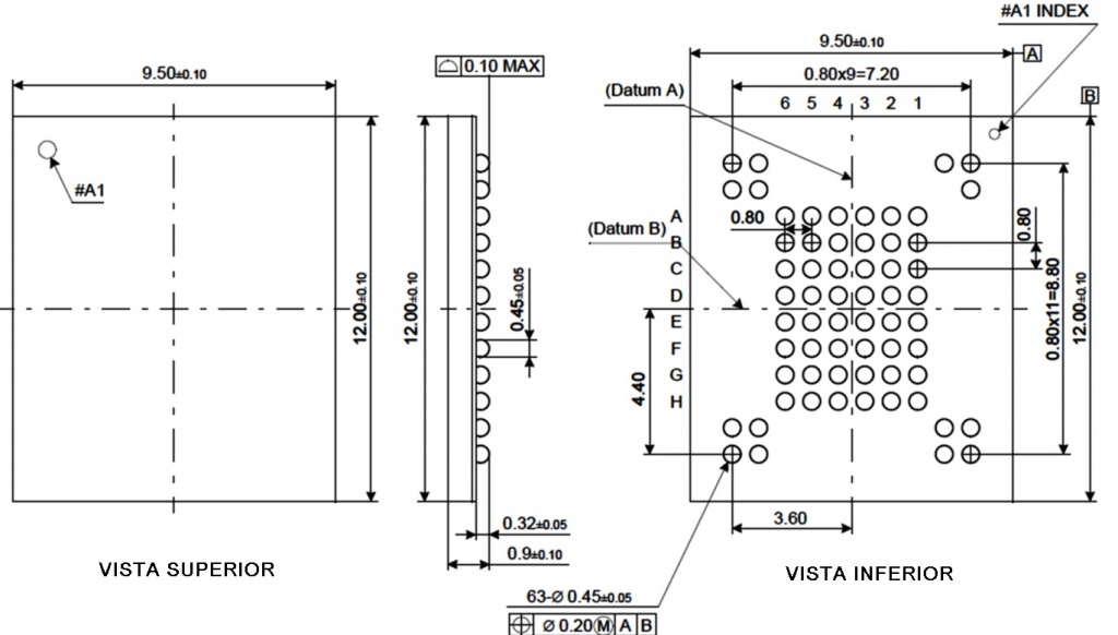
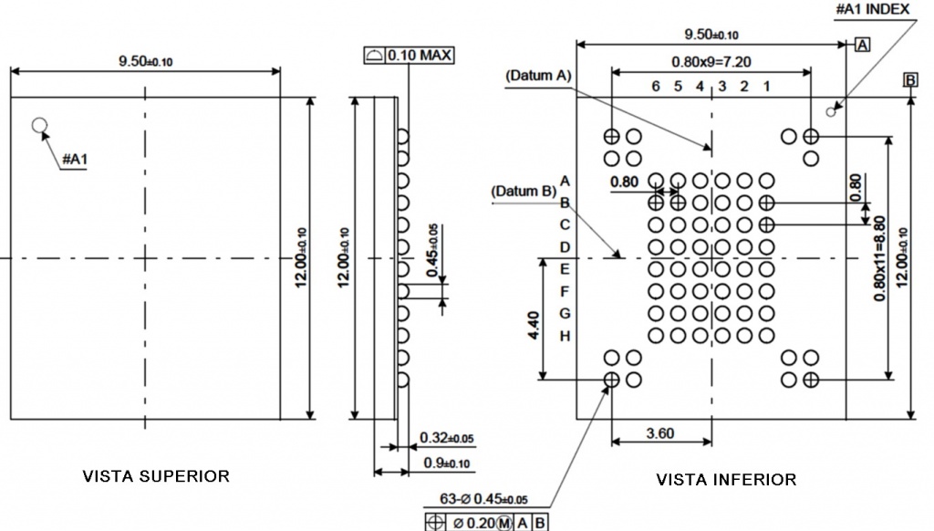
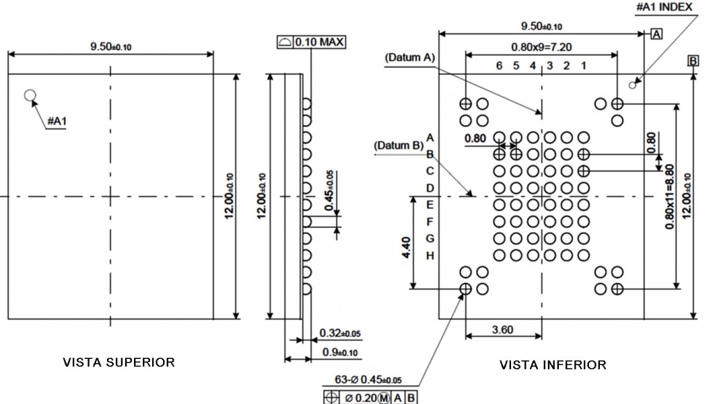
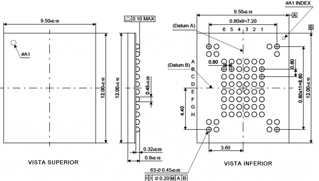
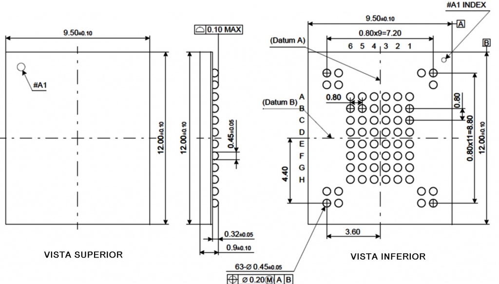
Como no pudimos leer las memorias BGA, estamos analizando aun como vamos a conseguir memorias grabadas. En la figura 8.1 ponemos un plano de la memoria desde el encapsulado y desde la base.

 
Fig.8.1 Plano de encapsulado
*PRUEBA DEL DEDOTE

Se realiza cuando se presume que un CI BGA tiene problemas con una soldadura: 
1) Desconecte el TV de la red
2) Coloque un dedo apretando el BGA de modo que la plaqueta llegue a doblarse levemente.
3) Conecte el equipo a la red sin soltar el apriete.
4) Encienda el equipo y compruebe si funciona .
5) Si funciona realice un refluxing sobre el BGA (calentamiento hasta que se fundan las bolillas pero sin retirar el BGA) Nota: esta prueba no es definitiva el TV vuelve a fallar al poco tiempo.
6) Si funciona con el refluxing y sin apriete, realice un reballing (retirando el BGA limpiando las islas, colocando bolillas nuevas de Sb/Pb y resoldando). 




SALIR

Más TV SMART

MEDICIÓN DE SEÑALES LVDS PARTE 7
APLICACION A LA REPARACIÓN DE UN TRIPLAQUETA

EN LA PARTE 7 VAMOS A EXPLICAR COMO SE UTILIZA EL MEDIDOR DE SEÑALES LVDS PARA LA REPARACIÓN DE LA PLAQUETA MAIN DE UN TV TRIPLAQUETA

[+] Leer artículo...    


MEDICIÓN DE SEÑALES LVDS (PARTE 6)
El circuito de medición de las señales

En esta Parte 6 vamos a comenzar a a explicar como se realiza la medición con nuestro amplificador modificado y dotado de puntas especiales para circuitos de pequeñas dimensiones.

[+] Leer artículo...    


MEDICIÓN DE SEÑALES LVDS (PARTE 5)
SEÑALES DE VEDA SOBREMUESTREO Y MEDICIONES

EN ESTE ARTICULO COMENZAMOS COMENTANDO EL TEMA DE LAS NORMAS DE LA TV DIGITAL Y DE QUE MODO AFECTAN LA FORMA DE LA SEÑAL LVDS. lUEGO COMEMZAMOS A TRATAR LOS PROBLEMAS PRACTICOS DE LAS MEDICIONES LVDS QUE SON PRECISAMENTE DE TAMAÑO DE LAS PUNTAS DEL TESTER O EL OSCILOSCOPIO.

[+] Leer artículo...    


MEDICION DE SEÑALES LVDS (PARTE 4)
TODO SOBRE LAS COMUNICACIONES DIGITALES MAS MODERNAS DEL TV

En esta parte 4 le damos el apéndice prometido en la parte 3 pero sobre todo le explicamos el tema de la medición de la señal LVDS comenzando a darle los detalles de como mide nuestra sonda que requerirá mas datos que saldrán en la parte 5.

[+] Leer artículo...    


MEDICIÓN DE SEÑALES LVDS PARTE (PARTE 3)
Entradas de señal

En esta entrega explicamos el funcionamiento de las etapas de entrada HDMI de todas las variedades de TV LCD y los detalles de como realizar el seguimiento de las señales.

[+] Leer artículo...    


MEDICIÓN DE SEÑALES LVDS PARTE 2
LAS SEÑALES LVDS DE ENTRADA Y DE SALIDA

EN ESTE ARTÍCULO LE EXPLICAMOS EN QUE SECCIONES DE UN TV LCD SE UTILIZA COMUNICACIONES LVDS, PORQUE RAZÓN Y DASMOS LAS PISTAS PARA EMPREDER SU REPARACIÓN.

[+] Leer artículo...    


SEÑALES LVDS -PARTE 1
INTRODUCCIÓN

ANTIGUAMENTE LAS SEÑALES DE DATOS DE ALTA VELOCIDAD SE TRANSMITÍAN POR CABLES COAXIALES ESPECIALES DE BAJAS PERDIDAS. CON EL INCREMENTO DEL COSTO DEL COBRE SE BUSCO ALGO MAS ECONÓMICO Y VERSATIL UTILIZÁNDOSE EN LA ACTUALIDAD LOS PARES MÚLTIPLES SIMILARES A LOS TELEFÓNICOS MAS CONOCIDOS COMO MULTIPARES.

[+] Leer artículo...    






El Ing. Alberto Picerno, conocido en toda latinoamerica por sus cursos de Tv y LCD, es el autor mas prolífico sobre Electrónica, con mas de 40 libros tecnicos y cientos de articulos publicados. 

Se inicio en el mundo de la electronica de niño ayudando a su padre que era hobbysta y aficionado a la radio.

Su experiencia temprana le permitio recibirse con medalla de oro al mejor promedio de "Tecnico Nacional el Telecomunicaciones" y posteriormente volvio a obtener la medalla de oro al mejor promedio como "Ingeniero en electronica en UTN"

Leer Mas Aquí



Artículos Gratis
Sobre Electrónica
por Ing. Picerno


Ir a Artículos Gratuitos      


Libros Digitales

Adquiera los mejores
Libros Digitales (Ebooks)
Sobre Electrónica

Ir a Sección Libros      


MAPA DE LINKS:

INICIO - QUIENES SOMOS - ENTRETENIMIENTO - CONTACTENOS

TV: TRC - LCD - Plasma - LED - Smart - OLED

SOLDADURAS: SMD - BGA - Maquinas de Rebaling

TALLER: Puntas de prueba Sonda de RF - Punta de prueba BEBE - Punta de prueba Filtro Pasabajo - Instrumentos Fuentes - Instrumentos Evariac - Instrumentos SuperEvariac - Instrumentos Varios

AUDIO: Amplificadores Analogicos - Amplificadores Digitales - Bafles Caseros

MANUALES: TV TRC - TV LCD - TV Plasma - TV LED - SmartTV - TV Oled - Fuentes de TV - T-COM - Driver de LED - Inverters

EBOOKS

PROGRAMAS: Simuladores de Circuitos Multisim - Simuladores de Circuitos Livewire - Simuladores de Circuitos Proteus - Programas para PICs y memorias Ram

MICROS: Diseñando con PICS 1 - Diseñando con PICS 2

OTROS ARTICULOS

ARTICULOS DE LA A A LA Z

Ingeniero Alberto Picerno - Av. 2 de Abril 1140 - Burzaco - Buenos Aires - Argentina - Tel: (011)3974-4393
Artículos y Ebooks de Electrónica - Todos los Derechos Reservados - 2026

Diseño y Hosting RCH
rch.com.ar - redcomser.com.ar