Inicio Quienes Somos Entretenimiento Contáctenos Como Comprar los Ebooks
Ingresar Registrarse
Artículos Gratuitos sobre electrónica básica y avanzada y venta de libros electrónicos.

TV SMART
TIP 5
HITACHI CDHL32S02

por ING. PICERNO




Tamaño A+ A-

TIP05

MARCA: HITACHI

MODELO: CDHL32S02

FALLA: PILOTO ENCENDIDO, SIN IMAGEN NI SONIDO

REPARACIÓN:

En nuestra fuente solo funciona la sección de Stand By y por eso teniamos el piloto encendido. Vemos que no funciona la fuente principal de 24V (Sobre CS22 hay 0V) ni el preacondicionador o PFC (Sobre C28 hay 310V en redes de 220V y 150V en redes de 110V).
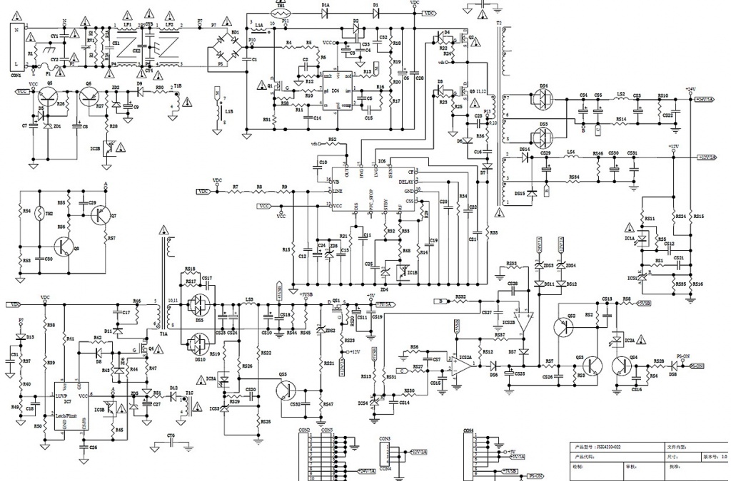
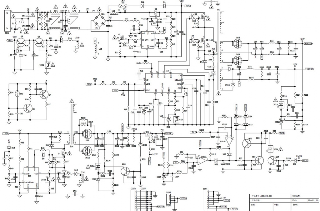
A continuación en la figura 5.1 le brindamos el circuito de la fuente y lo vamos a ayudar para que se oriente.

Fig.5.1 Circuito de fuente

Al conectar el TV a la red el puente de rectificadores queda alimentado y se generan una tensión continua pulsante sobre C1 de 1 uF. Q1 y L1A deben levantar esta tensión a un valor de unos 400V para generar la tensión reforzada continua VDC si el preacondicionador funciona. Como no funciona tenemos la rectificación directa de red.
Esta tensión aunque más baja alcanza para que funcione la  fuente permanente y el transformador T1A genera los +5VSB o tensión permanente que alimenta al micro, las memorias, el piloto y el receptor de control remoto.
Lo más lógico para realizar esta reparación es seguir el camino de la señal de encendido que proviene del micro para saber porque no cumple su cometido de encender el preacondicionador. Esa señal se llama PS-ON (Power Source ON = Fuente de Poder Encendida). Esa tensión de 3,3V alcanza para saturar a QS4 y encender diodo del optoacoplador IC2A que satura al fototransistor IC2B.
IC2B hace conducir a Q6 una tensión que sale del transformador de la fuente permanente con el bobinado T1B acoplado magnéticamente al transformador T1A (el de la fuente permanente).
Q6 Alimenta la transistor regulador y llave Q5 que alimenta con la tensión VCC al circuito integrado de control del preacondicionador (pata 8).
En nuestro caso verificamos que la orden PS-ON llega, acciona al transistor QS4 y este al opto IC2A y que el fototransistor IC2B opera de modo que hay 18V sobre el emisor de Q6 y 17,4V sobre él emisor ( es decir que se produce la acción de llave de este transistor). Finalmente llegamos al transistor regulador final que tiene un zener de 12V en la base y por lo tanto regula a una tensión de 10,8 en su emisor.
Es decir que hasta este punto todo es perfectamente normal.
Me dije, si no es un problema de generación debe ser un problema de carga. VCC alimenta dos integrados al mismo tiempo IC6 e IC4. Probamos desconectar la pata 12 de IC6 y observamos que arranca el preacondicionador generando 380V que se pueden considerar normales.
Todo me hace pensar que IC6 consume mucho así­ que lo alimento con nuestra fuente inteligente ( gratis en "taller-->Fuentes) ajustada en 1A y 12V y veo que arrancan las salidas +24V y +12V inclusive colocando cargas de 5A en los 24V y de 2A en los 12V se siguen manteniendo las tensiones de salida.
Evidentemente la falla está en el regulador y llave de fuente Q6 y Q5. 
Como lamentablemente el fabricante no da los valores de las resistencias, es muy poco lo que se puede hacer. En mi caso las medí­ a todas con el tester y generé una simulación en Multisim que me demostró que se trataba de un problema en los transistores. Sin ningún problema cambie a los dos y el funcionamiento se recuperó perfectamente. 





SALIR

Más TV SMART

MEDICIÓN DE SEÑALES LVDS PARTE 7
APLICACION A LA REPARACIÓN DE UN TRIPLAQUETA

EN LA PARTE 7 VAMOS A EXPLICAR COMO SE UTILIZA EL MEDIDOR DE SEÑALES LVDS PARA LA REPARACIÓN DE LA PLAQUETA MAIN DE UN TV TRIPLAQUETA

[+] Leer artículo...    


MEDICIÓN DE SEÑALES LVDS (PARTE 6)
El circuito de medición de las señales

En esta Parte 6 vamos a comenzar a a explicar como se realiza la medición con nuestro amplificador modificado y dotado de puntas especiales para circuitos de pequeñas dimensiones.

[+] Leer artículo...    


MEDICIÓN DE SEÑALES LVDS (PARTE 5)
SEÑALES DE VEDA SOBREMUESTREO Y MEDICIONES

EN ESTE ARTICULO COMENZAMOS COMENTANDO EL TEMA DE LAS NORMAS DE LA TV DIGITAL Y DE QUE MODO AFECTAN LA FORMA DE LA SEÑAL LVDS. lUEGO COMEMZAMOS A TRATAR LOS PROBLEMAS PRACTICOS DE LAS MEDICIONES LVDS QUE SON PRECISAMENTE DE TAMAÑO DE LAS PUNTAS DEL TESTER O EL OSCILOSCOPIO.

[+] Leer artículo...    


MEDICION DE SEÑALES LVDS (PARTE 4)
TODO SOBRE LAS COMUNICACIONES DIGITALES MAS MODERNAS DEL TV

En esta parte 4 le damos el apéndice prometido en la parte 3 pero sobre todo le explicamos el tema de la medición de la señal LVDS comenzando a darle los detalles de como mide nuestra sonda que requerirá mas datos que saldrán en la parte 5.

[+] Leer artículo...    


MEDICIÓN DE SEÑALES LVDS PARTE (PARTE 3)
Entradas de señal

En esta entrega explicamos el funcionamiento de las etapas de entrada HDMI de todas las variedades de TV LCD y los detalles de como realizar el seguimiento de las señales.

[+] Leer artículo...    


MEDICIÓN DE SEÑALES LVDS PARTE 2
LAS SEÑALES LVDS DE ENTRADA Y DE SALIDA

EN ESTE ARTÍCULO LE EXPLICAMOS EN QUE SECCIONES DE UN TV LCD SE UTILIZA COMUNICACIONES LVDS, PORQUE RAZÓN Y DASMOS LAS PISTAS PARA EMPREDER SU REPARACIÓN.

[+] Leer artículo...    


SEÑALES LVDS -PARTE 1
INTRODUCCIÓN

ANTIGUAMENTE LAS SEÑALES DE DATOS DE ALTA VELOCIDAD SE TRANSMITÍAN POR CABLES COAXIALES ESPECIALES DE BAJAS PERDIDAS. CON EL INCREMENTO DEL COSTO DEL COBRE SE BUSCO ALGO MAS ECONÓMICO Y VERSATIL UTILIZÁNDOSE EN LA ACTUALIDAD LOS PARES MÚLTIPLES SIMILARES A LOS TELEFÓNICOS MAS CONOCIDOS COMO MULTIPARES.

[+] Leer artículo...    






El Ing. Alberto Picerno, conocido en toda latinoamerica por sus cursos de Tv y LCD, es el autor mas prolífico sobre Electrónica, con mas de 40 libros tecnicos y cientos de articulos publicados. 

Se inicio en el mundo de la electronica de niño ayudando a su padre que era hobbysta y aficionado a la radio.

Su experiencia temprana le permitio recibirse con medalla de oro al mejor promedio de "Tecnico Nacional el Telecomunicaciones" y posteriormente volvio a obtener la medalla de oro al mejor promedio como "Ingeniero en electronica en UTN"

Leer Mas Aquí



Artículos Gratis
Sobre Electrónica
por Ing. Picerno


Ir a Artículos Gratuitos      


Libros Digitales

Adquiera los mejores
Libros Digitales (Ebooks)
Sobre Electrónica

Ir a Sección Libros      


MAPA DE LINKS:

INICIO - QUIENES SOMOS - ENTRETENIMIENTO - CONTACTENOS

TV: TRC - LCD - Plasma - LED - Smart - OLED

SOLDADURAS: SMD - BGA - Maquinas de Rebaling

TALLER: Puntas de prueba Sonda de RF - Punta de prueba BEBE - Punta de prueba Filtro Pasabajo - Instrumentos Fuentes - Instrumentos Evariac - Instrumentos SuperEvariac - Instrumentos Varios

AUDIO: Amplificadores Analogicos - Amplificadores Digitales - Bafles Caseros

MANUALES: TV TRC - TV LCD - TV Plasma - TV LED - SmartTV - TV Oled - Fuentes de TV - T-COM - Driver de LED - Inverters

EBOOKS

PROGRAMAS: Simuladores de Circuitos Multisim - Simuladores de Circuitos Livewire - Simuladores de Circuitos Proteus - Programas para PICs y memorias Ram

MICROS: Diseñando con PICS 1 - Diseñando con PICS 2

OTROS ARTICULOS

ARTICULOS DE LA A A LA Z

Ingeniero Alberto Picerno - Av. 2 de Abril 1140 - Burzaco - Buenos Aires - Argentina - Tel: (011)3974-4393
Artículos y Ebooks de Electrónica - Todos los Derechos Reservados - 2026

Diseño y Hosting RCH
rch.com.ar - redcomser.com.ar