Inicio Quienes Somos Entretenimiento Contáctenos Como Comprar los Ebooks
Ingresar Registrarse
Artículos Gratuitos sobre electrónica básica y avanzada y venta de libros electrónicos.

TV SMART
MEMORIAS FLASH SERIE 1
¿QUE ES?

por ING. PICERNO Coautor: JORGE JOSÉ ORTEGA




Tamaño A+ A-

             Reconocimiento: Jorge jose me acompaña en mi laboratorio desde hace muchos años. En el campo Argentino se llama "ladero" al que está al lado del capataz para resolver efectivamente un problema, Jorge repara la gran mayorí­a de los LED y Smart que llegan para reparación. Yo anoto saco fotos y grabo videos mientras él trabaja. El me avisó que estaban entrando muchos TVs con la memoria flash serie fallada y que comenzara a estudiarlas porque van a ser el problema común de los reparadores en los próximos tiempos. Gracias Jorge y aquí­ va la respuesta.

NOTA SOBRE LA NOMENCLATURA DIGITAL:

             La nomenclatura digital es confusa, aun en Inglés, desde la propia definición de sus unidades; por lo tanto me apresuro a realizar un comentario antes de confundir al lector. En ingles existe la palabra Bit y la palabra Byte que aunque suenen similares son cosas bien diferentes. 1 bit es la unidad de información digital y un byte es una palabra digital de 8 caracteres (o de 8 bits). Por suerte la real academia autorizó directamente los términos Ingleses.

            Para indicar un flujo de datos o la capacidad de una memoria, nunca se utiliza el bit, sino el byte; entonces las memorias que tienen un millón de celdas es de 1 Mbit pero se las conoce como de 125 Kb entendiéndose que se refiere que tiene capacidad para guardar 125.000 bytes.

  1.1  INTRODUCCIÓN

Resulta que un técnico muy conocido me compró una memoria flash paralelo para un Samsung pero me dijo que me pagaba con un TV LG de 42" que no funcionaba, porque tení­a mal la main y no la podí­a reparar porque no le encontraba ningún componente dañado y esa plaqueta no se conseguí­a. Acepté el trato porque mi olfato me decí­a que esa placa tení­a un problema con la memoria serie; que no estaba en corto de fuente, ni tení­a periféricos dañados sino que simplemente no generaba los datos requeridos para que el TV ejecutara su programa operativo.

El TV es un LG de 42" modelo LV4400 y otras letras mas sin importancia y por uno de esos milagros, que el Papa Francisco deberá estudiar, tiene un manual con circuitos completos, lista de materiales, oscilogramas, diagrama de fallas, layout de armado de la main, y data shet de los circuitos integrados. Una joyita si no fuera porque el circuito es un galimatí­as inentendible con todo mezclado como comida de chancho.

Como ya estamos acostumbrados a este tipo de "Circuito" que suponemos esta dibujado por informáticos sin experiencia en la reparación a nivel de componente, me dije: es hora que mis lectores aprendan a orientarse en este berenjenal de datos. Voy a hacer de cuenta que no sé donde está la memoria serie y como, el buscador del Acrobat Reader me lleva a la misma.

Para comenzar les doy el link para bajar el manual del LG:

descargar LG 42LV4400_LC420EUG_47LV4400_LC470EUG (1).pdf

Uds. van a tener que seguir este artí­culo ejecutando en el Acrobat lo que yo voy relatando en el artí­culo.

1.2  CUANDO SOSPECHAR DE LA FLASH SERIE

LG siempre dice claramente que la flash serie es la memoria de sistema del TV.  No sabemos si en otros TVs se cumple esta premisa pero LG complica esa aseveración porque a la flash paralelo también la llama memoria de sistema. Por lo tanto, digamos que el "programa de sistema" (el que controla todo el funcionamiento del TV) está repartido entre las dos memorias. Inclusive algunas cosas averiguamos sobre lo que hace cada memoria. Por ejemplo dos TVs que tienen la misma plaqueta main pero que son de diferente marcas tiene las memorias con diferente código de máscara (es el número que está debajo del código). Si las intercambiamos el TV funciona perfectamente pero el logo que aparece en la pantalla está cambiado (los clientes no le suelan dar importancia al problema con tal de que le salvemos el TV). Inclusive nos parece que ambas memorias cumplen funciones bien distintas entre sí­ cosa que podemos aprovechar para hacer un buen diagnóstico.

Así­ como el cerebro humano tiene el cerebelo y el cerebro propiamente dicho y el cerebelo maneja las acciones automáticas como la respiración o los latidos del corazón y el cerebro todas las demás funciones motoras e intelectuales. La flash serie, maneja las operaciones de verificación de funcionamiento inicial del TV utilizando la paralelo cuando la operación requiere una gran cantidad de memoria. 

Entonces en lo más profundo y genérico del programa del sistema (como el control de arranque que ordena la verificación de cada etapa del TV unida al I2CBUS) lo hace la serie mediante el micro pero los controles de este proceso que requieren una gran cantidad de memoria y las cuestiones de control, durante el funcionamiento normal quedan a cargo de la flash paralelo. Por ejemplo para controlar a las dos memorias DDM (las volátiles de video) que se controlan celda por celda no alcanza la capacidad de la serie y entonces el micro toma el procedimiento de la serie y acumula los datos para su control en la paralelo. Otro ejemplo: durante el procedimiento de prueba, en la pantalla se debe generar el icono de la marca que inclusive a veces es móvil y entonces operan al mismo tiempo el micro, la flash serie y la paralelo.

Para nosotros que debemos analizar el comportamiento de las memorias y el micro para hacer un correcto diagnostico de reparación, es importante analizar que puede ocurrir según que componente falla. Recuerde que el piloto se enciende con la tensión que sale de una pata del micro y se apaga o cambia de color de acuerdo a otra pata. Pero el micro no tiene el sistema operativo dentro suyo lo saca de la flash serie.

Si no enciende el piloto y las tensiones de fuente se generan correctamente (por supuesto reemplazando la señal de encendido del micro por una señal generada externamente como reemplazo) son signos del peor caso, que es el micro dañado. Pero no se olvide que el micro o algún otro componente conectado a su misma fuente pueden estar en cortocircuito. Esto significa que debe probar la tensión de la fuente permanente DV33 (en realidad es de 3,3V) con la main desconectada y luego conectarla; si se cae busque el corto con la fuente inteligente (link:  http://www.picerno.com.ar/leer.php?cn=45).

Si no aparece el logo y el piloto indica stand by de inmediato al conectar el equipo y luego no sale de stand by. Tiene una falla de la flash serie o del micro. En estos casos se hace lo más económico primero, que es cambiar la flash serie cargada con su correspondiente programa.

Si aparece el logo pero después de un tiempo corto, el TV pasa a stand by y nunca se llega a ver imagen, o a tener sonido, o aparece imagen y sonido, pero el TV vuelve a comenzar la secuencia de prueba, generando un nuevo logo que se apaga en un tiempo idéntico al anterior (falla de reinicio) significa que tenemos una falla en la flash paralelo.

En mi TV apenas lo conectábamos encendí­a el piloto y luego no aceptaba la orden de encendido. Es decir que estábamos en el caso dudoso de micro o flash serie.

Por lo tanto busquemos la flash serie. Por lo general está cerca del micro y lo primero es mirar simplemente la plaqueta que mostramos en la figura 1.2.1 para tratar de encontrarla.

 

               Fig.1.2.1   Plaqueta main  

            Como podemos ver hay una parte perfectamente delimitada de la plaqueta en donde se encuentra el superjungla que extrañamente es un SMD y no un BGA (como si la industria regresara a sus orí­genes ya que se trata de un TV muy moderno). Dentro de la plaqueta se observa un rectángulo que contiene la parte de control (micro y memorias Flash) que mostramos en detalle en la figura 1.2.2.

 

 

            Fig.1.2.2  Sector de control con el micro y periféricos

               Nosotros debemos buscar un encapsulado de 8 patas porque todas las flash serie de los TV conocidos tienen 8 patas. Pero en este caso hay dos encapsulados de 8 patas cerca del micro.

            En la página 75 del manual esta la lista de materiales de repuesto para el servicio técnico y allí­ observamos que esta la EEPROM clásica (seguramente para el sistema antipiraterí­a en la posición U14 y la flash serie en la posición U18. Que es una MX25L6406EM2I-12G SOP-8 HF. Prácticamente la presencia de un numero 25 luego de las letras identificatorias del fabricante ya es una prueba de que se trata de una memoria flash serie.

En el mismo manual en la pagina 37 se observa la especificación de una memoria equivalente pero que explica el funcionamiento de la que nos interesa. Y que coincide con el código de la que tiene colocada. Es la que está en el ángulo inferior izquierdo. Ahora vamos a ubicar el circuito correspondiente buscando el número de posición con el buscador del adobe.

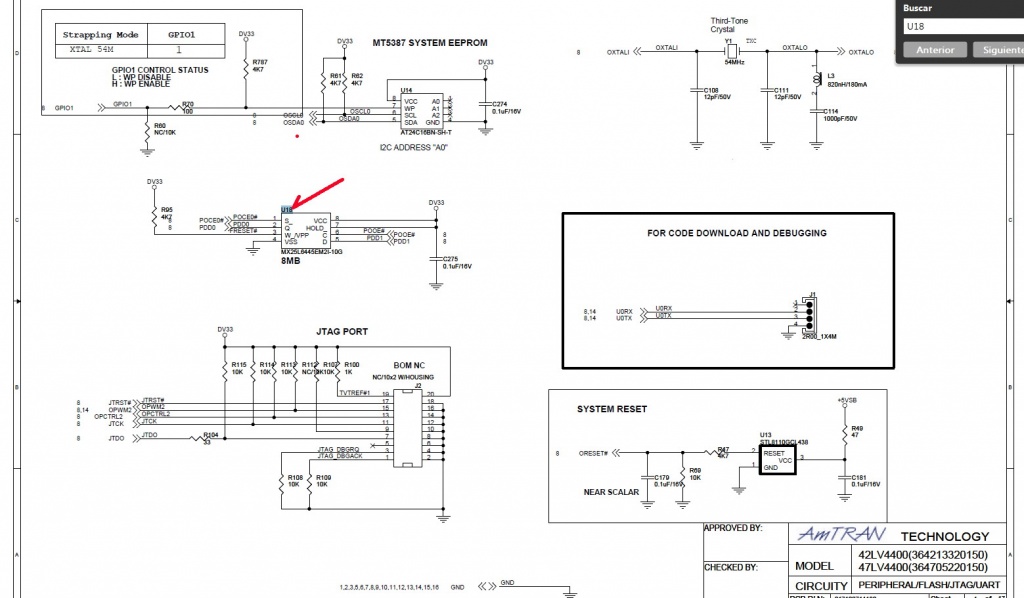
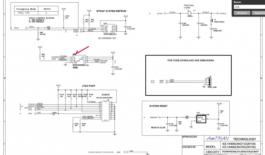
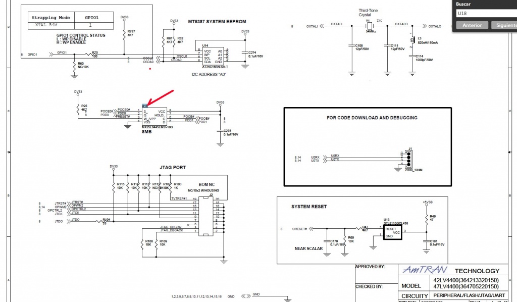
            Para entrar al buscador tiene que abrir la pestaña "Edición" y luego "buscar" y aparece arriba a la derecha una pantallita que solicita que tiene que buscar. Ver la fig.1.2.3.

 

 

Fig.1.2.3.  Pantallita del buscador

Solo picamos en siguiente reiteradamente para que vayan cambiado las pantallas hasta llegar a la deseada que mostramos en la figura 1.2.4. Con el circuit de la flash serie y el numero de posición remarcado en azul.

 

               Fig.1.2.4   Resultado final del buscador

 

            Una vez ubicada la flash serie observamos que el circuito es parcial, por ejemplo no está la comunicación con el micro. Primero debemos ampliar y seleccionar el circuito de la flash serie. Ver la figura 1.2.5.

 

            Fig.1.2.5.  Sector de la memoria flash serie  

Para completar el circuito debemos seguir utilizando el buscador pero ahora con una de las señales indicadas como entrantes o salientes por ejemplo la PDD0. Observamos que el buscador nos lleva al plano general del superjungla con micro pero marcando un sector en lí­neas de punto azul para orientarnos en la búsqueda. Eso significa que debemos ampliar la imagen con el sí­mbolo + de la ventana de % para obtener la lectura del nombre de las señales. Ver la figura 1.2.6.

 

 

              Fig.1.2.6 Ampliación de la zona del superjungla con micro

               Y a continuación solo queda poner los dos dibujos en el mismo circuito para entender claramente como se conecta la flash serie al micro del superjungla. Ver la figura 1.2.7.

           

Fig.1.2.7.  Unión de los circuitos del superjungla y la flash serie

La parte del circuito que acabamos de mostrar se puede observar en la fotografí­a de la figura 1.2.8.

 

  Fig. 1.2.8 detalle de la plaqueta que confirma el código de la memoria.

               Seguramente Ud. se está preguntando si va a tener que hacer esto con cada TVs que repara. No, yo lo hago porque utilizo la información para escribir artí­culos. Pero si Ud. se acostumbra al nuevo tipo de dibujo de circuito y lo entiende sin tener que hacer la unión de circuitos tal como yo lo hice hágalo. De cualquier modo yo me quedo con la forma de dibujar de los ingenieros analógicos antes que este modo desordenado, que solo debe ser un engaño para que cualquier aprendiz de dibujante haga el trabajo que antes hacia el ingeniero que diseñaba el producto.

  1.3  CONCLUSIONES

  Así­ entramos en el tema de las memorias flash serie que parece ser el tema a tratar de los próximos tiempos. Aun nos queda mucho por aprender porque debemos analizar el funcionamiento de las mismas para saber si corresponde cambiarlas o hay algún componente periférico que debamos verificar antes de cambiarla y si la cambio hay que averiguar los posibles reemplazos ya que se compran en forma genérica como las antiguas EEPROM.





SALIR

Más TV SMART

MEDICIÓN DE SEÑALES LVDS PARTE 7
APLICACION A LA REPARACIÓN DE UN TRIPLAQUETA

EN LA PARTE 7 VAMOS A EXPLICAR COMO SE UTILIZA EL MEDIDOR DE SEÑALES LVDS PARA LA REPARACIÓN DE LA PLAQUETA MAIN DE UN TV TRIPLAQUETA

[+] Leer artículo...    


MEDICIÓN DE SEÑALES LVDS (PARTE 6)
El circuito de medición de las señales

En esta Parte 6 vamos a comenzar a a explicar como se realiza la medición con nuestro amplificador modificado y dotado de puntas especiales para circuitos de pequeñas dimensiones.

[+] Leer artículo...    


MEDICIÓN DE SEÑALES LVDS (PARTE 5)
SEÑALES DE VEDA SOBREMUESTREO Y MEDICIONES

EN ESTE ARTICULO COMENZAMOS COMENTANDO EL TEMA DE LAS NORMAS DE LA TV DIGITAL Y DE QUE MODO AFECTAN LA FORMA DE LA SEÑAL LVDS. lUEGO COMEMZAMOS A TRATAR LOS PROBLEMAS PRACTICOS DE LAS MEDICIONES LVDS QUE SON PRECISAMENTE DE TAMAÑO DE LAS PUNTAS DEL TESTER O EL OSCILOSCOPIO.

[+] Leer artículo...    


MEDICION DE SEÑALES LVDS (PARTE 4)
TODO SOBRE LAS COMUNICACIONES DIGITALES MAS MODERNAS DEL TV

En esta parte 4 le damos el apéndice prometido en la parte 3 pero sobre todo le explicamos el tema de la medición de la señal LVDS comenzando a darle los detalles de como mide nuestra sonda que requerirá mas datos que saldrán en la parte 5.

[+] Leer artículo...    


MEDICIÓN DE SEÑALES LVDS PARTE (PARTE 3)
Entradas de señal

En esta entrega explicamos el funcionamiento de las etapas de entrada HDMI de todas las variedades de TV LCD y los detalles de como realizar el seguimiento de las señales.

[+] Leer artículo...    


MEDICIÓN DE SEÑALES LVDS PARTE 2
LAS SEÑALES LVDS DE ENTRADA Y DE SALIDA

EN ESTE ARTÍCULO LE EXPLICAMOS EN QUE SECCIONES DE UN TV LCD SE UTILIZA COMUNICACIONES LVDS, PORQUE RAZÓN Y DASMOS LAS PISTAS PARA EMPREDER SU REPARACIÓN.

[+] Leer artículo...    


SEÑALES LVDS -PARTE 1
INTRODUCCIÓN

ANTIGUAMENTE LAS SEÑALES DE DATOS DE ALTA VELOCIDAD SE TRANSMITÍAN POR CABLES COAXIALES ESPECIALES DE BAJAS PERDIDAS. CON EL INCREMENTO DEL COSTO DEL COBRE SE BUSCO ALGO MAS ECONÓMICO Y VERSATIL UTILIZÁNDOSE EN LA ACTUALIDAD LOS PARES MÚLTIPLES SIMILARES A LOS TELEFÓNICOS MAS CONOCIDOS COMO MULTIPARES.

[+] Leer artículo...    






El Ing. Alberto Picerno, conocido en toda latinoamerica por sus cursos de Tv y LCD, es el autor mas prolífico sobre Electrónica, con mas de 40 libros tecnicos y cientos de articulos publicados. 

Se inicio en el mundo de la electronica de niño ayudando a su padre que era hobbysta y aficionado a la radio.

Su experiencia temprana le permitio recibirse con medalla de oro al mejor promedio de "Tecnico Nacional el Telecomunicaciones" y posteriormente volvio a obtener la medalla de oro al mejor promedio como "Ingeniero en electronica en UTN"

Leer Mas Aquí



Artículos Gratis
Sobre Electrónica
por Ing. Picerno


Ir a Artículos Gratuitos      


Libros Digitales

Adquiera los mejores
Libros Digitales (Ebooks)
Sobre Electrónica

Ir a Sección Libros      


MAPA DE LINKS:

INICIO - QUIENES SOMOS - ENTRETENIMIENTO - CONTACTENOS

TV: TRC - LCD - Plasma - LED - Smart - OLED

SOLDADURAS: SMD - BGA - Maquinas de Rebaling

TALLER: Puntas de prueba Sonda de RF - Punta de prueba BEBE - Punta de prueba Filtro Pasabajo - Instrumentos Fuentes - Instrumentos Evariac - Instrumentos SuperEvariac - Instrumentos Varios

AUDIO: Amplificadores Analogicos - Amplificadores Digitales - Bafles Caseros

MANUALES: TV TRC - TV LCD - TV Plasma - TV LED - SmartTV - TV Oled - Fuentes de TV - T-COM - Driver de LED - Inverters

EBOOKS

PROGRAMAS: Simuladores de Circuitos Multisim - Simuladores de Circuitos Livewire - Simuladores de Circuitos Proteus - Programas para PICs y memorias Ram

MICROS: Diseñando con PICS 1 - Diseñando con PICS 2

OTROS ARTICULOS

ARTICULOS DE LA A A LA Z

Ingeniero Alberto Picerno - Av. 2 de Abril 1140 - Burzaco - Buenos Aires - Argentina - Tel: (011)3974-4393
Artículos y Ebooks de Electrónica - Todos los Derechos Reservados - 2026

Diseño y Hosting RCH
rch.com.ar - redcomser.com.ar