Inicio Quienes Somos Entretenimiento Contáctenos Como Comprar los Ebooks
Ingresar Registrarse
Artículos Gratuitos sobre electrónica básica y avanzada y venta de libros electrónicos.

EBOOKS
EL REY MICRO II CAP.3
EL INGRESO DE DATOS DEL USUARIO AL MICRO

por ING. PICERNO




Tamaño A+ A-

3.1 INTRODUCCION

Ya sabemos que el rey micro es sumamente ordenado. Sus ocupaciones son muchas y tiene que administrar muy bien su tiempo para atenderlas a todas.
Existe una manera lógica de organizar las comunicaciones para que éstas sean efectivas y veloces. En principio, es conveniente dividirlas entre comunicaciones de entrada y de salida. El rey conoce el estado de la comarca por medio de sus soplones de entrada y entrega sus órdenes mediante los soplones de salida.
En un principio, los soplones se comunicaban con el rey por el método clásico de la palabra. Pero un dí­a el rey se cansó de atender vasallos que tardaban media hora para explicar que el puente levadizo estaba levantado y les prohibió que hablaran.
A partir de ese dí­a el soplón que informa si el puente levadizo está levantado, simplemente dirige su pulgar hacia arriba para confirmarlo o hacia abajo para negarlo. Y no hay posibilidad de error porque es soplón está sentado en una silla que está marcada puerta levadiza y solo el soplón que controla la puerta se sienta en el.
Al poco tiempo el rey se dio cuenta de que debí­a jerarquizar el trabajo de los soplones. El soplón que le avisa que los bárbaros están invadiendo la comarca debe ser atendido de inmediato; en cambio, el que informa la altura del rí­o, puede esperar un ratito sentado cómodamente para que el rey lo atienda a su debido tiempo. Entonces a los urgentes le da una silla roja y a los diferidos una blanca.

3.2 EL PUERTO PARALELO DE ENTRADA

Al puerto paralelo de entrada le llegan informaciones de todo el equipo en forma de estados altos o bajos. En sí­, el puerto no es más que un grupo de patitas del microprocesador que pueden inclusive estar separadas. Sin embargo, su nombre proviene del método de lectura que emplea el microprocesador y no de la ubicación geográfica de las patas.
El microprocesador puede estar ejecutando cualquier función pero, sin
embargo, cada tanto cumple con una microrrutina llamada "de lectura del puerto paralelo de entrada". Las patas de entrada son leí­das como un número binario y analizadas por el programa de lectura bits a bits para conocer el estado de los dispositivos remotos. Pero ¿qué significa que el programa lee la información del puerto? Significa que el estado de cada bit es interpretado por el programa, que modifica su funcionamiento de acuerdo a las informaciones de entrada. Ver figura 3.2.1.
  Fig.3.2.1  Puerto paralelo de entrada de un Blu ray

Tomemos como ejemplo el puerto paralelo de entrada de un Blu ray.
Una de las patas del puerto es el pulsador de encendido del reproductor. En la condición de reproductor apagado, el microprocesador se encuentra ejecutando su programa "reloj en display", sin embargo, constantemente lee el puerto paralelo de entrada a la espera de alguna orden del usuario. En el costado derecho de la figura le mostramos una representación resumida del programa del microprocesador del reproductor. Los rectángulos son bloques  de ejecución, en tanto que el rombo es un bloque de decisión. Observe que tiene una sola entrada y dos salidas. Si el pulsador de encendido no es operado, se realimenta al inicio y el videograbador sigue la rutina de cambiar los segmentos del display, mostrando la hora y los minutos.
Si el usuario opera el pulsador, el bloque de decisión cambia el flujo del
programa y el reproductor pasa al programa de inicio. Todo lo que ocurre después depende de diferentes circunstancias, por ejemplo, si la máquina tiene un disco cargado, el microprocesador lo reconoce porque hace girar el disco y recoge información, en este caso, el display lo informa encendiendo el dibujo de un disco en la pantalla, pero el microprocesador no toma decisión alguna. Evidentemente, el microprocesador no puede adivinar el deseo del usuario; por lo tanto, el programa de inicio termina en un bloque de decisión, a la espera de que el usuario pulse alguna tecla que modifique el puerto paralelo de entrada (PLAY, REW, FF o dos veces STOP para extraer el disco del interior y reemplazarlo por otro).
¿Puede ocurrir que el usuario pulse un botón y el microprocesador no llegue a detectarlo porque está realizando otro trabajo? No, todo el proceso de lectura del puerto de entrada se realiza muchas veces por segundo, y esa posibilidad nunca se efectiviza si el pulsador se mantiene apretado algunas décimas de segundo.

3.3 PUERTO DE ENTRADA POR FILA Y COLUMNA

Cuando la cantidad de pulsadores de entrada se hace muy grande, el
microprocesador resulta demasiado caro ya que su precio es fuertemente dependiente del número de patas. Por lo tanto, los diseñadores buscaron la posibilidad de ingresar más pulsadores con menos utilización de patas.
En el reino de Micro esto fue solucionado muy fácilmente. El rey instruyó a 10 vasallos para que realizaran un trabajo de observadores de diferentes
acontecimientos, en forma sucesiva. Les puso un nombre: E0, E1, E2 hasta E9 y les asignó 10 sillas numeradas del 0 al 9 (en nuestro caso patitas del micro). Cada vasallo en su sillita, sin equivocarse de lugar. Luego los llamó uno por uno y les dio órdenes precisas. Al vasallo E0 le dijo: cuando yo te dé la orden S0, tienes que ir a la puerta del castillo y decirme si está abierta; cuando te dé la orden S1, tienes que observar si la plataforma levadiza está atravesando la fosa y, cuando te dé la orden S2, debes controlar que las antorchas de la puerta estén encendidas. Al vasallo E1 le dio también otras funciones según le ordenara S0, S1 o S2 y así­ sucesivamente con todos los vasallos hasta E9. Ver la figura 3.3.1.
 
Fig. 3.3.1 Puerto de entrada por matriz de teclas

El rey entonces daba la orden S0, los vasallos salí­an corriendo a observar el acontecimiento correspondiente y volví­an a su silla levantando o bajando el dedo. El rey miraba la fila de sillas y conocí­a el resultado correspondiente. Luego daba la orden S1 y miraba las sillas para obtener las informaciones correspondientes y, por último, emití­a la orden S2 y luego de vuelta a la S0 y así­ sucesivamente. ¿Qué ganaba con esto? Con sólo 10 sillas conocí­a 30 acontecimientos.
Un microprocesador moderno funciona con pulsadores que forman una matriz de filas y columnas. 
Las salidas S0, S1 y S2 se levantan sucesivamente tal como lo mostramos en la figura 3.3.2. 
 
Fig.3.3.2  Oscilogramas de las salidas matriciales
 
Observe que la señal de estas salidas (en general se las llama salidas de barrido) tiene 3 fases en secuencia. Siempre se encuentra solo una fase alta. Analicemos, por ejemplo, lo que ocurre cuando apretamos el pulsador 5.
Durante la fase 1, todas las entradas están bajas. Durante la fase 2 se produce un alto sólo en la entrada E1. Durante la fase 3 todas las entradas están bajas. El microprocesador no se puede equivocar, sólo tiene que  analizar qué entrada está alta y relacionarla con una de las fases de salida. El circuito interno que permite realizar esta función se puede observar en la figura 3.3.3.
  Fig.3.3.3  Circuito interno que cumple esta función

Observe que cada pulsador externo tiene una compuerta AND homóloga en el interior del microprocesador. Las salidas de las compuertas forman un puerto fantasma de entrada al que no puede accederse desde el exterior, pero que está disponible para que el microprocesador tome 30 informaciones de estado, usando sólo 13 patas del integrado.
Realmente parece increí­ble que se utilice un circuito tan complejo sólo para reducir la cantidad de patas que se destinan al puerto, pero piense que esa complejidad sólo significa complicar la fotografí­a que se utiliza para fabricar el circuito integrado.
En cambio, si se usan más patas se dificulta el proceso de conectar el chip a las patas del encapsulado, que se realiza con una máquina robotizada de soldadura, utilizando alambre de cobre con baño de oro.
En los superjungla de los TV LED y Smart el ingreso de las señales de entradas al micro deja de lado las matrices de pulsadores, porque la costumbre es que el TV tenga muy pocos pulsadores locales (solo encendido, volumen y selección de entradas) y todo se hace por selección en pantalla. Las funciones más complejas se realizan solo por el control remoto.

3.4  EL PUERTO DE ENTRADA CON CONVERSORES D/A

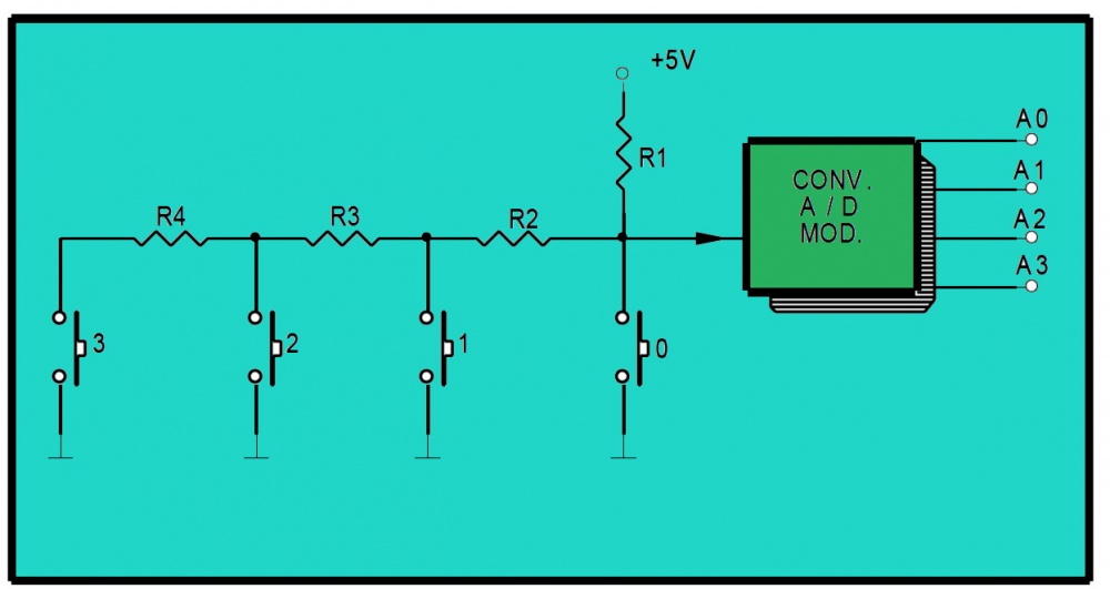
En este mismo artí­culo dijimos que el rey micro le habí­a prohibido hablar a sus soplones para evitar que las comunicaciones sean largas y latosas. Claro que esta prohibición produjo otro problema, la multiplicación de soplones y de sillas reservadas en la corte. En el punto anterior explicamos cómo reducir la cantidad de soplones con el método de barrido. Pero éste no es el único método posible, existe otro muy ingenioso que es utilizado por algunos fabricantes de microprocesadores y que utiliza conversores analógicos digitales. Ver la fig.3.4.1
 
Fig.3.4.1  Conversor de una entrada y dos salidas

Imagí­nese el lector que sólo utilizamos tres sillas reservadas para ingresar informaciones con destino a un puerto de 30 informaciones alto/bajo. Los soplones tienen un recorrido predeterminado, pero apenas encuentran una novedad, suspenden el recorrido, se dirigen a su silla, se sientan y con los diez dedos de sus manos le indican al rey en qué punto del recorrido encontraron la novedad. El rey cada tanto observa las tres sillas y, de inmediato, reconoce qué novedad se produjo. Cuando los soplones son leí­dos se levantan y vuelven a
reiniciar su recorrido en busca de otras novedades.
Un microprocesador puede contener uno o más conversores A/D, que operan como puertos de entrada paralelo de una sola pata, con múltiples salidas de tipo binario como lo indicamos en la figura 3.4.1.
Si la entrada varí­a de 0 a 3V con escalones de 1V (es decir que la entrada puede ser 0,1, 2 o 3V sin valores intermedios) el conversor va a generar en sus dos cables de salida, un número binario de dos cifras que represente los cuatro valores de tensión de entrada. En la misma figura se observan los estados de A0 y A1, para cada valor de tensión de entrada. Este conversor no es precisamente el que necesitamos, pero es fácil modificarlo para convertirlo en un conversor con cuatro salidas, en donde cada estado de entrada signifique un estado alto en la salida correspondiente. Ver la figura 3.4.2.
  Fig.3.4.2  Conversor de una entrada y cuatro salidas

Ahora sólo nos queda idear un circuito con pulsadores que generen uno de los cuatro posibles estados de la entrada. Ver la figura 3.4.3.
Fig.3.4.3. Circuito de pulsadores de cuatro tensiones

Como vemos, el circuito es muy simple. Los resistores están calculados para que, al apretar los pulsadores, se generen en la entrada las deseadas tensiones de 0, 1, 2 y 3V. Así­ conseguimos generar un puerto interno de 4 hilos con un solo hilo de entrada.
Este método puede extenderse todo lo que se desee, con el agregado de resistores y pulsadores en cadenas tan largas como de 16 secciones. También es posible usar dos o tres conversores en lugar de uno (evidentemente cada conversor tiene su propia pata de entrada). 
El evidente problema de este circuito es el ruido resistivo de los pulsadores. Cuando son nuevos no hay ningún problema, porque al pulsarlos entregan prácticamente un cortocircuito, pero con el uso, al estar pulsados presentan una resistencia variable como un ruido y pueden ejecutar una acción diferente a la deseada. La solución obvia es cambiarlos pero hay equipos que tienen tantos pulsadores que esto es una solución muy lenta y cara porque los pulsadores son componentes mecánicos con un costo considerable.
Lo más rápido es un agujero de 1 mm en el botón, una inyección de alcohol isopropí­lico y una buena cantidad de apretadas.

3.5 LA PREDISPOSICIÓN DE UN EQUIPO

Con el método del barrido, no sólo se ingresa el estado de pulsadores
comandados por el usuario. Nada prohí­be que puedan ingresarse los estados de fines de carrera o contactos de llaves giratorias que indiquen cómo está operando un mecanismo o para los TV LED y Smart el tipo de funcionamiento deseado. Por ejemplo el sistema de sonido usado en Europa es totalmente diferente al utilizado en América. Tanto que habrí­a que usar dos decodificadores distintos. Pero ya hay decodificadores dobles que solo requieren una pata en alto o en bajo para seleccionar entre uno u otro sistema. Entonces el fabricante coloca un diodo como un pulsador de entrada en los TVs que enví­a a América y ninguno en los de Europa. Mas modernamente esa información la carga en el programa de la memoria del micro y puede seleccionar el sistema luego de armar el TV con el control remoto en el modo service.
 
3.6  LAS LINEAS DE INTERRUPCION

Una lí­nea de interrupción es diferente a un dato de entrada de un puerto
paralelo. Fí­sicamente ingresan al microprocesador del mismo modo y son una entidad binaria de 0 ó 3,3V, pero el modo de operar es totalmente distinto. La interrupción tiene una mayor jerarquí­a, no espera que el programa la lea.
Los soplones pueden tener diferentes jerarquí­as, ya sabemos que si un soplón
trae la noticia de que los bárbaros están invadiendo la comarca, no necesita sentarse en la silla para que el rey lo atienda en su debido momento. Entra a la corte con caballo y todo e interrumpe al rey que estaba juzgando a un ladrón de gallinas. Pero aun en este caso, el rey micro no se desordena. Anota los datos del juicio y recién después atiende al soplón de a caballo.
Si las noticias son realmente graves, el rey emplea una rutina adecuada que ya tiene preparada: "zafarrancho de combate", y si puede rechazar el ataque bárbaro y dejar la comarca en condiciones, retorna a su tarea de juzgar al ladrón de gallinas justo donde la habí­a dejado.
Cuando una lí­nea de interrupción pasa al estado alto, el programa del
microprocesador se interrumpe, se guardan los últimos datos en una memoria, para continuar luego en el mismo punto donde se dejó el trabajo y se comienza a ejecutar la correspondiente rutina de interrupción. Esta rutina es generalmente un caso extremo como, por ejemplo, una tensión de fuente que se disparó. En esos casos es posible que la rutina consista en una verificación de la falla. Si la falla es real, se pasa a una rutina de cierre, como puede ser  poner el TV en stand by. Si la falla desapareció, se termina la rutina; esto hace que el microprocesador vuelva a su programa original justo en el momento en que habí­a interrumpido su trabajo.
Un microprocesador puede tener más de una lí­nea de interrupciones y las interrupciones pueden tener, a su vez, diferentes jerarquí­as.
Por ejemplo, el soplón que controla que el general del ejército y la reina no se vean a hurtadillas, tiene prioridad sobre el que trae las noticias de las invasiones, aunque no sabemos si el rey dispuso esta jerarquí­a para cuidar a la reina o al general.

3.7  LAS REPARACIONES DEL PUERTO DE ENTRADA 

No hace falta explicarle cómo se controla una matriz de teclas con un óhmetro. Preferimos explicarle algunas fallas causadas por el puerto de entrada paralelo, que quizás Ud. no se imaginaba.
La matriz de teclado es utilizada por el usuario para ingresar datos al
microprocesador apretando los pulsadores por un corto tiempo. Si un pulsador queda permanentemente apretado, el microprocesador puede quedar saturado de información y dejar de realizar otras funciones.
Yo recuerdo un equipo reproductor de Bluray que enloqueció a varios reparadores. El reproductor no daba alguna señal de vida al conectarlo a la red, el display estaba apagado y la salida de video no daba muestras de vida.
En estos casos, lo primero que se hace es verificar la tensión de fuente del microprocesador, el circuito de reset, el circuito de SLEEP; es decir, todo lo que ya le explicamos en otros capí­tulos de este libro. Pero todo estaba bien.
Cuando el equipo llegó a mis manos tení­a una bolsita de polietileno, prolijamente pegada con cinta al gabinete, y en su interior dos reyes micros supuestamente muertos con una nota que indicaba todas las pruebas realizadas. El equipo me lo trajo un alumno que conocí­a toda la rutina de prueba de un microprocesador o, por lo menos, la rutina que conocí­amos hasta ese momento.
Yo pensé: si no es del rey, la culpa es de alguno de los soplones. Como el teclado frontal se conectaba con una manguera y un conector, procedí­ a desconectarlo y, de inmediato, el display cobró una vida inusitada presentando un demo sumamente colorido y dinámico en su display (al estilo de un casino de Las Vegas) que me indicó que estaba por el buen camino.
Tomé el téster y comencé a medir el estado de todos los pulsadores de entrada y, cuando llegué al pulsador de ON/OFF, lo encontré cerrado permanentemente. Lo reemplacé y el equipo comenzó a funcionar correctamente.
Para estar seguro de lo que habí­a hecho, desconecté el equipo de la red, operé el pulsador y lo volví­ a conectar con el pulsador operado, para verificar que se reiteraba la falla.
Lo que ocurrí­a es que el mismo pulsador enciende y apaga el equipo. Al estar permanentemente pulsado, el microprocesador enciende el equipo cuando hace el primer barrido de sus salidas de matriz. Pero cuando hace el segundo barrido, lo apaga y así­ sucesivamente.
Desde luego que todo ocurre a tal velocidad que el microprocesador opera enviando el equipo a stand by. Y éste se queda sin realizar ni el demo ni la pantalla de encendido normal.

3.8  CONCLUSIONES

En el próximo capí­tulo continuaremos analizando otros puertos de entrada al microprocesador: el puerto de predisposición, el puerto del control remoto y el puerto serie de comunicaciones de entrada I2CBUS.
El lector pudo haber observado que en este capí­tulo hablamos mucho sobre la organización del programa de nuestro Rey. Esto pudo haberle hecho pensar que esta serie de capí­tulos que formará un libro no es adecuado para su tarea de reparador. Queremos decirle que está equivocado. Nosotros queremos formar reparadores que puedan trabajar tanto en la parte analógica como en la digital de los equipos y un TV actual tiene prácticamente todos circuitos digitales, por lo tanto lo invitamos a que nos siga acompañando hasta el final porque seguramente lo que aprendamos lo va a aplicar como reparador con toda seguridad.

Y ahora un nuevo modelo de memoria para TV Samsung D5550 con el mismo problema de hipo de imagen.








SALIR

Más EBOOKS

LA BIBLIA DEL LED PACK TOMOS 1, 2, 3 Y 4
INDICACIONES PARA REALIZAR LA COMPRA

BRINDAMOS A NUESTROS LECTORES TODAS LAS FACILIDADES PARA REALIZAR LA COMPRA DE COLECCIÓN COMPLETA COMENZANDO POR UN DESCUENTO POR PAGO AL CONTADO Y CON LA POSIBILIDAD DE COMPRAR A PLAZOS POR TARJETAS DE CREDITO.

[+] Leer artículo...    


REPARANDO COMO PICERNO TOMO 1
CAPITULO DE REGALO

EN ESTE ARTICULO LE ENTREGAMOS UN CAPITULO GRATIS DEL EBOOK "REAPARANDO COMO PICERNO" PARA QUE TODOS AQUELLOS QUE ESTE INTERESADOS EN LA COLECCIÓN VEAN EL TRATAMIENTO PROFUNDO QUE RECIBEN LAS REPARACIONES. EN ESTE CASO VEMOS UN PROBLEMA DE FUENTE EN UN LCD SANYO 32XH4 CON UN PROBLEMA DE FUENTE. y COMO ESTE tv TIENE ETAPA PREACONDICIONADORA APRENDEMOS AREPARAR A TODOS LOS TVs CON PREACONDICIONADOR.

[+] Leer artículo...    


LA BIBLIA DEL PIC CON NIPLE TOMO 10
TODO SOBRE EL SCADA

Un Scada es un sistema de seguimiento a distancia de alguna planta de producción o control y NIPLE no puede dejar de darle la importancia que tomaron en la actualidad dentro de las grandes o pequeñas empresas

[+] Leer artículo...    


LA BIBLIA DEL TVLED TOMO 7
CONSEJOS PARA REPARAR MONOPLAQUETAS

EN ESTE ARTÍCULO Ud PODRÁ APRENDER TODO LO NECESARIO PARA DEDICARSE A LA REPARACIÓN DE TVs LED CON PLAQUETA ÚNICA AUNQUE SOLO ES UNA MÍNIMA SÍNTESIS DEL EBOOK

[+] Leer artículo...    


LA BIBLIA DEL PIC CON NIPLE TOMO 9
COMUNICACIONES POR RF (CONTROL REMOTO)

UNA DE LOS ASPECTOS MAS DESEABLES PARA LOS DISEÑOS CON PICs ES PODER CONTROLAR DISPOSITIVOS A DISTANCIA. Y POR ESO COMENZAMOS ESTE TERCER GRUPO DE EBOOKS CON ESTE TEMA.

[+] Leer artículo...    


LA BIBLIA DEL PIC CON NIPLE TOMO 1 al 8
ANTOLOGÍA DEL PIC CON NIPLE

8 EBOKS QUE FORMAN LA ANTOLOGIA DEL PIC CON NIPLE REUNEN TODO LO NECESARIO PARA QUE UD. APRENDA A DISEÑAR SIN ESFUERZO Y CON TODO LO NECESARIO PARA REALIZAR PROGRAMAS DE PROYECTOS COMPLETOS CON SIMULACIÓN Y CIRCUITO IMPRESO

[+] Leer artículo...    


LA BIBLIA DEL PIC CON NIPLE TOMO 5, 6, 7, 8
PROGRAMACION VISUAL DE PICS

UNA BREVE RESEÑA DE LA SEGUNDA PARTE DEL CURSO PROGRAMACIÓN DE PICs EN FORMA GRAFICA Y LA CONSTRUCCIÓN DE DISPOSITIVOS ELECTRÓNICOS CON MICROPROCESADORES.

[+] Leer artículo...    






El Ing. Alberto Picerno, conocido en toda latinoamerica por sus cursos de Tv y LCD, es el autor mas prolífico sobre Electrónica, con mas de 40 libros tecnicos y cientos de articulos publicados. 

Se inicio en el mundo de la electronica de niño ayudando a su padre que era hobbysta y aficionado a la radio.

Su experiencia temprana le permitio recibirse con medalla de oro al mejor promedio de "Tecnico Nacional el Telecomunicaciones" y posteriormente volvio a obtener la medalla de oro al mejor promedio como "Ingeniero en electronica en UTN"

Leer Mas Aquí



Artículos Gratis
Sobre Electrónica
por Ing. Picerno


Ir a Artículos Gratuitos      


Libros Digitales

Adquiera los mejores
Libros Digitales (Ebooks)
Sobre Electrónica

Ir a Sección Libros      

MAPA DE LINKS:

INICIO - QUIENES SOMOS - ENTRETENIMIENTO - CONTACTENOS

TV: TRC - LCD - Plasma - LED - Smart - OLED

SOLDADURAS: SMD - BGA - Maquinas de Rebaling

TALLER: Puntas de prueba Sonda de RF - Punta de prueba BEBE - Punta de prueba Filtro Pasabajo - Instrumentos Fuentes - Instrumentos Evariac - Instrumentos SuperEvariac - Instrumentos Varios

AUDIO: Amplificadores Analogicos - Amplificadores Digitales - Bafles Caseros

MANUALES: TV TRC - TV LCD - TV Plasma - TV LED - SmartTV - TV Oled - Fuentes de TV - T-COM - Driver de LED - Inverters

EBOOKS

PROGRAMAS: Simuladores de Circuitos Multisim - Simuladores de Circuitos Livewire - Simuladores de Circuitos Proteus - Programas para PICs y memorias Ram

MICROS: Diseñando con PICS 1 - Diseñando con PICS 2

OTROS ARTICULOS

ARTICULOS DE LA A A LA Z

Ingeniero Alberto Picerno - Av. 2 de Abril 1140 - Burzaco - Buenos Aires - Argentina - Tel: (011)3974-4393
Artículos y Ebooks de Electrónica - Todos los Derechos Reservados - 2025

Diseño y Hosting RCH
rch.com.ar - redcomser.com.ar