Inicio Quienes Somos Entretenimiento Contáctenos Como Comprar los Ebooks
Ingresar Registrarse
Artículos Gratuitos sobre electrónica básica y avanzada y venta de libros electrónicos.

TV LED
LA SEÑAL DIM Y ENA DE UN DRIVER DE LED
IMPRESCINDIBLE PARA REPARAR UN BAK LIGTH DE TUBOS O DE LEDS

por ING. PICERNO




Tamaño A+ A-

1.1 INTRODUCCIÓN

Yo siempre miro los foros de LCD y Plasma para observar cual es la duda mas corriente de los que preguntan y cuales los errores mas frecuentes de los que contestan. Las preguntas mas frecuentes de LCD están relacionadas con el Back Light y la falla fundamental de la pregunta es su generalidad: "Tengo un TV LCD en el que no me enciende el Back Ligth" ¿que puede ser? Y las respuestas no se dejan esperar recomendando siempre repasar las soldaduras del inverter o el driver de LEDs como primera medida. Esto recomendación es una trampita que le hacen al foro; una respuesta por más estúpida que parezca, significa que el participante del foro puede ascender de categorí­a y llegar a la premiun sin abonar la cuota mensual. 
Ahora que si la pregunta es muy genérica, la respuesta es más genérica aún. Claro, que consejo le van a dar al consultante si no indica de que tipo de Back Ligth se trata. 
Este artí­culo tratará de explicar un poco el tema de forma ordenada para que el lector se forme un panorama claro de todas las variantes posibles y como afectan las mismas a su criterio para encontrar la falla.
Y para encontrar una falla de back Light, lo primero es entender cuantos cables deben entrar al mismo y desde donde viene cada cable, porque un Back Light se debe reparar alejado de la pantalla por razones de seguridad. No hace falta que le digamos que si el Back Light toma mucha corriente, tanto si es tubos CCFL, ECFL o LEDs, puede explotar y se encuentra a milí­metros de la pantalla. Así­ que en principio vamos a analizar cuantos cables se requieren para excitar al back Light alejado del TV. 
¿Cuantos tipos de iluminación de back Light existen?
Si lo analizamos según el tipo de componente generador de luz, podrí­amos decir que 3: los tubos de cátodo frí­o con electrodos internos, o CCFL; los tubos de cátodo frí­o con electrodos externos o ECFL y los LEDs.
Los CCFL y ECFL pueden estar dispuestos detrás de la pantalla y entonces su iluminación es del tipo "Direct" (Directa) o pueden estar rodeando la pantalla sobre una lámina de Lucite con su cara frontal esmerilada y a veces con su cara posterior cubierta por un papel metalizado. Este último sistema de iluminación se llama "Edget" (Borde) y es el que permite realizar los TV más delgados (Ultra Slim) aunque el difusor esmerilado reduzca algo el rendimiento del sistema. Ver la figura 1.1.1.

 
Fig.1.1.1   Iluminación directa o de borde

La iluminación por LED puede ser también del tipo Directa o de Borde (Direct o Edget) en forma de tiras de LEDs en un circuito serie en donde todos los LEDs tiene la misma corriente y por lo tanto la misma iluminación o pueden se alimentados en forma independiente y formar filas y columnas.   
Ahora analicemos la intensidad y la plenitud del back-ligth. En principio parecerí­a que un back Light debe ser de un color blanco pleno. Es decir que debe tener el mismo brillo en toda la superficie iluminada posterior a la pantalla ya sea en Directa o en Borde. Y además parecerí­a que el brillo no deberí­a variar entre un instante y otro, es decir que deberí­a ser de valor medio constante. Un sistema así­ es factible y funcional pero su consumo y el calentamiento de la pantalla LCD no está optimizado. Además no tiene un gran contraste porque todo depende de las diferencias de transparencia de la pantalla LCD solamente. 
 
1.2 OPTIMIZACIÓN DEL CONSUMO DE UNA PANTALLA LCD

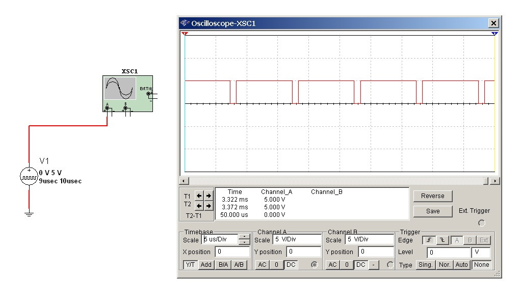
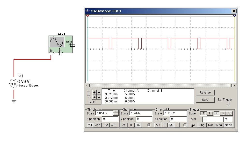
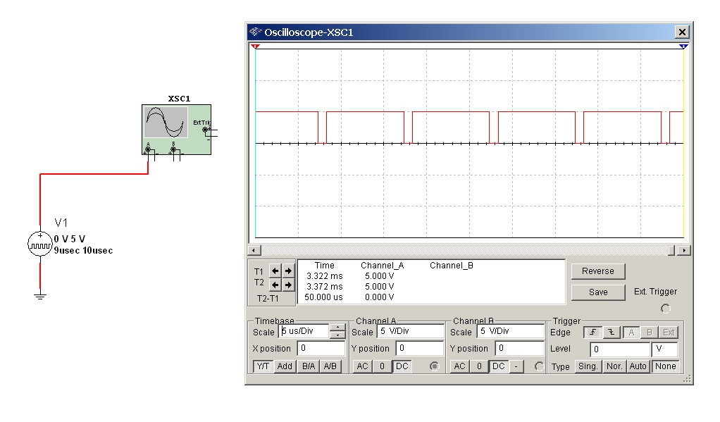
Las imágenes de video poseen una componente continua que representa el nivel de brillo de la escena captada. El nivel mí­nimo de la señal de video estandarizado suele ser nulo y representa el nivel de los pulsos de sincronismo H y V. Como la señal representa a la luminancia de la escena, este nivel nulo debe representar un nivel de luminancia y como el nivel de negro se lo acepta como de 0,25V, al nivel de luminancia del sincronismo se lo llama de infranegro (o más negro que el negro). El nivel de blanco de la señal estándar es de 1V y entre estos valores de 0,25 a 1V se encuentran todos los niveles instantáneos de luminancia o niveles de grises.
Como nunca deja de transmitirse el nivel de sincronismo (infranegro) y el nivel de negro (pedestal del sincronismo horizontal y vertical) podemos decir que las transmisiones de video poseen acoplamiento a continua; o podemos decir que el video se transmite con un nivel medio que depende de la escena. Una escena de video puede fluctuar cerca del negro (escenas nocturnas) o cerca del blanco (escenas diurnas) aunque durante el sincronismo horizontal o vertical la señal siempre llega al valor nulo. Como sea esta señal de video tiene un valor medio cambiante entre 0,25V y 1V. Ver la figura 1.2.1.

Fig.1.2.1 Niveles normalizados de video

¿Tiene sentido que una señal de 0,25V de valor medio tenga un Back Light igual al de una señal de 0,75V? No, es desde todo punto de vista conveniente que el brillo del Back Ligth varí­e con el valor medio de la señal de video, porque así­ se logra un considerable ahorro de energí­a y un aumento (aunque artificial) del contraste. 
El cable que entrando al circuito de Back Light varia el brillo medio de este, suele tener el nombre "Dimmer" que es el mismo de los circuitos que varí­an la iluminación ambiente en electricidad (literalmente: atenuador de iluminación).
Si falla el circuito de Dimmer podemos tener tanto un Back Ligth apagado como uno con exceso de brillo, de allí­ la importancia de reemplazar la señal de Dimmer por una tensión continua variable, cuando se prueba la plaqueta de Back Ligth separada del TV.
¿De donde se saca la señal Dimmer y que forma tiene?

1.3 LA SEÑAL DIMMER

Hay un solo bloque capaz de generar la señal de control de iluminación "Dimmer" y es la última etapa digital del TV; la que genera R G B digital con destino a la pantalla y que se aplica al transmisor LVDS. Este bloque se llama "Escaler" (textualmente: escalador) y se encarga de adaptar todas las señales de entrada al TV, a un formato compatible con la cantidad de filas y columnas de la pantalla LCD. Pero esa información aun no está lista para ser enviada a la pantalla, debe sufrir una última transformación; debido al largo recorrido de los cables a la pantalla y a la alta frecuencia equivalente a los datos se transforma de una señal alta o baja referida a la masa general en una señal del tipo diferencial, para ser transmitida por varios pares de cables llamada LVDS (Low Voltage Diferential Signal = señal diferencial de baja tensión). El transmisor LVDS puede ser un circuito integrado especí­fico o puede estar incluido dentro del circuito integrado "Escalador" o más modernamente ambos pueden formar parte del Superjungla que contiene todos los circuitos de la plaqueta main. 
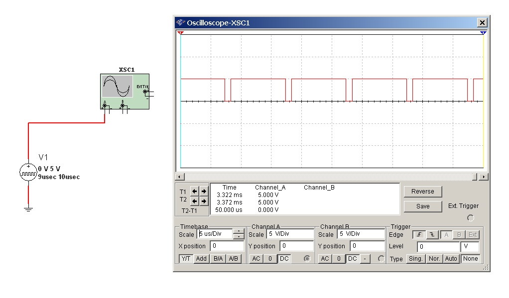
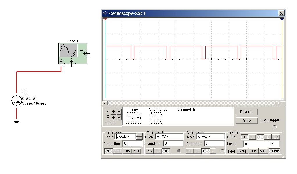
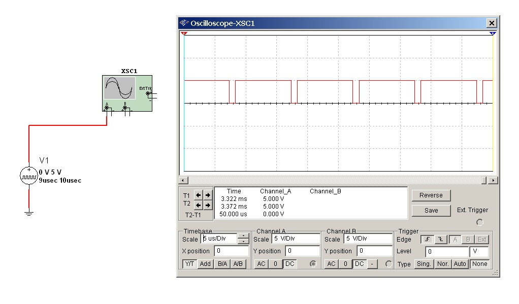
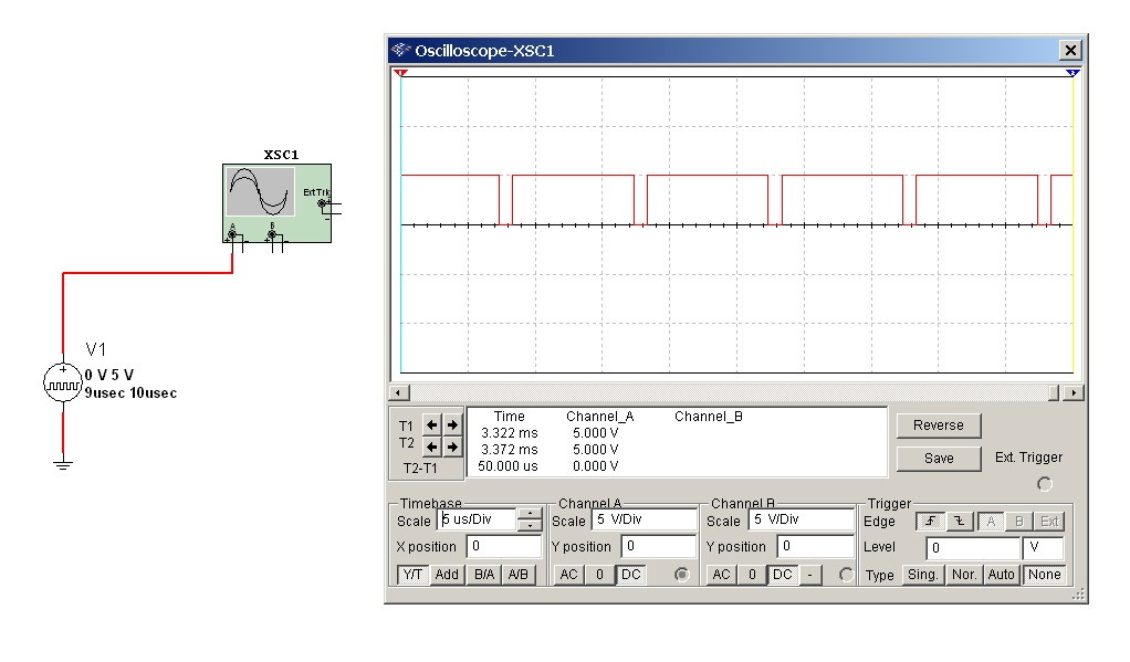
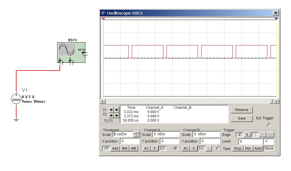
En el bloque "Escaler" tenemos una idea de la magnitud de cada componente de color de la señal y por lo tanto del valor medio de la misma, o de la luminancia misma. Y con ese valor medio se fabrica una señal analógica de tensión proporcional a la luminancia, o más modernamente una señal PWM (Power Wide Modulatión = modulación por ancho de pulso) cuyo tiempo de actividad es proporcional al brillo deseado del Back Ligth. Por ejemplo en la figura 1.3.1 se puede observar la señal PWM correspondiente a una imagen de alto brillo.
 
Fig.1.3.1  Señal PWM correspondiente a una señal de alto brillo

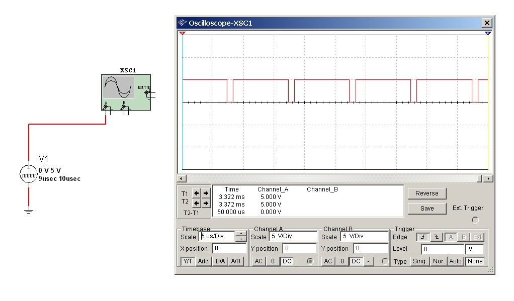
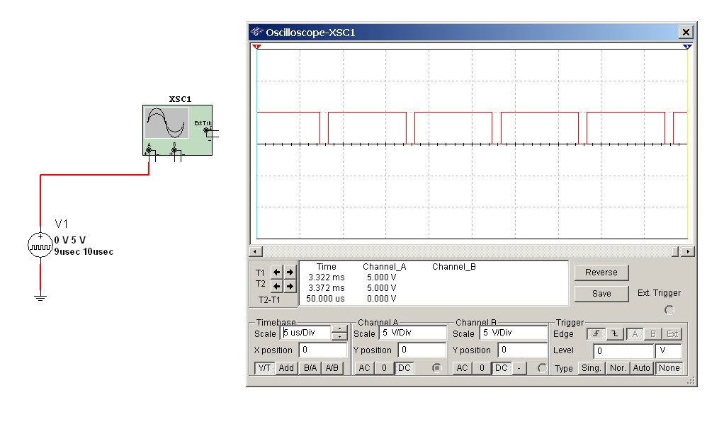
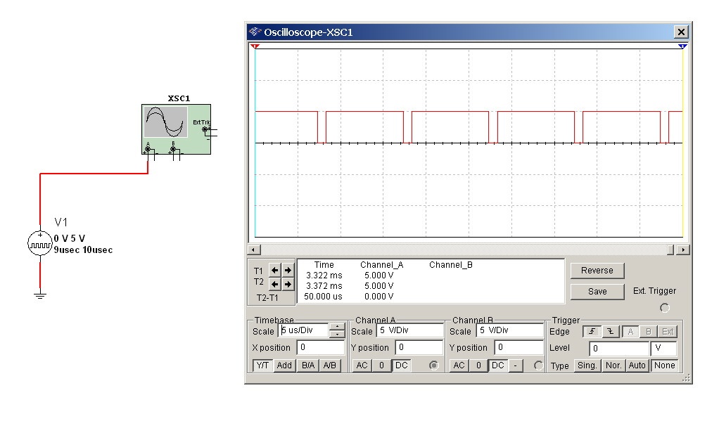
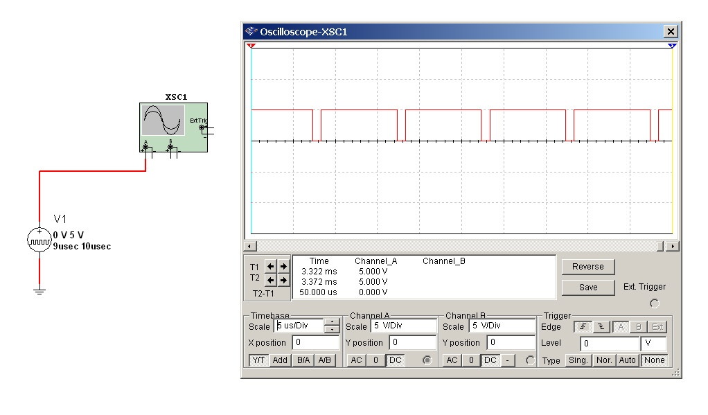
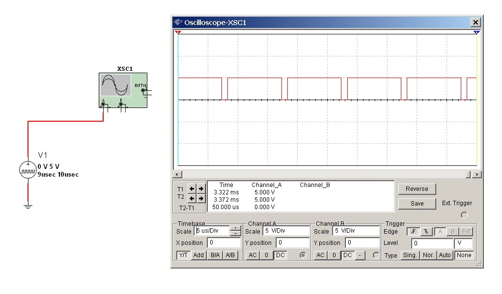
En tanto que en la figura 1.3.2 mostramos la señal correspondiente a una señal de video de bajo brillo.

 
Fig.1.3.2  Señal PWM correspondiente a una señal de bajo brillo

Esta señal debe ser interpretada por el bloque de Back Ligth, para variar el brillo de sus dispositivos emisores de luz, cualquiera que estos sean. Muchos circuitos integrados "Inverters" o "Drivers" tienen un bloque de entrada capaz de reconocer señales PWM directamente; en tanto que otros solo pueden interpretar la tensión continua proporcional al valor medio del video.
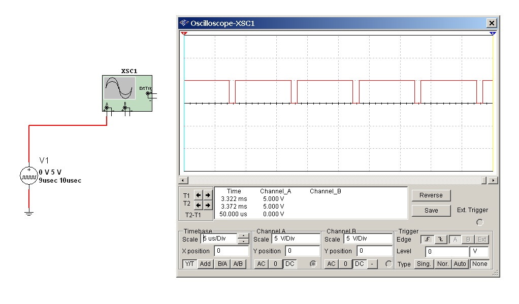
En el primer caso puede haber una conexión directa del "Escaler" al invertir o drver, en tanto que en el segundo caso se impone intercalar un conversor PWM a continua, que por otro lado es un circuito muy simple porque se trata de un circuito integrador RC que podemos observar en la figura 1.3.3, con la señal de brillo alto y en la figura 1.3.4, con la señal de brillo bajo.

 
Fig.1.3.3 Señal continua decodificada en una imagen de alto brillo

 
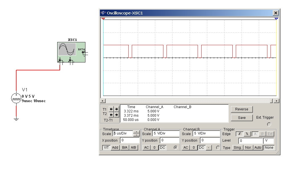
Fig.1.3.4 Señal continua decodificada en un imagen de bajo brillo

Como se puede observar siempre hay un resto de ripple en la señal Dimmer. El mismo puede ser reducido aumentando el valor de C1. No obstante este valor no se debe aumentar demasiado, porque se reducirí­a la velocidad del control (el brillo aumentarí­a y bajarí­a con un retardo inaceptable).
Esto nos explica porque en los circuitos no esta indicado un valor fijo de tensión sobre la pata Dimmer, sino una banda de tensiones que pueden considerarse normales. O si hay un valor fijo, existe siempre la indicación de utilizar una señal de prueba patrón como por ejemplo las barras de colores.
La señal Dimmer tiene una gran utilidad durante una reparación, cuando se trata de saber si el video digital llega al último integrado de la cadena, sobre todo cuando el TV es de un muy alto grado de integración y posee el transmisor LVDS dentro del último circuito integrado o ambos dentro de un Superjungla. Si con una imagen normal se ve que Dimmer fluctúa y la pantalla esta negra, entonces el video digital llega hasta ese integrado y probablemente haya una falta de comunicación LVDS con la pantalla o una falla en la pantalla o en la plaqueta T-COM.
Si la señal Dimmer es del tipo PWM no se la puede medir directamente con un tester de cualquier tipo que sea; debe construir su propio circuito integrador similar al indicado en la figura 1.3.4.
Nota1: nosotros utilizamos un generador de pulsos de 100 KHz para generar la PWM pero en realidad un TV puede tener una frecuencia diferente que generalmente se encuentra entre 50 KHz y 300 KHz.
Nota2: el resistor R2 representa la resistencia de entrada del circuito de control del Back-Ligth (no debe incluirse en el filtro de prueba).

1.4 LA SEÑAL DE ENCENDIDO

El modulo de Back Ligth se suele alimentar con 24V, cualquiera sean los dispositivos de iluminación (tubos o LEDs). Cualquieras sean los dispositivos generadores de luz, la potencia absorbida para un TV de 32" es del orden de los 125W sin señal DIMM y de 80W con señal DIMM. De este modo el consumo de corriente será de P/V = 125/24 = 5,2 A o 80/24 = 3,3 A
Si la fuente genera los 24V al ser conectada a la red (que es lo clásico) el Back Ligth quedarí­a encendido permanentemente. La pantalla estarí­a oscura porque la pantalla LCD absorberí­a toda la luz al hacerse opaca, pero obviamente el consumo en Stand By no serí­a aceptable.
Además deberí­a utilizarse una llave de 5A a MOSFET o IGBT para apagar el back-ligth, que obviamente serí­a un producto costoso para cortar una fuente de 24V, que además perderí­a regulación por la resistencia serie de la llave electrónica que se utilizara. 
Por esta razón todos los TV LCD poseen un corte de bajo nivel en la excitación y dejan que la tensión de fuente de 24V, llegue al/los transistores de potencia que necesariamente debe tener el Back Ligth. Es decir que el apagado de fuente se produce anulando la excitación de la llave de potencia del generador de Back Ligth. Seguramente esto le suena a conocido, porque es lo mismo que hacen los TV a TRC económicos con el transistor de salida horizontal.
Esta llave tiene entonces su correspondiente entrada que por lo general se llama ENA (de Enable que quiere decir habilitar). ENA tiene un valor nulo cuando el TV está en el modo Stand By que pasa a 3,3 o 5V cuando el usuario lo enciende.
Ante un problema de una fuente que quema el fusible de los 24V el reparador suele forzar ENA a masa para evitar que arranque el invertir o el driver. Esto serí­a cierto si ese dispositivo funciona bien, pero si tiene las llaves de potencia en cortocircuito no hay ENA que valga; el fusible se quema igual.      
¿Y quien genera ENA? Casi seguro que Ud. pensó en el microprocesador. No, se genera en el "Escaler", en el mismo lugar donde se generó Dimmer. La razón es muy sencilla: ¿para que vamos a encender el Back Ligth si no hay señales de video en ninguna entrada? ENA se genera cuando una o algunas de las patas del puerto interno o externo de este último circuito integrado digital, tiene un estado alto y eso ocurre si hay una entrada de señal activa.
Cuando se repara, hay que tener cuidado, porque si en la entrada seleccionada se corta la señal, el equipo avisa del hecho por pantalla y un poco después baja la señal ENA. Pero si el TV tiene una falla y no genera imágenes, podemos perdernos el aviso. Lo mejor para reparar el Back Ligth es como ya dijimos generar señales propias y abstraerse de usar ENA del TV.

1.5 LA POTENCIA DE BACK-LIGTH

Todos los bloques de un TV deben tener una conexión de masa y de fuente. Ya sabemos que la mayorí­a de los TV LCD se alimentan con 24V y que consumen unos 5A para una pantalla de 32". Inclusive muchos de pantalla chica de 23" poseen la fuente en el cable de alimentación ¿Hay un modo de saber cual será el consumo para pantallas mas grandes o mas chicas?
Si lo hay. El consumo es proporcional a la superficie de la pantalla si se pretende que cada punto de la imagen tenga el mismo brillo en los diferentes tamaños. Y la superficie es proporcional al cuadrado de la diagonal que es la medida generalmente utilizada para determinar el tamaño de una pantalla. Para que el lector no deba realizar cálculos vamos a entregarle una tabla con la diagonal y el consumo del Back Ligth en la figura 1.5.1.

Diagonal de pantalla Consumo sobre 24V CCFL  Consumo sobre 24V LED
16"                                    1,25  Amp                                   0,83A
23"                                          2,58                                           1,72A 
32"                                          5                                                3,3A   
42"                                          8,6                                             5,7A
50"                                          12                                              7,5A 
55"                                          14,8                                           9,86A
    
Fig.1.5.1 Potencia consumida por un back-ligth a tubos CCFL

1.6 RESUMEN

Una pantalla LCD es un dispositivo de presentación de imágenes (display) de iluminación indirecta.
La fuente de luz debe atravesar a la pantalla. Por lo tanto tiene que proceder de detrás de la misma.
Los TV más delgados poseen una pantalla traslucida de plástico, que opera como una guí­a de onda luminosa. La fuente de luz se coloca en los bordes de la misma dando lugar a una disposición llamada "Edget". Estos rayos de luz ingresan a la pantalla traslucida e iluminan la cara anterior de la misma que esta esmerilada y en contacto con la pantalla LCD.
Los TVs de profundidad normal poseen fuentes de iluminación por detrás de la pantalla traslucida a algunos centí­metros de distancia, dando lugar a una disposición llamada "Direct"
La disposición "Direct" tiene más rendimiento que la "Edget".
Las fuentes de iluminación pueden ser tubos CCFL, ECFL o tiras de LEDs en serie.
En todos los casos la fuente de alimentación suele ser una fuente regulada de 24V que entrega corrientes que van desde 1 a 15A de acuerdo al tamaño de la pantalla.
La fuente de luz cualquiera sea su disposición posee dos señales de control. Una llamada "Dimmer" regula la intensidad de la misma de acuerdo al valor medio de brillo de la imagen a reproducir. La otra llamada ENA se encarga de encender o apagar la iluminación cortando la excitación de los transistores llave del invertir o el driver.

1.7 CONCLUSIONES

Uno de los sectores que más cambió en un LCD es el correspondiente al Back Ligth. Tan es así­ que se generó un nuevo nombre a aquellos LCD que tienen un Back Ligth a LEDs y simplemente se los llama TVs LED en todas las partes del mundo y no se llaman como realmente deberí­an llamarse "TV LCD con Back Ligth a LED".
Lo más increí­ble es que los Back Ligth a LEDs no son un invento reciente. Forman parte de los monitores Slim desde hace una gran cantidad de años. 
El invento reciente es la forma de optimizar el consumo y aumentar el contraste de los TV con Back Ligth a LED por el método de barrido de los mismos y no por simple encendido con control de brillo por "DIMMER".
En este capí­tulo solo presentamos el tema de la forma más amplia y moderna, ya que nombramos todas las posibilidades de iluminación existentes en el mercado actual. Próximamente vamos a encarar el tema de cómo construir cargas de prueba, fuentes de alimentación y señales de control para probar todas las plaquetas inverter separadas del TV. 
Además también hay TVs en donde la iluminación del back ligth no es uniforme que también dejaremos para más adelante.
  

     




SALIR

Más TV LED

CHARLAS DE REPARACIÓN DE FALLAS EN PLAQUETAS MAIN GENERICAS (2)
Reparaciones genéricas

EN ESTE ARTÍCULOS CONTINUAMOS INDICANDO LA REPARACIÓN DE FALLAS GENÉRICAS EN LA PLAQUETA MAIN.

[+] Leer artículo...    


charlas sobre reparación de TV (1)
Todo sobre la plaqueta main

AQUI COMENZAMOS UNA SERIE DE CHARLAS SOBRE LA REPARACIÓN DE LCD Y SMART QUE LE PERMITIRÁ AL LECTOR ADENTRARSE EN LAS MEDICIONES QUE SE PUEDEN REALIZAR EN LAS DIFERENTES PLAQUETAS DEL TV Y COMO ACCIONAR EN CONSECUENCIA PARA REPARARLAS ANTES DE CAMBIARLAS.

[+] Leer artículo...    


LA MEMORIA DEL D5500 EN EL 3/2019 (2)
SEGUNDA PARTE

CON ESTA ENTREGA TERMINAMOS DE ACLARAR EL PANORAMA QUE LES ESPERA A LOS POSEEDORES DE SAMSUNG D5500 Y MATIZAMOS LA ESPERA DE BUENAS PARTIDAS DEL PRODUCTO, CON UNA EXPLICACIÓN CLARA DE LO QUE ES UNA MEMORIA fLASH. Y HACEMOS UN CORTO COMENTARIO SOBRE LA GUERRA COMERCIAL EE/UU VS CHINA Y COMO NOS AFECTARÁ

[+] Leer artículo...    


LA MEMORIA DEL D5500 EN EL 3/2019 (1)
MAS PROBLEMAS CON LA FLASH PARALELO

CUANDO TODO PARECÍA TRANQUILO VUELVE A SER NOTICIA LA MEMORIA FLASH SERIE DE ESTE VIEJO CONOCIDO DE TODOS LOS REPARADORES. CUANDO LA VA A COMPRAR LE DICEN: "NO TENGO STOCK" O LE DICEN QUE TIENEN STOCK PERO LE RECUERDA QUE EL MATERIAL NO TIENE GARANTÍA SI LAS PATAS ESTÁN ESTAÑADAS (Y COMO PRETENDEN QUE LA CONECTEN)

[+] Leer artículo...    


PORQUE SE QUEMAN LOS SUPERLED RECAMBIADOS
TODO SOBRE LA REPARACIÓN DE BACK LIGTH

NO HAY NADA DE MAYOR ACTUALIDAD QUE ESCRIBIR SOBRE BACK LIGTH. MIRANDO EN MI LABORATORIO Y HACIENDO UN RECUENTO ME ENCONTRE CON QUE LA MAYORIA DE LOS TVs MAS MODERNOS; LOS MAS FINITOS ESTAN TODOS POR PROBLEMAS DE BACKLIGTH. ASI QUE DECIDÍ DARLES UNA MANO PARA REPARAR LOS QUE SEGURAMENTE TIENEN EN SU PROPIO TALLER.

[+] Leer artículo...    


LED DE BACK LIGTH QUE SE VUELVEN A QUEMAR (1)
UNA REPARACIÓN DE BACK LIGTH BIEN HECHA

CUANDO INGRESA UN TV CON PROBLEMAS EN EL BACK LIGTH EL REPARADOR SABE QUE ES COMO TIRAR UNA MONEDA AL AIRE. sI EL PROBLEMA ESTA EN EL EXCITADOR DE LEDs Y ES DE SOLUCION RELATIVAMENTE FACIL O ESTA EN LOS LEDs Y TIENE QUE TRABAJAR MUCHO Y BIEN PARA OBTENER UNA SOLUCIÓN DEFINITIVA.

[+] Leer artículo...    


RESPUESTAS A PREGUNTAS DE TV 01
PRUEBAS INICIALES A UN TV LED

UNO DE LOS MIEMBROS DE MI PAGINA ME REALIZÓ UNA PREGUNTA, QUE ME PARECIÓ QUE PODIA SER DE INTERES GENERAL. ASI QUE LA VAMOS A CONTESTAR AQUI EN FORMA DE corto ARTÍCULO. EL TEMA ES INTERESANTE PORQUE EL QUE REPARA TV LED HABITUALMENTE COMIENZA HACIENDO ALGUNAS PRUEBAS AUTOMATICAMENTE Y A VECES NI SE DA CUENTA QUE LAS HACE. ASI QUE MIENTRAS REVISABA UN TV LED LAS ESTOY ESCRIBIENDO. ACLARO QUE ESTE NO ES EL ÚNICO MÉTODO POSIBLE, CADA REPARADOR LO ACOMODA A SU COMODIDAD Y AL INSTRUMENTAL QUE POSEE.

[+] Leer artículo...    






El Ing. Alberto Picerno, conocido en toda latinoamerica por sus cursos de Tv y LCD, es el autor mas prolífico sobre Electrónica, con mas de 40 libros tecnicos y cientos de articulos publicados. 

Se inicio en el mundo de la electronica de niño ayudando a su padre que era hobbysta y aficionado a la radio.

Su experiencia temprana le permitio recibirse con medalla de oro al mejor promedio de "Tecnico Nacional el Telecomunicaciones" y posteriormente volvio a obtener la medalla de oro al mejor promedio como "Ingeniero en electronica en UTN"

Leer Mas Aquí



Artículos Gratis
Sobre Electrónica
por Ing. Picerno


Ir a Artículos Gratuitos      


Libros Digitales

Adquiera los mejores
Libros Digitales (Ebooks)
Sobre Electrónica

Ir a Sección Libros      


MAPA DE LINKS:

INICIO - QUIENES SOMOS - ENTRETENIMIENTO - CONTACTENOS

TV: TRC - LCD - Plasma - LED - Smart - OLED

SOLDADURAS: SMD - BGA - Maquinas de Rebaling

TALLER: Puntas de prueba Sonda de RF - Punta de prueba BEBE - Punta de prueba Filtro Pasabajo - Instrumentos Fuentes - Instrumentos Evariac - Instrumentos SuperEvariac - Instrumentos Varios

AUDIO: Amplificadores Analogicos - Amplificadores Digitales - Bafles Caseros

MANUALES: TV TRC - TV LCD - TV Plasma - TV LED - SmartTV - TV Oled - Fuentes de TV - T-COM - Driver de LED - Inverters

EBOOKS

PROGRAMAS: Simuladores de Circuitos Multisim - Simuladores de Circuitos Livewire - Simuladores de Circuitos Proteus - Programas para PICs y memorias Ram

MICROS: Diseñando con PICS 1 - Diseñando con PICS 2

OTROS ARTICULOS

ARTICULOS DE LA A A LA Z

Ingeniero Alberto Picerno - Av. 2 de Abril 1140 - Burzaco - Buenos Aires - Argentina - Tel: (011)3974-4393
Artículos y Ebooks de Electrónica - Todos los Derechos Reservados - 2026

Diseño y Hosting RCH
rch.com.ar - redcomser.com.ar