Inicio Quienes Somos Entretenimiento Contáctenos Como Comprar los Ebooks
Ingresar Registrarse
Artículos Gratuitos sobre electrónica básica y avanzada y venta de libros electrónicos.

TV SMART
REPARACIÓN DE TVs SAMSUNG DE LA SERIE D5500 - Nº6
TIPS DE REPARACIÓN

por Ing. Alberto Picerno




Tamaño A+ A-

6.1 INTRODUCCIÓN
Siempre hay detractores cualquiera sea la actividad que uno desarrolla, sin importar como la desarrolle. En mi caso algún lector se queja de que los artí­culos son muy largos y hay que hacer un esfuerzo considerable para entenderlos. Haciendo un balance final sobre la fuente del Samsung D5500 veo que la misma me llevó 50 páginas de explicaciones. Más o menos como una revista comercial. Si a Ud. le cuesta leer 50 páginas sobre uno de los TVs que mas frecuenta la estanterí­a de su taller, le recomiendo que lo cierre y en su lugar ponga una verdulerí­a (sin ánimo de ofender a los verduleros). 
Tomemos este capí­tulo como ejemplo y saquemos algunas cuentitas. Cualquiera de las dos fallas que explicamos, reparada a nivel de plaqueta tiene un costo en la argentina (para el reparador) de 2500$ (166 U$S) si es que consigue la plaqueta; reparado a nivel de componentes gasta unos 10 U$S. Pero la reparación a nivel de componentes le deja algo más que una ganancia económica; le deja un aprendizaje, algo que Ud. guarda en su cerebro y que nunca más nadie le podrá quitar. Y además, le deja la satisfacción de saber que el sistemático despojo que sufren nuestros paí­ses de América Latina fue burlado una vez más. La industria electrónica está manejada por monstruosas empresas que no robaron las industrias incipientes, que daban trabajo a nuestros pueblos y hoy quieren robarnos el trabajo a los que hacemos las reparaciones de la basura que fabrican, vendiéndonos más basura, en forma de plaquetas de recambio a precios astronómicos. Pero venden barato; si, pero porque se cobran por otro lado.
Además yo no le cobro nada a nadie por estas 50 páginas, ni les cobré nada por las 30.000 páginas que ya leyeron mis amigos en mi página web. Mi idea es que nuestra página web se agrande, para que en cierto momento, se mantenga mediante comerciantes que pongan propaganda en ella. Mientras tanto la mantengo con la venta de memorias y el esfuerzo personal. Para ayudarme, solo requiero que lea con mucha atención lo que escribo y si le parece bueno se lo recomiende a sus colegas.
Ahora que me saqué la bronca, volvamos a nuestra fuente Samsung. 
Nuestra fuente es muy particular en el sentido de que es difí­cil encontrar una falla a nivel de la fuente permanente  A5V. Por lo tanto, el TV mantiene funcionando el micro y el LED piloto y las fallas de fuente solo se notan porque no sale de stand by al tratar de encenderlo.
¿La fuente puede generar la clásica falla de hipo (reinicio constante) que es la falla suprema de este modelo? El primer Samsung D5500 que nosotros reparamos tení­a esa falla y la falla estaba en la fuente. Pero hoy debo reconocer que nunca más apareció ninguno mas por nuestro taller y todas las fallas de hipo posteriores, fueron reparadas cambiando la memoria y que un análisis realizado sobre 256 problemas de hipo, con datos aportados por mis alumnos con mis memorias dió un 100% de fallas por memoria. La aparición de aquel problema de fuente, seguramente fue obra del indio Tocapotee (http://www.picerno.com.ar/leer.php?cn=34).
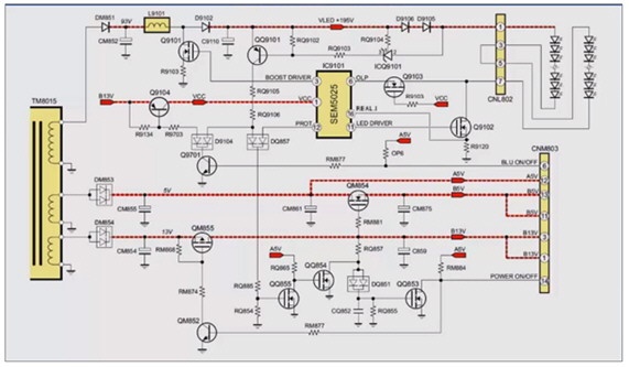
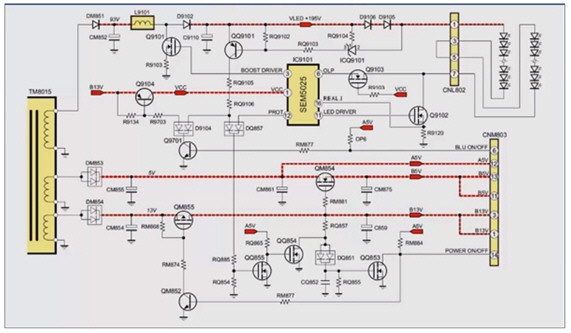
Va un aporte extra al tema de fuente con un circuito completo con mayor definición que el entregado anteriormente. Ver figura 6.1.1.

Fig.6.1.1  circuito de control con mayor definición

6.2 FALLAS DEL ENCENDIDO DEL BACK LIGTH DE LEDS

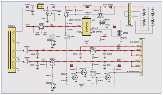
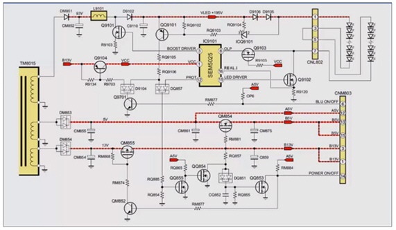
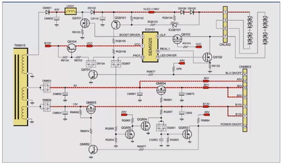
Un CI driver de LEDs tiene un protector interno de sobrecorriente por los mismos. Este protector opera midiendo la corriente pico por el transistor llave de corriente Q9102 mediante el resistor shunt R9120 y su conexión a la pata 16 del driver. Ver la figura 6.2.1.

 
Fig.6.2.1 Circuito simplificado total de la sección de control

Como la corriente pico depende de la tensión VLED cuando esta se descontrola y aumenta, el SEM5025 corta la excitación de Q9101 y se apaga el back ligth. Pero como C9110 puede tener mucha carga acumulada la protección no actúa muy rápidamente. 

6.3   PRIMERA FALLA

Hay un componente que funciona muy exigido en su parámetro de tensión de colector a emisor y que aparentemente es el principal generador de fallas de control. Es el transistor QQ9101.
En efecto cuando todo anda bien y llega la orden de encendido del back ligth R9106 queda conectada a masa y el emisor del transistor queda conectado a +195V. Aparentemente algunas partidas de estos transistores no soportan bien esa condición y se ponen con fugas colector emisor.
Esas fugas cortan la conducción de Q9104, el driver se apaga y un instante después el TV pasa a stand by.
Si la desconexión del zener programable no resuelve el problema debe desconectar el transistor QQ9101 y probar si el TV arranca.
Si arranca puede estar seguro que la falla está en el transistor y debe encarar la tarea de conseguir un reemplazo porque el original no se consigue. No ponemos el código porque como todos sabemos los transistores se compran en forma genérica por sus caracterí­sticas que indicaremos a continuación.
Lo primero que observamos es que se trata de un clásico transistor bipolar tipo PNP.
Seguidamente debemos observar que valores tienen los resistores de colector. Observamos que son de 1 Mohms y hay dos en serie. Entonces la corriente que los atraviesa es de 195V/2MOhm = 100 uA aproximadamente. Es obvio que cualquier transistor de señal soporta esta corriente de colector. Así­ que el único problema es conseguir un transistor de señal PNP que soporte por lo menos unos 300V lo cual no es sencillo.
Por la Argentina aun se consiguen viejos transistores Texas que se utilizaban en amplificadores de video en push pull en los TV TRC que pueden servir y así­ lo resolvimos nosotros con el 2N5401 pero tenga en cuenta que la Vce mí­nima de este transistor es de 150V así­ que hay que seleccionarlos para encontrar uno de por lo menos 220V.
El único problema es que debe reemplazar un SMD en un TV con muy poca profundidad y si lo colocamos con el encapsulado normal, no cierra la tapa.
Pero no es nada que no se pueda arreglar con una morsa y una buena lima, para limar la pancita del encapsulado. Ver la figura 6.3.1.
 
Fig.6.3.1 Reemplazo del transistor 

No todos los transistores pueden funcionar aunque soporten la tensión colector/ emisor.
Es importante también el valor del beta y el de la tensión de juntura.
Al cambiarlo puede ser que el TV recupere el funcionamiento, pero que la protección no funcione o sea muy dura.
El modo de probarlo es conectando un resistor de carga en paralelo con la cadena de LEDs hasta que opere la protección para saber a qué valor funciona y a qué valor corta.
Los resistores a colocar debe consumir unos 10 mA con 195V es decir que son de 195V/10 mA = 19K o aproximadamente 22K por una potencia de 195V x 10 mA = 2W aproximadamente.
Cada vez que coloque un resistor en paralelo aumentará 10 mA la corriente.
Ud. puede estar pensando que es demasiado trabajo para una reparación. Y yo le digo que es mi obligación indicarle que hay que hacerla; La decisión la debe tomar Ud. Por otro lado le digo que hay otros TV con un circuito similar que no poseen esta protección extra.

6.4    SEGUNDA FALLA

La segunda falla con los mismos sí­ntomas (nunca sale de stand by) se encuentran en el zener programable. 
El zener programable genera esta falla si se pone en cortocircuito entre ánodo y cátodo (medible con el tester digital como óhmetro).
El reemplazo no es simple porque los TL431 que se consiguen normalmente son de 2,5V de tensión de programa y el que tiene este TV es un TLVH431 que es de 1,25V. Si coloca un TL431 el TV funciona pero sin protección. 
Una solución si no consigue el TLVH431 es agregar otros dos diodos sensores de sobrecorriente en serie con D9105 y D9106, pero aunque el TV arranque le aconsejamos que realice la medición de corriente de corte, porque el circuito es muy sensible a cualquier cambio y en este caso se modifica la tensión de base emisor de QQ9101 cuando se cierra el zener programable.

6.5   LA TERCER FALLA

El mismo componente puede generar dos fallas diferentes. RQ9105 y RQ9106 pueden abrirse o ponerse en cortocircuito. En el primer caso la fuente se queda sin la protección agregada. Por supuesto que el cliente no lo nota pero suele traer el TV con LEDs quemados o con el zener programable alterado. En esos casos le recomendamos realizar la prueba de sobreconsumo y será Ud. el que observe la falla.
Los resistores RQ9105 y RQ9106 no son comunes porque deben soportar 100V cada uno y los SMD más chicos solo soportan 50V.
La mayorí­a de los reparadores busca un resistor SMD del mismo valor y lo reemplaza. Cuando lo prueba el resistor se vuelve a quemar y así­ hasta el infinito. Un resistor para montaje común suele presentar una única falla que es abrirse, pero los SMD también se pueden poner en cortocircuito cuando salta un arco a través de ellos. 
Si tiene que reemplazarlos no vale desoldar un resistor de otra plaqueta para recambio y reemplazarlos porque no son especiales para alta tensión.
La mejor solución, aunque quede un trabajo desprolijo, es reemplazarlos por un solo resistor clásico de 2,2MOhms 1/8 de W que admiten 250V sin problemas.  

6.6 LA CUARTA FALLA

El transistor Q9701 puede provocar la falta de encendido cuando tiene una falta de beta (generalmente porque alguien lo cambió previamente para probar tratando de reparar una falla de hipo por memoria).
En este caso la mí­nima corriente de fuga normal de QQ9101 alcanza para que se deje de saturar el sumador, apagando el transistor llave Q9104.
El funcionamiento del circuito es complejo y se basa en que el micro deja la pata 6 del conector en alta impedancia para encender el TV.
En este caso, se genera una corriente por el resistor OP6 y el RM877 que saturan al transistor Q9701 cuando solo circula corriente por el diodo de la izquierda (permanente). 
Cuando circula una corriente de fuga por QQ9101 el beta y la corriente de base de Q9701 deben mantenerlo saturado, pero si esto no ocurre porque el beta es bajo deja de saturar y se levanta el colector por arriba de 13V, cortando a Q9104 y apagando al CI.
Cuando cambie Q9701 debe hacerlo por un BC548C nunca por un A o un B y por las dudas debe realizar luego la prueba de corte, porque ahora puede tener un beta excesivo.

6.7 FALLAS EN LA PARTE INFERIOR DEL CIRCUITO

Por lo general esta parte del circuito no suele fallar. Por lo menos no recordamos que nos hayan ingresado TV con fallas en ese sector.
La parte inferior del circuito puede generar algún tipo de hipo pero por es mucho más difí­cil que falle por tener una disposición simple y componentes sin exigencias especiales. Si se comprobó que no hay un exceso de ILED, se puede anular la protección realizando un cortocircuito desde el gate de QQ855 a masa.
Si en esas condiciones se recupera el funcionamiento normal, la falla se encuentra en QQ855 o QQ854 que pueden ser reemplazados por cualquier MOSFET de señal de canal N.

6.8 LA SECCIÓN DE BRILLO DINÁMICO

Por algún otro lado de esta serie escribí­ que esta fuente no tiene sistema de brillo dinámico. Debo rectificarme porque si lo tiene; me confundió el hecho de estar borroso el nombre de la señal en el circuito completo.
Pero ahora que tenemos un circuito más claro veo sobre la pata 2 del conector CNM803 una señal llamada PWM-DIM que tiene un significado claro y que no podemos ignorar en nuestro estudio de la fuente. PWM (Pulse Wide Modulation = modulación por ancho de pulso) es por el tipo de señal. En efecto esta señal es del tipo rectangular con el periodo de actividad variable. DIM viene de dimmer que es el dispositivo que permite variar la iluminación ambiente de una habitación. 
Esta señal es perfectamente capaz de llevar información de tensión continua modulada en el ancho de su pulso activo. En este caso trae información del brillo medio de la imagen que está recibiendo el TV. Si se trata de una escena nocturna el pulso activo es finito y si se trata de una escena diurna tiene un pulso activo ancho. 
Ud. pensará. Muy bien ¿pero para que quiero tener esa información en la fuente? No se olvide que en la fuente tenemos el driver de los LEDs que generan el back ligth. Correcto pero esos LED se deben encender al encender el TV y permanecer encendidos a brillo fijo. Incorrecto, originalmente era así­ pero en el momento actual el brillo del back ligth cambia con el valor medio del brillo de la imagen para engañar al ojo y hacerle creer que la pantalla tiene más contraste. Ese sistema se llama contraste dinámico o brillo dinámico y el TV viene predispuesto así­ de fábrica. El usuario puede dejarlo activo o anularlo desde el control remoto para tener una respuesta más suave del TV.
¿Cómo es que esta señal cambia el brillo del back ligth? Porque el CI SEM5025 tiene una pata de entrada de señal DIM que es la 13. Esa señal internamente se dirige a un circuito modulador de la señal de excitación del MOSFET Q9102 que ajustando el tiempo de actividad de la corriente ILED modifica el brillo de back ligth.
Entre la entrada de la señal por la pata 2 de del conector CNM803 y la pata 13 del SEM5025 hay un circuito de filtrado que debemos estudiar especialmente porque si falla puede anular la señal de excitación a Q9102 y cortar el back ligth aunque todo el circuito funcione bien. O simplemente bajar el brillo de back ligth lo que hace suponer al reparador que los LEDs están agotados (aunque no tienen nada que se agote con el uso). Ver figura 6.8.1.

 
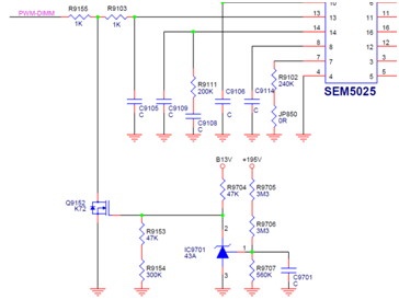
Fig.6.8.1 Circuito de DIMM

La condición de funcionamiento normal de este circuito es con Q9152 abierto. En ese caso la señal PWM de entrada pasa por los resistores R9155 y R9152 y queda filtrada y transformada en continua la pata 13. El valor de tensión sobre esta pata no es fijo  ya que varia con el tiempo de actividad entre 0 y 2,5V aproximadamente. Con 2,5V la salida de excitación para el MOSFET está a pleno y el back ligth está a máximo brillo y con 0 el back ligth esta apagado.
Por extensión si la tensión está permanentemente en 0 el transistor MOSFET llave está permanentemente abierto y la cadena de LEDs esta desconectada de masa.
El circuito opera como una protección extra realizada por el MOSFET Q9152 que es un MOSFET de canal N normalmente cerrado (observe que el dibujo del canal es una lí­nea llena). Cuando la compuerta se polariza por arriba de 2,5V aproximadamente el canal se abre. Esto significa que el arranque del TV ocurre con el MOSFET llave Q9102 cerrado cortando la señal PWM-DIMM. Cuando se genera la tensión B13V por el encendido del TV el canal se abre y permite el paso de PWM-DIMM hasta la pata 13.
Si no aparece B13V se produce una protección y el back ligth queda apagado con la cadena de LED desconectada. Pero la aparición de B13V es una condición necesaria pero no suficiente. En efecto si la tensión VLED de 195V esta excedida conduce el zener programable y baja la tensión de la compuerta de Q9152 cerrando el canal para cortar la señal de la pata 13 y abrir el MOSFET Q9102 para proteger a la tira de LEDs.
Este circuito de protección puede fallar y dejar el back ligth apagado. Si Ud. tiene osciloscopio puede colocarlo sobre la pata 13 y observar cómo cambia la tensión sobre la pata durante el encendido. Si no tiene osciloscopio puede utilizar el tester en medición de tensión continua pero puede ocurrir que el tester digital sea demasiado lento para esta medición. Es mejor usar un tester analógico de los chiquitos que tiene instrumento de mayor corriente y por lo tanto son más rápidos.

6.9   CONCLUSIONES

Así­ pudimos terminar de aclarar el funcionamiento de una fuente conflictiva con   fallas que estaban preocupando al gremio en general evitando que deban recurrir al oneroso cambio de plaqueta. Todo vale para reparar esta plaqueta, lo que no vale es intentar repararla si no es ella la que falla. Si tiene un D5500 con hipo no piense. Cambie la memoria por otra cargada con el programa modificado por Samsung. Si alguien le dice: es mejor traer la plaqueta que yo le cambio la memoria ¡huya! Le van a reprogramar la misma memoria, ya muy usada y con el programa mal diseñado. 
Yo jamás recomiendo quitar una protección, pero ante la alternativa de no poder reparar un circuito mal diseñado, la cosa está clara. Hay que salvar el TV a toda costa. Pero si quita la protección, Ud. debe transformarse en una protección manual midiendo ILED. 
Y en cuanto a quitar una protección en forma transitoria, no dude en hacerlo cuando es el único medio de aclarar cuál es el componente dañado. Pero primero asegúrese que el componente protegido tenga valores adecuados de corriente y tensión.
Y por último; si reemplazó un componente de un circuito de protección, realice luego la prueba de que la protección opera.




SALIR

Más TV SMART

MEDICIÓN DE SEÑALES LVDS PARTE 7
APLICACION A LA REPARACIÓN DE UN TRIPLAQUETA

EN LA PARTE 7 VAMOS A EXPLICAR COMO SE UTILIZA EL MEDIDOR DE SEÑALES LVDS PARA LA REPARACIÓN DE LA PLAQUETA MAIN DE UN TV TRIPLAQUETA

[+] Leer artículo...    


MEDICIÓN DE SEÑALES LVDS (PARTE 6)
El circuito de medición de las señales

En esta Parte 6 vamos a comenzar a a explicar como se realiza la medición con nuestro amplificador modificado y dotado de puntas especiales para circuitos de pequeñas dimensiones.

[+] Leer artículo...    


MEDICIÓN DE SEÑALES LVDS (PARTE 5)
SEÑALES DE VEDA SOBREMUESTREO Y MEDICIONES

EN ESTE ARTICULO COMENZAMOS COMENTANDO EL TEMA DE LAS NORMAS DE LA TV DIGITAL Y DE QUE MODO AFECTAN LA FORMA DE LA SEÑAL LVDS. lUEGO COMEMZAMOS A TRATAR LOS PROBLEMAS PRACTICOS DE LAS MEDICIONES LVDS QUE SON PRECISAMENTE DE TAMAÑO DE LAS PUNTAS DEL TESTER O EL OSCILOSCOPIO.

[+] Leer artículo...    


MEDICION DE SEÑALES LVDS (PARTE 4)
TODO SOBRE LAS COMUNICACIONES DIGITALES MAS MODERNAS DEL TV

En esta parte 4 le damos el apéndice prometido en la parte 3 pero sobre todo le explicamos el tema de la medición de la señal LVDS comenzando a darle los detalles de como mide nuestra sonda que requerirá mas datos que saldrán en la parte 5.

[+] Leer artículo...    


MEDICIÓN DE SEÑALES LVDS PARTE (PARTE 3)
Entradas de señal

En esta entrega explicamos el funcionamiento de las etapas de entrada HDMI de todas las variedades de TV LCD y los detalles de como realizar el seguimiento de las señales.

[+] Leer artículo...    


MEDICIÓN DE SEÑALES LVDS PARTE 2
LAS SEÑALES LVDS DE ENTRADA Y DE SALIDA

EN ESTE ARTÍCULO LE EXPLICAMOS EN QUE SECCIONES DE UN TV LCD SE UTILIZA COMUNICACIONES LVDS, PORQUE RAZÓN Y DASMOS LAS PISTAS PARA EMPREDER SU REPARACIÓN.

[+] Leer artículo...    


SEÑALES LVDS -PARTE 1
INTRODUCCIÓN

ANTIGUAMENTE LAS SEÑALES DE DATOS DE ALTA VELOCIDAD SE TRANSMITÍAN POR CABLES COAXIALES ESPECIALES DE BAJAS PERDIDAS. CON EL INCREMENTO DEL COSTO DEL COBRE SE BUSCO ALGO MAS ECONÓMICO Y VERSATIL UTILIZÁNDOSE EN LA ACTUALIDAD LOS PARES MÚLTIPLES SIMILARES A LOS TELEFÓNICOS MAS CONOCIDOS COMO MULTIPARES.

[+] Leer artículo...    






El Ing. Alberto Picerno, conocido en toda latinoamerica por sus cursos de Tv y LCD, es el autor mas prolífico sobre Electrónica, con mas de 40 libros tecnicos y cientos de articulos publicados. 

Se inicio en el mundo de la electronica de niño ayudando a su padre que era hobbysta y aficionado a la radio.

Su experiencia temprana le permitio recibirse con medalla de oro al mejor promedio de "Tecnico Nacional el Telecomunicaciones" y posteriormente volvio a obtener la medalla de oro al mejor promedio como "Ingeniero en electronica en UTN"

Leer Mas Aquí



Artículos Gratis
Sobre Electrónica
por Ing. Picerno


Ir a Artículos Gratuitos      


Libros Digitales

Adquiera los mejores
Libros Digitales (Ebooks)
Sobre Electrónica

Ir a Sección Libros      


MAPA DE LINKS:

INICIO - QUIENES SOMOS - ENTRETENIMIENTO - CONTACTENOS

TV: TRC - LCD - Plasma - LED - Smart - OLED

SOLDADURAS: SMD - BGA - Maquinas de Rebaling

TALLER: Puntas de prueba Sonda de RF - Punta de prueba BEBE - Punta de prueba Filtro Pasabajo - Instrumentos Fuentes - Instrumentos Evariac - Instrumentos SuperEvariac - Instrumentos Varios

AUDIO: Amplificadores Analogicos - Amplificadores Digitales - Bafles Caseros

MANUALES: TV TRC - TV LCD - TV Plasma - TV LED - SmartTV - TV Oled - Fuentes de TV - T-COM - Driver de LED - Inverters

EBOOKS

PROGRAMAS: Simuladores de Circuitos Multisim - Simuladores de Circuitos Livewire - Simuladores de Circuitos Proteus - Programas para PICs y memorias Ram

MICROS: Diseñando con PICS 1 - Diseñando con PICS 2

OTROS ARTICULOS

ARTICULOS DE LA A A LA Z

Ingeniero Alberto Picerno - Av. 2 de Abril 1140 - Burzaco - Buenos Aires - Argentina - Tel: (011)3974-4393
Artículos y Ebooks de Electrónica - Todos los Derechos Reservados - 2026

Diseño y Hosting RCH
rch.com.ar - redcomser.com.ar