Inicio Quienes Somos Entretenimiento Contáctenos Como Comprar los Ebooks
Ingresar Registrarse
Artículos Gratuitos sobre electrónica básica y avanzada y venta de libros electrónicos.

TV SMART
REPARACIÓN DE TVs SAMSUNG DE LA SERIE D5500 - Nº5
LA SECCIÓN DE CONTROL DE FUENTES

por ING. PICERNO




Tamaño A+ A-

5.1 INTRODUCCIÓN

Todas las fuentes de un TV LED o SMART poseen una sección de control que maneja el encendido de las fuentes no permanentes y del back ligth.
Además en la misma fuente se realiza la protección de la misma en forma autocontenida, porque las protecciones que puede realizar el micro del superjungla que está en la plaqueta main no llegan a tiempo, en caso de una falla de fuente, para proteger al transistor MOSFET llave.
Además, la fuente de alimentación suele incluir al driver de LED, con las protecciones que posee el propio circuito integrado. En este caso los LEDs poseen una protección propia con un zener programable, que suele ser el terror de los reparadores porque Samsung no provee el circuito de fuente en el manual y porque no es común realizar una protección con un zener programable.
Esta sección, no requiere para su reparación más que un tester digital, algunas cargas resistivas, que ya poseemos, un probador de tiras de LED y por supuesto el conocimiento del funcionamiento del driver y un buen método de trabajo.
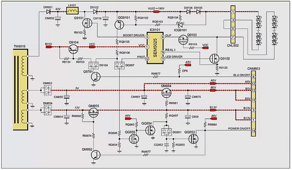
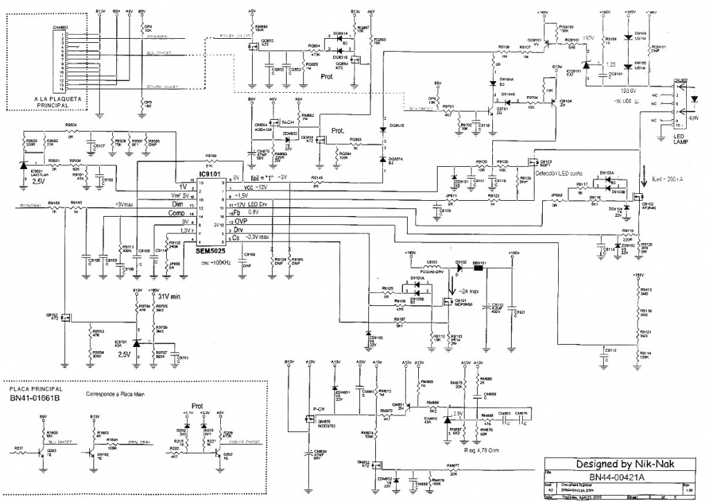
A continuación le ofrecemos el circuito completo del control de fuente que luego iremos analizando parte por parte. Ver la figura 5.1.1.

 
Fig.5.1.1  Circuito de control completo

Vemos que el circuito tiene un SEM5025 como driver de LEDs. Las tensiones generadas en la fuente de entrada no ingresan por un conector ya que están generadas en la misma placa. Es decir que ingresan por una pista. Por ejemplo, los +195V ingresa arriba a la derecha cerca del conector de la tira de LEDs por dos diodos D9105 y D9106 generando 193,6 V sobre los 50 diodos externos conectados a CNL802. Observe que los diodos parecen estar divididos en 2 secciones pero realmente cada sección está en serie y terminan estando los 50 diodos en serie, 25 entre la pata 1 y 3 del conector y otros 25 entre las patas 5 Y 7 (las patas pares no se conectan por un problema de aislación). 
Y aquí­ viene el primer paso del método de trabajo y el más sencillo e importante. Desconecte el conector de LEDs y pruébelos con el probador que puede encontrar en mi página www.picerno.com.ar con el link: http://www.picerno.com.ar/leer.php?cn=14 y que solo tiene 3 componentes pasivos y sirve para probar de 1 a 60 LEDs. El mismo probador le sirve para encontrar la falla si es que no enciende la tira de LED. 
Si el back ligth enciende, de Ud. depende usarlo como carga de prueba de la fuente a reparar. Si quiere estar seguro de no dañar los LEDs puede utilizar una carga resistiva de 1K 40W ya que la fuente desarrolla 36W. En mi página puede encontrar la construcción de una carga de prueba en el link: http://www.picerno.com.ar/leer.php?cn=56.
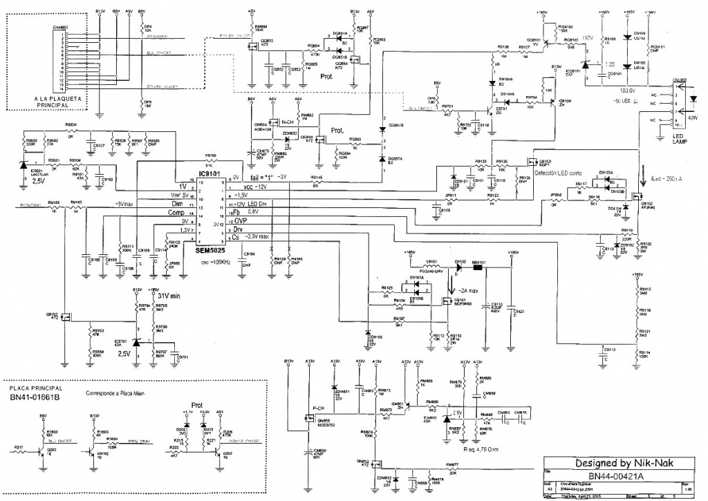
Como el circuito completo es muy difí­cil de analizar, realizamos un circuito simplificado que mostramos en la figura 5.1.2.

    Fig. 5.1.2.  Circuito completo simplificado

A este circuito simplificado lo vamos a analizar por partes, comenzando por el circuito de los LEDs que es la parte más complicada de la fuente.

5.2 LA SECCIÓN DE LOS LEDs

En la figura 5.2.1 observamos el circuito correspondiente.

 
Fig.5.2.1  Sección de LEDs

La fuente del driver de LEDs toma tensión de un bobinado de la fuente única, que genera 93V de CC, aislados galvánicamente de la red. 
Es evidente que esta tensión no alcanza para encender la cadena de LEDs que requiere unos 195V (3,9V x 50 = 195V). Que se consigue con una fuente multiplicadora (Booster) tipo fly-back, constituida por Q9101, D9102 y C9110. Así­ se genera +VLED de aproximadamente 195V.
Esta tensión alimenta el ánodo del LED superior de la cadena mediante los diodos D9105 y D9106.
El retorno a masa de la cadena se realiza por el transistor llave Q9102 y el resistor shunt R9120.
La conmutación rápida de esta llave, a diferentes periodos de actividad, logra modificar el valor medio y eficaz de la corriente por los LED y por lo tanto el brillo de los mismos lográndose el deseado control a corriente constante. Es decir que este TV no tiene ni siquiera la más mí­nima sofisticación, que consiste en variar el brillo del back ligth según el brillo promedio de la escena transmitida o back ligth tipo "0D" también llamado adimensional.
Mientras la llave está cerrada, la corriente circulante por los LEDs está en su pico máximo y se genera el pico máximo de tensión sobre R9120. Este pico se realimenta al CI de control por la pata 16 REAL.I. Esta tensión es quien modifica la tensión VLED alrededor de su valor nominal de +195V para compensar las tensiones de barrera de los LEDs y establecer la corriente de pico por ellos en un valor constante; si es que todo funciona bien.
Si el circuito falla, el control de corriente por los LEDs se pierde y estos se pueden calentar y quemar. 
Para evitarlo hay que poner una protección externa al CI de control. Esa protección está generada con los diodos D9105 y D9106 sobre los que se mide su tensión de barrera a la corriente de trabajo. Esta tensión se utiliza para excitar un zener programable de 1,25V de programa (ICQ9101).
Para que el alumno entienda el funcionamiento del zener programable, le mostramos un simple circuito de aplicación del mismo en la figura 5.2.2, aclarando que como el Multisim no tiene zeners programables de 1,25V usamos el zener más común de plaza que es el TL431 de 2,5V pero esto no significa que se pueda utilizar un TL431 en lugar de un EA7 que es el que tiene colocado el TV.
 
Fig.5.2.2   Funcionamiento del zener programable

Un zener programable es en realidad un detector de tensión de alta precisión.
El TL431 produce un cambio brusco de aislador a conductor cuando la tensión entre el terminal de programación y el cátodo llega a 2,5V.
En el circuito observamos que la tensión sobre el ánodo es de 30V (fuente) en toda la gama de tensiones del terminal de programa entre 0 y 2,5V.
Pero cuando el terminal de programa tiene 2,8V por ejemplo la tensión sobre el zener cae a 1V. 
En nuestra fuente y volviendo a analizar la figura 5.2.1, cuando se detecta un exceso de corriente, la tensión sobre los diodos D9105 y D9106 superan el nivel de 1,25V y el zener conduce aplicando una tensión a la base de Q9101 que es menor a la de su emisor (es la barrera de los diodos sensores) que se aplican a través del divisor de tensión RQ9103 y RQ9102.
Cuando el transistor QQ9101 conduce, circula corriente por los resistores de colector en serie RQ9105 y RQ9106, que están conectados a los circuitos sumadores de protección que vamos a explicar más adelante.
Esta protección agregada con el zener programable solo existe en este modelo de fuente especí­fica para la serie D5500 de Samsung y no conocemos la razón de su existencia ya que el CI SEM5025 tiene su propia protección de sobrecorriente por el resistor shunt 9120.

5.3  EL ENCENDIDO DEL BACK LIGTH

Para analizar este circuito utilizamos la figura 5.3.1 que es la sección de circuito resumido dedicada al encendido del back ligth.

Fig.5.3.1  Sección del encendido del back ligth

En este punto de nuestro análisis debemos respondernos a una pregunta elemental. ¿Cómo se apaga un TV LED? Apagando el Back Ligth y cortando las tensiones de alimentación a diferentes etapas que no necesitan estar encendidas en Stand By. En nuestra fuente hay dos sistemas independientes de encendido; uno para el back ligth y otro para las tensiones conmutadas que veremos después. 
En nuestro caso la señal BLU ON/OFF (Back Ligth Unity ON/OFF = Enc/Apagado de la unidad de back ligth) viene de la pata 6 del conector CNM603 en donde se conecta la plaqueta main. Cuando esta señal pasa a un estado de alta impedancia, deja que el resistor OP6 de la fuente permanente A5V y el resistor RM877 hagan conducir al transistor Q9701. 
Cuando Q9701 conduce, también lo hace Q9104 por ser un PNP que tiene la base conectada a masa a través del atenuador R9134 y R9703. En realidad, la corriente de R9703 pasa primero por un sumador a diodos D9104 cuya función explicaremos luego. Al conducir Q9104 se alimenta el CI que termina excitando al MOSFET ya que genera pulsos de excitación por la pata 3 que llevan la tensión VLED de 93 a 195V (efecto booster o elevador). Es decir que al conectar el TV a la red, los LEDs se polarizan, pero como lo hacen solo a 93V no llegan a encender.  
Ahora veamos el efecto del sumador D9104. Para el análisis anterior suponemos que no está circulando corriente de protección por los resistores RQ9105 y RQ9106, porque no hay problemas en el circuito de protección por sobrecorriente de los LEDs. Pero si la corriente es demasiado alta por estos resistores baja una corriente que circula por el diodo de la derecha del doble diodo D9104; Q9705 no puede mantener la saturación y el colector se levanta anulando la alimentación y cortando la salida de excitación al booster.
Este mecanismo es tan complejo que requiere una explicación mas detallada.
En caso de falla por exceso de corriente de LEDs, en el colector de Q9701 se produce una suma de corrientes entre la que viene por R9703 y la que viene por RQ9106 y RQ9105.
Si bien en la condición de encendido, el transistor Q9701 está saturado, esa saturación depende de la corriente que circule por el colector de Q9701. Llegando a cierta corriente, la base no puede mantener saturado al transistor y Q9104 se abre y se corta la fuente del CI, apagándose la excitación del booster.
También puede considerar que la base de Q9104 queda aislada de Q9701 porque el diodo izquierdo de D9104 se pone en inversa, cuando los resistores RQ9105 y RQ9106 levantan la tensión de colector de Q9701.  

5.4   LAS TENSIONES NO PERMANENTES DE 5V

Si cortamos solo el back ligth, obtenemos una pantalla oscura en stand by pero eso no es suficiente para decir que el TV está apagado. En efecto debemos cortar otras alimentaciones como por ejemplo la del sonido para silenciar el TV y otras que no son necesarias y aumentarí­an el consumo de stand by.
Es decir que la plaqueta fuente debe entregar 5V permanentes (A5V) y 5V conmutados (B5V). Ver la figura 5.4.1.

 
Fig.5.4.1  Circuito de las tensiones no permanentes y permanentes

La tensión A5V se toma antes del transistor MOSFET conmutador QM854 para alimentar a la sección micro del superjungla por la pata 12 del conector CNM803.
En cambio la B5V se toma después del MOSFET conmutador para alimentar a las secciones que se deben cortar durante el stand by.
El control se realiza con RM841 que está conectado a la fuente conmutada de 13V. Cuando aparecen los 13V hacen aparecer los 5V conmutados porque la compuerta de QM854 queda positiva con respecto al terminal de fuente.   
La plaqueta fuente debe entregar 13V conmutados (B13V). Al recibir un estado de alta impedancia en la pata 14 de CNM803.
En esa condición QM852 conduce por los resistores RM884 + RM877 y polariza en conducción al MOSFET de canal P QM855 poniendo la compuerta  por debajo del terminal de fuente. 
Al cerrarse el MOSFET, se genera la tensión de salida B13V y por simpatí­a la tensión B5V.
Pero todo depende de que no opere la protección que vamos a analizar a continuación.

5.5  LA PROTECCIÓN DE LAS FUENTES DE 13V Y 5V

Para entender el funcionamiento de las protecciones tenemos que observar la vieja figura 5.1.2 con todo el circuito simplificado, porque todas las protecciones actúan una sobre la otra.
En principio sino funciona el back ligth no van a aparecer las tensiones B13V y la B5V es decir las dos tensiones conmutadas (la tensión permanente A5V seguirá presente, para que funcione el microprocesador). El doble diodo DQ857 (el de la derecha) provee el corte de las tensiones conmutadas B5V y B13V por problemas en el back ligth.
Las fuentes para operar estos cortes son dos. Una es nuestro conocido detector de corriente de LEDs por el zener programable y la otra es la pata 12 "PROT" del CI que pasa al estado alto cuando se produce una falla en el booster de LEDs que aumenta la tensión Vled. Esto genera un aumento de la corriente que es sensado por el resistor Shunt R9120 y enviado a la pata 16 del CI "REAL.I"
En ambos casos, a través del diodo doble  DQ857 se levanta la tensión de compuerta de QQ855 mediante el divisor RQ885/RQ854. En este caso cae la tensión del terminal de drenaje que estaba alto por RQ865.
QQ854 pasa al estado abierto y RQ857 a través del doble diodo DQ851 polarizan en alto la compuerta de QQ853 (aun que con cierto retardo debido a CQ852 y RQ855).
Todos estos acontecimientos hacen conducir a QQ853 llevando su tensión de Drenaje a masa y anulan la señal de encendido POWER ON/OFF proveniente del micro con lo cual el TV vuelve a Stand By. Es decir que la pata 14 de CNM803 no es una pata de entrada solamente, sino que en cierto modo es también una pata de salida.
Explicamos todo esto, porque la lógica que sigue un reparador para probar la fuente desconectada del TV es poner una tensión de 5V en la pata 14 para probarla y ver si aparecen B5V en la pata 11 y 13 de CNM803 y B13V en las patas 1 y 3, pero si está alta la tensión VLED el MOSFET QQ853 conduce y la fuente colocada para probar el encendido, hace circular una corriente muy alta por el MOSFET y (y si la señal de prueba es una fuente de por ejemplo 5A) explota inmediatamente. Olví­dese de las pruebas clásicas de fuente; esta fuente no requiere una fuente externa, solo debe colocar la pata 6 del conector CNM803 a masa para apagar el back ligth y la pata 14 también a masa para apagar las fuentes de B13V y B5V. La tensión para el encendido la generan RM864 y RQ865 cuando las patas 6 y 14 se abren. Solo que la fuente en reparación debe estar conectada a la red, para que se genere la tensión permanente de 5V (A5V).
Con la plaqueta fuente conectada al TV esta lógica hace que si el micro levanta las patas 6 y 14 de masa para provocar un encendido, pero hay un problema de sobrecorriente por los LEDs, la tensión de la pata 14 vuelva a cero y el TV entra en Stand By.

5.6   PROTECCIÓN DE CADENA DE LEDs ABIERTA

Existe una protección extra que solo podemos estudiar ahora que conocemos el resto del circuito.
La produce el MOSFET Q9103 que opera analizando la tensión de drenaje de la llave de corriente de LEDs Q9102.
Cuando todo funciona bien, la tensión de drenaje del Q9102 es una señal rectangular con un periodo de actividad variable. A veces esta en cero y a veces en una tensión alta por conducción de fugas de los LEDs. La compuerta está conectada a la tensión regulada de 13V VCC que alimenta la pata de fuente del CI. En el funcionamiento normal circula entonces una corriente pulsada por la pata 6 del CI. 
Cuando se corta la cadena de LEDs deja de circular corriente tanto por Q9102 como por Q9103 y el circuito booster levanta la tensión VLED. Pero la falta de corriente por la pata 6 del CI corta de inmediato la excitación del MOSFET del booster y el TV deja de funcionar pasando a stand by.

5.7 ¿PORQUE ESTA FUENTE TIENE TANTAS PROTECCIONES?

Al observar lo complejo de este circuito, nos preguntamos si todos los TV LED tienen tantas complicaciones en el control de la fuente de back ligth y de las tensiones que van a la main.
La respuesta es que no, y que el circuito de protección con el zener programable solo lo tiene este TV. Y esta aseveración incluye a todos los TVs  que utilizan el mismo driver de LED, es decir el SEM5025 o su equivalente que es el MAP3201. 
Aparentemente este TV nació con un criterio inadecuado en lo que respecta al largo de la cadena de LED, que lo lleva a trabajar con MOSFET de tensiones altas. Otros TVs trabajan con dos, cuatro y hasta 8 cadenas de LED que retornan a sendas entradas del CI de control y solo se generan tensiones bajas del orden de los 30V.
Inclusive se puede observar que este TV no tiene control de brillo dinámico por cambio de la iluminación de back ligth, lo que le da una pobre presencia en lo que respecta al contraste aparente.
En este capí­tulo conocimos el booster y el circuito de control con el driver SEM5025 que tiene preocupado a todos los reparadores por su complejidad y su poca confiabilidad.
En el próximo capí­tulo terminaremos con la fuente dando las soluciones prácticas que se deben adoptar indicando los componentes de reemplazo que podemos encontrar en América latina. Le aseguramos que una vez determinado el componente dañado podemos decir que el problema recién empieza. Por ejemplo unos de los componentes que se suelen dañar es el zener programable, pero este no es un zener programable clásico; este tiene menos tensión de programa (1,25V). ¿Que suelen hacer los reparadores desprevenidos): dicen, la única posibilidad que tengo es usar un zener de 2,5V, lo cambio y pruebo a ver si el TV funciona. Y lo cierto es que funciona, pero se queda sin la protección primaria que da el zener programable. Nosotros le vamos a indicar como se resuelve el problema realmente.



PALABRAS DE BÚSQUEDA

Fuente del Samsung D5500, protecciones de fuente, back ligth de 50 LED, circuito de control de fuente TV LED, Zener programable, baja tensión de programa, método de reparación de fuente LED, SEM5025, MAP3201 




SALIR

Más TV SMART

MEDICIÓN DE SEÑALES LVDS PARTE 7
APLICACION A LA REPARACIÓN DE UN TRIPLAQUETA

EN LA PARTE 7 VAMOS A EXPLICAR COMO SE UTILIZA EL MEDIDOR DE SEÑALES LVDS PARA LA REPARACIÓN DE LA PLAQUETA MAIN DE UN TV TRIPLAQUETA

[+] Leer artículo...    


MEDICIÓN DE SEÑALES LVDS (PARTE 6)
El circuito de medición de las señales

En esta Parte 6 vamos a comenzar a a explicar como se realiza la medición con nuestro amplificador modificado y dotado de puntas especiales para circuitos de pequeñas dimensiones.

[+] Leer artículo...    


MEDICIÓN DE SEÑALES LVDS (PARTE 5)
SEÑALES DE VEDA SOBREMUESTREO Y MEDICIONES

EN ESTE ARTICULO COMENZAMOS COMENTANDO EL TEMA DE LAS NORMAS DE LA TV DIGITAL Y DE QUE MODO AFECTAN LA FORMA DE LA SEÑAL LVDS. lUEGO COMEMZAMOS A TRATAR LOS PROBLEMAS PRACTICOS DE LAS MEDICIONES LVDS QUE SON PRECISAMENTE DE TAMAÑO DE LAS PUNTAS DEL TESTER O EL OSCILOSCOPIO.

[+] Leer artículo...    


MEDICION DE SEÑALES LVDS (PARTE 4)
TODO SOBRE LAS COMUNICACIONES DIGITALES MAS MODERNAS DEL TV

En esta parte 4 le damos el apéndice prometido en la parte 3 pero sobre todo le explicamos el tema de la medición de la señal LVDS comenzando a darle los detalles de como mide nuestra sonda que requerirá mas datos que saldrán en la parte 5.

[+] Leer artículo...    


MEDICIÓN DE SEÑALES LVDS PARTE (PARTE 3)
Entradas de señal

En esta entrega explicamos el funcionamiento de las etapas de entrada HDMI de todas las variedades de TV LCD y los detalles de como realizar el seguimiento de las señales.

[+] Leer artículo...    


MEDICIÓN DE SEÑALES LVDS PARTE 2
LAS SEÑALES LVDS DE ENTRADA Y DE SALIDA

EN ESTE ARTÍCULO LE EXPLICAMOS EN QUE SECCIONES DE UN TV LCD SE UTILIZA COMUNICACIONES LVDS, PORQUE RAZÓN Y DASMOS LAS PISTAS PARA EMPREDER SU REPARACIÓN.

[+] Leer artículo...    


SEÑALES LVDS -PARTE 1
INTRODUCCIÓN

ANTIGUAMENTE LAS SEÑALES DE DATOS DE ALTA VELOCIDAD SE TRANSMITÍAN POR CABLES COAXIALES ESPECIALES DE BAJAS PERDIDAS. CON EL INCREMENTO DEL COSTO DEL COBRE SE BUSCO ALGO MAS ECONÓMICO Y VERSATIL UTILIZÁNDOSE EN LA ACTUALIDAD LOS PARES MÚLTIPLES SIMILARES A LOS TELEFÓNICOS MAS CONOCIDOS COMO MULTIPARES.

[+] Leer artículo...    






El Ing. Alberto Picerno, conocido en toda latinoamerica por sus cursos de Tv y LCD, es el autor mas prolífico sobre Electrónica, con mas de 40 libros tecnicos y cientos de articulos publicados. 

Se inicio en el mundo de la electronica de niño ayudando a su padre que era hobbysta y aficionado a la radio.

Su experiencia temprana le permitio recibirse con medalla de oro al mejor promedio de "Tecnico Nacional el Telecomunicaciones" y posteriormente volvio a obtener la medalla de oro al mejor promedio como "Ingeniero en electronica en UTN"

Leer Mas Aquí



Artículos Gratis
Sobre Electrónica
por Ing. Picerno


Ir a Artículos Gratuitos      


Libros Digitales

Adquiera los mejores
Libros Digitales (Ebooks)
Sobre Electrónica

Ir a Sección Libros      


MAPA DE LINKS:

INICIO - QUIENES SOMOS - ENTRETENIMIENTO - CONTACTENOS

TV: TRC - LCD - Plasma - LED - Smart - OLED

SOLDADURAS: SMD - BGA - Maquinas de Rebaling

TALLER: Puntas de prueba Sonda de RF - Punta de prueba BEBE - Punta de prueba Filtro Pasabajo - Instrumentos Fuentes - Instrumentos Evariac - Instrumentos SuperEvariac - Instrumentos Varios

AUDIO: Amplificadores Analogicos - Amplificadores Digitales - Bafles Caseros

MANUALES: TV TRC - TV LCD - TV Plasma - TV LED - SmartTV - TV Oled - Fuentes de TV - T-COM - Driver de LED - Inverters

EBOOKS

PROGRAMAS: Simuladores de Circuitos Multisim - Simuladores de Circuitos Livewire - Simuladores de Circuitos Proteus - Programas para PICs y memorias Ram

MICROS: Diseñando con PICS 1 - Diseñando con PICS 2

OTROS ARTICULOS

ARTICULOS DE LA A A LA Z

Ingeniero Alberto Picerno - Av. 2 de Abril 1140 - Burzaco - Buenos Aires - Argentina - Tel: (011)3974-4393
Artículos y Ebooks de Electrónica - Todos los Derechos Reservados - 2026

Diseño y Hosting RCH
rch.com.ar - redcomser.com.ar