Inicio Quienes Somos Entretenimiento Contáctenos Como Comprar los Ebooks
Ingresar Registrarse
Artículos Gratuitos sobre electrónica básica y avanzada y venta de libros electrónicos.

TV SMART
REPARACIÓN DE TVs SAMSUNG DE LA SERIE D5500 - Nº3
FUNCIONAMIENTO DE LA FUENTE PULSADA

por ING. PICERNO




Tamaño A+ A-


3.1 INTRODUCCIÓN

  Esta fuente se caracteriza por su sencillez comparada con las fuentes de los LCD clásicos con tubos CCFL. En efecto el consumo de un 32" es de tan solo 80W y con ese consumo ya no se requieren sofisticaciones tales como las etapas preacondicionadoras y las fuentes múltiples (con dos o tres transformadores de pulsos). 
  Sin embargo, lo común es que los TV LED más modernos, tengan una etapa pre acondicionadora. no por el problema de la carga capacitiva sobre la red, sino por otra razón: reducir aún más la profundidad del gabinete, ya que el pre acondicionador funciona con capacitores principales de 1uF o menos.
  Nuestra fuente esta armada utilizando un circuito integrado de control FAN7602C de solo 8 patas, que no posee llave de potencia interna. Solo provee la excitación para un transistor MOSFET externo y por supuesto la regulación de la tensión de salida y las protecciones.

3.2 REQUERIMIENTOS DE LA FUENTE PULSADA

  La plaqueta main requiere muy pocas tensiones de la fuente; solo 5V y 12V y el excitador de la cadena de LEDs única que posee este aparato y que requiere 145V.
  En cuanto a la potencia requerida es de solo 80W lo que invitó al fabricante a realizar una fuente del tipo fly back muy simple, con capacitores principales de bajo perfil para no incrementar la profundidad del gabinete.
  La fuente no requiere mayor instrumental para su reparación. Desde luego que nunca está demás un osciloscopio, del tipo que sea, analógico o digital desde 10 MHz en adelante. Tal vez, la diferencia mayor entre los dos tipos de osciloscopios, sea la facilidad de memorización de oscilogramas que tiene el digital, lo que le permitirá formar una buena biblioteca de oscilogramas para cuando deba reparar otra fuente. Pero si no posee osciloscopio no se preocupe. Lo puede reemplazar efectivamente por una sonda de RF y un detector para etapa de salida horizontal, que puede encontrar en esta misma página en la sección taller desde donde lo puede bajar gratuitamente.
  Lo más importante para reparar esta etapa es saber cómo funciona y aplicar el método que vamos a explicar aquí­. Si Ud. está pensando: Yo le cambio el CI y listo, le avisamos que no es el principal sospechoso de fallas en esta fuente. El principal sospechoso es el indio Tocapotee porque ante la clásica falla de reinicio, lo primero que hace es empezar a resoldar los componentes de fuente y dañar lo que andaba bien. En una palabra que podemos encontrar cualquier componente dañado y es necesario saber cómo se prueban. No es raro que al reparar la fuente se encuentre con un problema en la memoria flash paralelo. Apriételo al cliente para que confiese si antes de traerle el aparato lo llevó a otro reparador y pregúntele cual era la falla original antes de realizar un presupuesto en el aire.

3.3 EL CIRCUITO DE LA FUENTE Y LAS CARGAS RESISTIVAS DE PRUEBA

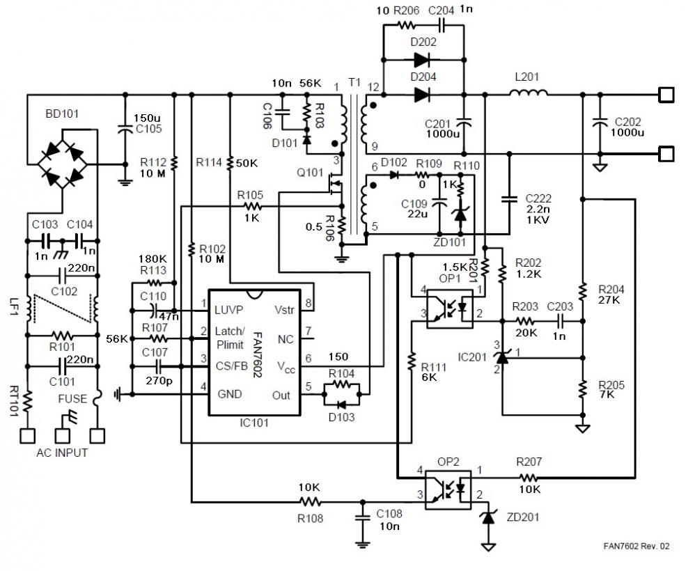
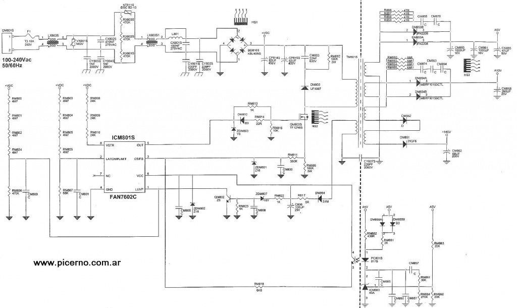
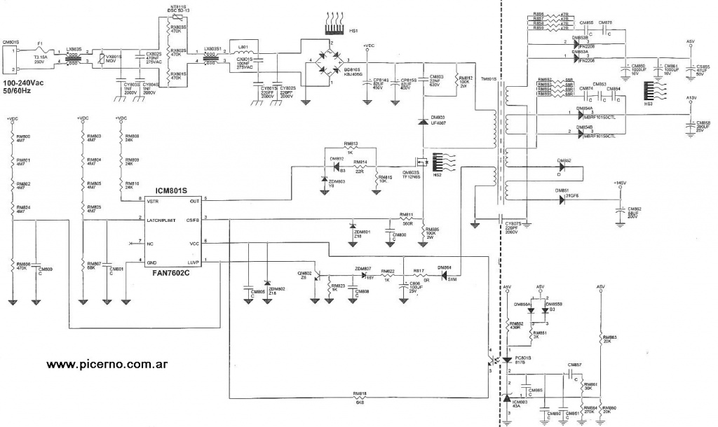
  En la figura 3.3.1 le mostramos el circuito original debidamente procesado para poder leer los valores de los componentes. Este circuito no se encuentra en el manual. Si alguien se lo pide dí­gale que lo baje de la página de Picerno, así­ me ayuda a incrementar el tráfico de visitantes.

 
  Fig.3.3.1  Circuito de fuente principal (Nota: RM885 es realmente de 100 mOhms)

  Este circuito, que llamamos principal, no está controlado por el microprocesador, es decir que cuando se conecta el TV a la red de alimentación, de inmediato se generan las tres tensiones de salida sin ser afectado por el circuito posterior salvo que exista un cortocircuito o un exceso de consumo sobre algunas de las cargas.
  Este TV en particular tiene un  modo de funcionamiento que podemos aprovechar perfectamente en nuestro trabajo de reparador. Se puede desconectar la plaqueta main de la fuente. En ese caso la fuente arranca encendiendo el back ligth. 
  Entonces se pueden medir las tensiones A5V, A13V y +145V si necesidad de conectar ninguna carga resistiva porque los LEDs ya están consumiendo. Esto no es así­ en todos los TV LED y arrancar una fuente tipo fly back sin ninguna carga resistiva puede dañar el MOSFET llave QM803S. El problema es si la cadena de LEDs está abierta y la main esta desconectada. En ese momento la fuente arranca con una carga mí­nima, producida por la sección controlada de la fuente y puede dañarse el MOSFET.
  De cualquier modo si la fuente no tiene la carga adecuada las formas de señal y las tensiones continuas no tienen demasiado valor. Por esta razón es conveniente tener una carga de 1A tanto para la fuente de 5V como para la de 13V. Esto implica un consumo de potencia de 13W (13Vx1A) para la fuente A13V y un consumo de 5W (5Vx1A) para la fuente A5V, que nos pone a salvo de todo problema y nos permite medir las tensiones con precisión. 
  Le recomendamos entonces, desconectar la main de la fuente retirando el conector, conectar las cargas de 5 y 12 ohms. Con el back ligth conectado, conectar la fuente a la red y observar si enciende la pantalla y si hay 5 y 13V; anteriormente ya verificamos que hay 310/155V de la fuente no regulada. Ver la figura 3.3.2.

  Fig.3.3.2  Conexión de la plaqueta a reparar para separar la fuente de la main

  En una falla catastrófica no existe ninguna de las tres tensiones continuas y la pantalla esta apagada. Esto significa que el conjunto llave de potencia y su integrado de control tiene algún problema. Por lo tanto vamos a analizar el funcionamiento de ambos.

3.4 LA LLAVE DE POTENCIA A MOSFET

  Los MOSFET que se usan en las fuentes de alimentación son sin ninguna duda "llaves electrónicas". Por lo tanto tienen algunos parámetros caracterí­sticos de las llaves como ser una resistencia interna cuando están cerradas, una capacidad de soportar tensión cuando están abiertas y una capacidad de soportar corriente cuando están cerradas. Dejando las condiciones de excitación para después, estas caracterí­sticas son las que determinan el MOSFET a utilizar.
  Seguro que Ud. pensará que no hace falta saber nada sobre el funcionamiento del MOSFET, si tengo dudas, voy compro uno y lo cambio. Si Ud. pretende conseguir el repuesto exacto va derecho al fracaso, porque no lo va a poder encontrar dada la enorme cantidad de variantes que hay en el mercado. En general lo más conveniente es formar un stock de MOSFET que no lo obliguen a salir corriendo del taller a cada rato.
  ¿Las caracterí­sticas de este MOSFET se consiguen por Internet? Si, se consiguen pero no hay que buscar la primeras letras del código porque esas letras dependen del fabricante. Yo lo busqué con la palabra de búsqueda "MOSFET  12N65" y lo encontré muy rápidamente. Este archivo lo adjunto para que todos puedan bajarlo de la página.



  Archivo 3.4.1  Especificaciones del MOSFET

  En el copete de la especificación, sale indicado las caracterí­sticas más importantes que son la corriente máxima, la tensión máxima y la resistencia de saturación. Sintéticamente es un MOSFET de 12A x 650V con una Rds = 0,85 Ohms (que es la resistencia entre el drenaje y la fuente a 10V de tensión en la compuerta).
  Con estos valores Uds puede conseguir un MOSFET de canal N (indicado por el sí­mbolo en el circuito) para una corriente superior o igual a 12A y para una tensión igual o superior a 650V con una resistencia interna igual o menor a 0,85 Ohms.
  Cuando vea un MOSFET llave en un circuito, Ud. debe imaginarlo como una llave que se cierra y se abre soportando la I y V de la especificación y que cuando se cierra tiene una resistencia de contacto Rds. Pero una llave debe tener una colilla de control que la opera. El equivalente en este caso es la compuerta del MOSFET que cierra la llave cuando tiene más de 2,5V aproximadamente.
  Esa compuerta no tiene conexión galvánica con el cuerpo de la llave. Se acopla mediante una metalización que genera un campo eléctrico sobre el cuerpo del MOSFET. A todos los efectos esto significa que la compuerta opera como un capacitor a masa y debe ser excitado como tal. 
  ¿Un capacitor de que valor? Eso depende del transistor particular que estamos usando. En este caso si buscamos en la tabla de caracterí­sticas eléctricas está indicado como Ciss (capacidad de entrada a fuente) y es de 1480 pF tí­pica. Este es el parámetro que nos faltaba para encontrar un reemplazo de un MOSFET. Si encontramos uno con igual o menor capacidad seguro que sirve.

3.5  EL CIRCUITO INTEGRADO DE CONTROL

  ¿Qué función cumple el CI de control? Generar una señal rectangular que se aplica a la compuerta del MOSFET. La tensión de esta señal rectangular es siempre del orden de los 12V en su máximo y cero voltio en su mí­nimo. En cuanto a la frecuencia puede ser de frecuencia fija; de una frecuencia variable en dos valores que dependen de la polarización de una pata del CI o de un capacitor que se coloca sobre otra pata. 
  Lo importante es que una vez elegida la frecuencia, la misma no varí­a, en el circuito tipo fly back (casi todos los TV LED lo son) y su valor está entre los 50 KHz para los más viejos hasta los 250 KHz o mas, para los más nuevos (en nuestro Samsung es de 75 KHz).
  El CI debe realizar una de las funciones más importantes, que es el control de la tensión continua de salida. Esto lo realiza con el único parámetro variable que falta en la salida rectangular y que es el periodo de actividad de la señal de compuerta. Si la llave está cerrada mucho tiempo, se transfiere mucha energí­a de los electrolí­ticos de entrada al secundario y se levanta la tensión de salida. Si el periodo de actividad es corto, se transfiere poca energí­a y baja la tensión de salida.
  También debe realizar el control de la corriente circulante por la llave y si es demasiado alta, debe cortar el funcionamiento antes de que se dañe. 
  Una función extra del CI es encontrar algún modo de arrancar con la tensión de 155/310V para luego autoalimentarse desde un bobinado del propio transformador de pulsos.
  Para entender el funcionamiento del CI vamos a presentar primero su diagrama de patas (ver figura 3.4.1) y luego su "pin up" Ver figura 3.5.2 para saber qué función cumple cada pata en forma concisa. 

    Fig.3.5.1 Diagrama de patas del FAN7602

                  
 Especificación del FAN7602  
                        
Nº     NOMBRE        FUNCIONAMIENTO
1 LUVP         Protección de baja tensión de red
2 LATCH/Plimit Es una pata para cortar el funcionamiento si la red o la salida de fuente tienen una tensión demasiado alta.
3 CS/FB         Pata de realimentación para regular la tensión de salida continua. También opera para cortar el funcionamiento cuando se excede la corriente por la llave de potencia.
4 GND Masa
5 OUT                 Salida para la compuerta
6 Vcc                 Alimentación de fuente
7 NC                 Sin conexión
8 Vstr                 Pata de arranque

  Fig.3.5.2   Pin up en Español

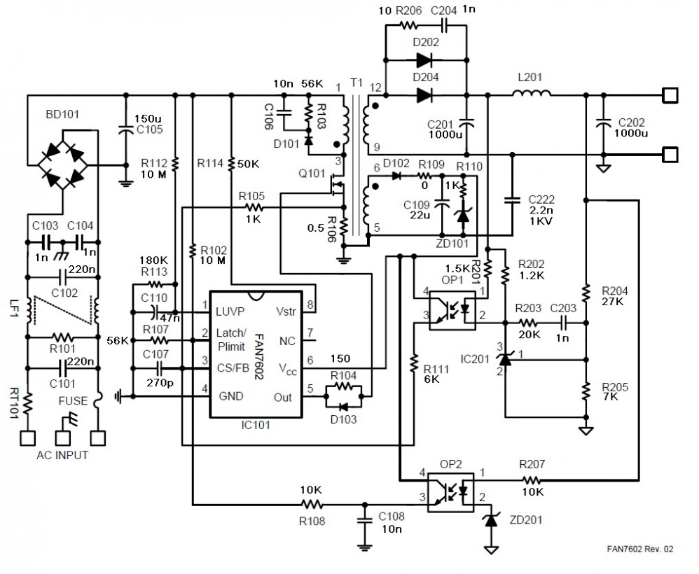
  Para entender el funcionamiento lo mejor es realizar un circuito de aplicación muy sencillo. El fabricante nos da una ayuda con un circuito de una sola tensión de salida que podemos observar en la figura 3.5.3.

  Fig.3.5.3  Circuito de aplicación para una fuente de 13V

  En el circuito observamos que los capacitores C106 y C107 son la fuente no regulada del sistema que alimentan al transformador por la pata 1. La pata 3 es la conexión superior del MOSFET llave Q101 (drenaje). La conexión inferior o (fuente) prácticamente está conectada a masa por el resistor shunt R106 de 0,5 ohms colocado para medir sobre él, una señal proporcional a la corriente de drenaje. 
  El daño más probable en una fuente está en su MOSFET llave y sobre todo en que este abierto o en cortocircuito su canal de conducción. La costumbre lleva a los reparadores a desoldarlo y medirlo con el tester en función óhmetro. Realmente no es necesario desoldarlo completamente. Con cortar la pata de drenaje es suficiente. Esto es importante si se trata de un SMD en donde el drenaje se continúa por debajo del transistor y va soldado a una isla de disipación. En el Samsung el problema es muy simple porque solo hay que cortar con un alicate la pata central. Una medición con el tester como óhmetro entre la pata cortada (punta roja) y masa (punta negra) debe indicar un valor muy alto de resistencia (más de 1 MOhms). A continuación tome la fuente regulada variable, ajústela a 3V y conecte a la compuerta (pata izquierda mirando desde abajo) la punta roja y a masa la negra. La resistencia indicada por el tester debe bajar a menos de 10 Ohms. Si el MOSFET está dañado es muy probable que también lo esté el resistor shunt o por lo menos que este desvalorizado. Con el tester y sin sacarlo de la plaqueta se puede medir si no está cortada. Una medición de su valor solo se puede realizar con un óhmetro especial construido de acuerdo a las indicaciones de mi libro "Instrumentos especiales". 
  La compuerta está conectada a la salida del circuito integrado por medio de un diodo (D103) y un resistor (R104). Ya explicamos que la compuerta de un MOSFET se puede considerar como un capacitor conectado al terminal de fuente. Y que ese capacitor debe cargarse y descargarse para cerrar y abrir la llave. Ahora vamos a agregar que la llave debe pasar de cerrada a abierta lo más rápidamente posible para que la llave no esté nunca en un estado intermedio entre la apertura y el cierre, porque en esos momentos es cuando se genera potencia en la llave y por consiguiente el calor correspondiente.
  La pata 5 (OUT) conmuta entre fuente (13V) y masa. Cuando está en fuente, el capacitor equivalente de compuerta se carga  a 13V a través del resistor R104 porque el diodo esta en inversa. Cuando esta a masa el diodo D103 descarga al capacitor equivalente. Si se abre o desuelda R104 el MOSFET se queda sin excitación y tenemos la falla catastrófica. Pero en este circuito, por lo común falla el diodo y el circuito sigue funcionando, pero no es lo mismo descargar el capacitor equivalente con un diodo, que con un resistor de 150 Ohms; el corte de la llave se torna lento y la llave se calienta y en unas horas se quema.
  Cuando la llave se cierra comienza a circular corriente por el primario del transformador. La corriente no puede crecer de golpe porque el campo magnético que genera el primario produce una señal que se opone a la circulación de corriente. La corriente se incrementa con una pendiente fija que depende la tensión de fuente (155/310V) y de la inductancia del primario L1-3. Cuando la llave se abre el primario reacciona generando un pico de tensión. Para que este pico no queme al MOSFET se agregan los componentes D101, R103 y C106 que operan como amortiguadores de pulsos. C106 queda cargado a un valor que depende de su propia capacidad y del valor de R103 que lo descarga al valor correcto. En una palabra que entre la C y la R forman como una baterí­a variable de modo que la tensión puede subir hasta el valor estipulado y luego opera el diodo limitando la tensión. Demás está decir que una falla en la red de limitación del pulso de drenaje, daña inmediatamente al MOSFET; es decir que se produce un efecto Dominó.
  La corriente que circula a masa por la llave, lo hace pasando por el resistor R106 de 0,5 Ohms generando una tensión en diente de sierra que es representativa de la corriente circulante por la llave. Esa tensión se lleva a la pata 3 para cortar el funcionamiento cuando llegue a un valor predeterminado. Así­ analizamos la sección correspondiente a la llave de potencia.
  Para que el CI enví­e excitación a la llave se deben cumplir varias condiciones. La primera es que debe estar alimentado por la pata 6. Luego explicaremos como arranca el sistema, ahora suponemos que ya arrancó y el bobinado 5-6 genera una tensión que el diodo 102 rectifica y enví­a al capacitor de fuente C109, que si la tensión de salida es correcta se carga a algo más de 13V aproximadamente. El diodo ZD101 de 15V, limita la tensión de salida en caso de una falla de regulación, produciéndose una caí­da en el resistor R109 que el fabricante indica como de 0 Ohms, pero que seguramente es un error y es de 10 Ohms.
  La pata 8 (Vstr) es la pata de arranque. Cuando el TV se conecta a la red la pata 6 no tiene tensión entregada por el transformador. Pero por el resistor R114 le llega una corriente a la pata 8 que internamente le da tensión en forma momentánea a la pata 6, para que el sistema arranque y luego deja de consumir.
Este sistema tiene dos puntos flojos. Uno es que el resistor R114 no presenta buenas caracterí­sticas a los pulsos de tensión si es SMD, inclusive si es de montaje común no suele soportar los pulsos que se le aplican durante una tormenta. En sí­ntesis que es común encontrarlo abierto. En ese caso el circuito está en perfectas condiciones pero le falta el pulso de arranque, que es como la patada de arranque de un motor de moto. En estos casos lo mejor es reemplazarlo por una serie de 4 resistores de 12K 1/8 de W. El otro es que cuando el circuito arranca no hay consumo y la pata 8 queda en el peor de los casos a 310V generando fugas en el circuito impreso si no está bien diseñado. Por esa razón se deja la pata 7 sin uso y directamente falta la patita. Es común que sobre esta pista se junte pelusa ambiental que debe ser limpiada. La forma de probar un problema de arranque es utilizando una fuente externa ajustada en 10V pero aplicada al CI mediante un diodo de fuente 1N4004 con el ánodo para la fuente. De este modo cuando el CI arranca el diodo queda en inversa y el circuito se autoalimenta.
  La pata 1 (LUVP) realiza el sensado de baja tensión de red mediante el divisor de tensión R112 y R113. Cuando la tensión de la pata llega a menos de 2 volt el CI deja de generar salida. Por lo tanto es necesario medir esta tensión como primer punto del método. El capacitor C110 opera como un filtro de pulsos que pueden venir de la red.
  La pata 2 (Latch/Plimit) es una pata de protección que opera en el sentido contrario a la 1. Si la tensión supera los 4V el CI deja de entregar excitación a la llave MOSFET. Como vemos tiene tanto una referencia a la tensión rectificada de red como a la tensión de salida de la fuente. La de red se aplica directamente por medio de R102 que forma un atenuador con R108 y la salida del optoacoplador OP2 que es de baja resistencia. La salida de fuente no se puede aplicar directamente, porque las masas de primario y secundario son diferentes. Por lo tanto se debe usar un optoacoplador. El LED del opto se conecta la salida por medio de R207 para limitar la corriente y a ZD201 (de 13V) para generar la referencia de corte del funcionamiento que en este caso es la tensión de zener mas la barrera del LED interno; aproximadamente 14V.
  La pata 3 es una pata de doble uso. Sirve tanto para cortar el funcionamiento cuando la corriente por el resistor shunt es demasiado alta, como para recibir la realimentación de la tensión de salida para regular el funcionamiento. La separación de las dos señales es fácil de realizar en el interior del CI porque una (la muestra de corriente, es alternada) y la otra, la realimentación de la salida es continua. La realimentación de la salida debe incluir un comparador de la tensión con una referencia estable. Esta referencia es el conocido zener programable IC201 que es un 431 utilizado como un amplificador comparador de alta ganancia. La salida se acopla mediante el divisor R204/R205 que se compara con la tensión interna del zener programable que es de 2,5V. El resistor R202 sirve para polarizar adecuadamente al zener programable, en tanto R201 es el limitador de corriente del LED del operacional. C203 y R203 es una red que limita la respuesta en frecuencia del zener programable para que no oscile en alta frecuencia.
  El Zener programable y el operacional se prueban al mismo tiempo con una fuente regulada de tensión variable. Solo hay que levantar la pata 4 del opto y colocar el tester en función óhmetro sobre las patas 3 (punta negra) y la pata 4 (punta roja). Luego se aplica la fuente regulable externa sobre la salida, con una tensión baja. El óhmetro deberá marcar un valor muy alto, digamos por arriba de 1 MOhm. Ahora se comienza a subir la tensión observando que no hay cambios en la resistencia, hasta llegar a los 13V, momento en que la resistencia puede bajar hasta valores inferiores a 1K. En caso de que esto no ocurra, se deben medir todos los resistores de la sección y si están bien, hay que desconectar directamente el opto y colocar un LED rojo, donde estaban las patas 1 y 2. Vuelva a realizar la prueba pero ahora observando que al llegar a 13V se enciende el LED. Si esto ocurre significa que está dañado el opto y si no ocurre, significa que está dañado el zener programable.
Ahora nos queda por controlar la sección del secundario que es muy simple de verificar, ya que solo contiene un par de diodos D202 y D204 que son diodos rápidos de 100V 20A y un filtro pi con sus capacitores electrolí­ticos C201, C202 y un inductor L201.
  Si toda la sección primaria funciona debemos probar la sección secundaria. Pero como podemos probar que la sección primaria funciona. Primero hay que realizar todas las pruebas que mencionamos hasta aquí­, para asegurarnos que no hay problemas en el circuito de realimentación, en el de recorte del primario, en el transistor, etc. En una palabra que al ser una fuente un circuito fuertemente realimentado, su reparación es muy compleja porque una falla en el secundario puede afectar el circuito primario y perdemos la noción de cuál es el componente fallado. Por eso si Ud. observa bien las explicaciones, todas las pruebas se realizaron sin hacer funcionar el circuito completo, sino por partes o con fuentes externas y además no desoldamos ningún componente. Esto es muy importante no para esta fuente en particular que esta armada con componentes clásicos, sino para las mas nuevas que tienen solo componentes SMD.
  La sección secundaria prácticamente no necesita explicación porque es un simple rectificador con filtro en pi, en donde todos los componentes pueden ser medidos con el tester sin desoldarlos, si tenemos la precaución de desoldar la carga del circuito.
Si realizadas estas pruebas no podemos encontrar al componente dañado, solo nos queda un componente por probar que es el transformador de pulsos, también llamado choper. Para probarlo se requiere el generador que venimos prometiendo desde la entrega 2 de este curso y que vamos a tener en el próximo artí­culo.
En la figura 3.5.4 le damos una ayuda para ubicar el MOSFET y el opto.

  Fig.3.5.4  Ayuda para ubicar componentes importantes

3.6 CONCLUSIONES

  En este artí­culo prácticamente terminamos de explicar el funcionamiento de la sección  de fuente, dedicada a la generación de las tensiones regulada en una fuente con una sola tensión de salida.
  En la próxima entrega vamos a construir nuestro generador de señales para la prueba de fuentes y si tenemos suficiente espacio vamos a explicar los cambios que introduce la fuente de Samsung con respecto a la que explicamos aquí­.





SALIR

Más TV SMART

MEDICIÓN DE SEÑALES LVDS PARTE 7
APLICACION A LA REPARACIÓN DE UN TRIPLAQUETA

EN LA PARTE 7 VAMOS A EXPLICAR COMO SE UTILIZA EL MEDIDOR DE SEÑALES LVDS PARA LA REPARACIÓN DE LA PLAQUETA MAIN DE UN TV TRIPLAQUETA

[+] Leer artículo...    


MEDICIÓN DE SEÑALES LVDS (PARTE 6)
El circuito de medición de las señales

En esta Parte 6 vamos a comenzar a a explicar como se realiza la medición con nuestro amplificador modificado y dotado de puntas especiales para circuitos de pequeñas dimensiones.

[+] Leer artículo...    


MEDICIÓN DE SEÑALES LVDS (PARTE 5)
SEÑALES DE VEDA SOBREMUESTREO Y MEDICIONES

EN ESTE ARTICULO COMENZAMOS COMENTANDO EL TEMA DE LAS NORMAS DE LA TV DIGITAL Y DE QUE MODO AFECTAN LA FORMA DE LA SEÑAL LVDS. lUEGO COMEMZAMOS A TRATAR LOS PROBLEMAS PRACTICOS DE LAS MEDICIONES LVDS QUE SON PRECISAMENTE DE TAMAÑO DE LAS PUNTAS DEL TESTER O EL OSCILOSCOPIO.

[+] Leer artículo...    


MEDICION DE SEÑALES LVDS (PARTE 4)
TODO SOBRE LAS COMUNICACIONES DIGITALES MAS MODERNAS DEL TV

En esta parte 4 le damos el apéndice prometido en la parte 3 pero sobre todo le explicamos el tema de la medición de la señal LVDS comenzando a darle los detalles de como mide nuestra sonda que requerirá mas datos que saldrán en la parte 5.

[+] Leer artículo...    


MEDICIÓN DE SEÑALES LVDS PARTE (PARTE 3)
Entradas de señal

En esta entrega explicamos el funcionamiento de las etapas de entrada HDMI de todas las variedades de TV LCD y los detalles de como realizar el seguimiento de las señales.

[+] Leer artículo...    


MEDICIÓN DE SEÑALES LVDS PARTE 2
LAS SEÑALES LVDS DE ENTRADA Y DE SALIDA

EN ESTE ARTÍCULO LE EXPLICAMOS EN QUE SECCIONES DE UN TV LCD SE UTILIZA COMUNICACIONES LVDS, PORQUE RAZÓN Y DASMOS LAS PISTAS PARA EMPREDER SU REPARACIÓN.

[+] Leer artículo...    


SEÑALES LVDS -PARTE 1
INTRODUCCIÓN

ANTIGUAMENTE LAS SEÑALES DE DATOS DE ALTA VELOCIDAD SE TRANSMITÍAN POR CABLES COAXIALES ESPECIALES DE BAJAS PERDIDAS. CON EL INCREMENTO DEL COSTO DEL COBRE SE BUSCO ALGO MAS ECONÓMICO Y VERSATIL UTILIZÁNDOSE EN LA ACTUALIDAD LOS PARES MÚLTIPLES SIMILARES A LOS TELEFÓNICOS MAS CONOCIDOS COMO MULTIPARES.

[+] Leer artículo...    






El Ing. Alberto Picerno, conocido en toda latinoamerica por sus cursos de Tv y LCD, es el autor mas prolífico sobre Electrónica, con mas de 40 libros tecnicos y cientos de articulos publicados. 

Se inicio en el mundo de la electronica de niño ayudando a su padre que era hobbysta y aficionado a la radio.

Su experiencia temprana le permitio recibirse con medalla de oro al mejor promedio de "Tecnico Nacional el Telecomunicaciones" y posteriormente volvio a obtener la medalla de oro al mejor promedio como "Ingeniero en electronica en UTN"

Leer Mas Aquí



Artículos Gratis
Sobre Electrónica
por Ing. Picerno


Ir a Artículos Gratuitos      


Libros Digitales

Adquiera los mejores
Libros Digitales (Ebooks)
Sobre Electrónica

Ir a Sección Libros      


MAPA DE LINKS:

INICIO - QUIENES SOMOS - ENTRETENIMIENTO - CONTACTENOS

TV: TRC - LCD - Plasma - LED - Smart - OLED

SOLDADURAS: SMD - BGA - Maquinas de Rebaling

TALLER: Puntas de prueba Sonda de RF - Punta de prueba BEBE - Punta de prueba Filtro Pasabajo - Instrumentos Fuentes - Instrumentos Evariac - Instrumentos SuperEvariac - Instrumentos Varios

AUDIO: Amplificadores Analogicos - Amplificadores Digitales - Bafles Caseros

MANUALES: TV TRC - TV LCD - TV Plasma - TV LED - SmartTV - TV Oled - Fuentes de TV - T-COM - Driver de LED - Inverters

EBOOKS

PROGRAMAS: Simuladores de Circuitos Multisim - Simuladores de Circuitos Livewire - Simuladores de Circuitos Proteus - Programas para PICs y memorias Ram

MICROS: Diseñando con PICS 1 - Diseñando con PICS 2

OTROS ARTICULOS

ARTICULOS DE LA A A LA Z

Ingeniero Alberto Picerno - Av. 2 de Abril 1140 - Burzaco - Buenos Aires - Argentina - Tel: (011)3974-4393
Artículos y Ebooks de Electrónica - Todos los Derechos Reservados - 2026

Diseño y Hosting RCH
rch.com.ar - redcomser.com.ar