Inicio Quienes Somos Entretenimiento Contáctenos Como Comprar los Ebooks
Ingresar Registrarse
Artículos Gratuitos sobre electrónica básica y avanzada y venta de libros electrónicos.

TV LED
REPARACIÓN DE UN TV RCA CON FALLA DE DISEÑO
MODIFICACIÓN DE LA FUENTE

por ING. PICERNO




Tamaño A+ A-


1 INTRODUCCIÓN

Estos equipos tienen una falla que parece extraña pero finalmente es fácil entender su problema Se trata del modelo L32S96DIGI y la falla se produce solo cuando el TV se desconecta de la red o se produce un corte de luz. 
Cuando se reconecta el TV queda apagado y son inútiles los esfuerzos por encenderlo desde el control remoto o la tecla de encendido.
La falla no es permanente; en un lapso de tiempo que varí­a desde una media hora hasta un dí­a o más el TV vuelve a encender sin ningún problema.
Si mirar el circuito podemos decir que seguramente se trata de un capacitor electrolí­tico de alto valor que queda cargado ya que es lo único que puede generar unas constantes de tiempo tan altas cuando no tiene una carga resistiva incluida
    
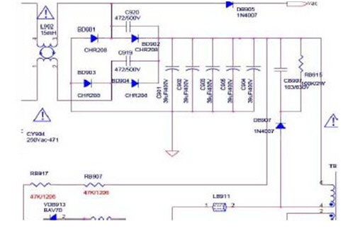
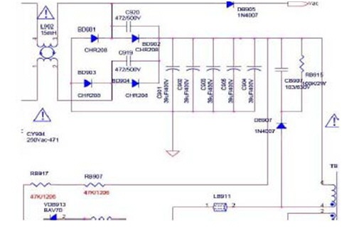
2 CIRCUITO DE FUENTE

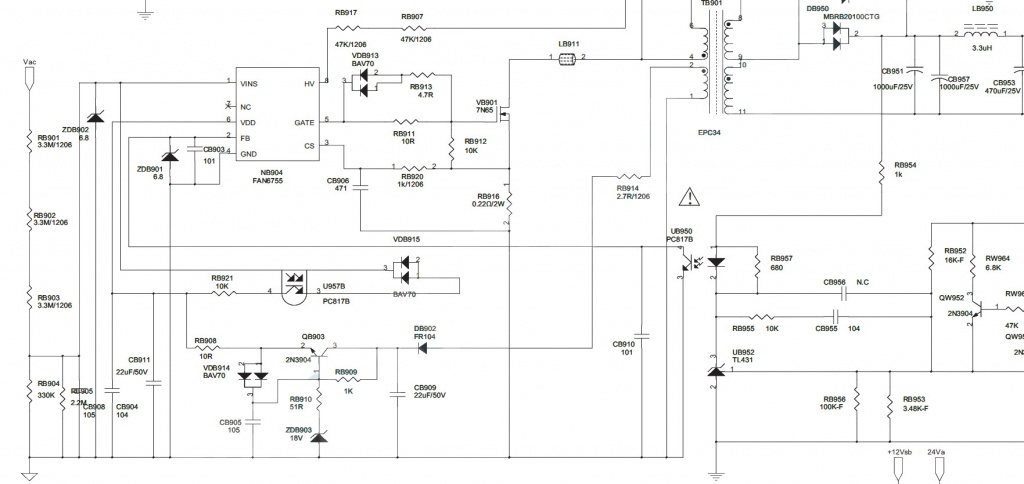
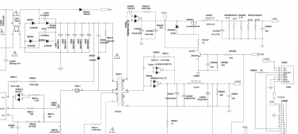
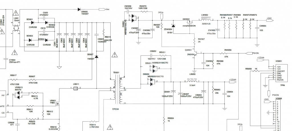
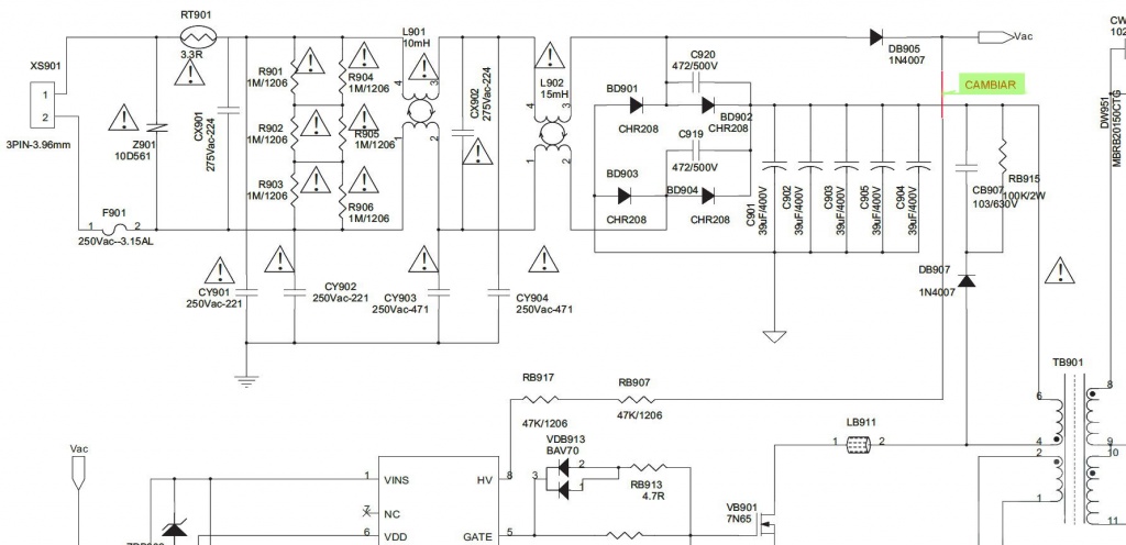
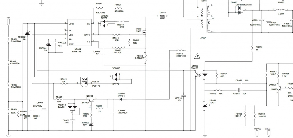
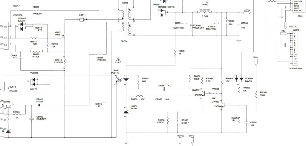
Casi sin análisis previo podemos suponer que la falla está en la fuente de alimentación por lo que en la figura 2.1 mostramos el circuito correspondiente.

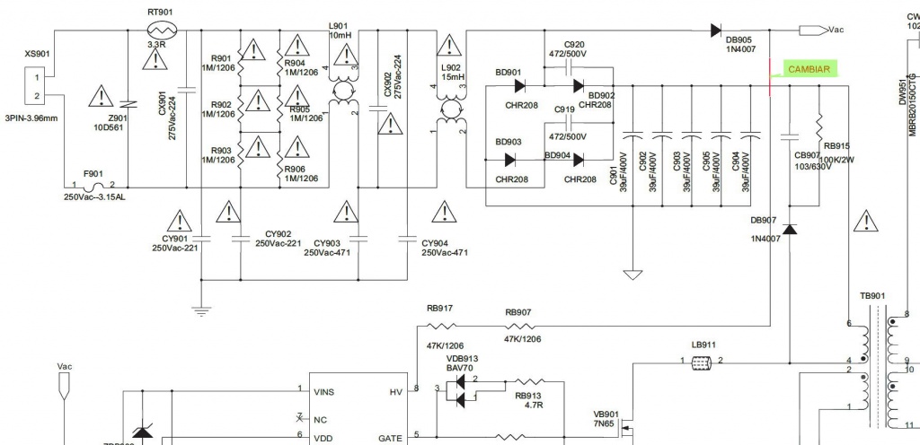
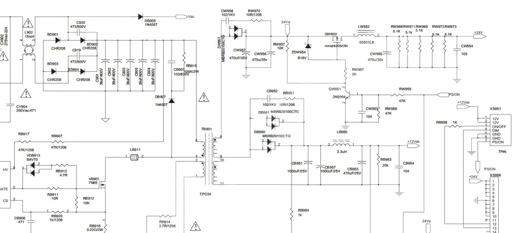
  FIG.2.1 Circuito de la fuente principal

El transformador de entrada es en realidad el filtro de RF es decir que está conectado directamente sobre la red. Por lo tanto los capacitores principales que en este caso son 5 de 39 uF por 400V se cargan a un valor de 310V sobre una red de 220V.
Esta tensión alimenta al transformador principal pero es obvio que en corte de energí­a esa fuente no funciona y por lo tanto no hay consumo. El consumo por los resistores R8907 y R8917 es también muy bajo por lo tanto los capacitores se quedan cargados por mucho tiempo. Estos resistores son precisamente los que llevan la energí­a del los capacitores al resto del circuito para que se mantenga en la condición de inoperante.
Una prueba elemental de responsabilidad se puede generar conectando un resistor sobre los capacitores que genere una constante de tiempo baja. Por ejemplo para generar una constante de tiempo de 10 segundos se debe usar un resistor de R = 10Seg / 200uF = 50K. Esto nos sirve para probar que el problema es la carga de los 5 capacitores de fuente pero es una solución que disipa prácticamente 2 W en forma permanente mientras el TV está conectado a la red.
Por esa razón el servicio tecnico indica una solución alternativa.

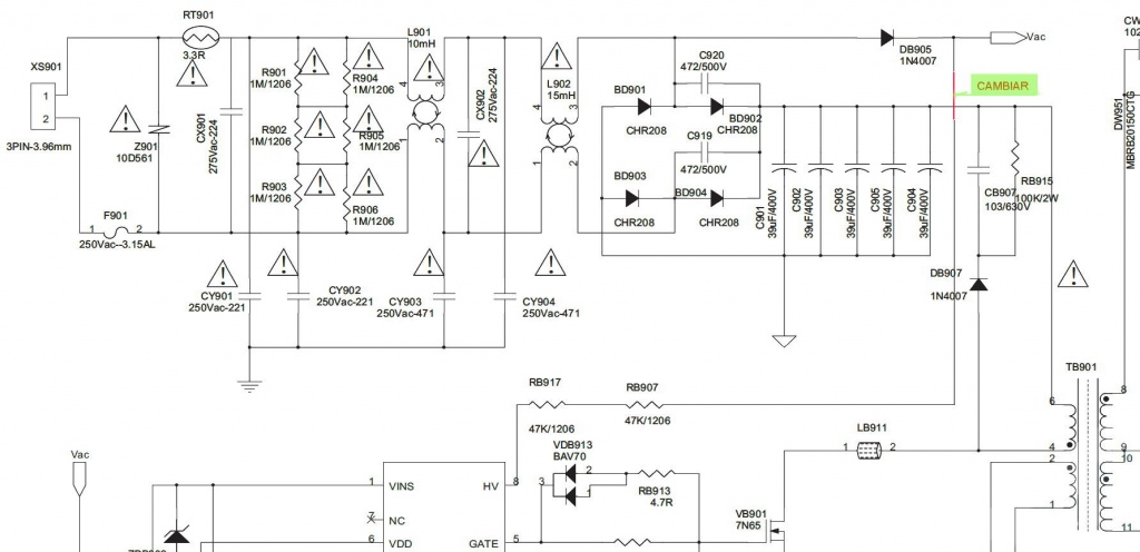
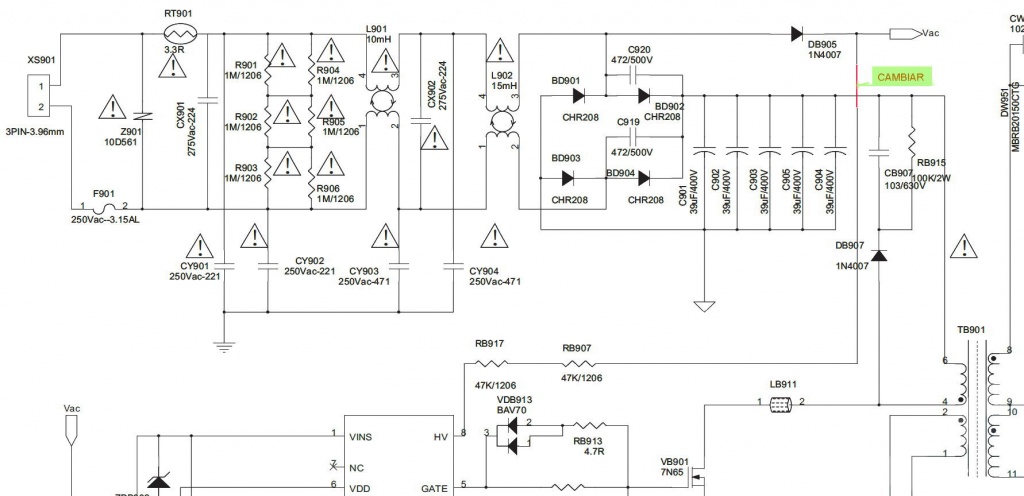
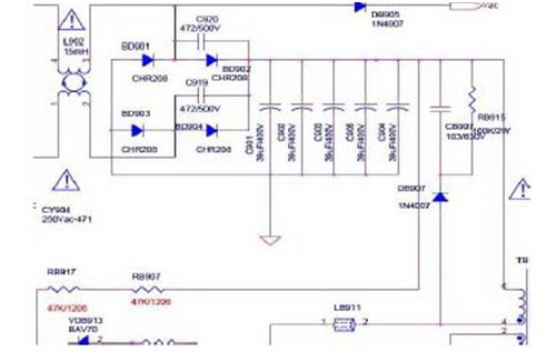
3 CIRCUITO MODIFICADO

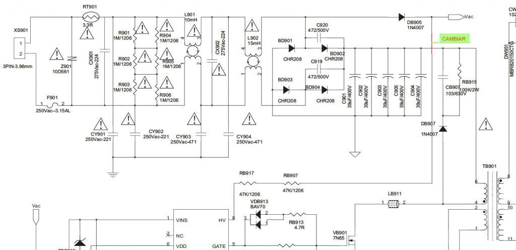
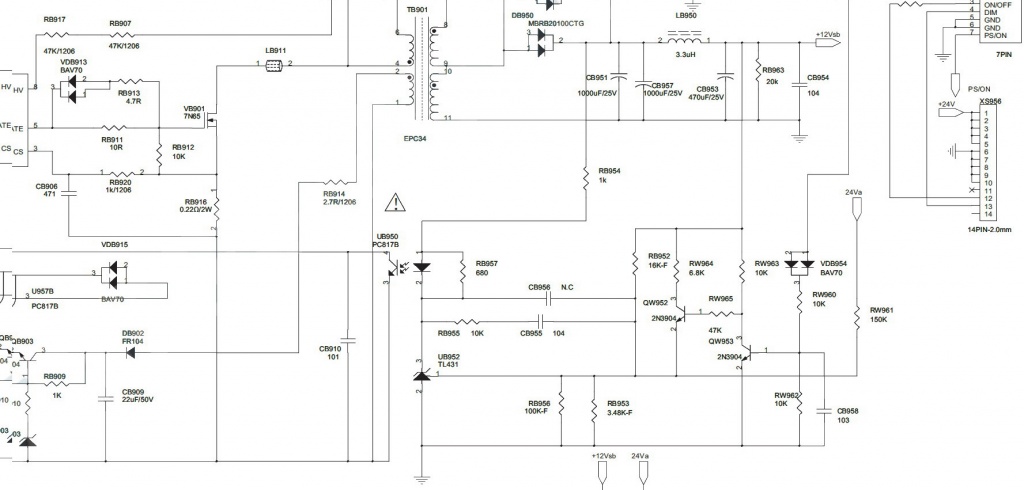
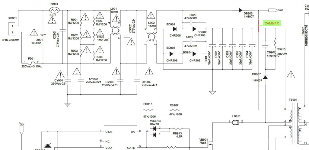
En la figura 3.1 se puede observar la modificación del circuito que consiste en utilizar como energí­a para el resto del circuito la entregada por el diodo auxiliar DB905 que casi no tiene capacidad asociada.

   
  Fig.3.1  Circuito modificado 

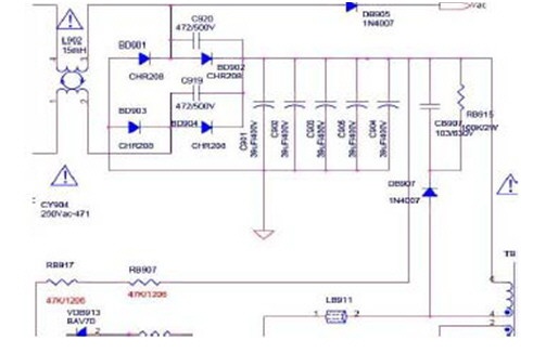
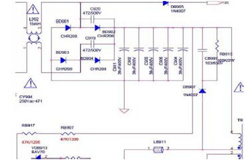
Observe toda la modificación consiste en realizar un corte en el circuito impreso y agregar un cable para conectar RB907 al diodo auxiliar DB905.
En la fig.3.2 se puede observar un detalle de la modificación sobre la plaqueta.
Fig.3.2    Modificación sobre la plaqueta

4 MODIFICACIONES ASOCIADAS

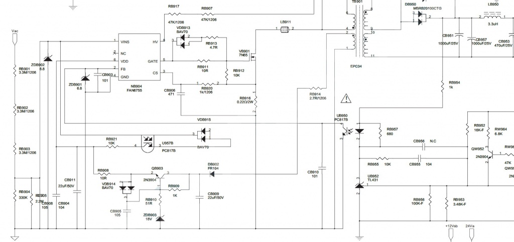
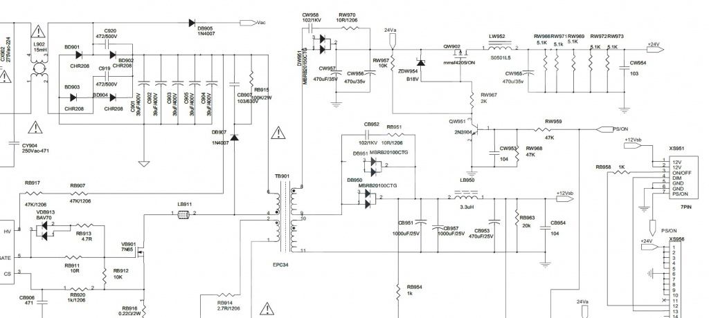
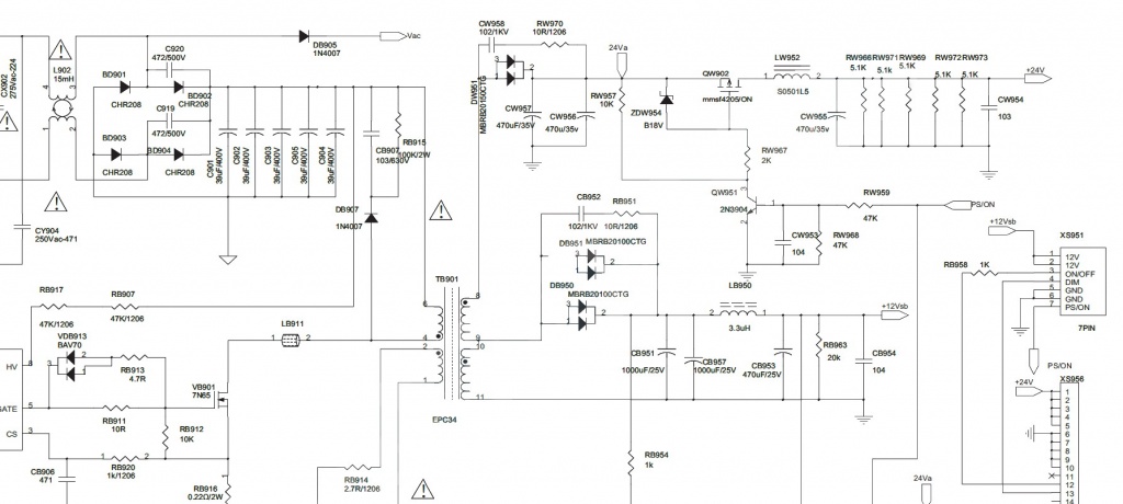
Sin ninguna explicación se aconseja también cambiar el diodo zener ZD954 de 13V por otro de 15V en el circuito que mostramos en la figura 4.1

 
Fig.4.1 Cambio del nivel de protección

Este circuito es un circuito de protección que opera para detectar sobretensión en las salidas de fuente +12Vsb y  24Va. Con el diodo original el circuito limita con una tensión de salida de 13,5V y luego de realizar el cambio queda limitando a 15,5V. Suponemos que el cambio obedece a que en alguna condición de temperatura y durante el arranque la tensión de salida superaba al nivel de detección y la fuente cortaba al arrancar.

5 CONCLUSIONES

Cuando un TV falla por un error de diseño suele enloquecer a todo el gremio hasta que el servicio tecnico de la marca emite alguna nota de corrección "Absolutamente Confidencial". 
Esto es por supuesto algo totalmente ilegal, me refiero a la confidencialidad porque una empresa no puede lucrar con un producto que ya vendió. Pero por las dudas le pide que no divulgue mucha esta información. Solo a sus amigos y conocidos sin olvidarse de indicar la fuente de procedencia para incrementar el tráfico de mi página.
Ahora hablando en serio, no es común que ocurran graves errores de fabricación, pero los hay y si una empresa es seria, como en este caso no puede dejar de indicar como se debe reparar ese error.

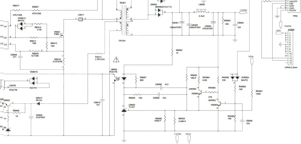
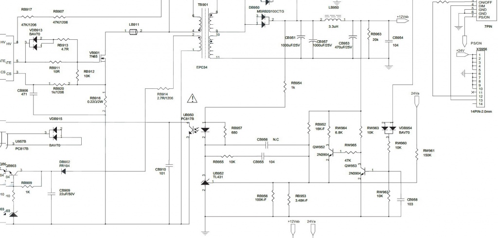
6  APENDICE I – CIRCUITOS DE FUENTE CON BUENA DEFINICIÓN

Los circuitos que vienen junto con el informe de la falla tienen muy poca definición, así­ que adjuntamos circuitos de nuestra biblioteca propia para que los lectores tengan algo más que un informe de la falla especificada. En lo posible vamos a agregar circuitos a nuestros informes para engrosar el archivo personal de nuestros lectores.
En nuestro caso es imposible colocar el circuito en una sola hoja así­ que los dividimos en cuatro partes.

 
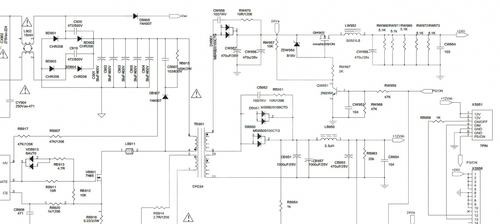
Fig.6.1  Fuente sección A

 
Fig.6.2  Fuente sección B

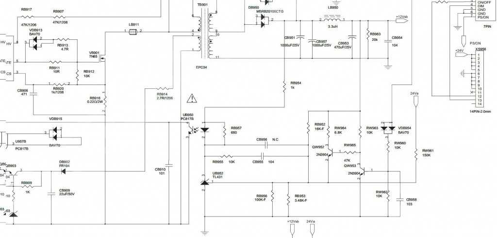
Fig.6.3  Fuente sección C

Fig.6.4 Fuente sección D

 
Fig.6.5  Fuente sección E












 






SALIR

Más TV LED

CHARLAS DE REPARACIÓN DE FALLAS EN PLAQUETAS MAIN GENERICAS (2)
Reparaciones genéricas

EN ESTE ARTÍCULOS CONTINUAMOS INDICANDO LA REPARACIÓN DE FALLAS GENÉRICAS EN LA PLAQUETA MAIN.

[+] Leer artículo...    


charlas sobre reparación de TV (1)
Todo sobre la plaqueta main

AQUI COMENZAMOS UNA SERIE DE CHARLAS SOBRE LA REPARACIÓN DE LCD Y SMART QUE LE PERMITIRÁ AL LECTOR ADENTRARSE EN LAS MEDICIONES QUE SE PUEDEN REALIZAR EN LAS DIFERENTES PLAQUETAS DEL TV Y COMO ACCIONAR EN CONSECUENCIA PARA REPARARLAS ANTES DE CAMBIARLAS.

[+] Leer artículo...    


LA MEMORIA DEL D5500 EN EL 3/2019 (2)
SEGUNDA PARTE

CON ESTA ENTREGA TERMINAMOS DE ACLARAR EL PANORAMA QUE LES ESPERA A LOS POSEEDORES DE SAMSUNG D5500 Y MATIZAMOS LA ESPERA DE BUENAS PARTIDAS DEL PRODUCTO, CON UNA EXPLICACIÓN CLARA DE LO QUE ES UNA MEMORIA fLASH. Y HACEMOS UN CORTO COMENTARIO SOBRE LA GUERRA COMERCIAL EE/UU VS CHINA Y COMO NOS AFECTARÁ

[+] Leer artículo...    


LA MEMORIA DEL D5500 EN EL 3/2019 (1)
MAS PROBLEMAS CON LA FLASH PARALELO

CUANDO TODO PARECÍA TRANQUILO VUELVE A SER NOTICIA LA MEMORIA FLASH SERIE DE ESTE VIEJO CONOCIDO DE TODOS LOS REPARADORES. CUANDO LA VA A COMPRAR LE DICEN: "NO TENGO STOCK" O LE DICEN QUE TIENEN STOCK PERO LE RECUERDA QUE EL MATERIAL NO TIENE GARANTÍA SI LAS PATAS ESTÁN ESTAÑADAS (Y COMO PRETENDEN QUE LA CONECTEN)

[+] Leer artículo...    


PORQUE SE QUEMAN LOS SUPERLED RECAMBIADOS
TODO SOBRE LA REPARACIÓN DE BACK LIGTH

NO HAY NADA DE MAYOR ACTUALIDAD QUE ESCRIBIR SOBRE BACK LIGTH. MIRANDO EN MI LABORATORIO Y HACIENDO UN RECUENTO ME ENCONTRE CON QUE LA MAYORIA DE LOS TVs MAS MODERNOS; LOS MAS FINITOS ESTAN TODOS POR PROBLEMAS DE BACKLIGTH. ASI QUE DECIDÍ DARLES UNA MANO PARA REPARAR LOS QUE SEGURAMENTE TIENEN EN SU PROPIO TALLER.

[+] Leer artículo...    


LED DE BACK LIGTH QUE SE VUELVEN A QUEMAR (1)
UNA REPARACIÓN DE BACK LIGTH BIEN HECHA

CUANDO INGRESA UN TV CON PROBLEMAS EN EL BACK LIGTH EL REPARADOR SABE QUE ES COMO TIRAR UNA MONEDA AL AIRE. sI EL PROBLEMA ESTA EN EL EXCITADOR DE LEDs Y ES DE SOLUCION RELATIVAMENTE FACIL O ESTA EN LOS LEDs Y TIENE QUE TRABAJAR MUCHO Y BIEN PARA OBTENER UNA SOLUCIÓN DEFINITIVA.

[+] Leer artículo...    


RESPUESTAS A PREGUNTAS DE TV 01
PRUEBAS INICIALES A UN TV LED

UNO DE LOS MIEMBROS DE MI PAGINA ME REALIZÓ UNA PREGUNTA, QUE ME PARECIÓ QUE PODIA SER DE INTERES GENERAL. ASI QUE LA VAMOS A CONTESTAR AQUI EN FORMA DE corto ARTÍCULO. EL TEMA ES INTERESANTE PORQUE EL QUE REPARA TV LED HABITUALMENTE COMIENZA HACIENDO ALGUNAS PRUEBAS AUTOMATICAMENTE Y A VECES NI SE DA CUENTA QUE LAS HACE. ASI QUE MIENTRAS REVISABA UN TV LED LAS ESTOY ESCRIBIENDO. ACLARO QUE ESTE NO ES EL ÚNICO MÉTODO POSIBLE, CADA REPARADOR LO ACOMODA A SU COMODIDAD Y AL INSTRUMENTAL QUE POSEE.

[+] Leer artículo...    






El Ing. Alberto Picerno, conocido en toda latinoamerica por sus cursos de Tv y LCD, es el autor mas prolífico sobre Electrónica, con mas de 40 libros tecnicos y cientos de articulos publicados. 

Se inicio en el mundo de la electronica de niño ayudando a su padre que era hobbysta y aficionado a la radio.

Su experiencia temprana le permitio recibirse con medalla de oro al mejor promedio de "Tecnico Nacional el Telecomunicaciones" y posteriormente volvio a obtener la medalla de oro al mejor promedio como "Ingeniero en electronica en UTN"

Leer Mas Aquí



Artículos Gratis
Sobre Electrónica
por Ing. Picerno


Ir a Artículos Gratuitos      


Libros Digitales

Adquiera los mejores
Libros Digitales (Ebooks)
Sobre Electrónica

Ir a Sección Libros      


MAPA DE LINKS:

INICIO - QUIENES SOMOS - ENTRETENIMIENTO - CONTACTENOS

TV: TRC - LCD - Plasma - LED - Smart - OLED

SOLDADURAS: SMD - BGA - Maquinas de Rebaling

TALLER: Puntas de prueba Sonda de RF - Punta de prueba BEBE - Punta de prueba Filtro Pasabajo - Instrumentos Fuentes - Instrumentos Evariac - Instrumentos SuperEvariac - Instrumentos Varios

AUDIO: Amplificadores Analogicos - Amplificadores Digitales - Bafles Caseros

MANUALES: TV TRC - TV LCD - TV Plasma - TV LED - SmartTV - TV Oled - Fuentes de TV - T-COM - Driver de LED - Inverters

EBOOKS

PROGRAMAS: Simuladores de Circuitos Multisim - Simuladores de Circuitos Livewire - Simuladores de Circuitos Proteus - Programas para PICs y memorias Ram

MICROS: Diseñando con PICS 1 - Diseñando con PICS 2

OTROS ARTICULOS

ARTICULOS DE LA A A LA Z

Ingeniero Alberto Picerno - Av. 2 de Abril 1140 - Burzaco - Buenos Aires - Argentina - Tel: (011)3974-4393
Artículos y Ebooks de Electrónica - Todos los Derechos Reservados - 2026

Diseño y Hosting RCH
rch.com.ar - redcomser.com.ar