Inicio Quienes Somos Entretenimiento Contáctenos Como Comprar los Ebooks
Ingresar Registrarse
Artículos Gratuitos sobre electrónica básica y avanzada y venta de libros electrónicos.

EBOOKS
EL REY MICRO
SIMIL EN UN PUEBLO DE LA EDAD MEDIA

por ING. PICERNO




Tamaño A+ A-

1.0  DEDICATORIA Y PRÓLOGO

Este libro está dedicado a un amigo que me soporta hace unos 10 años y a su grupo de colaboradores que me soportan con su misma idiosincrasia.
Un dí­a, hace unos 10 años, recibí­ un correo electrónico de un Uruguayo al que solo conocí­a por su obra, la pagina de yoreparo.com. Era Mauricio Etcheverry que mediante uno de sus colaboradores que viví­a en la Argentina me pedí­a si lo podí­a recibir para comer un asado y hablar de un probable trabajo para su página.
Y así­ concertamos que yo comenzara a escribir en yoreparo 5 páginas de un curso básico de electronica y otras cinco de un curso superior de TV (en esa época de TRC).    
Hablamos durante una hora y al salir de la parrilla pensé que, no sabí­a si mis cursos tendrí­an éxito pero que no me importaba; por lo menos, habí­a ganado un amigo. Quedamos en que yo escribirí­a un capitulo de 5 páginas por mes de cada curso y después hablábamos en función del resultado.
Las dudas que tení­amos ambos, era como recibirí­an los socios y visitantes de "yo reparo" esos cursos que no eran el material acostumbrado de la página. En efecto, en general los que navegan las páginas de electrÓnica dedicadas a los reparadores, buscan información especí­fica sobre una determinada falla de una determinada marca y modelo de TV. El material de los foros es clásico, no suele tener ninguna elaboración; alguien pregunta y otro contesta en forma de telegrama, cuáles son sus experiencias sobre lo preguntado, o le enví­a un circuito, etc.. Parece todo muy práctico y concreto para el reparador. Pero la electrónica se estaba complicando cada vez más y no existí­an respuestas para todos los casos de fallas.
Habí­a llegado el momento de reparar pensando, de desarrollar tácticas de trabajo que permitieran reparar aquellas fallas que se presentaban por primera vez y yo pensé que quizás muchos reparadores no estaban suficientemente preparados para entender el curso superior de TV y por eso los dos cursos, uno para los principio básicos de la electrónica y otro para su aplicación a la reparación de TV. 
El resultado fue que un mes después recibí­ la única sugerencia que me hiciera Mauricio sobre los cursos. En lugar de 5 páginas de cada uno me pidió 10 porque esa sección de la página era muy concurrida. Como hay 50 clases de cada curso y cada clase tiene 10 páginas tenemos rondando por allí­ unas 1000 páginas gratuitas para nuestro sufrido gremio. Y todo, gracias mí­ querido amigo Mauricio que confió e invirtió para mejorar el nivel de conocimientos de los navegantes de su página.
En aquel asado memorable luego de resolver el tema de los cursos, Mauri me dijo: Albert, vos tenés un prestigio y unos antecedentes enormes en tu paí­s, yo te voy a hacer conocido en todo el mundo de habla Hispana. Y palabra de Uruguayo, hoy soy conocido en todo América de habla Hispana y en España y en todas sus colonias.
Por eso esta obra está dedicada a mi amigo Mauri, que tal vez es el amigo menos frecuentado personalmente, pero el que más quiero comunicado a través de Internet.

PROLOGO

Y ahora un corto prologo a esta nueva categorí­a de libros. Esta es la versión II de "El rey micro", la versión I ya quedó enterrada por el polvo del tiempo. Pero el micro es siempre el micro y tiene cosas que no cambian y que supongo no van a cambiar en el futuro. Es decir que el Rey es siempre el mismo personaje, pero vestido de otro modo, para ser moderno dirí­amos que "agiornado" según los usos y costumbres de la actualidad, es decir considerando los TV TRC pero agregando los LCD, PLASMA, LED, SMART y OLED y todo lo que venga después porque seguramente va a ser una electrónica comandada por un micro. Hay cosas que las vamos a mencionar ahora y las vamos a aplicar en el resto del libro. Por ejemplo la tensión de fuente de los micros ahora puede ser de 5V en los modelos viejos pero de 3,3V en los nuevos para realizar un ahorro de energí­a. Nosotros vamos a poner solo 5V pero el lector sabrá que puede ser también de 3,3V.
Y el nombre de microprocesador lo pasare a micro para ahorrar yema de dedos.
¿Pero que es esto de comparar el micro con un rey?
Es increí­ble las similitudes que tienen sus comportamientos y vamos a aprovechar eso para que los conceptos sobre su funcionamiento queden marcados en la mente del lector. Con este libro pretendo enseñarle y divertirlo, ya que le puedo asegurar que aquellos conocimientos adquiridos en un ambiente de cordialidad y fino humor, son los que quedan grabados a fuego en la memoria, sin necesidad de estudiarlos con el método clásico de la relectura. Si tiene alguna duda, piense cómo hace para recordar tantos cuentos subidos de tono, con sólo haberlos escuchado una sola vez.
Amigo lector, si Ud. me conoce desde la primera hora, lo invito a releer la que considero una de mis mejores series completamente actualizada y renovada. Si Ud. recién me conoce, le doy un apretón de manos y le pido perdón anticipadamente por mis veleidades de escritor de novelas.

1.1 INTRODUCCION

Hace mucho tiempo que el autor quiere escribir un libro sobre micros en electrónica de entretenimiento. Muchos son los reparadores que, ante una falla en la sección del microprocesador, se desconciertan y pueden terminar cambiando un circuito integrado de 80 patas  en un TV TRC o 640 en un TV LED cuando, en realidad, sólo hací­a  falta cambiar un componente periférico del mismo.
En este artí­culo no le vamos a explicar cómo funciona un microprocesador dirigido por dentro. Vamos a tratar el microprocesador como una caja negra con gran cantidad de patitas, como si fuera una compuerta lógica muy compleja. Determinadas señales de entrada producirán las correspondientes señales de salidas, de acuerdo a una compleja tabla de verdad, memorizada en el microprocesador como un programa de computadora.
Sintetizando ¿Por qué el rey micro? Simplemente porque el comportamiento de un  micro se parece enormemente a ese personaje de la edad media, que decidí­a todo en función de lo que decí­an sus soplones, pero que jamás realizaba personalmente la más mí­nima tarea.
El reino dependí­a del rey, tanto como un TV depende del micro.
Todo se efectúa a través de él con diligencia y precisión, en tanto el mismo rey y su corte (los componentes periféricos) funcionen correctamente. 
Hagamos entonces un simulacro resumido en este articulo y si el tema le
parece interesante tratado de esta forma, lo invito a escribirme utilizando la entrada "Contáctenos" de la pagina inicial.

1.2 ¿UN REY PARA CADA COMARCA?

En la introducción mencionamos la frase "microprocesador dirigido" sin
explicar su significado. Un micro puede ser dirigido o de uso general. Un micro de uso general debe recibir un programa de trabajo para cumplir con una función especí­fica. Cuando este programa queda grabado permanentemente allí­, podemos decir que se transforma en un micro  dirigido. Es un rey pero para un solo tipo de comarca; si lo sacan del llano y lo mandan a la montaña no sabe que hacer. Ver figura 1.2.1.
  Fig.1.2.1. Transformación de un micro general a uno dirigido
Primero observemos que dividimos al micro en dos partes, microprocesador de usos general y programa. En los micros chicos el programa puede estar grabado en una memoria interna al mismo. En micros mas grandes el programa puede estar dividido parte afuera en una memoria y parte adentro. Y en los micros mas grandes siempre existe una mí­nima parte adentro y un bruto juego de memorias (de todos los tipos conocidos) afuera como por ejemplo en los LED, SMART y OLED que a partir de aquí­ llamaremos LED++. Estas memorias son del tipo no volátiles, es decir que conservan su contenido aunque se les desconecte la fuente, lo cual es totalmente intuitivo porque en caso contrario nos quedamos sin programa operativo al desconectar el TV de la red.
Ahora veamos el concepto del "uso dirigido". Si el programa está dirigido al control de un horno de microondas, el microprocesador no podrá realizar otra función más que ésa. Tan es así­ que a los primeros números de su nombre, que son los que dependen de su construcción interna, se le adicionan otros de acuerdo a su programa de trabajo interno, que se llaman "extensión" o "máscara". En una palabra, que el cuerpo del rey puede ser el mismo pero su comportamiento difiere según se lo use para controlar un TV o un DVD. En realidad, podrí­amos decir que hay varios cuerpos (hardware o circuito interno) que podrí­amos considerarlos estandarizados y una infinita variedad de programas (disfraces) para cada cuerpo. Eso si el programa está dentro del micro parcial o totalmente; porque hay casos (por ejemplo los LED++ en donde el programa operativo de los mismos se encuentra fuera del micro, en un juego de memorias que se llaman Flash por su velocidad de trabajo y que generalmente son cuatro: 2 EEPROM, una flash serie y una paralelo. 
Una comarca pequeña se puede controlar con un rey chico (por ejemplo, un termómetro digital puede diseñarse con un microprocesador PIC de 8 patitas y un Display inteligente) pero una comarca grande puede necesitar un rey grande (un centro musical puede requerir un microprocesador de 60 patas). No podemos decir cuantas patas requiere un LED++ porque el micro está alojado dentro de un circuito integrado BGA que cumple funciones múltiples del procesamiento de señales (por lo general del orden de 600 patas).

1.3 EL ALIMENTO DEL REY

Esa imagen del rey mordisqueando con gula una pata de pollo es la mejor representación del consumo de un microprocesador. El rey consume por bocados. Un microprocesador consume por pulsos ya que en su interior sólo tenemos llaves electrónicas que se cierran y se abren y que consumen sólo durante las conmutaciones ya que: cuando una llave está abierta casi no circula corriente por ella y cuando está cerrada casi no hay tensión sobre la misma; una llave solo puede consumir un valor apreciable cuando pasa de un estado a otro. Ver figura 1.3.1.
Fig.1.3.1 El consumo de fuente de un micro

Luego vamos a ver que esas conmutaciones no ocurren en cualquier instante, sino que ocurren al ritmo de una señal de frecuencia fija. Pero puede ocurrir que cambien de estado todas las llaves o no cambie ninguna (es improbable pero no es imposible)  Todo esto significa que la fuente de un microprocesador debe soportar picos de consumo e instantes de consumo casi nulos con un margen de regulación realmente estricto. En una palabra, que la fuente debe ser regulada y presentar baja impedancia a los pulsos de consumo. La regulación corre por parte de un circuito electrónico, pero la baja impedancia a los pulsos siempre se consigue con un juego de tres o más capacitores, ubicados por lo general, al lado del microprocesador. Ver figura 1.3.2.
Fig.1.3.2   Circuito de filtrado de fuente

C1 es un capacitor electrolí­tico, responsable de mantener la baja impedancia a las frecuencias comprendidas entre 1KHz y 50KHz. El capacitor C2 es de poliéster metalizado o SMD cerámico multicapa y presenta baja impedancia a las frecuencias centrales desde 30KHz a 300KHz. El capacitor C3 mantiene la baja impedancia a frecuencias superiores a los 100KHz y es un cerámico disco o un SMD cerámico multicapa. L1 es un pequeño choque que evita que picos de alta frecuencia ingresen a la fuente regulada, ya que ésta los puede magnificar a través de sus redes de realimentación. Este choque no es imprescindible y de hecho falta en algunos equipos.
¿Qué puede ocurrir si alguno de los capacitores se abre o el choque tiene espiras en cortocircuito? Puede ocurrir que el +B tenga lo que se llama ripple lógico (picos de frecuencia diferentes a la frecuencia de red o sus armónicos que aparecen en forma aleatoria). En este caso, el microprocesador funcionará también en forma aleatoria y no cumplirá con su programa normal. No se puede predecir cuál será la falla del equipo y, además, puede producir diferentes fallas en diferentes momentos. En una palabra, que el rey se vuelve loco porque su alimento está en mal estado.
Use el osciloscopio conectado directamente entre la fuente y la masa del
microprocesador para detectar el ripple lógico, pero recuerde que pueden producirse pulsos superiores a la frecuencia máxima del osciloscopio. En casos extremos lo indicado es reemplazar los tres capacitores y el choque.
La red de la figura 1.3.2 es la red mí­nima. En los LED y los Smart el capacitor electrolí­tico suele estar  reemplazado por 3 o cuatro capacitores cerámicos multicapa de 10 uF en paralelo por un problema del perfil de la plaqueta, ya que el TV debe ser muy poco profundo. En los LCD lo normal es usar 3 capacitores electrolí­ticos axiales de bajo diámetro.
   
1.4 LA ORGANIZACION DE LA CORTE

Ya dijimos que el rey solamente decide. No va por la comarca observando las ovejas, ni se hace cargo de cerrar la puerta del castillo por la tarde. El rey tiene un conjunto de informadores que le indican cómo se desarrollan todas las actividades del reino y opera según esos informes a través de correos y vasallos.
El equipo a controlar tiene sensores distribuidos adecuadamente por todo su entorno. Se trata de sensores de posición mecánica, medidores de humedad, sensores de sobreconsumo, salidas de control de los circuitos integrados, etc. Según estas señales ingresan al microprocesador, opera en consecuencia a través de actuadores mecánicos o de patas de control de los circuitos integrados que, a su vez, operan motores o modifican el procesamiento de señales. El microprocesador puede dar órdenes directamente o a través de su bus de comunicaciones, eso depende de la velocidad con que debe efectuarse esa acción.

1.5    BORRON Y CUENTA NUEVA

El rey micro es sumamente ordenado. No deja nada librado al azar y siempre da los mismos pasos para cumplir con el programa establecido. Para que el rey no se confunda, las secciones de la corte deben comenzar siempre con el mismo protocolo.
Siempre comienza preguntándole al mismo informante y operando sobre el mismo vasallo para que realice un trabajo. Esto significa que su programa debe iniciarse muy ordenadamente con sus soplones sentados esperando la orden de dar su informe. En el equipo electrónico la orden de comienzo del programa la realiza un circuito llamado de RESET (reinicio) que por lo general es un circuito externo. La función del reset es ubicar todos los contadores internos en cero apenas le llega la tensión de fuente. Esto hace que el programa de trabajo se cumpla a partir del primer paso de programa (contador de pasos de programa en cero) y que las memorias internas tengan acumulados valores iniciales nulos o predeterminados por el programa.
El circuito funciona automáticamente cuando se le da tensión al  micro y es un simple retardo de tiempo. Para entender el funcionamiento tenemos que realizar algunas aclaraciones con respecto a los nombres de las señales en circuitos digitales.
Los nombres de las señales indican su función. Por ejemplo, si en una pata del integrado dice ON (SI) seguro se trata de una pata de salida que enciende la fuente o la parte de la fuente que alimenta al micro. Pero también puede estar nombrada como "ON negada" que se representa con una raya sobre el nombre o como ON#. En este caso, la fuente se debe encender cuando esta tensión está baja. Ver figura 1.5.1.
  Fig.1.5.1 Lógica de fuente directa o negada

La tensión de reset recibe varios nombres según el fabricante del micro a saber: RST, RES o RESET pero se trata siempre de una señal negada, a pesar de que prácticamente jamás se le agrega el sí­mbolo de negación. Es una mala costumbre que solo confunde al reparador. En los LCD, LED y SMART esa costumbre se abandona y la simbologí­a es la correcta. Es decir, que cuando vea esos nombres en un equipo viejo imagí­nese que tienen una raya de negación aunque no la tengan. Ver la figura 1.5.2.
 
Fig.1.5.2  Lógica real (moderno) y convencional (antiguo) 

Siendo una señal negada, el circuito de reset es muy simple; basta con un resistor y un capacitor aunque, por lo general, se agregan componentes activos para que el flanco de crecimiento del reset tenga más retardo y sea más abrupto con capacitores de menor tamaño. En los equipos más modernos se utiliza un integrado de tres patas con un diseño especifico que se parece a un transistor por su encapsulado. Ver figura 1.5.3.
 
Fig.1.5.3  Los circuitos de reset

En "A" se muestra el circuito básico que, prácticamente, nunca se usa. En "B" mostramos un circuito clásico; la tensión sobre C1 crece lentamente y hasta que no supera la tensión de barrera, TR1 no conduce y la entrada de reset permanecerá en el estado bajo por intermedio de R2. Cuando la tensión sobre C1 supera la barrera, el transistor TR1 conduce y reset pasa al estado alto.
En todos los casos el reset se mantiene bajo durante un corto instante de tiempo, suficiente para que el microprocesador se resetee y luego pasa al estado alto para que no se resetee continuamente.
¿Cómo se repara un circuito de reset? Ud. ya está pensando en el osciloscopio de doble haz con un canal en +B y el otro canal en RST; en encender el equipo y disparar el osciloscopio, todo al mismo tiempo, para leer el retardo. Todo esto es más difí­cil que dibujar una oreja. Deje el osciloscopio tranquilo, que el circuito de reset se prueba con un simple resistor de 100 Ohms conectado momentáneamente entre reset y masa. Luego encienda el equipo y unos segundos después corte una patita del resistor con un alicate aislado.
Si el equipo comienza a funcionar, el problema se encuentra en el circuito de reset. Pero si no funciona, tiene que hacer otra medición. Tome el tester y mida la tensión de reset, debe estar en 5V. Si no es así­, el problema puede estar en el circuito de reset, que no levanta la tensión, o en el microprocesador que tiene la entrada de reset en corto a masa. 
Apague el equipo y, con el téster digital en medición de R, verifique la resistencia entre RST y masa. Si está en un valor muy bajo (menos de 1K), deberá desoldar la pata de RST para asegurarse que la falla está en el microprocesador.
Con el paso del tiempo, algo tan simple como hacer un cortocircuito a masa desde la pata de reset, se transformó en algo prácticamente imposible de realizar. En efecto, en el momento actual los micros suelen ser huéspedes de un circuito integrado mayor del tipo BGA, que no tiene las patas expuestas. En este caso es imposible soldar un resistor de 100 Ohms a masa. El problema se resuelve fabricando algo llamados "la estola". Es decir, un adminí­culo muy práctico que consiste en dos puntas de téster conectadas entre sí­ con un resistor de 100 Ohms. Ver figura 1.5.4.
  Fig.1.5.4 La estola con puntas bebé

El nombre de estola viene porque queda cómoda para colgarla en el cuello (además, si la R es de buena potencia sirve para descargar electrolí­ticos sin realizar ruidos explosivos). El uso de jeringas hipodérmicas como puntas de prueba es a los efectos de poder conectarla a las diminutas pistas que se utilizan en la actualidad ya que no podemos llegar hasta las patas de los CIs. La construcción precisa de las puntas de prueba, las puede observar en el artí­culo " Puntas para tester" gratis en mi página www.picerno.com.ar. 
En nuestro caso entonces, encendemos el equipo, conectamos la estola entre RST y masa por varios segundos y luego, la conectamos entre +5V y RST. Si el equipo funciona, el problema está en el circuito de reset.
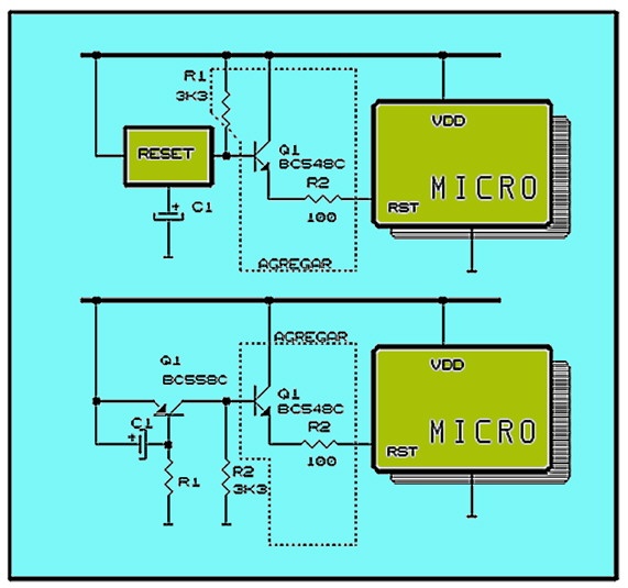
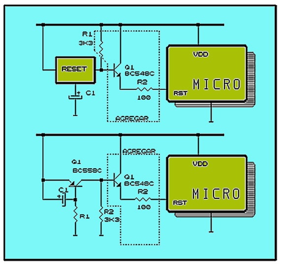
Nota: Algunas fallas en el reset del microprocesador ocurren como si la pata de reset perdiera impedancia, pero el reset interno se sigue produciendo. En estos casos, si el equipo funciona con la estola, pero no lo hace con el circuito real, puede significar que estamos en presencia de una falla no fatal. Si el microprocesador se consigue, no haga cosas raras y cámbielo. Pero si no se consigue o está dentro de un monstruoso BGA, aví­sele al cliente que tiene que emplear un recurso extremo para salvarle el equipo, pero que el paciente tiene algún riesgo de morir en la operación. El recurso extremo consiste en amplificar la corriente de reset con el agregado de un transistor. Ver figura 1.5.5. (este tema también esta tratado en la sección "muletas" de esta pagina web).
  Fig.1.5.5  Reforzadores de reset

Por ahora vamos a abandonar nuestro estudio del rey micro; en el próximo artí­culo nos ocuparemos del clock del sistema y del sueño de nuestro
rey.

1.6 CONCLUSIONES 

Esperamos que nuestros lectores hayan captado y estén de acuerdo con el sistema de enseñanza que propusimos aquí­.
Creemos que es el más adecuado para un reparador porque no tiene sentido explicar que ocurre adentro de un micro si no podemos realizar reparaciones allí­. En cambio darle una idea general de funcionamiento y explicarle como probar el funcionamiento de cada etapa del micro e inclusive explicarle que podemos hacer desde afuera para esquivar sus fallas es un tema que suponemos le debe interesar y si lo hacemos en tono jocoso mejor aun.
Por supuesto que esto no termina aquí­. La idea es realizar unos 10 artí­culos de un tamaño similar a razón de uno por mes hasta completar la serie que bien podrí­amos llamar libro.
¿Seguramente Ud. se debe estar preguntando para que tipo de equipos sirven estos artí­culos? No tienen un equipo especifico; todos los equipos actuales tienen un micro y los artí­culos son por lo tanto generales, le van a servir tanto para un DVD como para un TV LED o un Smart de última generación. La única diferencia es como aplicar los métodos propuestos y como realizar las herramientas especiales y que herramienta utilizar en cada caso. 





SALIR

Más EBOOKS

LA BIBLIA DEL LED PACK TOMOS 1, 2, 3 Y 4
INDICACIONES PARA REALIZAR LA COMPRA

BRINDAMOS A NUESTROS LECTORES TODAS LAS FACILIDADES PARA REALIZAR LA COMPRA DE COLECCIÓN COMPLETA COMENZANDO POR UN DESCUENTO POR PAGO AL CONTADO Y CON LA POSIBILIDAD DE COMPRAR A PLAZOS POR TARJETAS DE CREDITO.

[+] Leer artículo...    


REPARANDO COMO PICERNO TOMO 1
CAPITULO DE REGALO

EN ESTE ARTICULO LE ENTREGAMOS UN CAPITULO GRATIS DEL EBOOK "REAPARANDO COMO PICERNO" PARA QUE TODOS AQUELLOS QUE ESTE INTERESADOS EN LA COLECCIÓN VEAN EL TRATAMIENTO PROFUNDO QUE RECIBEN LAS REPARACIONES. EN ESTE CASO VEMOS UN PROBLEMA DE FUENTE EN UN LCD SANYO 32XH4 CON UN PROBLEMA DE FUENTE. y COMO ESTE tv TIENE ETAPA PREACONDICIONADORA APRENDEMOS AREPARAR A TODOS LOS TVs CON PREACONDICIONADOR.

[+] Leer artículo...    


LA BIBLIA DEL PIC CON NIPLE TOMO 10
TODO SOBRE EL SCADA

Un Scada es un sistema de seguimiento a distancia de alguna planta de producción o control y NIPLE no puede dejar de darle la importancia que tomaron en la actualidad dentro de las grandes o pequeñas empresas

[+] Leer artículo...    


LA BIBLIA DEL TVLED TOMO 7
CONSEJOS PARA REPARAR MONOPLAQUETAS

EN ESTE ARTÍCULO Ud PODRÁ APRENDER TODO LO NECESARIO PARA DEDICARSE A LA REPARACIÓN DE TVs LED CON PLAQUETA ÚNICA AUNQUE SOLO ES UNA MÍNIMA SÍNTESIS DEL EBOOK

[+] Leer artículo...    


LA BIBLIA DEL PIC CON NIPLE TOMO 9
COMUNICACIONES POR RF (CONTROL REMOTO)

UNA DE LOS ASPECTOS MAS DESEABLES PARA LOS DISEÑOS CON PICs ES PODER CONTROLAR DISPOSITIVOS A DISTANCIA. Y POR ESO COMENZAMOS ESTE TERCER GRUPO DE EBOOKS CON ESTE TEMA.

[+] Leer artículo...    


LA BIBLIA DEL PIC CON NIPLE TOMO 1 al 8
ANTOLOGÍA DEL PIC CON NIPLE

8 EBOKS QUE FORMAN LA ANTOLOGIA DEL PIC CON NIPLE REUNEN TODO LO NECESARIO PARA QUE UD. APRENDA A DISEÑAR SIN ESFUERZO Y CON TODO LO NECESARIO PARA REALIZAR PROGRAMAS DE PROYECTOS COMPLETOS CON SIMULACIÓN Y CIRCUITO IMPRESO

[+] Leer artículo...    


LA BIBLIA DEL PIC CON NIPLE TOMO 5, 6, 7, 8
PROGRAMACION VISUAL DE PICS

UNA BREVE RESEÑA DE LA SEGUNDA PARTE DEL CURSO PROGRAMACIÓN DE PICs EN FORMA GRAFICA Y LA CONSTRUCCIÓN DE DISPOSITIVOS ELECTRÓNICOS CON MICROPROCESADORES.

[+] Leer artículo...    






El Ing. Alberto Picerno, conocido en toda latinoamerica por sus cursos de Tv y LCD, es el autor mas prolífico sobre Electrónica, con mas de 40 libros tecnicos y cientos de articulos publicados. 

Se inicio en el mundo de la electronica de niño ayudando a su padre que era hobbysta y aficionado a la radio.

Su experiencia temprana le permitio recibirse con medalla de oro al mejor promedio de "Tecnico Nacional el Telecomunicaciones" y posteriormente volvio a obtener la medalla de oro al mejor promedio como "Ingeniero en electronica en UTN"

Leer Mas Aquí



Artículos Gratis
Sobre Electrónica
por Ing. Picerno


Ir a Artículos Gratuitos      


Libros Digitales

Adquiera los mejores
Libros Digitales (Ebooks)
Sobre Electrónica

Ir a Sección Libros      

MAPA DE LINKS:

INICIO - QUIENES SOMOS - ENTRETENIMIENTO - CONTACTENOS

TV: TRC - LCD - Plasma - LED - Smart - OLED

SOLDADURAS: SMD - BGA - Maquinas de Rebaling

TALLER: Puntas de prueba Sonda de RF - Punta de prueba BEBE - Punta de prueba Filtro Pasabajo - Instrumentos Fuentes - Instrumentos Evariac - Instrumentos SuperEvariac - Instrumentos Varios

AUDIO: Amplificadores Analogicos - Amplificadores Digitales - Bafles Caseros

MANUALES: TV TRC - TV LCD - TV Plasma - TV LED - SmartTV - TV Oled - Fuentes de TV - T-COM - Driver de LED - Inverters

EBOOKS

PROGRAMAS: Simuladores de Circuitos Multisim - Simuladores de Circuitos Livewire - Simuladores de Circuitos Proteus - Programas para PICs y memorias Ram

MICROS: Diseñando con PICS 1 - Diseñando con PICS 2

OTROS ARTICULOS

ARTICULOS DE LA A A LA Z

Ingeniero Alberto Picerno - Av. 2 de Abril 1140 - Burzaco - Buenos Aires - Argentina - Tel: (011)3974-4393
Artículos y Ebooks de Electrónica - Todos los Derechos Reservados - 2025

Diseño y Hosting RCH
rch.com.ar - redcomser.com.ar