Inicio Quienes Somos Entretenimiento Contáctenos Como Comprar los Ebooks
Ingresar Registrarse
Artículos Gratuitos sobre electrónica básica y avanzada y venta de libros electrónicos.

OTROS ARTICULOS
MULETAS 3
PARA SEÑALES DE ALTA FRECUENCIA


Tamaño A+ A-

3.1 INTRODUCCIÓN

Las señales que podemos encontrar en clicks y datos de circuitos digitales de LCD y plasmas muchas veces llega a frecuencias desorden de los 50 MHz. En este caso la solución aportada en la entrega anterior no es efectiva por los comparadores llegan hasta aproximadamente 100 o 200 KHz.
Luego solo se pueden usar circuitos amplificadores a transistor y utilizando transistores de altas caracterí­sticas como por ejemplo el MPSH10 que puede utilizarse hasta 600 MHz sin inconvenientes. De hecho hicimos funcionar algunos en una muleta a 100 MHz y funcionaban sin errores de datos.
Seria ideal construir circuito con pares complementarios de alta frecuencia pero resulta que no es fácil construir transistores PNP de alta frecuencia por lo que debemos complicar levemente los circuitos y usar solo NPNs.

3.2 CIRCUITO DE UNA MULETA DE ALTA FRECUENCIA

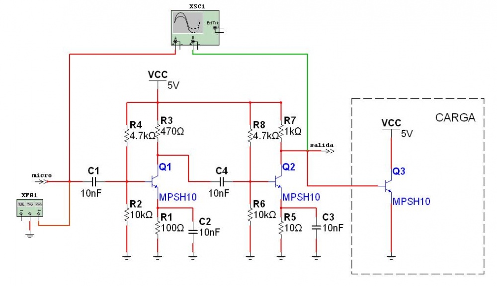
En la figura 3.2.1 se puede observar un circuito amplificador no inversor formado con dos amplificadores con MPSH10 en cascada.
  
Fig.3.2.1 Circuito de la muleta para alta frecuencia

Como esta muleta solo debe funcionar en CA con frecuencias de 1 a 50 MHz el acoplamiento al micro que tiene la pata dañada puede realizarse en forma capacitiva para mejorar el funcionamiento del circuito.
Observe que utilizamos un primer transistor Q1 MPSH10 conectado como amplificador por emisor común con el resistor de emisor bien derivado a masa por el capacitor C2 de 10 nF. De este modo la ganancia del transistor C1 es suficiente para que el mismo pase del corte a la saturación aun con muy poca señal en la pata de salida del micro. 
En el colector de Q1 ya tenemos la señal recuperada con buena amplitud pero la misma esta invertida con respecto a la señal de entrada. Por esa razón se agrega una etapa similar de salida que vuelve a realizar otra inversión dejando la señal de salida en fase con la entrada. Además aprovechamos para reducir la resistencia de emisor R5 a un valor tal que la señal minima de salida arranca en 100 mV aproximadamente. La impedancia de salida del circuito es suficientemente baja como para atacar directamente a la etapa siguiente sin requerir capacitor de acoplamiento.

3.3 CONTROL DEL CIRCUITO ANTES DE CONECTAR AL EQUIPO

Ud. debe armar el circuito indicado con conexiones bien cortas debido a la alta frecuencia de trabajo y antes de conectarlo debe probar las tensiones continuas según lo indica el circuito de la figura 3.3.1.
Fig.3.3.1 Tabla de tensiones continuas
Posteriormente se deberí­a probar la sonda en CA  utilizando un generador de radio frecuencia, pero como sabemos que es un instrumento poco probable en su taller, debemos suponer que si no hay errores de armado y las tensiones continuas son correctas el dispositivo funcionará correctamente en alterna. 

3.4 FUNCIONAMIENTO EN CA

En principio le aconsejamos que mida la salida de tensión pico a pico del micro con la sonda de RF y anote el valor medido. En la figura 3.4.1 se puede observar una prueba virtual de sensibilidad de la muleta realizada a 10 MHz; es decir hasta que valores de tensión de salida de la pata dañada del micro podemos amplificar con nuestra muleta.
  Fig.3.4.1 Prueba de sensibilidad de la muleta a 10 MHz (sin carga)

Como se puede observar el lí­mite superior es un tanto difuso pero seguramente podemos decir que la muleta funciona con una señal de entrada de solo 30 mV de pico para una frecuencia de 10 MHz.
En la figura 3.4.2 mostramos la simulación del oscilograma de esta medición.
 
Fig.3.4.2 Oscilograma de la tensión de salida a 10 MHz con 30 mV de pico en la entrada

3.5 RESPUESTA EN FRECUENCIA VIRTUAL

Para esta prueba mantenemos la señal de entrada en un valor pico a pico de 1V y subimos la frecuencia hasta que se observe una deformación importante en la salida. Ver la figura 3.5.1.
  Fig.3.5.1 Oscilograma de funcionamiento en el lí­mite superior de frecuencia.

No queremos indicar aquí­ que no es posible incrementar aun más la respuesta. Seguramente trabajando con picking coils en y redes de refuerzo en emisor se puede lograr pero nos consideramos satisfechos del resultado obtenido porque en algunos casos llegamos a usar el circuito tal cual está diseñado en salidas de 100 MHz y siguió funcionando perfectamente.

3.6 LA SALIDA CON CARGA

Es imposible saber que tipo de entrada posee el siguiente integrado de la cadena existente como carga de nuestra muleta. Pero en el peor caso se puede tratar de una juntura de un transistor de alta frecuencia tal como lo indicamos en la figura 3.6.1.  Como seguramente Ud. estará apreciando la salida del circuito con una sonda de RF en este caso no va a obtener los 5V que indicamos en el oscilograma sin carga. Seguramente su medición será cercana a 0,5V pico a pico pero esto no significa que el circuito no funcione bien, sino todo lo contrario significa que la excitación es la correcta. 
 
Fig. 3.6.1 Prueba del circuito con carga de una barrera a transistor

Fig.3.6.2 Oscilograma de la salida con carga

3.7 DETALLES DE LAS SIMULACIONES

Trabajar a frecuencias altas significa que el generador de funciones esté debidamente predispuesto para las mismas. El mismo posee una tecla indicada como SET RISE/FALL TIME . Esto indica el tiempo de crecimiento y decrecimiento de la señal que tiene que ser adecuado a la frecuencia de trabajo. Al apretar esta tecla se genera la pantalla de la figura 3.7.1 que para medir en 50 MHz debe predisponerse a 1 nS ya que la predisposición por defecto es de 10 nS. 
 
Fig.3.7.1  Predisposición del generador de funciones para frecuencias altas

Damos por sobreentendido que lector sabe ajustar el osciloscopio del Multisim a las diferentes frecuencias de trabajo.

3.8 CONCLUSIONES

Con esto parecerí­a que ya no se puede hacer mas nada por un procesador que tiene una pata dañada; pero le aseguramos que esta historia no termina aquí­ porque donde hay un procesador de algo en realidad hay un microprocesador dedicado a ese "algo" y los microprocesadores no solo tienen patas de salida de las cuales no estuvimos ocupando hasta ahora. También poseen patas de entradas de puerto y entradas especiales que pueden causar una falla catastrófica del micro. 
Por ejemplo la entrada para el cristal de clock. Que pasa si un cristal no oscila: no funciona el procesador. ¿En general los reparadores controlan la oscilación del cristal y si  no oscila dicen: cambio de micro? Yo les digo que no; que antes que cambiar el micro hay que probar con una "muleta osciladora" de la cual vamos a hablar en la próxima entrega.




SALIR

Más OTROS ARTICULOS

CORONAVIRUS 3
La sección de fuente de los leds UV

EN EL PRIMER ARTICULO DE LA SERIE HABLAMOS DE LAS MASCARILLAS PASIVAS. EN EL SEGUNDO EXPLICAMOSLAS MASCARILLAS ACTIVA Y HABLAMOS SOBRE LAS DEBILIDADES QUE PODEMOS EXPLOTAR DEL COVID 19 EN ESTE VAMOS A PROFUNDIZAR SOBREEL CIRCUITO ELECTRONICO UTILIZANDO LOS LEDS UVA, QUE REQUIEREN UNA IMPORTANTE CORRIENTEY Y SE EMPLEAN EN MAYOR CANTIDAD DADO BAJO RENDIMIENTO.

[+] Leer artículo...    


CORONAVIRUS 2
LEDs ULTRAVIOLETAS Y MASCARILLAS ACTIVAS

EN LA PRIMER PARTE DE ESTA SERIE ANALIZAMOS LOS CUBREBOCAS Y BARBIJOS EXISTENTES EN LA ACTUALIDAD. EN ESTE VAMOS A EXPLICAR NUESTRA PROPUESTA QUE TIENE UNA FINALIDAD TOTALMENTE DISTINTA. NO QUEREMOS PONER UNA BARRERA ENTRE EL VIRUS Y NOSOTROS SINO QUE QUEREMOS DESTRUIR AL VIRUS EN SUS PARTES CONSTITUYENTES ROMPIENDO SU MEMBRANA LÍPIDA.

[+] Leer artículo...    


FALLAS FRECUENTES AL REEMPLAZAR UN MOSFET parte 2
FUNCIONAMIENTO Y MEDICIONES DE UN MOSFET

EN ESTE ARTICULO VAMOS A EXPLICAR COMO FUNCIONA UN MOSFET Y COMO SE PUEDEN MEDIR ALGUNOS DE LOS PARÁMETROS DEL MISMO

[+] Leer artículo...    


CORONAVIRUS 1
EN QUE PUEDE AYUDAR LA ELECTRÓNICA

SEGURAMENTE MIS LECTORES HABRÁN QUEDADO SORPRENDIDOS POR EL TITULO DEL ARTÍCULO, YA QUE TODOS SABEN QUE MI ESPECIALIDAD ES LA ELECTRÓNICA Y ESTE TEMA ES EVIDENTEMENTE UN TEMA DE BIOLOGÍA Y EPIDEMIOLOGÍA. PERO LOS INGENIEROS PODEMOS COLABORAR Y MUCHO EN LA CUESTIÓN DE LOS BARBIJOS Y MASCARAS Y A MI SE ME OCURRIÓ JUSTAMENTE PENSAR EN UNA QUE DESCRIBIRÉ EN ESTOS ARTÍCULOS. EL INTERÉS QUE ME LLEVA A ESTE TEMA NO ES ECONÓMICO PORQUE EL LECTOR OBSERVARÁ QUE PONGO EN EL TODO LO QUE SE Y LO HAGO PORQUE PIENSO QUE EL MUNDO ESTÁ PENSANDO EN UNA VACUNA SALVADORA; PERO ESTE VIRUS MUTO 3 VECES EN UN MES Y MEDIO Y NO VEO COMO SE PUEDE EVITAR QUE VUELVA A HACERLO.

[+] Leer artículo...    


FALLAS FRECUENTES AL REEMPLAZAR UN MOSFET parte 1
Porque se queman los MOSFET

EN ESTE ARTICULO Y LOS SIGUIENTE LE EXPLICAMOS TODO LO QUE Ud. DEBE SABER SOBRE LOS MOSFET CUANDO REALIZA UN REEMPLAZO.

[+] Leer artículo...    


ARDUINO COMPARADO CON NIPLE
QUE HACE CADA EMPRESA

ALGUNOS DICEN QUE MI PAGINA ES UNA PAGINA DE VENTA DE LIBROS. Y ES CIERTO PERO NO ES SOLAMENTE ESO. ES TAMBIÉN UNA PÁGINA DONDE EL TÉCNICO EN ELECTRÓNICA SE PUEDE INFORMAR SOBRE LAS DIFERENTES DISCIPLINAS QUE INVOLUCRA ESE TÉRMINO TAN AMPLIO QUE ES LA "ELECTRÓNICA". COMO NOTÉ QUE TENEMOS MUY POCO SOBRE PROGRAMACIÓN QUIERE DEDICARLE ESTE ARTÍCULO A LA MISMA. LA PALABRA ARDUINO ES UNA DE LAS MÁS REPETIDAS DE LOS ÚLTIMOS TIEMPOS, PERO EL TÉCNICO REPARADOR SABE QUE ES ALGO QUE SIRVE PARA ARMAR DISPOSITIVOS DIGITALES PERO NO SABE MUCHO MAS.

[+] Leer artículo...    


Nuevos Precios
para el banner

Precios de las barritas desoldantes y de la memoria que ahora forma un kit con una barrita y varios link explicando la soldadura y desoldadura de las mismas.

[+] Leer artículo...    






El Ing. Alberto Picerno, conocido en toda latinoamerica por sus cursos de Tv y LCD, es el autor mas prolífico sobre Electrónica, con mas de 40 libros tecnicos y cientos de articulos publicados. 

Se inicio en el mundo de la electronica de niño ayudando a su padre que era hobbysta y aficionado a la radio.

Su experiencia temprana le permitio recibirse con medalla de oro al mejor promedio de "Tecnico Nacional el Telecomunicaciones" y posteriormente volvio a obtener la medalla de oro al mejor promedio como "Ingeniero en electronica en UTN"

Leer Mas Aquí



Artículos Gratis
Sobre Electrónica
por Ing. Picerno


Ir a Artículos Gratuitos      


Libros Digitales

Adquiera los mejores
Libros Digitales (Ebooks)
Sobre Electrónica

Ir a Sección Libros      


MAPA DE LINKS:

INICIO - QUIENES SOMOS - ENTRETENIMIENTO - CONTACTENOS

TV: TRC - LCD - Plasma - LED - Smart - OLED

SOLDADURAS: SMD - BGA - Maquinas de Rebaling

TALLER: Puntas de prueba Sonda de RF - Punta de prueba BEBE - Punta de prueba Filtro Pasabajo - Instrumentos Fuentes - Instrumentos Evariac - Instrumentos SuperEvariac - Instrumentos Varios

AUDIO: Amplificadores Analogicos - Amplificadores Digitales - Bafles Caseros

MANUALES: TV TRC - TV LCD - TV Plasma - TV LED - SmartTV - TV Oled - Fuentes de TV - T-COM - Driver de LED - Inverters

EBOOKS

PROGRAMAS: Simuladores de Circuitos Multisim - Simuladores de Circuitos Livewire - Simuladores de Circuitos Proteus - Programas para PICs y memorias Ram

MICROS: Diseñando con PICS 1 - Diseñando con PICS 2

OTROS ARTICULOS

ARTICULOS DE LA A A LA Z

Ingeniero Alberto Picerno - Av. 2 de Abril 1140 - Burzaco - Buenos Aires - Argentina - Tel: (011)3974-4393
Artículos y Ebooks de Electrónica - Todos los Derechos Reservados - 2026

Diseño y Hosting RCH
rch.com.ar - redcomser.com.ar