Inicio Quienes Somos Entretenimiento Contáctenos Como Comprar los Ebooks
Ingresar Registrarse
Artículos Gratuitos sobre electrónica básica y avanzada y venta de libros electrónicos.

TV LED
REPARACIÓN DE UN DRIVER DE LED Y UN BACK LIGTH
MÉTODOS DE REPARACIÓN

por ING. PICERNO




Tamaño A+ A-

1.0  INTRODUCCIÓN 

El tema de las tensiones y corrientes de una señal es un clásico para todos los técnicos en electrónica de todos los tiempos. Es histórico que los profesores no sepan explicar bien un tema tan sencillo, pero es así­. Y esas definiciones son los cimientos del conocimiento cientí­fico de nuestra materia así­ que vamos a estudiar el tema con toda parsimonia para que quede entendido de aquí­ en más para que los reparadores puedan entender los circuitos de aplicación.
Vamos a desarrollar las explicaciones utilizando simulaciones de circuitos que el reparador deberí­a correr para afianzar sus conocimientos sin necesidad de recurrir a los viejos y aburridos sistema de aprendizaje por los métodos clásicos y si se anima lo invitamos a que arme y mida alguna de la simulaciones para verificar la exactitud de la misma.

1.1 ALIMENTACIÓN CON CC

Todos sabemos que a principios del siglo pasado, la iluminación hogareña, de las calles y la fuerza motriz se realizaba con CC; método propugnado por un inventor muy prolí­fico llamado Tomás Alva Edison.
En esos casos no existe duda alguna de los parámetros de la fuente de tensión porque simplemente es un valor fijo e inamovible, si el sistema está  bien diseñado. Nos referimos a que si el generador o la baterí­a soportan bien la carga, la tensión no debe variar, cumpliéndose la ley de Ohm que indica que la corriente por el circuito es directamente proporcional a la tensión aplicada e inversamente proporcional la resistencia de la carga.
La ecuación correspondiente indica que I = E/R siendo esta fórmula la conocida ley de Ohm.
¿Cómo serí­a un circuito básico de alimentación de un LED con una fuente de CC? En la figura 1.1.1 le mostramos el circuito más básico que se puede armar y que efectivamente funciona.
 
Fig.1.1.1 circuito básico de corriente limitada por R1 

Cuando se cierra J1 el diodo LED azul queda conectado a la fuente de CC por intermedio del resistor R1 de 1K. Pero en realidad deberí­amos considerar que dentro del diodo LED se encuentra un impedimento a la circulación de electrones que es la barrera del diodo. 
El diodo está fabricado con un material cristalino dopado de forma tal que tiene una zona con exceso de electrones y otra con falta. En la zona de unión se produce una recombinación de modo que se forma una barrera de potencial. Hasta que la tensión aplicada no supere esta barrera no hay circulación efectiva de corriente y por lo tanto no hay posibilidad de que se produzca trabajo alguno en el dispositivo. Ver la fig.1.1.2.
 
Fig.1.1.2  Formación de la barrera en un diodo

Pero al superarse la barrera que en este caso para el LED azul o el blanco es de 3V aproximadamente, comienza a producirse una circulación de corriente, porque los portadores tienen suficiente energí­a como para superar la barrera. Cuando un portador supera la barrera pierde su energí­a potencial, es decir que se desprende de una energí­a, y lo hace en forma de onda electromagnética. En nuestro caso esa energí­a tiene una frecuencia en la zona azul del espectro luminoso y el diodo recibe energí­a eléctrica y entrega energí­a luminosa en forma de luz azul.
Pero no hay dispositivos que tengan un rendimiento energético unitario. Siempre hay una parte de la energí­a que se transforma en energí­a infrarroja, es decir que es reemitida en forma de energí­a térmica o calor.
La ley de conservación de la energí­a nos permite asegurar que la energí­a entregada por la fuente es igual a la suma de la energí­a emitida en forma de luz azul, más la emitida en forma de luz infrarroja o energí­a térmica.
La energí­a luminosa que emite el diodo es una función de la corriente circulante por él y para poder calcular esa corriente debemos representar al diodo con un circuito equivalente R V según la figura 1.1.3.
 
 
  Fig.1.1.3 Circuito equivalente del LED

Como vemos la fuente equivalente a la barrera, se resta de la fuente del circuito, de modo que la parte resistiva del mismo tiene aplicada una tensión igual a 12V – 3V y la corriente es igual entonces a 9V/1047Ω = 8,6 mA. Observe que la parte resistiva tiene una componente que forma parte del diodo LED y otra que es la componente externa agregada para limitar la corriente del circuito a un valor que no dañe al LED.

1.2 EL RENDIMIENTO DEL CIRCUITO DE CC

Vamos a hablar del rendimiento del sistema que es la relación existente entre la potencia tomada de la red y la que emite el Back Ligth como luz. Es probable que el reparador piense que este rendimiento se debe maximizar para que el usuario del TV pague menos energí­a eléctrica. Pero no es así­. El consumo de un TV LED es suficientemente pequeño como para que eso no tenga mayor importancia en el consumo total de una casa (El consumo de un LED es notablemente menor al de un TRC, con la misma superficie equivalente de pantalla).
Pero si no se maximiza el rendimiento, el circuito de los LED consume más y por lo tanto calienta más y eso significa que todo el TV está más caliente y los LEDs terminan por recibir menos corriente y generar menos brillo. 
Para maximizar el rendimiento hay que reducir la componente resistiva del circuito (R1) pero con esto aumenta la corriente. Este incremento se debe compensar reduciendo la tensión de fuente.
El máximo rendimiento se consigue cuando R1 es igual a cero. Esto significa que en serie con el LED queda solo la componente interna de 47 Ohms. 
Esta solución que parece la más simple, es en realidad imposible de adoptar en la práctica. En efecto debemos recordar que la solución del circuito consiste en restar la barrera del diodo de la tensión de fuente y aplicar la ley de Ohm a la tensión resultante tomando como resistencia del circuito a la resistencia interna del diodo LED.
El problema consiste en que la barrera del diodo depende de la temperatura; no podrí­a ser de otro modo, porque la energí­a térmica del ambiente se suma a la energí­a eléctrica de los portadores, para saltar la barrera y si la temperatura es mayor se requiere menos tensión de la fuente externa para igual corriente circulante.
¿Es importante esta variación de barrera? Depende del material del diodo y del enriquecimiento pero en el silicio se puede tomar como de -2,5 mV/ºC. Pero el silicio emite en el infrarojo. Los diodos que emiten en el espectro luminoso se fabrican con materiales diferentes y tienen una variación de barrera diferente al silicio y diferentes los LED de otro color. El diodo azul tiene una variación con la temperatura positiva en lugar de negativa.
El diodo blanco usado en el back ligth es muy similar al azul y no lo usamos porque no lo tenemos en el Multisim.
Tomemos como ejemplo a un diodo azul y por intermedio de una simulación calculemos la corriente a diferentes temperaturas. Ver la figura 1.2.1.

  Fig.1.2.1 Circuito directo a diferentes temperaturas

La tabla existente al costado del circuito, nos permite analizar que ajustando la tensión de fuente a 27ºC (temperatura general de las simulaciones) la corriente es de 10,8 mA. Pero pidiéndole al Multisim un barrido en temperaturas, se observa que la corriente baja hasta 35 uA y que a una temperatura de ºC la corriente sube hasta 178 mA, haciendo imposible el uso del circuito indicado.
¿Cual es la solución entonces para arribar a un circuito práctico? La única solución consiste en utilizar una fuente de corriente en lugar de una fuente de tensión como la indicada. Es decir una fuente que en lugar de mantener constante su tensión de salida, mantenga fija la corriente circulante, variando por supuesto la tensión entregada al circuito. Además, esta tensión debe estar generada con gran eficiencia para no incrementar el consumo del sistema.
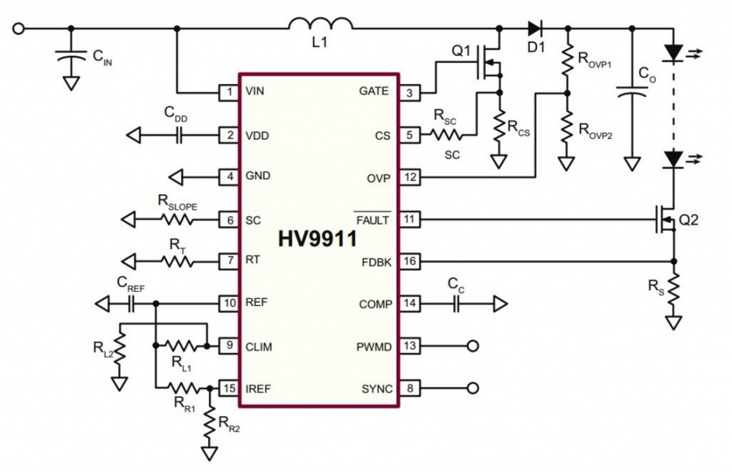
En el momento actual hay un circuito integrado para cada uso especí­fico y no podí­a faltar uno adecuado para realizar la fuente de corriente que estamos necesitando. Este integrado muy conocido es el HV9911 que podemos considerar como un conversor tensión/corriente de alto rendimiento para una cadena de LEDs.
El HV9911 es efectivamente utilizado por los TVs LED más antiguos y es un circuito integrado analógico pero que a pesar de ello tiene un elevado rendimiento.
En la figura 2.2 se puede observar un circuito de aplicación del mismo que nos permite describir claramente sus más importantes caracterí­sticas.

   
Fig.2.2 Circuito de aplicación "Fuente de corriente con HV9911"

Observe que el circuito está basado en una fuente de transferencia indirecta sin aislación galvánica con Q1 como transistor llave de potencia. La diferencia se observa a nivel de la realimentación del circuito que en lugar de tomarla desde el capacitor de salida Co se toma desde un resistor shunt sensor de corriente RS.
Para comenzar el análisis hay que dejar de lado las dos protecciones que tiene el circuito y que son la protección de sobretensión, generada sobre la pata 12 OVP y la protección por sobrecorriente generada sobre la pata 5 CS que serán analizadas posteriormente.
El funcionamiento principal se produce por medio de la llave a MOSFET Q1. Cuando el gate se encuentra a mas de 3V la llave se cierra y comienza a circular corriente por L1, con forma de una rampa, cuyo crecimiento depende de la inductancia L1 y la tensión de fuente VIN. 
Analizaremos el funcionamiento en tres tiempos T1, T2 y T3. En el primer tiempo la corriente circula por L1 y Q1 con destino a masa y genera un campo magnético creciente en L1. Pero en el tiempo T2 la llave se abre y la bobina genera una fuerza contra electromotriz que levanta rápidamente la tensión sobre el diodo D1, de modo que este cargue al capacitor de salida Co. Esto dura hasta que la energí­a magnética acumulada en L1 se termina generando el tiempo T3 en donde no circula corriente ni por Q1 ni por D1 generándose un tiempo muerto de corta duración.
Como Co es de elevado valor la tensión sobre él prácticamente no cambia durante ninguno de los tres tiempos (en realidad se reduce un poco durante T1 y T3 y crece un poco durante T2). El periodo completo T1+T2+T3 de este ciclo se ajusta con un resistor Rt conectado entre la pata 7 Rt y masa.

2.3 PROTECCIONES

Podemos considerar a las protecciones como de dos grandes tipos, a saber: de sobrecorriente (cortocircuito incluido) y de sobretensiones.
De las protecciones podemos decir, que lo más importante es su velocidad de respuesta y su precisión del nivel de actuación. Los semiconductores se pueden quemar por calentamiento y entonces basta con una protección lenta porque el calor es un efecto acumulativo, muy dependiente del tiempo que dura la falla y de la masa térmica del componente protegido. Pero también se queman por corriente instantánea y allí­ se requiere la mayor velocidad posible. Una protección primaria siempre es posible sin agregar componentes a la fuente; se deja de excitar al transistor llave y la corriente por la carga disminuye exponencialmente (descarga del capacitor de salida). 
Pero nosotros debemos proteger una carga que puede estar constituida con muchos diodos LEDs de alto brillo y alto rendimiento (pueden ser 60 u 80) siendo este un conjunto de componentes que debe tener una protección rápida del tipo de desconexión de la carga y no del método de descarga exponencial.
Esto requiere el agregado de un transistor MOSFET llave que en nuestro caso es Q2. Los lectores suelen confundir este MOSFET con el MOSFET de control de una fuente PWM, pero si observamos la pata de gate vemos que está conectada a la pata 11 indicada como FAULT #. Nota: el sí­mbolo # significa lo mismo que la raya sobre el nombre, es decir una negación o inversión del significado del nombre. Significa que la pata 11 va a un estado bajo cuando el circuito ingresa en una acción de protección.
Ante una sobrecorriente o una sobretensión sobre la carga, Q2 se abre evitando un deterioro por efecto dominó de todos los LEDs de la cadena.
La sobrecorriente la detectan los resistores Rcs y Rs. En Rcs normalmente existe una rampa repetitiva siempre de amplitud constante, para corriente fija por los LEDs. Nota: existe un modo de corriente ajustable que será analizado por separado.
Sobre Rs en cambio circula una CC que genera una tensión sobre la pata 16 que se utiliza para dos cosas. Su función principal es regular el funcionamiento de la fuente de corriente, pero si la tensión sobre el resistor indica que el sistema está trabajando a una corriente peligrosa opera sobre FAULT# abriendo el MOSFET llave Q2.
La protección de sobretensión opera por el divisor de precisión Rovp1 y Rovp2. Por lo general cuando se corta la cadena de LEDs la tensión sobre Co se eleva y se puede producir el deterioro de Q1 por sobretensión. Antes de que esto ocurra se corta la excitación de Q1 para que solo quede sobre el MOSFET la tensión de entrada Vin.
El resistor Rcs debe ser del tipo no inductivo para evitar una falsa protección con pulsos de tensión de muy corta duración producidos por efectos inductivos que no ponen en peligro a la llave MOSFET. Los resistores Rovp1 y Rovp2 deben ser de precisión al 1% porque el nivel de corte por sobretensión esta necesariamente muy cercano al nivel de trabajo. Una falla en alguno de estos resistores solo puede solucionarse utilizando resistores al 5% de valores medidos con el tester digital para seleccionar los que están dentro del 1%, o utilizando algún preset colocado de la mejor forma posible.
En este punto ya conocemos los componentes más importantes del driver pero aún quedan componentes periféricos de segundo orden, que desconocemos por completo. Una forma interesante de repasar todo lo estudiado y de explicar lo nuevo es mediante lo que se llama un pin-up del circuito integrado. Un pin-up es una tabla con el número de pata, el nombre de pata y una corta explicación de la función de la misma.

1.3 PIN-UP del HV9911

1 VIN       Fuente de entrada; mí­nimo 9V, máximo 250 V CC
2 VDD       Fuente regulada interna; requiere un capacitor de desacoplamiento a masa de .1 uF
3 GATE Salida de excitación de gate para un MOSFET externo tipo N
4 MASA Retorno de todos los circuitos internos
5 CS       Entrada sensora de corriente por el MOSFET. Los pulsos inferiores a 100 nS son filtrados y no operan ni la protección ni el control.
6 SC      Compensación de pendiente de entrada por CS. Un resistor desde esta pata a masa programa la compensación de rampa para el circuito en el modo de frecuencia constante. Un resistor entre RT y GATE programa la pendiente para el circuito en el modo de tiempo de apagado constante.  
7 RT      Ajuste de frecuencia del oscilador interno
8 SYNC Esta es una pata de entrada o salida. Si esta pata se conecta a la pata homologa de otro HV9911 los osciladores se sincronizan a la frecuencia de aquel que tenga la mayor frecuencia.
9 CLIM Por esta pata se programa el lí­mite de máxima corriente por el MOSFET Q2 mediante un divisor de tensión conectado a la pata REF.
10 REF        Esta pata provee una fuente de tensión de 1,25V muy estable para conectar los divisores de programación externos.
11 FAULT Esta pata se pone masa cuando se ingresa a una protección.
12 OVP       Protección de sobretensión. Cuando la tensión en esta pata excede 1,25V se corta la salida de GATE con lo que se apaga la llave externa de protección Q2. Para reciclar la operación se debe quitar y volver a conectar Vin. 
13 PWMD Cuando esta pata se conecta a masa o se deja sin conectar se corta el funcionamiento de la salida por GATE. Cuando se conecta a nivel TTL (3,3V o 5 V) se reanuda el funcionamiento. Es decir que esta es una pata de encendido.
14 COMP Es la salida del amplificador de error de la fuente. El agregado de un capacitor hace que las variaciones de la tensión de salida a los LEDs sean más suaves y no se vuelvan oscilatorias.
15 IREF La tensión en esta pata ajusta la corriente de salida que circula por los LEDs. Para un back ligth de valor fijo se conecta con un divisor de precisión a REF. Para un back ligth, ajustable automáticamente con el brillo de la escena (tipo 1D) se conecta a una tensión analógica proveniente de la etapa escaladora. 
16 FDBK Esta pata provee la realimentación de la corriente de salida por los LEDs mediante un resistor conectado a Rs o por un camino directo.

1.4 CUANTOS LEDs TIENE UN BACK LIGTH

Esta pregunta no tiene una sola respuesta, por el simple hecho de que cada fabricante puede elegir libremente el brillo de su TV. Además hay muchas marcas y modelos de LEDs y con diferentes posibilidades de admitir corriente y diferente rendimiento electro óptico. 
Lo que si podemos hacer es responder cual es el numero clásico o más común de diodos del tipo SLED o SUPERLED que son los diodos blancos más luminosos y de mayor rendimiento que se fabrican en la actualidad y que vienen en encapsulado SMD rectangular según la figura 1.4.1.

 
Fig.1.4.1 Diodos SLED blancos para iluminación y back ligth

Estos diodos poseen una barrera de 3,5V aproximadamente y pueden manejar de ½ a 1 W de potencia. Quince de ellos generan una cantidad de luz equivalente a un CCFL para un TV de 32". Esto significa que un TV LED puede tener unos 60 diodos de este tipo para generar una excelente iluminación.
Los primeros TV led que salieron al mercado tenia iluminación en los 4 lados de la pantalla difusora de Lucite, pero en el momento actual las pantallas difusoras progresaron mucho y están compensadas para utilizar solo alimentación en uno solo de los lados mayores (generalmente el inferior). Así­ que suelen utilizar una plaqueta larga y angosta con unos 60 leds en serie. En la figura 1.4.2 se puede observar la punta de esta plaqueta que posee el conector de alimentación y los primeros dos LEDs.

  Fig.1.4.2 Punta de la tira de LEDs de back ligth

Un simple cálculo nos permite determinar que nuestro circuito requiere la generación de una tensión de salida de aproximadamente 3,5V x 60 = 210V lo que no implica ningún problema, más que un cálculo adecuado de L1 y una llave a LED que soporte la adecuada tensión de pico. 
La corriente que soportan los LED también varí­a mucho con el tamaño de estos, pero podemos decir que está en el rango de 20 a 40 mA. Con corrientes más bajas se requiere una mayor cantidad de diodos, pero la vida de los mismos se ve muy extendida.

1.5 REPARACIÓN DEL CIRCUITO ANALOGICO

Fundamentalmente todos los circuitos de variación analógica de la corriente por una cadena de LED se basan en el mismo criterio. Por lo tanto lo que aprendemos aquí­ sirve para aplicarlo a cualquier circuito integrado similar.
Un drive de LED se repara siempre comenzando por probar la cadena de LEDs en forma activa, es decir aplicándole la tensión adecuada para que circulen por ellos una corriente de por lo menos 10 mA. 
La cadena de LEDs no necesita ser retirada del TV. Solo debe ser desconectado el conector de la misma para conectarla a nuestro probador de cadenas de LEDs cuyo circuito puede ser encontrado en el Webinario 51.
¿Cuales pueden ser los resultados de nuestra prueba? Podrí­a ser que la cadena permanezca apagada lo que nos indica que un diodo está abierto. En este caso no hay más remedio que abrir el back ligth y retirar la tira de LEDs, para analizar y resolver el problema.
Ahora se debe utilizar el medidor individual de LEDs para determinar cual de ellos está abierto.
Aquí­ debemos resolver el modo de realizar la reparación de acuerdo a que los diodos LED se puedan conseguir o sacar de otro equipo en desuso.
Es muy difí­cil que se pueda conseguir el LED con el código exacto que se requiere. Pero puede ocurrir que se consiga uno de otro fabricante, con otro código pero que sea igual al dañado en sus caracterí­sticas. Sobre todo debe ser igual en lo que respecta al encapsulado y sus patas de fijación a la plaqueta. El brillo y el color debe ser estimado por comparación con los circundantes, pero es muy difí­cil que se puedan apreciar grandes diferencias luego de colocar la pantalla sobre el back ligth.
Otra alternativa es directamente poner un cortocircuito en lugar del diodo. Con cadenas de 60 diodos o mas esto es casi la mejor alternativa, porque seguramente no se va a observar diferencia alguna sobre la pantalla ya que la luz de un diodo se difunde con los diodos de al lado y una banda en 60 es suficientemente angosta como para que no se pueda apreciar a simple vista como se observa en la figura 1.5.3.

  Fig.1.5.3  Back ligth con un LED quemado en el centro

Es posible observar una pequeña zona oscura abajo en el centro pero con una imagen activa la misma pasa totalmente desapercibida. Contra lo que se puede suponer en general no se requiere ningún ajuste en el circuito para adaptar la cadena reducida en longitud por que el sensado de tensión es para valores anormalmente altos y no más bajos que el normal.
Quizás lo más complejo es soldar el componente fallado ya que los LED SMD son muy sensibles con respecto a la temperatura de la soldadura y el tiempo que dura la misma. Aconsejamos el uso de un soldador tipo lápiz de 12V regulado en unos 230 ºC en la punta, o trabajar con un soldador de aire caliente con el aire ajustado en 250ºC. Nota si a esas temperaturas no se funde la soldadura es porque la plaqueta esta soldada con estaño puro o con estaño plata y la temperatura deben elevarse a 280 ºC aproximadamente.
Luego de confirmar el funcionamiento de la cadena de LEDs comienza realmente el trabajo de reparación del driver.
Ante una cadena apagada, se debe verificar la tensión de salida Vout sobre el ánodo del primer LED de la cadena (capacitor de salida Co).
El caso más común es que se encuentre en cero volt, es decir una falla catastrófica "Sin tensión de LEDs". Si es así­ y como la tensión de entrada fue lo primero que se verificó, se debe medir el estado de Q1 con el tester digital en óhmetro con la punta roja en el terminal de drenaje y la negra en el terminal de fuente. Esta medición fundamental debe indicar un valor de algunos cientos de KOhm por lo menos. En caso contrario lo más probable es que Q1 este dañado. Nota: esta medición se debe realizar con el conector de entrada y de salida levantados es decir con la plaqueta driver retirada del TV. Si la medición da correctamente, puede ser que Rcs este cortado por lo que el método continúa midiendo Rcs. Rcs es un resistor shunt de bajo valor;  ¿pero que tan bajo suele ser? Todo depende de los otros componentes del circuito. Llegando a este punto si se pretende un análisis completo del circuito y no hay información del mismo en el manual y no está indicado el valor del resistor shunt, la única posibilidad consiste en simular el circuito en un simulador virtual Multisim, si Ud. lo tiene instalado en su PC. Como este es el peor caso vamos a analizar un ejemplo del mismo en forma detallada pero si el resistor shunt tiene su valor claramente marcado se puede saltear esta parte.
El circuito integrado HV9911 no está en la librerí­a del Multisim por lo que debemos realizar lo que yo llamo una "simulación manual sin CI de control" muy simple pero efectiva, que se observa en la figura 1.5.4. Pero para predisponer la frecuencia del oscilador primero debemos calcularla de acuerdo a la formula de la especificación que indica que la frecuencia es igual a F = 1/(Rt x 11 pF). Así­ que debemos leer el valor de Rt (que vamos a suponer de 470 KOhms y realizar el cálculo:

F = 1/(470K x 11 pF) = 193.000 Hz aproximadamente 200 KHz

Si no desea hacer el cálculo le podemos indicar que con un resistor de 900K oscila en 100 KHz y con uno de 261K oscila en 350 KHz. 

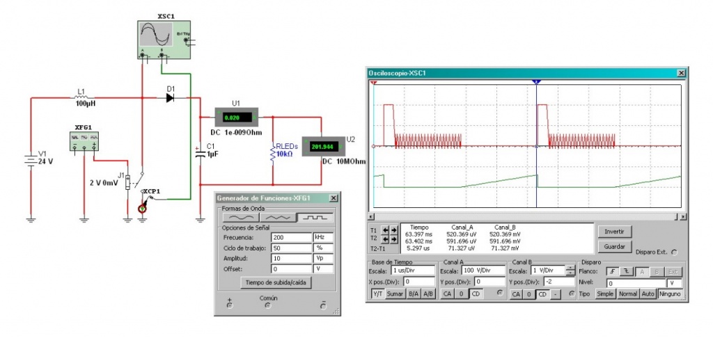
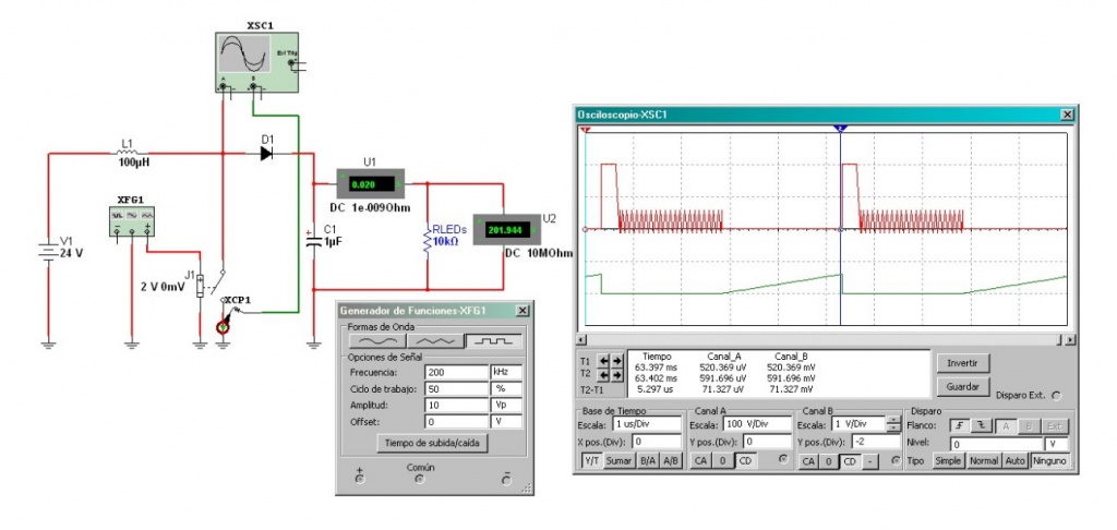
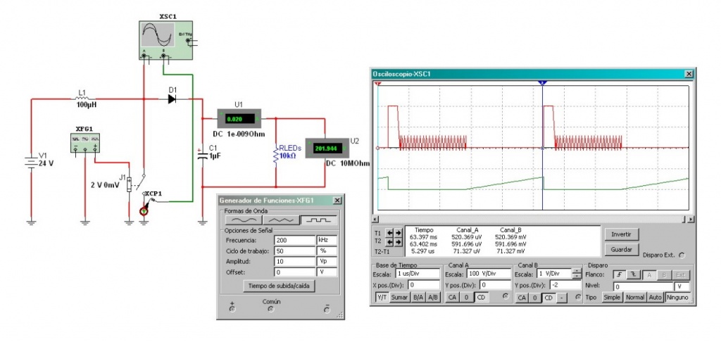
  Fig.1.5.4 Circuito básico de la fuente elevadora

Con este sencillo circuito tenemos una forma de señal similar a la que tendremos en el circuito real e inclusive podremos obtener el valor probable de la inductancia si no lo tiene indicado y lo más importante el valor de la corriente de pico por el MOSFET aquí­ representado por una llave controlada por tensión.
Aclaremos que estos valores fueron obtenidos por tanteo variando el valor de L1 para obtener la tensión adecuada de salida (210V en este caso) para un mí­nimo valor de corriente de pico por la llave, que pudimos llevar a un valor de 591 mA (la sonda de corriente está ajustada a 1V/A) . Como la tensión que dispara la protección es de 1,25V indicado en la especificación se puede indicar que la resistencia shunt debe ser superior a 2,11 Ohms. Tomando un adecuado factor de seguridad podrí­a ser de 2,7 Ohms.
El funcionamiento del circuito se puede resumir del siguiente modo: El generador de funciones representa la CI de control que genera una tensión rectangular que excita la llave J1 en reemplazo del MOSFET. Cuando la llave se cierra circula corriente por el inductor que se observa en verde en el osciloscopio. Al llegar a una determinada corriente fijada por el periodo de actividad de la llave la misma se abre permitiendo que se genere un pulso de tensión que hace conducir al diodo D1 para que cargue al capacitor de salida con una tensión continua que alimenta la carga. Para cambiar la tensión de salida solo basta con modificar el tiempo de actividad (ciclo de trabajo) de la misma.
Aclaramos que el valor de C1 por lo general es del orden de 4,7 o 10 uF pero preferimos un valor menor para acelerar la simulación.
Lo más importante es que ahora tenemos el valor de la resistencia shunt que debe ser medido con un medidor de "Bajas Resistencias" que puede obtener del Ebook de "Instrumentos Especiales" escrito por el autor y disponible en www.clubdelservice.com para poder medir resistores de 100 mOhms a 10 Ohms.
Si Ud. obtiene un valor de salida igual al valor de entrada, significa que el MOSFET no está excitado o está abierto. Para verificar la excitación puede utilizar un osciloscopio o una "Sonda de RF" bajada de mi página.
  La señal de excitación de gate es siempre una onda rectangular, cuyo valor va desde 0V hasta la tensión de fuente Vdd que en nuestro caso es de 7,75V. Siendo su periodo de actividad cercano al 50% en condiciones de buen funcionamiento. Para verificar esta salida hay que tener en cuenta la operación en protección, del circuito. Si el mismo ingresa a protección puede ocurrir que solo se emita unos pocos ciclos de señal y la observación con un osciloscopio puede indicar un oscilograma muerto, cuando en realidad el circuito de excitación funciona correctamente en el arranque. 
Lo primero en que se piensa es en anular las protecciones para saber si el circuito funciona correctamente. Y de hecho se puede hacer pero teniendo en cuenta que no se dañen los componentes protegidos. 
Los componentes protegidos son el MOSFET (contra sobretensión y sobrecorriente y la carga de LEDs contra sobrecorriente. Por lo tanto una buena medida es llevar la tensión de entrada a un valor del orden del 10% de la tensión nominal (2,4V) para no generar sobretensiones o sobrecorrientes. Pero el CI posee un control de la tensión de entrada y si esta es inferior a 7V no arranca. Por lo tanto se deben usar dos tensiones de fuente para probar el circuito. Una fuente ajustada en 2,4V aproximadamente para alimentar Vin (pata 1) y otra fuente ajustada en 9V para alimentar a Vdd (pata 2).
En esa condición si se conecta la pata RT con un resistor adecuado a masa, la salida de gate debe arrancar y quedarse funcionando a la frecuencia correcta. Si no hay funcionamiento se puede desconectar tranquilamente la protección de sobretensión por la pata 12 OVP (hacer un cortocircuito a masa) y la protección de sobrecorriente por la pata 5 CS (conectarla a masa).
No pretenda que la salida quede regulada a la tensión de trabajo de 210V; pero la salida debe levantarse (si todo está bien) hasta un valor de 16V que es lo que genera la simulación anterior, con 2 V de fuente. Ver la figura 1.5.5.

    Fig.1.5.5 Prueba del circuito con baja tensión de entrada

Ya tenemos verificado el circuito básico y una buena parte del CI pero aun nos quedan algunas pruebas por realizar. Por ejemplo aun no lo probamos con las protecciones funcionando ya que tenemos las patas de protección conectadas a masa. Y tampoco lo probamos a plena tensión de fuente. Aun podemos dejar las protecciones anuladas y trabajar con baja tensión para pasar a analizar el circuito de protección
En el circuito real, el ciclo de trabajo se debe modificar automáticamente para fijar la corriente por la cadena de LEDs. Ya sabemos que en el circuito real esto se realiza con un resistor shunt conectado en el retorno a masa de la cadena, después de la llave de protección que indicamos como Rs.
El valor del resistor RS depende de la corriente que se desea hacer pasar por la cadena de LEDs y de la tensión que se ponga sobre la pata 15 (IREF). Este valor no es fácil de determinar porque IREF no es una tensión que todos los fabricantes acostumbren a poner en un valor nominal. En efecto este terminal es el control de brillo de display que puede tener tanto una tensión fijada por un divisor, como una variable de acuerdo a la tensión de DIMMER proveniente de la etapa escaladora. O una combinación de ambas fuentes. Podrí­amos decir esta tensión puede variar entre 200 mV y 1,25V que es la tensión de referencia que sale por la pata 10. El reparador debe leer los valores de RR1 y RR2 y calcular la correspondiente tensión en la pata 15 para continuar con el cálculo de la resistencia shunt Rs.

VIREF  = 1,25V x (RR1 x RR2) / (RR1 + RR2)

Si suponemos que los resistores del divisor son iguales, la tensión en la pata 15 será de 0,6V aproximadamente y sobre Rs deberá caer esa misma tensión cuando la cadena tiene la corriente deseada de 20 mA. Por lo tanto podemos decir que a la tensión de entrada nominal de 24V y la salida nominal de 210V circularan 20 mA por la cadena y entonces: 

Rs = 0,6V / 0,02A = 30 Ohms

Aconsejamos al lector si no puede leer el valor de la resistencia shunt que la mida con un "medidor de bajas resistencias" para confirmar su valor.  
Desconocemos el código de los LEDs y aunque lo pudiéramos leer de uno de ellos, es una tarea compleja, porque hay que desarmar la pantalla y sacar el circuito impreso con los LEDs y desoldar un LED (porque el código está en el cuerpo del LED que mira hacia la plaqueta). Y luego hay que encontrar la especificación del diodo por Google y dentro de la especificación el valor máximo de corriente. 
Pero nosotros no necesitamos hilar tan fino porque no vamos a diseñar un TV sino solo a repararlo. Por eso podemos considerar que la corriente normalmente utilizada es de 20 mA y si es así­ serí­a normal que el circuito corte en 40 mA. Esto implicarí­a que el resistor deberí­a ser de 0,25V/0,040A = 6 Ohms aprox. y debe disipar 0,25V x 0,040A = 0,01W o 10 mW es decir que puede ser muy pequeño pero siempre debe ser de precisión (1%) y del tipo no inductivo (de óxidos metálicos).
La experiencia de circuitos de fuentes, nos lleva a observar que la señal del resistor shunt  Rcs siempre se aplica a la pata Cs por medio de una red RC para filtrar el diente de sierra de corriente.
Este circuito integrado, posee un circuito interno que solo deja pasar los pulsos que tienen una duración mayor a 100 nS y que se llama circuito de "blanking". Con esto se a evita la colocación del filtrado externo. Por esta razón este circuito integrado puede aceptar resistor Rcs que sean relativamente inductivos. Nuestra experiencia nos indica que acepta cualquier resistor mientras sea del tipo SMD.

1.6 CONCLUSIONES

Seguramente Ud. estará pensando que todo lo planteado es complejo y requiere un esfuerzo para estudiarlo porque la simple lectura no basta para grabar tantos detalles. Y para justificar la acción de no estudiar, seguro que piensa "cambio el integrado y seguro que lo arreglo sin pensar ni medir nada".
Se va a encontrar con la sorpresa de que con la tecnologí­a SMD se produjo un cambio notable en las probabilidades de falla y ahora no siempre "la culpa es del integrado". No es que los integrados hayan mejorado la calidad sino que los componentes SMD empeoraron notablemente comparados con un componente común luego de pasar ambos por el proceso de soldadura. Antes, cualquier resistor de carbón depositado, aun los de 1/16W soportaban tensiones de 150V. Ahora un resistor SMD0204" que tiene 0,5 mm de ancho por 1mm de largo soporta solo 30V y se arruina si lo toca con un soldador con la punta a 400ºC que es lo clásico en un soldador común de 30W. Y lo mismo pasa con los capacitores cerámicos multicapas SMD y todos los demás componentes.
Cuando yo diseñaba TVs, una nueva tecnologí­a solo buscaba aumentar la confiabilidad aunque sea a un incremento pequeño del costo. Ahora solo se busca reducir el costo del producto.
En la próxima vamos a introducirnos en la excitación de LEDs por pulsos PWM que es la técnica que se está aplicando en la actualidad en los driver de LEDs y para ello vamos a tener que repasar los diferentes valores de una señal como el valor de pico, el de pico a pico, el valor medio y el eficaz para poder aplicarlo al funcionamiento de los integrados driver de LED de 8 o más cadenas. 
Esto no es algo que hago para formar teóricos de la electrónica, sino porque es imprescindible para que el lector entienda como funciona un moderno driver de LED. En caso contrario es como si reparara por probabilidades y como ya dijimos en los LEDs no hay cálculo de probabilidades posible; fallan hasta los circuitos impresos en la misma proporción que un circuito integrado o un capacitor cerámico.
Aquí­ se acabó la brujerí­a, si no sabe, solo va a reparar algo de vez en cuando y recordará esta frase:
Equivocarse es humano; embocarla es divino. 


   
    




SALIR

Más TV LED

CHARLAS DE REPARACIÓN DE FALLAS EN PLAQUETAS MAIN GENERICAS (2)
Reparaciones genéricas

EN ESTE ARTÍCULOS CONTINUAMOS INDICANDO LA REPARACIÓN DE FALLAS GENÉRICAS EN LA PLAQUETA MAIN.

[+] Leer artículo...    


charlas sobre reparación de TV (1)
Todo sobre la plaqueta main

AQUI COMENZAMOS UNA SERIE DE CHARLAS SOBRE LA REPARACIÓN DE LCD Y SMART QUE LE PERMITIRÁ AL LECTOR ADENTRARSE EN LAS MEDICIONES QUE SE PUEDEN REALIZAR EN LAS DIFERENTES PLAQUETAS DEL TV Y COMO ACCIONAR EN CONSECUENCIA PARA REPARARLAS ANTES DE CAMBIARLAS.

[+] Leer artículo...    


LA MEMORIA DEL D5500 EN EL 3/2019 (2)
SEGUNDA PARTE

CON ESTA ENTREGA TERMINAMOS DE ACLARAR EL PANORAMA QUE LES ESPERA A LOS POSEEDORES DE SAMSUNG D5500 Y MATIZAMOS LA ESPERA DE BUENAS PARTIDAS DEL PRODUCTO, CON UNA EXPLICACIÓN CLARA DE LO QUE ES UNA MEMORIA fLASH. Y HACEMOS UN CORTO COMENTARIO SOBRE LA GUERRA COMERCIAL EE/UU VS CHINA Y COMO NOS AFECTARÁ

[+] Leer artículo...    


LA MEMORIA DEL D5500 EN EL 3/2019 (1)
MAS PROBLEMAS CON LA FLASH PARALELO

CUANDO TODO PARECÍA TRANQUILO VUELVE A SER NOTICIA LA MEMORIA FLASH SERIE DE ESTE VIEJO CONOCIDO DE TODOS LOS REPARADORES. CUANDO LA VA A COMPRAR LE DICEN: "NO TENGO STOCK" O LE DICEN QUE TIENEN STOCK PERO LE RECUERDA QUE EL MATERIAL NO TIENE GARANTÍA SI LAS PATAS ESTÁN ESTAÑADAS (Y COMO PRETENDEN QUE LA CONECTEN)

[+] Leer artículo...    


PORQUE SE QUEMAN LOS SUPERLED RECAMBIADOS
TODO SOBRE LA REPARACIÓN DE BACK LIGTH

NO HAY NADA DE MAYOR ACTUALIDAD QUE ESCRIBIR SOBRE BACK LIGTH. MIRANDO EN MI LABORATORIO Y HACIENDO UN RECUENTO ME ENCONTRE CON QUE LA MAYORIA DE LOS TVs MAS MODERNOS; LOS MAS FINITOS ESTAN TODOS POR PROBLEMAS DE BACKLIGTH. ASI QUE DECIDÍ DARLES UNA MANO PARA REPARAR LOS QUE SEGURAMENTE TIENEN EN SU PROPIO TALLER.

[+] Leer artículo...    


LED DE BACK LIGTH QUE SE VUELVEN A QUEMAR (1)
UNA REPARACIÓN DE BACK LIGTH BIEN HECHA

CUANDO INGRESA UN TV CON PROBLEMAS EN EL BACK LIGTH EL REPARADOR SABE QUE ES COMO TIRAR UNA MONEDA AL AIRE. sI EL PROBLEMA ESTA EN EL EXCITADOR DE LEDs Y ES DE SOLUCION RELATIVAMENTE FACIL O ESTA EN LOS LEDs Y TIENE QUE TRABAJAR MUCHO Y BIEN PARA OBTENER UNA SOLUCIÓN DEFINITIVA.

[+] Leer artículo...    


RESPUESTAS A PREGUNTAS DE TV 01
PRUEBAS INICIALES A UN TV LED

UNO DE LOS MIEMBROS DE MI PAGINA ME REALIZÓ UNA PREGUNTA, QUE ME PARECIÓ QUE PODIA SER DE INTERES GENERAL. ASI QUE LA VAMOS A CONTESTAR AQUI EN FORMA DE corto ARTÍCULO. EL TEMA ES INTERESANTE PORQUE EL QUE REPARA TV LED HABITUALMENTE COMIENZA HACIENDO ALGUNAS PRUEBAS AUTOMATICAMENTE Y A VECES NI SE DA CUENTA QUE LAS HACE. ASI QUE MIENTRAS REVISABA UN TV LED LAS ESTOY ESCRIBIENDO. ACLARO QUE ESTE NO ES EL ÚNICO MÉTODO POSIBLE, CADA REPARADOR LO ACOMODA A SU COMODIDAD Y AL INSTRUMENTAL QUE POSEE.

[+] Leer artículo...    






El Ing. Alberto Picerno, conocido en toda latinoamerica por sus cursos de Tv y LCD, es el autor mas prolífico sobre Electrónica, con mas de 40 libros tecnicos y cientos de articulos publicados. 

Se inicio en el mundo de la electronica de niño ayudando a su padre que era hobbysta y aficionado a la radio.

Su experiencia temprana le permitio recibirse con medalla de oro al mejor promedio de "Tecnico Nacional el Telecomunicaciones" y posteriormente volvio a obtener la medalla de oro al mejor promedio como "Ingeniero en electronica en UTN"

Leer Mas Aquí



Artículos Gratis
Sobre Electrónica
por Ing. Picerno


Ir a Artículos Gratuitos      


Libros Digitales

Adquiera los mejores
Libros Digitales (Ebooks)
Sobre Electrónica

Ir a Sección Libros      


MAPA DE LINKS:

INICIO - QUIENES SOMOS - ENTRETENIMIENTO - CONTACTENOS

TV: TRC - LCD - Plasma - LED - Smart - OLED

SOLDADURAS: SMD - BGA - Maquinas de Rebaling

TALLER: Puntas de prueba Sonda de RF - Punta de prueba BEBE - Punta de prueba Filtro Pasabajo - Instrumentos Fuentes - Instrumentos Evariac - Instrumentos SuperEvariac - Instrumentos Varios

AUDIO: Amplificadores Analogicos - Amplificadores Digitales - Bafles Caseros

MANUALES: TV TRC - TV LCD - TV Plasma - TV LED - SmartTV - TV Oled - Fuentes de TV - T-COM - Driver de LED - Inverters

EBOOKS

PROGRAMAS: Simuladores de Circuitos Multisim - Simuladores de Circuitos Livewire - Simuladores de Circuitos Proteus - Programas para PICs y memorias Ram

MICROS: Diseñando con PICS 1 - Diseñando con PICS 2

OTROS ARTICULOS

ARTICULOS DE LA A A LA Z

Ingeniero Alberto Picerno - Av. 2 de Abril 1140 - Burzaco - Buenos Aires - Argentina - Tel: (011)3974-4393
Artículos y Ebooks de Electrónica - Todos los Derechos Reservados - 2026

Diseño y Hosting RCH
rch.com.ar - redcomser.com.ar