Inicio Quienes Somos Entretenimiento Contáctenos Como Comprar los Ebooks
Ingresar Registrarse
Artículos Gratuitos sobre electrónica básica y avanzada y venta de libros electrónicos.

EBOOKS
REPARANDO COMO PICERNO TOMO 1
CAPITULO DE REGALO

por ING. PICERNO




$ 1800

Tamaño A+ A-

5Para comprar por Pagofacil o Rapipago ingrese en el triangulo selector y marque "Contado"

CAPITULO 1 DEL TOMO 1

Reparación de un TV LCD Sanyo modelo LCD-32XH4 con pantalla negra, sin sonido y con el LED piloto apagado.

                                                  INDICE GENERAL
1.1 Introducción
1.2 La sección de tensión de la fuente no regulada 
1.3 Funcionamiento del preacondicionador 
1.4 El circuito de arranque 
1.5 Reemplazo del diodo de arranque y el de segundo tiempo 
1.6 La carga con lámparas incandescentes 
1.7 Los MOSFET de baja capacidad de compuerta 
1.8 Conclusiones 

2 Reparación de fuente tipo LLC o resonante, en un TV Sanyo LCD-32XH4 

2.1 Introducción       
2.2 Pruebas completas de la fuente de back-light solamente 
2.3 Funcionamiento de una fuente LLC
2.4 La fuente llc del sanyo LCD32XH4(N5AV) 
2.5 El circuito integrado l6599 
2.6 Reparaciones en la sección LLC
2.7 Medición de un MOSFET 
2.8 Conclusiones 

3 Reparación de la fuente permanente de 5V en un TV Sanyo LCD32XH4

3.1 Introducción 
3.2 El arranque de la fuente permanente de 5V 
3.3 El circuito de protección por sobrecorriente 
3.4 La protección de sobretensión de 12/24v 
3.5 La fuente de 32V
3.6 Conclusiones 
3.7 Apendice: el tester digital para medir pulsos 

4 Reparación de un inverter en un TV Sanyo LCD32XH4 que se apaga luego de 3 segundos

4.1 Introducción 
4.2 Conexionado del inverter 
4.3 El inverter y los MOSFET (vistas de la plaqueta) 
4.4 Tipo de circuito de excitación 
4.5 Método de prueba del CI inverter 
4.6 Sensor de corriente por los tubos 
4.7 Conclusiones 
4.8 Apendice - El transformador del inverter 

5 Reparación en una pantalla LCD en un TV Sanyo LCD32XH4

5.1 Introducción 
5.2 Las filas y columnas de la pantalla 
5.3 Fallas de pantalla LCD
5.4 Fallas masivas de la pantalla 
5.5 La plaqueta LVDS
5.6 Memoria
5.7 Conclusiones

6  Reparación de un TV LCD Sanyo modelo LCD-32XH4 con pantalla negra, sin sonido y con el LED piloto apagado.

6.1 Introducción 
6.3 La falla de nuestro TV 
6.4 Modo service
6.5 La falla en la entrada HDMI
6.6 El conector DVI como antecesor del HDMI
6.7 El conector HDMI 

7  Reparación de un TV LCD Sanyo modelo LCD-32XH4 con pantalla negra, sin sonido y con el LED piloto apagado.

7.1 Introducción 
7.2 El diagrama en bloques del sonido 
7.3 La falla de nuestro equipo 
7.4 La segunda falla 
7.5 El decodificador HDMI y el audio 
7.7 Conclusiones 

8  Algunas ideas generales para simplificar las reparaciones

8.1 Los falsos contactos en equipos digitales 
8.2 El ajuste de blanco en TVs LCD
8.3 ¿Fuente o carga?
8.4 Conclusiones 

Este es el indice general de tomo1 del cual ahora vamos entregarle el capitulo 1

EQUIPO: TV SANYO LCD-32XH4
FALLA: Pantalla negra, sin sonido y con el LED piloto apagado

1.1 INTRODUCCIí"N

Una de las pocas acciones a realizar ante esta falla es tal vez la única que podemos aprovechar de nuestra experiencia en TV a TRC. Inmediatamente veremos si hay sonido y si enciende el piloto (titilando permanente o como fuera). Si la respuesta es "no" vamos a suponer que lo que falla es la fuente de alimentación.

Por supuesto, la acción siguiente es medir las salidas de fuente para ver si alguna tiene tensión y cuanta tensión tiene. Por lo general las salidas de la plaqueta de fuente tienen indicadas todas o algunas tensiones. En nuestro caso el resultado es que todas las tensiones son nulas.

Sigamos con el criterio general de reparación en un TV a TRC. Lo siguiente es buscar el capacitor de la fuente sin regular o fuente de entrada de 310V. Aquí­ ya cambia todo. Salvo en los LCD muy viejos no lo va a encontrar porque las fuentes nuevas tienen corrección electrónica del ángulo de fase y el capacitor del puente de rectificadores es de muy bajo valor.

El criterio similar al de TV a TRC se termina en la entrada de CA del puente de rectificadores.

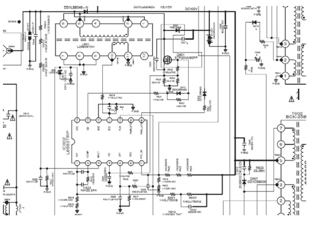
Más allá, por ahora es terreno desconocido. Inclusive esta primer parte del TV tiene sus cosas raras. En la figura 1.1.1 se puede observar el circuito de entrada.

Fig.1.1.1 Sección de entrada con filtro EMI y protecciones

Analicemos lo extraño. Sobre la entrada, después del fusible vemos un DIAC. Es el componente  que estamos acostumbrados a ver en los dimmer de iluminación, pero que en este caso es de una tensión diferente. Los de iluminación tienen una tensión de disparo de 30V y estos son de 350V. Hasta que la tensión no llega a ese valor no responden. Si llega un pulso con suficiente duración limitan y se quema el fusible. Por lo general es una protección relativa para los casos en que se levanta la tensión de red.
Luego observamos dos resistores de 10 Mohm ½ W del tipo metal Glazed que soportan  750V de tensión (no los reemplace por resistores comunes porque en los paí­ses con redes aéreas de alimentación duran hasta la primer tormenta) Observe que estos resistores se conectan a la masa del puente. En el fusible sobre el circuito y la plaqueta está escrito "LIVE".

Esto significa que debe estar conectado sobre el polo vivo porque actualmente la red tiene polaridad fija y los tomacorrientes tienen normalizada la pata neutra. Posteriormente existe un componente muy moderno que es la "llave térmica de estado sólido" R603. Este componente prácticamente no tiene caí­da de tensión a la corriente nominal. Pero con sobrecorriente se abre y permanece en ese estado hasta que circule corriente nula, es decir: hasta que se desconecte el TV de la red y se vuelva a conectar (puede considerarlo como un PTC con memoria). Sólo se puede reemplazar por otro de las mismas caracterí­sticas exactas. Si no lo consigue le recomendamos indicarle al usuario que tiene que usar una llave térmica externa y reemplazar R603 por un puente.

Luego se observan dos capacitores de 470 pF conectados al chasis metálico del TV que deberí­a estar conectado a la tierra real mediante el tercer cable de masa del tomacorriente. En realidad el modelo que estamos analizando tiene los dos resistores de 10 Mohm conectados al chasis metálico en paralelo con los capacitores.

Luego se observan dos filtros EMI pero el modelo que analizamos sólo tiene el JP602; el JP603 no está colocado y está reemplazado por puentes de alambre. C604 no tiene ni siquiera lugar previsto. C601 y C605 existen y aí­slan las interferencias junto con el filtro JP602.

Por último, se conectan otros dos capacitores al chasis general que se llaman C609 y C610. En realidad, la masa con el sí­mbolo similar a un escobillón deberí­a ir conectada a la jabalina de la instalación eléctrica, pero el cable de red solo tiene vivo y neutro por lo que este detalle no se cumple y estos capacitores, que son de blindaje para RF, pueden estar captando cualquier cosa en lugar de derivarla a tierra.

Para nosotros la medición a realizar es la alterna sobre el puente de rectificadores o sobre C610 y C609. En nuestro caso, si todo está bien en la entrada, se medirán 220V eficaces. 

Hasta aquí­ podemos considerar que todo es normal o por lo menos parecido a un TV a TRC. Ya en el punto siguiente, tendremos el primer cambio fundamental.

1.2 LA SECCIí"N DE TENSIí"N DE LA FUENTE NO REGULADA

En la figura 1.2.1 se puede observar el puente de rectificadores con su capacitor de filtro, que en este caso es de muy bajo valor; tan bajo como 1,1 uF.

Fig. 1.2.1 Puente de rectificadores

Los capacitores de filtro son de 1uF y .1uF en paralelo. Con el consumo normal del TV esto significa que prácticamente la tensión será una señal senoidal rectificada como si no tuviera capacitor. Esta señal no se puede medir con un tester digital. El instrumento indicado es un tester de aguja que va a medir un valor proporcional al valor medio de la señal. Un tester de aguja en CC nos va indicar 220V sobre los capacitores si el TV tiene el consumo correcto y 310V en nuestro caso donde no hay consumo y por lo tanto los capacitores se van a cargar a pico.

Es decir que una tensión de 310V significa que hay un problema, al revés de lo que ocurre con un TV TRC que significa que todo está bien. Observe que la tensión del puente de rectificadores se conecta a la pata 2 del primer transformador de pulsos.

Si Ud. quiere estar seguro que el puente funciona bien deberí­a reemplazar la carga del TV con una carga que consuma lo mismo que el TV. El TV consume 165W porque así­ está indicado en la tapa. No tiene sentido en este caso construir una carga resistiva, porque para una prueba correcta hay que desconectar la pata 2 del transformador y con ella toda la electrónica.

Utilice una lámpara de 220V x 150W y mida con un osciloscopio una señal senoidal rectificada en onda completa o mida 220V con un tester de aguja. Ver la figura 1.2.2.

Fig.1.2.2 Tensión sobre los capacitores

Observe que los pulsos aparecen con los picos recortados y sólo llegan hasta 265V. Este es un problema de la red donde se realizó la medición y la señal en el tablero de entrada que ya está distorsionada. El semiciclo más iluminado es un problema de batido en la cámara que tomó la fotografí­a, ya que es electrónica.
Este oscilograma nos indica que realmente todo el circuito de entrada hasta el rectificador y los capacitores se encuentra en buen estado, que es un excelente punto de partida para toda reparación de fuente ya que un diodo abierto en el puente puede causar complicados problemas en el funcionamiento de la fuente preacondicionadora.
Esta tensión se aplica al conjunto de resistores R604, R605, R606 y R627 con C622 de .01 uF en paralelo, que llevan una muestra de la tensión sobre el capacitor de entrada a la pata 3 (MULT) del IC602, para que el mismo genere una PWM de salida que compense el ripple de entrada. Para que este integrado funcione, se requiere que tenga una tensión de fuente en la pata 14 VCC. Las mediciones con el tester digital indican que en ese punto tenemos una tensión nula, lo que nos lleva a analizar el funcionamiento del integrado para ver si entendemos porqué no arranca.

En la figura 1.2.3 se puede observar una simulación en Multisim que nos ahorra todo el trabajo de cálculo que deberí­amos realizar para conocer la señal sobre la entrada MULT.

Fig.1.2.3 Simulación del circuito puente y el divisor de MULT

Observe los siguientes detalles. Si no tiene un tester analógico o no quiere realizar cálculos de transformación de valor medio a eficaz, puede construir dos sondas; una de valor medio y otra de valor pico para fuentes de baja frecuencia y usar con el tester digital que siempre tiene menos error y es más robusto que un tester analógico.

La sonda de valor medio se construye con un resistor de carbón de 100K 1/2W y un capacitor de 10 uF poliéster metalizado de 400V. La sonda de valor pico con el mismo capacitor y un diodo de fuente.

Entre ambas indicaciones pico/medio debe haber una relación de 1,53 veces. Una relación diferente con el puente cargado debe hacernos sospechar de algún diodo del puente abierto o con resistencia interna elevada. Las consecuencias sobre el equipo pueden ser que no arranque la fuente o que se produzca zumbido en los parlantes o cortes con bandas horizontales negras o de color pleno en la imagen, quietas o con un suave movimiento si el equipo está trabajando en una norma cuasi sincrónica PALN o PALB, o con un movimiento rápido en una norma asincrónica NTSC o PALM. Nota: válido para Argentina, Uruguay y Europa; transponga los efectos para otros paí­ses que tengan NTSC o PALM.

En nuestro equipo todas las mediciones resultaron correctas, por lo que descontamos que el circuito de entrada funciona correctamente.

1.3 FUNCIONAMIENTO DEL PREACONDICIONADOR

Un preacondicionador toma una señal rectificada de onda completa sin capacitor y la transforma en otra señal de 400V de CC, con apenas un pequeño ripple de 100 Hz sobre un electrolí­tico de 150 uF x 450V.

En nuestro equipo medimos 0V sobre el capacitor de 150 uF. Esto podrí­a interpretarse como un circuito de fuente abierto, o una carga en cortocircuito que haga cortar la fuente.

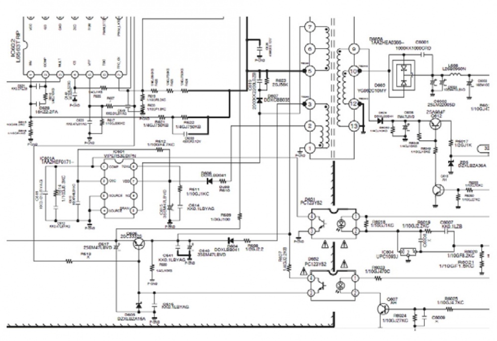
Hasta ahora no necesitamos realizar ninguna carga resistiva especial, pero en este momento, para salir de dudas debemos realizar una prueba del preacondicionador sin utilizar como carga al resto del circuito de fuente. Esto requiere el uso de una carga que disipe 160W cuando se le aplican 400V. La resistencia a utilizar se calcula como R=V2/P = 1.000 ohm. Como los resistores de alambre estándar de mayor potencia, son de 25W, deberí­amos utilizar por lo menos 8 de 120 ohm que resulta bastante complejo. Yo desaconsejo el uso de lámparas incandescentes como carga de fuente; pero en este caso y por razones que se explicarán más adelante, se pueden utilizar dos lámparas en serie de 75W. En nuestro caso, aislamos el resto de la fuente con un corte en la pista que sale verticalmente del capacitor electrolí­tico (donde se obtienen los 400V) y conectamos las lámparas sobre el electrolí­tico. La prueba sigue dando una tensión nula, de donde deducimos que no es un problema de exceso de carga. Esto significa que debemos trabajar sobre el circuito del preacondicionador, su alimentación y sus señales auxiliares porque allí­ se encuentra la  falla. En la figura 1.3.1 se puede observar el circuito correspondiente.

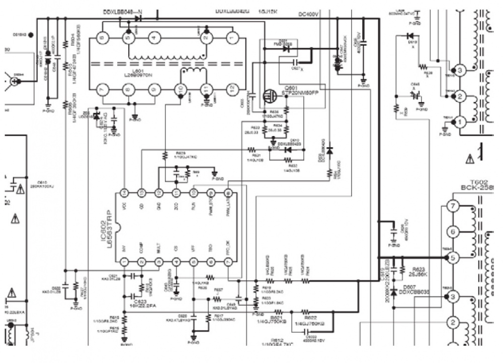
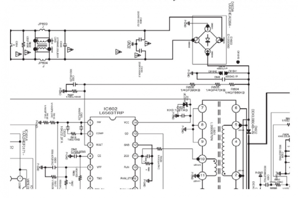
Fig.1.3.1 circuito del preacondicionador

En la parte superior se observa que la fuente no regulada se conecta a la pata 2 del transformador (que podrí­amos considerar perfectamente como un simple inductor despreciando por ahora a la bobina 10-11). Sobre la pata 5 se conecta el transistor llave (que prácticamente va a conectado a masa porque R633 y R634 son de .33 ohm). De la misma pata 5 se obtiene la energí­a de salida por medio de D601 que finalmente se conecta al capacitor electrolí­tico de salida C647.

Este circuito es clásico; se trata de una fuente tipo fly-back o del tipo de transferencia indirecta porque el transistor carga al inductor en el primer tiempo y lo descarga sobre el diodo hacia el electrolí­tico y la carga, en el segundo tiempo.

La llave es un MOSFET de alta velocidad (o baja capacidad de compuerta) que tiene un doble circuito de excitación. La compuerta se carga por R631 y R632 y se descarga a menor impedancia por D610 y R631. La compuerta se excita por intermedio de la pata 13 (GD).

Los resistores sensores de corriente R633 y R634 recogen un diente de sierra y lo enví­an a la pata 4 (CS) donde se conecta un capacitor de filtro de pulsos C643. Nota R632 y R634 deben ser no-inductivos del tipo de depósito metálico.

Con lo que sabemos hasta aquí­ del circuito integrado, tenemos dos alternativas : seguirlo estudiando completo o tratar de determinar porque no funciona, con lo aprendido hasta aquí­ (y seguir con las explicaciones más adelante). Sigamos el segundo camino. Para que un circuito funcione debe tener alimentación de fuente. Por lo tanto podemos poner el tester sobre la pata 14 (VCC) y conectar el TV a la red. En ningún momento aparece tensión de VCC.

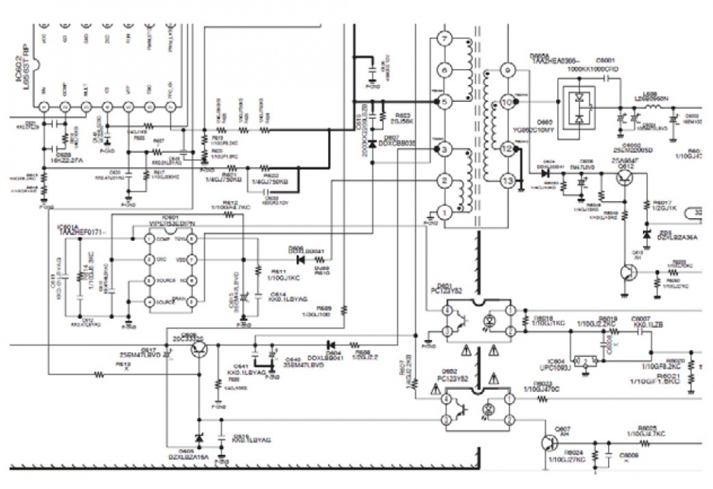
Si seguimos el circuito, vemos que VCC se alimenta desde un regulador de tensión con un transistor, comandado por una señal de encendido. En la figura 1.3.2 se puede observar la sección correspondiente del circuito.

Fig.1.3.2 Sección de alimentación de fuente del CI

A la izquierda se observa la sección caliente de la fuente y a la derecha la sección frí­a. Por el resistor R6025 llega la señal ON-OFF. Supuesto el caso que existiera tensión sobre la pata 1 del optoacoplador D652 que se alimenta desde la fuente de 5V, cuando ON-OFF sea alta (3,3V) el transistor Q607 conduce y enciende el LED del optoacoplador. El transistor del optoacoplador conduce y enví­a tensión al zener D605 en la base de Q606.

Cuando Q606 conduce, enví­a la tensión rectificada de la pata 3 del transformador T606 que  está en su colector, a la pata de fuente del CI del preacondicionador y éste funciona. Pero aunque no está en el circuito, el transformador se alimenta desde los 400V y en nuestro caso sabemos que dicha tensión no existe.

No existe pero la podemos reemplazar, para tratar de que el preacondicionador arranque. Esta tensión debe ser igual a la tensión del zener D605, menos la barrera del transistor. Es decir unos 15V aproximadamente.

Realizada la prueba observamos que los 400V siguen sin aparecer. Estudiando el circuito se ve que hay una pata de encendido del preacondicionador que es la 10 y se llama RUN y que además a la tensión de encendido se la aplica por un divisor a la pata 5 (VFF).

Aplicando una fuente regulada de prueba de 15V a la base de Q606 podemos realizar una prueba con alimentación y señales de control observando que en este caso encienden las lámparas en serie de 75W conectada sobre los 400V. Esto significa que el preacondicionador funciona correctamente. Si no encendieran se debe recordar que este es un circuito auto oscilante y repararlo en consecuencia.

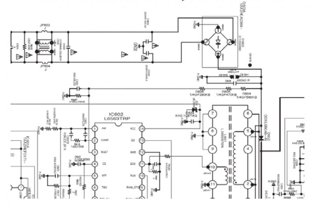
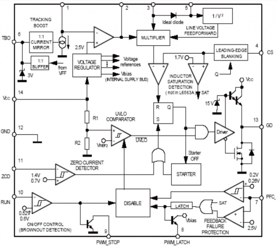
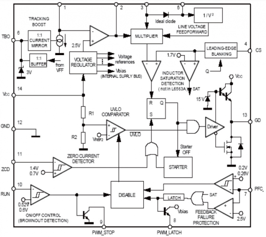
Para los casos en que no arranque el preacondicionador le mostramos el diagrama en bloques del CI L6563TRP indicándole las caracterí­sticas particulares del mismo. Se trata de un circuito auto-oscilante donde la frecuencia de oscilación está prácticamente determinada por la inductancia del transformador y la tensión de la fuente no regulada. En efecto el circuito arranca cerrando la llave a MOSFET y leyendo el incremento de la tensión sobre las resistencias en paralelo (shunt). Cuando la tensión llega a determinado valor el circuito conmuta abriendo la llave MOSFET y esperando una sobretensión que carga el capacitor electrolí­tico de salida mediante el diodo D601. El CI se entera de la existencia de la sobretensión mediante la señal provista por el bobinado 11-10, acoplado al CI por la pata 11 (ZCD) que es detector del pasaje por cero del sistema. Mediante la comparación de la señal en la pata 11 y la de la pata 4 el CI regula la frecuencia y el periodo de actividad. Los valores de inductancia del inductor son tales que la frecuencia central de trabajo es del orden de los 60 a 100 kHz que es una frecuencia relativamente baja para los MOSFET actuales.

Fig.1.3.3 Diagrama en bloques del IC602 L6563TRP

Observe que existen dos circuitos de realimentación desde la salida regulada de 400V. Uno va hacia la pata 1 (INV) llevando una muestra de la tensión regulada para el control suave de la PWM de excitación. La otra realimentación es a la pata 7 PFC_OK y provee un corte del funcionamiento cuando la tensión de salida genera más 2,5V o está por debajo de 0,26V (comparador indicado como feedback failure protection o protección contra falla de realimentación). Si esto es correcto una simulación de Multisim nos dará la comprobación y nos indicará los valores de tensión de salida regulada (400V) que opera la regulación y la protección.

Como se puede observar la tensión sobre la pata 1 (INV) es igual a 2,5V cuando la salida regulada es de 410V. Del mismo modo, si levantamos la tensión regulada observaremos que la pata 7 (PFC_OK) es de 2,5V cuando la salida sube hasta 475V.

FIG.1.3.4 Tensión de regulación de 2,5 V para una salida de 410V

La mí­nima tensión permitida se conoce bajando la tensión regulada hasta que la pata 7 llegue a 50V. La pata 8 (PWM_LATH) es una salida de protección que apaga la fuente de back-light en caso de necesidad. La pata 9 (PWM_STOP) es una salida que puede servir para encender otras fuentes. En este modelo no se necesita. La pata 10 (RUN) realiza el apagado y encendido en un valor de tensión de transición de
unos 0,5V aproximadamente (alta encendido). La pata 11 ZCD es la pata de realimentación o auto-oscilante del sistema. Como aplica la tensión de un bobinado del inductor principal, cuando este inductor cambia de corriente creciente a decreciente, se produce una señal rectangular con un flanco abrupto. Su pasaje
por cero determina el momento en que la llave MOSFET se abre y es una indicación para que el integrado genere el tiempo adecuado para generar la adecuada PWM de salida. Las patas 14 VCC y la 12 masa no requieren explicación.

La pata 6 TBO es una salida de tensión regulada de 3V que en nuestro caso no se usa. La pata 1 (INV) es la entrada del amplificador de error. Se conecta al divisor que provee el ajuste de los 400V de salida. Desde allí­ se debe conectar un atenuador de precisión para que genere una tensión igual a la referencia interna conectada a la otra entrada del comparador. La pata 1 también sirve para darle la ganancia adecuada al amplificador de error porque en ella se conecta la red de realimentación negativa del amplificador proveniente desde la pata 2 (COMP).

Para tener una idea de la curva de respuesta del amplificador de error, se puede realizar una simulación en Multisim del filtro de realimentación. Ver la figura 1.3.5. La exploración con el generador de Bode nos indica que hay un primer hombro en 10 Hz donde la atenuación es de -6dB (0,5 veces) permaneciendo plana hasta 500 Hz para tener otro hombro en 10 KHz en donde se mantiene plana sin atenuación hasta el infinito. Las atenuaciones del orden de los 20 dB (10 veces) recién se producen a los 0,5 Hz. En una palabra, que el amplificador de error tiene ganancia de 10 veces en frecuencias por debajo de 1 Hz y a la frecuencia del ripple de entrada (100 Hz) no tiene prácticamente ganancia y no puede producir corrección de la PWM por este camino.

FIG.1.3.5 Curva de respuesta del amplificador

La corrección PWM de alta velocidad se produce por la pata 3 (MULT) en donde se conecta un atenuador a la señal de entrada del puente de rectificadores.

La pata 5 (VFF) aplica una tensión 0 al multiplicador para producir el apagado del sistema. La pata 4 es el ingreso de la señal de realimentación de corriente y la protección del sistema por exceso de corriente sobre los resistores sensores, si los pulsos superan los 1,7V.

Por último la pata 13 es la salida de pulsos PWM. Observe que es un sistema asimétrico. Un MOSFET se encarga de producir un cortocircuito a masa para descargar el capacitor de compuerta del MOSFET de potencia externo y dos transistores en configuración Darlington para proveer la corriente de carga del mismo.

1.4 EL CIRCUITO DE ARRANQUE

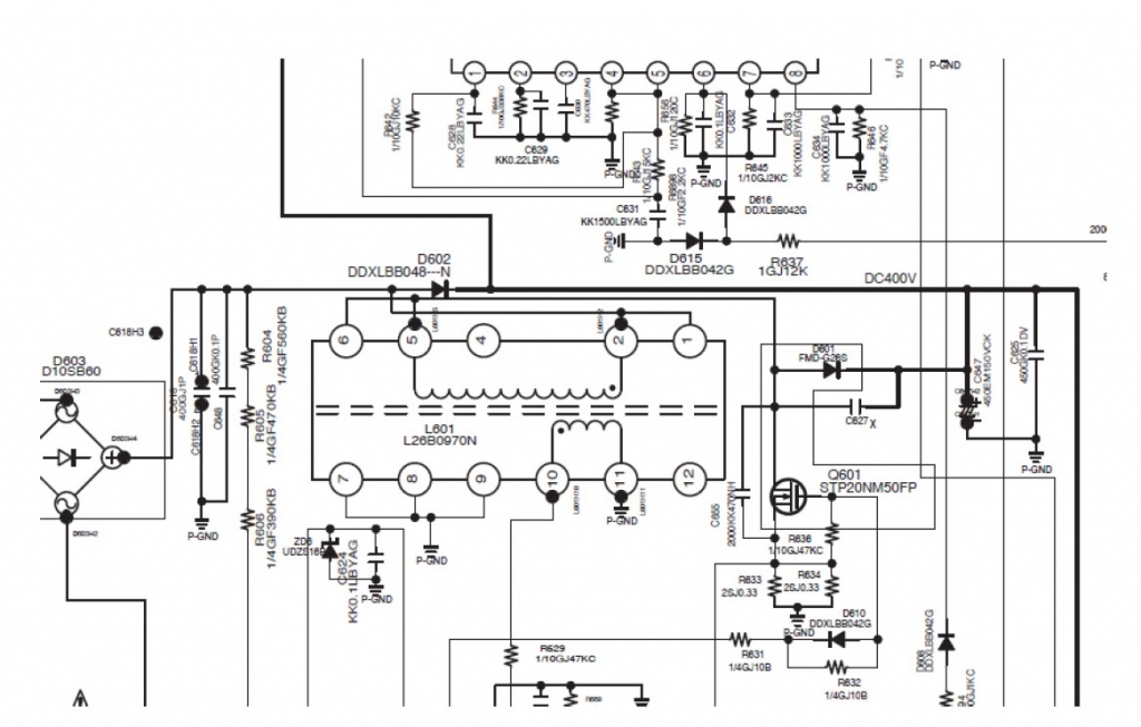
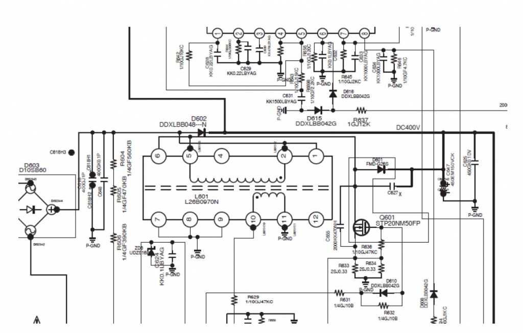
El circuito de arranque de la mayorí­a de las fuentes preacondicionadoras modernas es una maravilla de sencillez, aunque no contempla el problema del efecto dominó (una falla que genera otra, que a su vez genera otra, etc..). En la figura 1.4.1 se puede observar la parte importante del circuito.

Fig.1.4.1 Sección de arranque del preacondicionador

El componente que genera el arranque es el diodo D602, conectado entre la salida del puente y la tensión de 400V. Cuando se conecta el TV a la red aparece la señal pulsante sobre los pequeños capacitores de la fuente no regulada y este diodo trata de cargar a pico al capacitor C647 es decir que si todo está bien y no hay cortocircuitos sobre el capacitor existe una tensión de 300V aproximadamente, que es desde todo punto de vista suficiente para hacer arrancar a todas las otras fuentes, salvo aquellas que deben permanecer cortadas por la señal ON-OFF. En realidad, sólo arranca la fuente del micro y la que alimenta al opto de encendido y al circuito asociado.

Por esta razón el equipo puede permanecer en esta condición de Stand-By todo el tiempo que fuera necesario sin que D602 se caliente. Cuando llega la señal ON-OFF arranca el preacondicionador y la tensión de salida sube a 400V. En esa condición C602 queda polarizado en inversa aun para los picos de 300V y toda la energí­a del equipo la maneja el MOSFET Q601.

En nuestro caso la falla era que el diodo D601 estaba abierto y por lo tanto no existí­a condición de arranque. Esta falla nos enseña que lo primero que se debe medir es la tensión sobre C647. Si no hay un cortocircuito, allí­ deben medirse por lo menos 300V. Pero mi consejo es no apurarse y probar con la carga de las dos lámparas en serie y el resto de la fuente desconectada.

Si no hay 300V entonces hay que revisar el diodo D602. Pero si está abierto no se lo debe cambiar y probar sin antes analizar la posibilidad de una falla tipo dominó. Por eso no fue en vano realizar todas las pruebas que realizamos. En efecto, lo más común es que se haya puesto en cortocircuito el MOSFET Q601 que dejó de cargar al capacitor C647, hasta que el TV se apagó por la protección debido al aumento de la corriente por el diodo y lo abrió.

En realidad, hay una confrontación de poderes. También es posible que se hayan quemado los resistores shunt R633 y R634 y que el diodo D602 se haya salvado. Pero en este caso sobre los resistores abiertos queda un potencial de 300V que se aplica a la pata 4 sensora de corriente del CI preacondicionador L6563TRP a través de R635 que seguramente está quemada.

¿Y el circuito integrado cómo sale de esta matanza en cadena? Por lo general bien, porque su entrada de corriente está protegida con diodos internos. La vida del diodo D602 depende de R603 que como sabemos es un termistor con memoria,
que funciona como una llave térmica. En el circuito está indicado como DHXAVB019, pero en la plaqueta es un componente sin ninguna marca ni código. Está construido con materiales cerámicos conductores muy especiales y su uso es cada vez más frecuente en equipos electrónicos; aunque actúan con bastante rapidez, no siempre son capaces de proteger a un semiconductor. Son colocados sobre todo para evitar males mayores como fuego y humo.

Es decir que cuando no hay tensión sobre C647 se debe proceder a medir todos los componentes nombrados antes de volver a conectarlo. Pero entre ellos hay un componente que no puede ser medido con un tester digital, salvo para saber si está cortado: los resistores shunt. Realmente es increí­ble que uno de los componentes que siempre está en el medio de las fallas más comunes, no tenga un modo de ser medido con precisión. En el ebook "Instrumentos especiales" el autor corrige esta falencia con el diseño de un sencillo y económico medidor de resistores menores a 5 Ohms que es en realidad una prolongación de un tester digital.

1.5 REEMPLAZO DEL DIODO DE ARRANQUE Y EL DE SEGUNDO TIEMPO

¿Qué caracterí­sticas debe tener el diodo de arranque D602 abierto en nuestro LCD?.  De un lado hay una señal pulsante producto de la rectificación de una tensión de red de 50 Hz es decir una señal de 100 Hz, y por el otro un capacitor inicialmente descargado de 150 uF y una carga resistiva de 1kohm. Cuando el preacondicionador arranca el diodo deja de funcionar porque queda con una inversa que varia entre 100V y 400V. El pulso de corriente inicial es imposible de calcular. La corriente eficaz por el diodo en el arranque corresponde a una carga de 1kohm sobre 300V que es de 300 mA. Ingresamos a Internet y pedimos una búsqueda con el nombre clave DDXLBB048N que resultó nula. Insistimos con DDXLBB048 y también obtuvimos un resultado nulo. Lo que ocurre es que se trata de un código interno de Sanyo.

La información de equivalencia esta en algún lugar del manual. Lo más rápido es utilizar el buscador del Adobe Reader. Entrando en la solapa edición,  búsqueda avanzada y escribiendo  D602 aparecen todos los lugares en donde existe el diodo; entre otros la lista de materiales. Y en la lista de materiales está indicado como equivalente el RL255. Ahora sí­ el buscador Google nos devuelve una información que indica que se trata de un diodo rectificador común de 2,5A - 600V.

Nos animamos a realizar la prueba con un diodo genérico 4A 700V y el resultado fue bueno.

Si no pudiera encontrar la información aconsejamos colocar un diodo recuperador de TV a TRC. Y el mismo componente sirve para reemplazar al diodo D601 en caso de cortocircuito.

1.6 LA CARGA CON LAMPARAS INCANDESCENTES

Ahora que ya conocemos el final de la novela podemos contar porqué un personaje que siempre fue un malvado, se transforma en héroe. En todos mis trabajos sobre fuentes pulsadas explico que no se deben usar lámparas incandescentes como cargas de fuente. Y apoyo mi pedido indicando a los alumnos que midan la resistencia de una lámpara con un tester y me indiquen el resultado en la clase siguiente.

Por supuesto todos vuelven asombrados porque prácticamente son un cortocircuito. En conclusión: un filamento apagado casi no tiene resistencia y es posible que la fuente no arranque y sin embargo no tenga nada mal.

Pero esta fuente es diferente. La salida está alimentada con un diodo y las lámparas deben encender aunque sea a medias porque se alimentan con 150V en lugar de 220V. Esto es suficiente para calentar el filamento y hacer que la lámpara tenga un valor resistivo cercano al normal.

1.7 LOS MOSFET DE BAJA CAPACIDAD DE COMPUERTA

Entre los problemas que arrastramos los reparadores de LCD se encuentra la falta de componentes de reemplazo. Este no es un problema permanente sino circunstancial debido a la poca cantidad de TVs LCDs dañados en el mercado. Esto por supuesto se va a ir normalizando con el tiempo a medida que vaya variando la composición del parque de TVs; Está previsto que en el año 2012 el 66% de los TVs sean de pantalla plana. Pero por ahora los materiales no existen y se necesitan muchos conocimientos para suplantar a esos componentes faltantes.

El problema se suscita en aquellos TVs que tuvieron un efecto dominó y como consecuencia terminaron con el MOSFET quemado. Por supuesto corresponde preguntar a las casas de componentes electrónicos por el componente, con todas sus letras. En nuestro caso el resultado fue nulo y la pregunta fue de rigor: ¿dónde se usa? En algún caso buscaron el componente por Internet y nos ofrecieron un reemplazo genérico.

Por supuesto que ningún comerciante va a tomarse el trabajo de realizar una lectura a fondo de las especificaciones del componente. Ese es un trabajo que nos corresponde a nosotros y que no es fácil realizar, porque ya entra en la categorí­a de ingenierí­a de service.

Seguramente en todos los TVs se utiliza un MOSFET de potencia de baja capacidad de entrada, también llamado de baja carga, aunque todo depende de la frecuencia de trabajo. Y la frecuencia de trabajo a veces es fácil de calcular porque se ajusta con un RC externo pero otras veces no, como en nuestro caso, porque se depende de la realimentación de corriente y de tensión alterna y de la inductancia del bobinado del tranformador. Otras veces es fácil de calcular porque depende del producto de la resistencia por la capacidad conectada sobre la pata del oscilador interno del CI.

Por suerte es posible bajar directamente del Google la especificación del MOSFET STP20NM50FP cuyas caracterí­sticas principales son Canal N, 500V, 20A, 0,2 Ohms. Con esto podemos comenzar la búsqueda del reemplazo. Pero por lo general aconsejamos no recurrir a las casas del gremio de reparadores sino a los grandes distribuidores. Por ejemplo en Argentina recurrimos a Electrocomponentes, a
Dicomse y a Elemon que tienen departamentos de ingenierí­a.

Por ejemplo, el IRFP640 es un Canal N, 500V, 20A, 0,27 ohm, que se consigue, por lo menos en Argentina. Pero ahora hay que analizar sus caracterí­sticas comparadas de compuerta. La capacidad de entrada es el parámetro más fácil de comparar. El MOSFET original tiene una capacidad de 1.480 pF y el IRFP640 tiene 4.100pF.
Por el momento no sabemos qué recomendarle porque cada tanto aparece algún comerciante que trae MOSFETs de baja capacidad de compuerta. Intente pedirlo en forma genérica en algún comercio, que tenga un vendedor técnico capacitado y en caso contrario, forme grupo con otros técnicos y hagan una compra en el exterior. Por ejemplo, en Argentina, Electrocomponentes realiza operaciones que llaman "x10" y "x100" en donde le traen del exterior lo que Ud. necesita mientras tenga la paciencia de esperar que llenen un contenedor con todos los pedidos.

No podemos predecir lo que puede ocurrir si reemplaza el MOSFET original por otro de capacidad 2,7 veces mayor. Es muy probable que funcione pero levantando temperatura porque la excitación queda con un flanco mayor, es decir que el transistor tarda más en cortar. Pero podrí­a servir como confirmación de que el aparato no tiene otra falla y que si se consigue el MOSFET el service está terminado.

Si no hay modo de conseguir el MOSFET, puede reducir el valor de R631 a 4,7 ohm con lo cual se va a enfriar el MOSFET pero se va calentar el CI, pero siempre le queda el recurso de utilizar un disipador con turbina para PC. Por supuesto, aví­sele al cliente que tuvo que recurrir a una solución heroica y explí­quele todo para hacerlo partí­cipe del milagro.

1.8 CONCLUSIONES

Yo no quiero asustar a nadie; pero la realidad es así­: el que reparaba las fuentes de los TV a TRC cambiando todos los materiales uno por uno está muerto y enterrado a 10 metros de profundidad. En estas fuentes de LCD el que sabe repara y el que no sabe se abstiene, por decirlo de un modo culto.

Inclusive con un gran conocimiento del tema, se puede llegar a fracasar por falta de componentes tan comunes como un MOSFET o un diodo. ¿Qué le queda al que tiene que conseguir todos los componentes porque repara haciendo el ta te ti? Le queda recapacitar sobre su destino y dedicarse a estudiar, tratando de recuperar todo el tiempo perdido.

Para comprar por Pagofacil o Rapipago ingrese en el triangulo selector y marque "Contado"


$ 1800



SALIR

Más EBOOKS

LA BIBLIA DEL LED PACK TOMOS 1, 2, 3 Y 4
INDICACIONES PARA REALIZAR LA COMPRA

BRINDAMOS A NUESTROS LECTORES TODAS LAS FACILIDADES PARA REALIZAR LA COMPRA DE COLECCIÓN COMPLETA COMENZANDO POR UN DESCUENTO POR PAGO AL CONTADO Y CON LA POSIBILIDAD DE COMPRAR A PLAZOS POR TARJETAS DE CREDITO.

[+] Leer artículo...    


LA BIBLIA DEL PIC CON NIPLE TOMO 10
TODO SOBRE EL SCADA

Un Scada es un sistema de seguimiento a distancia de alguna planta de producción o control y NIPLE no puede dejar de darle la importancia que tomaron en la actualidad dentro de las grandes o pequeñas empresas

[+] Leer artículo...    


LA BIBLIA DEL TVLED TOMO 7
CONSEJOS PARA REPARAR MONOPLAQUETAS

EN ESTE ARTÍCULO Ud PODRÁ APRENDER TODO LO NECESARIO PARA DEDICARSE A LA REPARACIÓN DE TVs LED CON PLAQUETA ÚNICA AUNQUE SOLO ES UNA MÍNIMA SÍNTESIS DEL EBOOK

[+] Leer artículo...    


LA BIBLIA DEL PIC CON NIPLE TOMO 9
COMUNICACIONES POR RF (CONTROL REMOTO)

UNA DE LOS ASPECTOS MAS DESEABLES PARA LOS DISEÑOS CON PICs ES PODER CONTROLAR DISPOSITIVOS A DISTANCIA. Y POR ESO COMENZAMOS ESTE TERCER GRUPO DE EBOOKS CON ESTE TEMA.

[+] Leer artículo...    


LA BIBLIA DEL PIC CON NIPLE TOMO 1 al 8
ANTOLOGÍA DEL PIC CON NIPLE

8 EBOKS QUE FORMAN LA ANTOLOGIA DEL PIC CON NIPLE REUNEN TODO LO NECESARIO PARA QUE UD. APRENDA A DISEÑAR SIN ESFUERZO Y CON TODO LO NECESARIO PARA REALIZAR PROGRAMAS DE PROYECTOS COMPLETOS CON SIMULACIÓN Y CIRCUITO IMPRESO

[+] Leer artículo...    


LA BIBLIA DEL PIC CON NIPLE TOMO 5, 6, 7, 8
PROGRAMACION VISUAL DE PICS

UNA BREVE RESEÑA DE LA SEGUNDA PARTE DEL CURSO PROGRAMACIÓN DE PICs EN FORMA GRAFICA Y LA CONSTRUCCIÓN DE DISPOSITIVOS ELECTRÓNICOS CON MICROPROCESADORES.

[+] Leer artículo...    


LA BIBLIA DEL TVLED TOMO 6
SECCION DE BACKLIGTH TV LED MONOPLAQUETA

PRESENTACIÓN DEL TOMO 6 DE LA BIBLIA DEL TV LED

[+] Leer artículo...    






El Ing. Alberto Picerno, conocido en toda latinoamerica por sus cursos de Tv y LCD, es el autor mas prolífico sobre Electrónica, con mas de 40 libros tecnicos y cientos de articulos publicados. 

Se inicio en el mundo de la electronica de niño ayudando a su padre que era hobbysta y aficionado a la radio.

Su experiencia temprana le permitio recibirse con medalla de oro al mejor promedio de "Tecnico Nacional el Telecomunicaciones" y posteriormente volvio a obtener la medalla de oro al mejor promedio como "Ingeniero en electronica en UTN"

Leer Mas Aquí



Artículos Gratis
Sobre Electrónica
por Ing. Picerno


Ir a Artículos Gratuitos      


Libros Digitales

Adquiera los mejores
Libros Digitales (Ebooks)
Sobre Electrónica

Ir a Sección Libros      

MAPA DE LINKS:

INICIO - QUIENES SOMOS - ENTRETENIMIENTO - CONTACTENOS

TV: TRC - LCD - Plasma - LED - Smart - OLED

SOLDADURAS: SMD - BGA - Maquinas de Rebaling

TALLER: Puntas de prueba Sonda de RF - Punta de prueba BEBE - Punta de prueba Filtro Pasabajo - Instrumentos Fuentes - Instrumentos Evariac - Instrumentos SuperEvariac - Instrumentos Varios

AUDIO: Amplificadores Analogicos - Amplificadores Digitales - Bafles Caseros

MANUALES: TV TRC - TV LCD - TV Plasma - TV LED - SmartTV - TV Oled - Fuentes de TV - T-COM - Driver de LED - Inverters

EBOOKS

PROGRAMAS: Simuladores de Circuitos Multisim - Simuladores de Circuitos Livewire - Simuladores de Circuitos Proteus - Programas para PICs y memorias Ram

MICROS: Diseñando con PICS 1 - Diseñando con PICS 2

OTROS ARTICULOS

ARTICULOS DE LA A A LA Z

Ingeniero Alberto Picerno - Av. 2 de Abril 1140 - Burzaco - Buenos Aires - Argentina - Tel: (011)3974-4393
Artículos y Ebooks de Electrónica - Todos los Derechos Reservados - 2025

Diseño y Hosting RCH
rch.com.ar - redcomser.com.ar