Inicio Quienes Somos Entretenimiento Contáctenos Como Comprar los Ebooks
Ingresar Registrarse
Artículos Gratuitos sobre electrónica básica y avanzada y venta de libros electrónicos.

TV OLED
DEL LED AL OLED (3)
REPARACIÓN DE UN DRIVER DE LED

por ING. PICERNO




Tamaño A+ A-


3.1 INTRODUCCIÓN

Las fuentes reguladas de los viejos TV TRC no son muy diferentes de este driver para LEDs. La diferencia fundamental es que la fuente del TRC es un conversor de tensión continua a tensión continua y el drive de LED es un conversor de tensión continua a corriente PWM (pulse wide modulation o modulador por ancho de pulso).
Una fuente regulada de tensión se puede convertir en una de corriente simplemente cambiando la realimentación que ingresa por la pata FB. Pero obtendrí­amos simplemente una fuente de corriente analógica con un rendimiento tan solo aceptáblemente bueno. Los circuitos integrados driver de LEDs utilizan técnicas de excitación de las cadenas de LED del tipo PWM que aumentan el rendimiento al máximo posible.
El rendimiento de este tipo de conversor es excelente y los TVs tienen un mejor brillo y contraste dinámico del tipo 0D. Si hay que reproducir una pantalla negra los LEDs de back ligth se apagan y si luego hay que reproducir una blanca se encienden a máxima corriente.
El ZLED7015 es un circuito integrado clásico para excitación 0D que ya a sido superado por otros más eficaces para 1D, pero didácticamente es conveniente estudiarlo primero para que sea más simple entender los circuitos más modernos y para reparar los relativamente viejos "TV LED" y los viejos y modernos monitores LCD.
   
3.2 CIRCUITO DE APLICACIÓN

                             Fig.3.2.1  Diagrama en bloques y circuito de aplicación

Como el lector puede observar las diferentes cadenas de LEDs están montadas en paralelo. Esto significa que la suma de las barreras de los LEDs deben ser prácticamente iguales, para que la corriente se divida entre ellas con el mismo valor. Es decir que las cadenas de LEDs son especialmente seleccionadas y apareadas en fábrica y un cambio de LED puede generar diferencias de brillo de fondo. Por lo general este circuito integrado se utiliza con una placa de Lucite con sus bordes llenos de LEDs que forman 4 cadenas de 10 LEDs. Un error en una cadena causa un exceso de iluminación en uno de los lados. Si esa cadena fue reparada debe medirse su barrera conjunta con una fuente regulable de 30V y un resistor en serie de 100 Ohms ajustando la corriente a 10 mA según lo indicamos en la figura 3.2.2.

                         Fig.3.2.2  Prueba de la barrera conjunta de una tira de LEDs

3.3 METODO DE REPARACIÓN

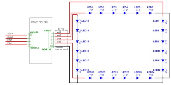
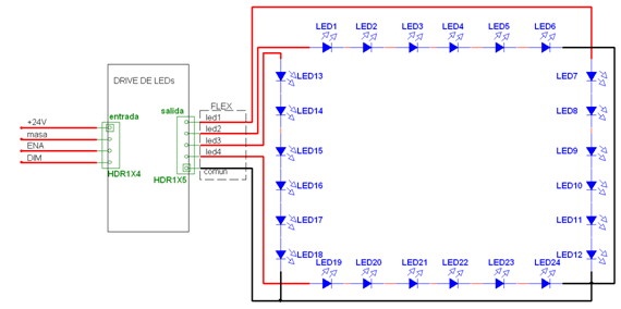
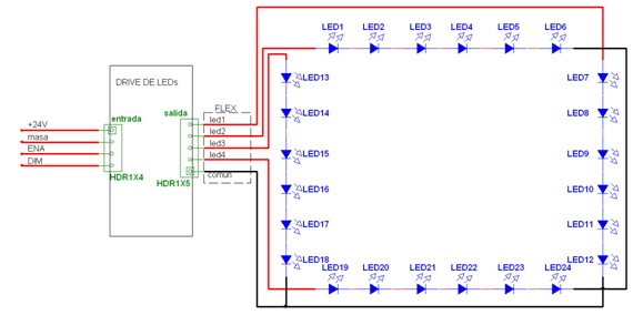
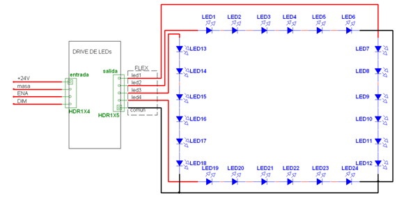
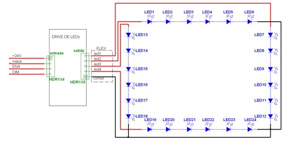
Por lo general los TV tienen la plaqueta driver separada y conectada a la plaqueta principal a través de un flex y conectores de borde, de modo que todas cadenas llegan hasta la plaqueta driver con el ánodo del último diodo y tienen el cátodo del primero conectados a un cable común. Ver la figura 3.3.1.

   
Fig.3.3.1 Conexión del driver de LEDs

Es muy simple desconectar la plaqueta del TV y probarla separada del mismo con:
1) Una carga formada por verdaderos LEDs blancos de alto rendimiento (no usar otro color porque puede cambiar la barrera).
2) Una fuente regulable de 0-30V 1A o mayor operando como fuente.
3) Una fuente de 12V que mediante el circuito de la figura 3.3.2 se transforma en las señales DIM y ENA.

                                        Fig.3.3.2 Circuito de las fuentes de prueba

El primer paso del método consiste en probar la plaqueta driver reemplazando tanto la carga (coloque tantos led en cada cadena como tenga el TV) como las tensiones y señales de entrada.
Ajuste la fuente V1 al valor indicado por el circuito (por ejemplo 24V). Conecte la plaqueta con la llave J1 en masa y el potenciómetro R3 a máxima tensión. 
Los LEDs deben permanecer apagados. Opere la llave J1 y los LEDs debe encender al máximo brillo. Regule el brillo con R3 que debe poder apagar por completo los diodos LEDs.
Si el drive pasa esta prueba significa que funciona perfectamente bien y si los LEDs del TV no encienden es por otra causa que debemos averiguar.

3.4 PRUEBA DE LOS LEDs

Tome el flex de los LEDs y por el conector de la plaqueta y el circuito impreso determine las patas de ánodos de las cadenas y la de retorno común que suele ser más ancha o ser de dos pistas.
Encienda el TV y sintonice un canal activo levantando el sonido. La pantalla debe permanecer apagada porque el back ligth a LED no está conectado. 
La idea es alimentar individualmente cada cadena de LEDs, pero debemos estar seguros de hacer circular una corriente de 20 mA como máximo. Como ya utilizamos una fuente de 0 a 30V para la prueba de la plaqueta driver, debemos realizar un circuito que funcione con la misma fuente tal como mostramos en la figura 3.4.1.
 
                              Fig.3.4.1. Fuente de prueba de una cadena de LEDs

Simplemente conecte este probador a una de las cadenas de LEDs y observe que parte de la pantalla queda iluminada. El brillo no va a ser uniforme sino que será mayor sobre el lado excitado del filtro de Lucite.
Haga lo mismo con las otras tres cadenas y verifique la pantalla cada vez. Así­ puede determinar que la sección de tiras de LEDs funciona correctamente.
De cualquier modo le aclaramos que para que se produzca una falta total de encendido, como falla inicial, el problema debe estar relacionado con la pista de retorno. Una pista de vivo provocarí­a una falta de uniformidad en la iluminación. 
También es posible que el TV posea algún sistema de control de consumo de las cadenas conectadas en paralelo, de modo que la falta de un 25% del consumo signifique el enví­o de una señal de falla desde el driver al microprocesador que pase el TV a Stand By. Por eso recomendamos probar todas las cadenas de LEDs por separado.
Ya se han verificado las cargas a nivel del terminal de borde del flex, pero aun nos queda por verificar si el conector de borde realiza un contacto efectivo.
Ud. debe conectar los LEDs del propio TV a la plaqueta driver, pero dejar sin conectar el conector de entrada. En algún punto del circuito impreso va a encontrar la conexión de masa y la fuente regulada de salida del CI de control. En una palabra el terminal positivo del capacitor Cout que suele ser el de mayor valor de la plaqueta.
Parecerí­a que tenemos agotadas las pruebas de carga, pero no es así­, porque las cadenas de LEDs no terminan en masa directamente sino en un resistor shunt de bajo valor, o en varios resistores en paralelo.
Este resistor no se puede medir con el propio circuito, porque la corriente que pasa por el (y por la carga de LEDs) no es una CC, sino un pulso PWM y aun teniendo un osciloscopio el mismo no nos permite realizar una medición de precisión.
El resistor shunt suele tener una precisión del 1% y debe ser medido con un medidor de baja resistencia que Ud. mismo puede construir siguiendo las indicaciones del eBock "Instrumentos especiales". Ingrese en mi página www.picerno.com.ar en la solapa "Libros". Es un instrumento muy económico y sencillo de armar que nos permite medir con precisión todos los resistores shunt de un TV actual.
La tensión de prueba de la carga se puede conectar al azar, en los casos en que no está claro donde se encuentra cada cadena de LEDs (sin que se queme ningún LED). Suponemos que tenemos un flex de 5 pistas indicadas del 1 al 5. Conecte el cable negativo del probador a la pista 1 y el positivo a la 2, 3, 4 y 5; si se encienden todos esto significa que el 1 es el cable común de masa. Si no hay un encendido pase a colocar la masa a la pista 2 y pruebe las otras. Y así­ sucesivamente.

3.5 PRUEBA DE LA FUENTE DE ENTRADA

Lo primero que hicimos fue medir la fuente de entrada a la plaqueta. Si la misma no tiene el valor correcto hay que determinar si se trata de un problema de fuente o de carga. Como ya se realizó la prueba de la plaqueta con una fuente externa y la prueba de la carga de las cadenas de LED solo podemos sospechar de la fuente de alimentación del TV.
Para confirmar la falla debemos cargar la fuente de alimentación con una resistencia de carga adecuada, porque medirla en vacio no es suficiente prueba de buen funcionamiento. En general tenemos la tensión de fuente si tenemos el manual de servicio del TV pero es muy difí­cil que nos indiquen el consumo de entrada de la plaqueta driver.
La fuente suele ser de 24V y el consumo debe ser determinado por observación de cuantas cadenas de LED tiene el TV y de cuantos LEDs tiene cada cadena (en general son 10). Vamos a suponer un caso clásico de 4 cadenas de 10 LEDs cuya barrera a 20 mA la estimamos en 2V.
Cada cadena tiene entonces una barrera de 20V y si son 4 y con un consumo de 20 mA en total consumen 80 mA. La potencia puesta en juego es de 80 mA x 20V es decir de 1,6W. Tomando un rendimiento adecuado podrí­amos decir que el back ligth de este TV monitor es de una potencia de 2W.
Sobre la entrada de 24V se deben disipar entonces 2W y la resistencia que conectada a 24V disipa esa potencia es de 24/2 = 12 Ohms. Por lo tanto conecte un resistor de 12 Ohms sobre la fuente de 24V y mida que exista una tensión de 24V exactamente.
El valor de 20 mA por lo general se ve superado en la práctica ya que los TVs mas modernos suelen tener una corriente del orden de 50 mA para mejorar el brillo.
también hay un cambio en la disposición de los LED ya que la practica comun de los fabricantes para los modelos mas modernos consiste un utilizar unos 60 LEDs distribuidos en dos o cuatro tiras colocados todas en el lado inferior o el superior de la lamina difusora que se encarga de distribuir el brillo en forma pareja.

3.6 CONCLUSIONES

Y así­ poco a poco vamos analizando la prueba de un drive de LED. Comenzamos comprobando que la plaqueta tenga la carga, la fuente correcta y
las señales de control ENA y DIM.
En la próxima entrega, ya comprobado que la falla está dentro de la plaqueta, vamos a analizar el método de reparación de los componentes periféricos del circuito integrado.
Analizando lo escrito, parece ser un método donde no confiamos en nada y entonces resulta un tanto lento; pero es preferible realizar un camino largo pero que llega seguro a destino, que uno en el cual estemos dando vueltas en el mismo punto sin realizar avances.
Quiero recordarle a mis fieles lectores que en mi página www.picerno.com.ar en la solapa libros pueden acceder a la compra de todos mis eBook sobre reparaciones de LCD.
"Reparando como Picerno I"
"Reparando como Picerno II"
"Reparando como Picerno II"
"Instrumentos especiales"
"Técnicas digitales"
"La Biblia del LCD y el Plasma Ed. II"
"La Biblia de las fuentes pulsadas tomo I"
"La Biblia de las fuentes pulsadas tomo II"  
"La Bilia del TV LED tomo I"
"La biblia del TV LED tomoII"




SALIR

Más TV OLED

DEL LED AL OLED (2)
UN VIAJE POR LAS DIFERENTES ILUMINACIONES DE BACK LIGTH

MI INTENSIÓN ERA EXPLICAR EN ESTA ENTREGA EL CIRCUITO CON EL DRIVER ZLED7015. PERO RESULTA QUE COMENZARON A LLEGARME CORREOS DE LECTORES QUE ME INDICAN QUE EN LOS COMERCIOS ESTÁN VENDIENDO TVs QUE RESPONDEN A UNA CLASIFICACIÓN DIFERENTE A LA QUE YO PROPORCIONE COMO 0D, 1D Y 2D. Y QUE LOS VENDEDORES NO CONOCEN ESTA SUBDIVISIÓN QUE HICE YO. ASÍ QUE VAMOS A ACLARAR EL TEMA Y LUEGO SEGUIMOS CON EL INTEGRADO.

[+] Leer artículo...    


DEL LED AL OLED (1)
¿QUE ES UN DIODO OLED?

EXISTEN DOS TECNOLOGIAS DE TV QUE ARRIVARON CASI AL MISMO TIEMPO. LOS LED Y LOS OLED. LOS LED YA MERECEN UN ESTUDIO PORQUE HACE MAS DE UN AÑO QUE ARRIBARON Y YA COMIENZAN A ROMPERSE Y LOS OLED MERECE QUE LOS CONOZCAMOS PORQUE NO ES UN PEQUEÑO CAMBIO, SINO UN CAMBIO MAYOR DE TODA LA ELECTRÓNICA. DENTRO DE UNOS AÑOS TODOS LOS COMPONENTES ELECTRONICOS VAN A SER ORGANICOS Y ES CONVENIENTE EMPEZAR A ESTUDIARLOS CON TIEMPO, PARA SABER A QUE ATENERSE.

[+] Leer artículo...    






El Ing. Alberto Picerno, conocido en toda latinoamerica por sus cursos de Tv y LCD, es el autor mas prolífico sobre Electrónica, con mas de 40 libros tecnicos y cientos de articulos publicados. 

Se inicio en el mundo de la electronica de niño ayudando a su padre que era hobbysta y aficionado a la radio.

Su experiencia temprana le permitio recibirse con medalla de oro al mejor promedio de "Tecnico Nacional el Telecomunicaciones" y posteriormente volvio a obtener la medalla de oro al mejor promedio como "Ingeniero en electronica en UTN"

Leer Mas Aquí



Artículos Gratis
Sobre Electrónica
por Ing. Picerno


Ir a Artículos Gratuitos      


Libros Digitales

Adquiera los mejores
Libros Digitales (Ebooks)
Sobre Electrónica

Ir a Sección Libros      


MAPA DE LINKS:

INICIO - QUIENES SOMOS - ENTRETENIMIENTO - CONTACTENOS

TV: TRC - LCD - Plasma - LED - Smart - OLED

SOLDADURAS: SMD - BGA - Maquinas de Rebaling

TALLER: Puntas de prueba Sonda de RF - Punta de prueba BEBE - Punta de prueba Filtro Pasabajo - Instrumentos Fuentes - Instrumentos Evariac - Instrumentos SuperEvariac - Instrumentos Varios

AUDIO: Amplificadores Analogicos - Amplificadores Digitales - Bafles Caseros

MANUALES: TV TRC - TV LCD - TV Plasma - TV LED - SmartTV - TV Oled - Fuentes de TV - T-COM - Driver de LED - Inverters

EBOOKS

PROGRAMAS: Simuladores de Circuitos Multisim - Simuladores de Circuitos Livewire - Simuladores de Circuitos Proteus - Programas para PICs y memorias Ram

MICROS: Diseñando con PICS 1 - Diseñando con PICS 2

OTROS ARTICULOS

ARTICULOS DE LA A A LA Z

Ingeniero Alberto Picerno - Av. 2 de Abril 1140 - Burzaco - Buenos Aires - Argentina - Tel: (011)3974-4393
Artículos y Ebooks de Electrónica - Todos los Derechos Reservados - 2026

Diseño y Hosting RCH
rch.com.ar - redcomser.com.ar