Inicio Quienes Somos Entretenimiento Contáctenos Como Comprar los Ebooks
Ingresar Registrarse
Artículos Gratuitos sobre electrónica básica y avanzada y venta de libros electrónicos.

TV SMART
REPARACIÓN DE BACK LIGTH TV LED Y SMART
CON BACK LIGTH A SUPER LED

por ING. PICERNO




Tamaño A+ A-


1.1 INTRODUCCIÓN

Nuestro trabajo como reparadores se deberí­a remitir a encontrar los materiales defectuosos y cambiarlo por otros del mismo código.
Pero como hacemos para saber que código tienen el LED que se quemó si no tenemos el manual tecnico o si lo tenemos este no tiene el circuito del back ligth, ni un listado de material general de todo el TV.
Entonces cambiamos de profesión y nos ponemos a trabajar de administrativos y empezamos a averiguar por Internet. Y por supuesto siempre vamos a encontrar alguien que dice que estos problemas los arregla con los ojos cerrados e indica cambiar el diodo quemado por otro, que el consigue en un negocio de Etiopia que te lo manda ...........

Nosotros no los arreglamos con facilidad, porque es un tema arduo y complejo que requiere el mayor esfuerzo en muchos sentidos. Para empezar  no es fácil llegar a los SLED y cuando llegamos no es fácil cambiarlos y además muchas veces cambiamos uno y se quema otro de la misma o de otra tira ¿Entonces es una falla que no se puede arreglar? Se puede se puede arreglar pero hay que actuar con mucha inteligencia y cuidado porque muchos reparadores terminaron con una pantalla rajada o con toda una tira de SLED quemados.

Vamos a estudiar el tema con la mayor profundidad posible porque no hay otro modo de arreglarlo que no sea sabiendo porque se hace cada operación y sobre todo que es un SLED y en qué se diferencia de un LED común. Además los SLED forman parte de gran cantidad de equipos de iluminación y no está demás saber interpretar sus caracterí­sticas porque están llamados a ser la iluminación de los próximos años y seguramente cuando se rompan los artefactos de iluminación los vamos a tener que reparar nosotros.

1.2 DEL LED AL SUPERLED

Un LED es un dispositivo que transforma energí­a eléctrica en energí­a luminosa. Los LED comunes trabajan con corrientes bajas del orden de los 10 mA como podemos observar en el gráfico de la figura 1.2.1.

 
Fig.1.1.1 Curvas de un diodo LED común tipo piraña

La primera curva nos indica cual es la caí­da de tensión que aparece sobre el diodo cuando circula una determinada corriente. En la central se observa la variación de la iluminación en función de la corriente y en la derecha lo que se llama la curva de "derating" o depreciación que nos indica hasta que temperatura ambiente se puede usar el diodo, sin causarle daño, en función de la corriente que circula por él.

La última curva es muy importante porque la temperatura interna de un TV LED es cercana a los 60ºC y a esa temperatura solo se pueden hacer circular unos 20 mA por el diodo. Por esta razón  aconsejamos trabajar a los diodos LEDs a no más de 10 mA para tomar un buen margen de seguridad.

Como dato importante podemos observar que a la corriente de trabajo de 10 mA la caí­da de tensión sobre el diodo es de 3V exactamente. Con exactitud esto depende de la marca y modelo de diodo y sobre todo del color del mismo.

Un super LED o SLED cumple la misma función pero admite una corriente mucho mayor (del orden de los 150 mA) como podemos observar en la figura 1.1.2.

 
Fig.1.1.2  Curva caracterí­stica de un SLED

En realidad la corriente de trabajo de este SLED es del orden de los 20 mA por lo que podemos decir que tienen la misma caí­da de tensión que un LED común solo que admiten más corriente de trabajo. Por eso no es raro encontrar TVs con una corriente de trabajo de 70 mA que requieren una mayor tensión de fuente de cada cadena.

1.3    DISPOSICIONES CIRCUITALES MAS COMUNES

En forma general podemos decir que los circuitos de back ligth son cadenas de SLEDs en circuitos serie paralelo que en forma general se pueden dibujar como la figura 1.3.1.

           Fig.1.3.1   Diagrama en bloques genérico de back ligth

Hay circuitos integrados o combinaciones de circuitos integrados driver que admiten 1 solo retorno (generador de corriente) y otros que admiten hasta 16 (como el indicado). Es decir que hay TV de una sola cadena de 64 diodos (valor clásico) y otros que usan 4 cadenas de 8 o10 diodos. El primer caso requiere una fuente Vled de 64 x 3,5V = 224V en tanto que en el segundo caso solo se manejan 10 x 3,5 = 35V.

Observen que cada cadena termina en un generador de corriente encargado de manejar la corriente de back ligth manteniéndola fija en los casos en que el usuario usa el TV en la modalidad "Suave" o llevándola a un valor máximo o mí­nimo en el caso de la modalidad de video con control de brillo o contraste dinámico. 

1.4 TIPO DE ESTRUCTURA DEL TV COMPARADAS

Hay dos tipos de estructura de back ligth, aunque los modelos más recientes y de mayor tamaño usan solo una. 

Una buena estructura de back ligth debe generar una elevada iluminación de la imagen sin manchas de mayor o menor brillo en ningún sector y lo debe hacer con un elevado rendimiento y con la menor profundidad posible del gabinete.

Durante muchos años todos los TVs tení­an back ligth tipo "Edge". Esta estructura posee una iluminación que ingresa por los bordes de una placa de Lucite del tamaño de la pantalla. El Lucite opera como una guí­a óptica que desparrama la luz por toda la pantalla. Pero no lo hace con densidad luminosa constante, sobre todo cuando la cadena de LEDs no cubre los cuatro lados del filtro de Lucite. Ver la figura 1.4.1. 

 
Fig.1.4.1 Corte de los dos sistemas de iluminación de back ligth

En el Edget tenemos un sistema de iluminación indirecta. Los SLED iluminan al panel de guí­a de luz pero es evidente que las secciones cercanas a los LEDs se van a iluminar con más intensidad. La lamina difusora entonces plástico con la cara superior esmerilada se ilumina en degrade de izquierda derecha. Esto se soluciona imprimiendo en esa zona cuadritos negros con poca separación transparente. En la zona opuesta los cuadraditos negros son muy pequeños o no existen. La lámina óptica (también esmerilada) disemina la iluminación para que los cuadraditos no se vean desde el frente. 

El problema de este sistema es su bajo rendimiento luminoso, porque casi toda la energí­a luminosa queda encerrada en el panel de guí­a de luz. La ventaja es su poco espesor que permite construir TV muy chatos. Este sistema es más utilizado para monitores y TVs pequeños, donde el espacio es más importante.

En el "Direct" la iluminación es perpendicular a la pantalla. La luz entra por debajo de la placa difusora, las láminas difusoras y la lámina óptica, para que no se observe más iluminación en la vertical sobre los SLED. Es evidente que toda la pantalla debe estar iluminada por una matriz de SLED.

El problema de este sistema es su profundidad porque debe existir cierta distancia entre los SLED y la placa difusora para que la iluminación sea uniforme. La ventaja es que el rendimiento es muy elevado y que se reduce el costo, porque no hace falta una placa de guí­a de luz. Este sistema es más utilizado en TVs de tamaño grande donde la profundidad que no depende del tamaño del TV no es tan importante.
  
1.5  LA CONSTRUCCIÓN PRÁCTICA DE UN TV DIRECT

El problema consiste en realizar una matriz de unos 25 SLED distribuidos para lograr una iluminación de la pantalla lo mas pareja posible. En la figura 1.5.1 mostramos un caso concreto de cómo se ve el back ligth después de sacar la pantalla LCD y todos los filtros.

 
Fig.1.5.1 La matriz de SLED vista sacando la pantalla y los filtros

Como vemos este caso se resolvió con tres lí­neas de SLED con una matriz asimétrica de dos lí­neas de 7 SLED arriba y abajo y una lí­nea de 8 en el medio. Esto evidentemente mejora la uniformidad de la iluminación que se conseguirí­a utilizando 3 lí­neas iguales por ejemplo de 8 SLED. El hecho es que si usamos un múltiplo de tres nos permite elegir entre diferentes circuitos. Por ejemplo 3 cadenas de 8 o 6 cadenas de 4  o una cadena de 22. En este último caso se requieren tensiones de fuente de aproximadamente 24V para cadenas de 8 SLED, 12V para la cadena de 4 SLED o 66V para una sola cadena de 22 SLED.

En realidad las tensiones deben ser algo superiores para poder llegar a corrientes altas, porque la curva del SLED nos indica que para llegar a 150 mA que es la corriente máxima que admite el SLED considerado, se requieren 4,3V sobre el SLED lo que significa que la fuente debe ser de 22 x 4,3V = 94,6V.  Si la fuente de menor tensión la corriente se limita en el valor de la curva correspondiente a dicha tensión.

Es decir que la fuente para alimentar a las cadenas no es fija sino que debe variar para que por cada cadena circule la corriente adecuada. Este posible circuito no se utiliza nunca. Porque equivale a realizar una fuente de corriente analógica que siempre es de bajo rendimiento y que no tiene en cuenta un dato importantí­simo; la curva del SLED varia con la temperatura como cualquier otra tensión de juntura. Es decir que hay que variar la tensión de fuente de acuerdo al brillo deseado y además de acuerdo a la temperatura y no a la ambiente sino a la temperatura de juntura de los SLED de la cadena considerada. Esto es muy complicado y en realidad no se usa. Ver el circuito de la figura 1.5.2.

   
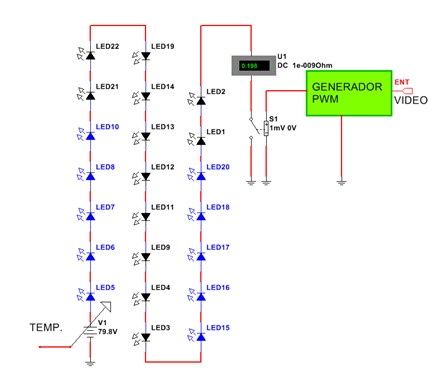
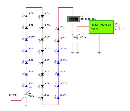
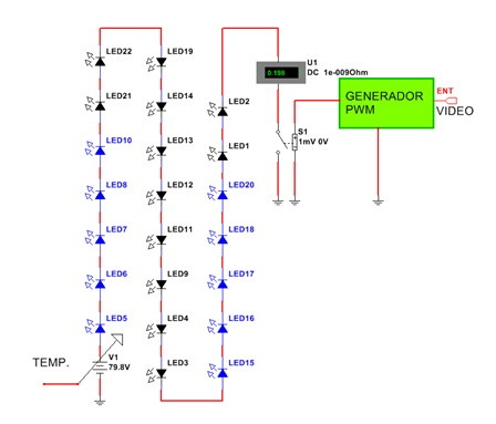
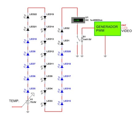
Fig.1.5.2  Circuito didáctico de una cadena de SLED controlada por tensión; nunca se utiliza por la complejidad de su diseño y su bajo rendimiento.

Como se puede observar para controlar una cadena de SLED se requiere una etapa driver de SLED que controle la corriente circulante por ellos con dos variables. Una es la tensión de barrera de los SLED que varia con la temperatura de los mismos y la otra es la señal de video que se está reproduciendo, por si el usuario seleccionó un tipo de back ligth dinámico controlado por el video. El circuito se modifica según la figura 1.5.3.

 
Fig. 1.5.3  Modificación del circuito

La novedad es que se ubica una llave electronica a MOSFET en la conexión a masa de los SLED, que se hace funcionar en el modo PWM a una frecuencia de tres veces la frecuencia vertical aproximadamente. Esta llave puede variar su tiempo de actividad desde 0 al 100% y por lo tanto regula la corriente media que pasa por los SLED. Y como la PWM se puede asociar a una señal rectangular (en realidad son iguales con el tiempo de actividad fijo) podemos decir que el valor medio es igual al valor eficaz. Por último el brillo del SLED y su sobrecalentamiento son función del valor eficaz. 
Esto significa que naturalmente el circuito hace circular 150 o 200 mA por los SLEDs pero la llave corta esa corriente en un tiempo fijo para evitar que los SLEDs se quemen por exceso de disipación. Ese corte puede ocupar más o menos tiempo del ciclo, generando más o menos iluminación en función de lo que exige el video.

¿Entonces la tensión de fuente es fija? No, la tensión de fuente varí­a pero dentro de un margen estrecho ya que solo compensa la variación de tensión de barrera de los SLED.

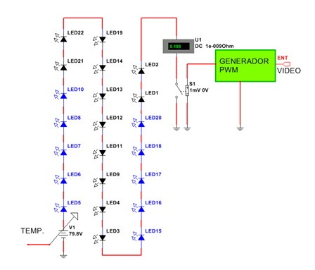
Vamos a ir llegando al circuito de back ligth definitivo en forma paulatina. En principio es evidente que el driver de LEDs necesita una muestra de tensión representativa de la corriente que circule por la cadena de SLEDs y eso se consigue con un pequeño resistor en serie con la llave a MOSFET tal como se indica en la figura 1.5.4. Este resistor transforma la corriente por los SLEDs en una tensión del valor adecuado que requiera el driver de LEDs.

 
Fig.1.5.4 Resistor shunt de corriente

Aunque el término no es el adecuado el resistor R1 suele llamarse Shunt y sobre él se obtiene una muestra de tensión proporcional a la corriente que circula por el circuito. En este circuito excitamos la llave MOSFET S1 con un generador de señal rectangular, que nos permite variar la corriente que circula por los SLED. 

El circuito permite variar levemente la tensión de fuente y ampliamente el periodo de actividad de la corriente lo cual equivale a una variación proporcional del brillo de los SLED.

En la realidad lo único accesible del circuito es el resistor shunt. Pero se puede observar (ya dentro del CI driver) la existencia de dos filtros pasabajos. El primero está formado por R2 y C1 y solo compensa la capacidad interna de los SLEDs que si no existieran generarí­an un pulso de tensión cuando los diodos se encienden, que confundirí­a al sistema. 

Esta señal rectangular varí­a de cero a un valor proporcional a la tensión de fuente y la medición de su pico positivo y la comparación con un valor de referencia, permite ajustar la tensión de fuente para compensar la variación de barrera con la temperatura.

El filtro pasabajos R3 C2 permite obtener el valor medio de la corriente de los SLED, que comparado con el valor medio del video permite realizar el ajuste rápido de la iluminación de back ligth para las predisposiciones de video que lo requieran (contraste o brillo dinámico).

1.6 BACK LIGTH MATRIZADOS

Hasta ahora vimos solo una disposición de una sola cadena, pero ¿cómo es el circuito cuando tenemos varias cadenas? El principio de funcionamiento no varí­a más que en lo imprescindible. Por ejemplo, no podemos permitir que una cadena tenga más brillo (corriente) que las otras.

Esto significa que cada cadena debe tener su propio sistema de control de corriente y por lo tanto su propio resistor shunt y una entrada al circuito integrado driver por cada shunt. En la figura 1.6.1 mostramos un circuito para un sistema de 3 cadenas por 8 SLED.

 
Fig.1.6.1  Sistema de 3 cadenas de 8

Como podemos observar la resistencia shunt no cambia; en efecto como pretendemos realizar la misma iluminación que con el circuito de una sola cadena, debemos hacer circular una corriente de 150 mA por cada una de las tres cadenas. Por supuesto que tenemos que adaptar la tensión de fuente. Considerando que en los SLEDs caen aproximadamente 3,5 V por cada SLED la caí­da total será de 3,5 x 8 = 28V. 

Suponiendo que el driver tiene la misma tensión de referencia para comparar la señal de corriente, el resistor shunt debe ser igual, solo que ahora se requieren tres conexiones desde los tres resistores shunt hasta el CI driver de SLEDs (no dibujadas).

Hay un solo problema. Ahora tenemos dos SLED extras ya que cada tira de 8 provee un total de 24 SLEDs. Que haya más iluminación no es un problema sino una ventaja, pero la iluminación no va a ser pareja (por esa razón se usaban dos filas de 7 y una de 8 (en el diseño) de una sola cadena. La solución de este problema se logra distribuyendo los SLED en forma tal que provean una iluminación uniforme. Eso se puede observar a simple vista cuando se observa un caso de múltiples tiras poniendo el TV es SMART y usando el programa ITTNOKIAMONITOR con una pantalla blanca y poco brillo.  

1.7 CONCLUSIONES

Así­ terminamos de explicar las secciones más importantes de un back ligth de SLEDs. Ya sabemos las variantes existentes en plaza de una o varias cadenas y la importancia del resistor o de los resistores shunt que es el componente más importante del sistema, después de los SLED porque variando su valor modificamos la corriente circulante por los SLEDs.

Pero por supuesto que no está todo dicho. En la próxima entrega vamos a ingresar en el mundo práctico de la reparación que es muy especial porque es imposible conseguir SLEDs de reemplazo que sean iguales al original y seguramente hay que realizar un reemplazo que requiere modificar el circuito. Inclusive tuvimos casos en que conseguimos el SLED original, lo reemplazamos y se quemó en una semana. Parecerí­a que los SLEDs que se venden al mercado nacional fueran más débiles que los de producción. Mis alumnos dicen que seleccionan todos los SLEDs y a los que pertenecen a un grupo, los marcan con una "A" de Argentina. Esto significa que aun en la mejor reparación hay que realizar un cambio en el circuito para que circule menos corriente por los SLED, que en los TVs originales.

También nos queda por explicar la existencia de otro tipo de SLEDs que son en realidad dos SLED en el mismo encapsulado y que por supuesto tiene una barrera del orden de los 6V. El problema es que generan el doble de energí­a térmica y muchas veces mientras arreglamos los SLED de una cadena se quema un SLED de otra, indicando la debilidad de esta parte del diseño.

La iluminación de Back ligth es el telón de Aquiles de los TVs modernos desde los TV LED, hasta los TV UHD Smart. Pero no hay que lamentarse porque un con mucho trabajo todos son reparables.

  Le avisamos que el próximo articulo y los sucesivos, solo los pueden abrir los miembros registrados, así­ que les pedimos que se registren cuando ingresan a la página a través del link.




SALIR

Más TV SMART

MEDICIÓN DE SEÑALES LVDS PARTE 7
APLICACION A LA REPARACIÓN DE UN TRIPLAQUETA

EN LA PARTE 7 VAMOS A EXPLICAR COMO SE UTILIZA EL MEDIDOR DE SEÑALES LVDS PARA LA REPARACIÓN DE LA PLAQUETA MAIN DE UN TV TRIPLAQUETA

[+] Leer artículo...    


MEDICIÓN DE SEÑALES LVDS (PARTE 6)
El circuito de medición de las señales

En esta Parte 6 vamos a comenzar a a explicar como se realiza la medición con nuestro amplificador modificado y dotado de puntas especiales para circuitos de pequeñas dimensiones.

[+] Leer artículo...    


MEDICIÓN DE SEÑALES LVDS (PARTE 5)
SEÑALES DE VEDA SOBREMUESTREO Y MEDICIONES

EN ESTE ARTICULO COMENZAMOS COMENTANDO EL TEMA DE LAS NORMAS DE LA TV DIGITAL Y DE QUE MODO AFECTAN LA FORMA DE LA SEÑAL LVDS. lUEGO COMEMZAMOS A TRATAR LOS PROBLEMAS PRACTICOS DE LAS MEDICIONES LVDS QUE SON PRECISAMENTE DE TAMAÑO DE LAS PUNTAS DEL TESTER O EL OSCILOSCOPIO.

[+] Leer artículo...    


MEDICION DE SEÑALES LVDS (PARTE 4)
TODO SOBRE LAS COMUNICACIONES DIGITALES MAS MODERNAS DEL TV

En esta parte 4 le damos el apéndice prometido en la parte 3 pero sobre todo le explicamos el tema de la medición de la señal LVDS comenzando a darle los detalles de como mide nuestra sonda que requerirá mas datos que saldrán en la parte 5.

[+] Leer artículo...    


MEDICIÓN DE SEÑALES LVDS PARTE (PARTE 3)
Entradas de señal

En esta entrega explicamos el funcionamiento de las etapas de entrada HDMI de todas las variedades de TV LCD y los detalles de como realizar el seguimiento de las señales.

[+] Leer artículo...    


MEDICIÓN DE SEÑALES LVDS PARTE 2
LAS SEÑALES LVDS DE ENTRADA Y DE SALIDA

EN ESTE ARTÍCULO LE EXPLICAMOS EN QUE SECCIONES DE UN TV LCD SE UTILIZA COMUNICACIONES LVDS, PORQUE RAZÓN Y DASMOS LAS PISTAS PARA EMPREDER SU REPARACIÓN.

[+] Leer artículo...    


SEÑALES LVDS -PARTE 1
INTRODUCCIÓN

ANTIGUAMENTE LAS SEÑALES DE DATOS DE ALTA VELOCIDAD SE TRANSMITÍAN POR CABLES COAXIALES ESPECIALES DE BAJAS PERDIDAS. CON EL INCREMENTO DEL COSTO DEL COBRE SE BUSCO ALGO MAS ECONÓMICO Y VERSATIL UTILIZÁNDOSE EN LA ACTUALIDAD LOS PARES MÚLTIPLES SIMILARES A LOS TELEFÓNICOS MAS CONOCIDOS COMO MULTIPARES.

[+] Leer artículo...    






El Ing. Alberto Picerno, conocido en toda latinoamerica por sus cursos de Tv y LCD, es el autor mas prolífico sobre Electrónica, con mas de 40 libros tecnicos y cientos de articulos publicados. 

Se inicio en el mundo de la electronica de niño ayudando a su padre que era hobbysta y aficionado a la radio.

Su experiencia temprana le permitio recibirse con medalla de oro al mejor promedio de "Tecnico Nacional el Telecomunicaciones" y posteriormente volvio a obtener la medalla de oro al mejor promedio como "Ingeniero en electronica en UTN"

Leer Mas Aquí



Artículos Gratis
Sobre Electrónica
por Ing. Picerno


Ir a Artículos Gratuitos      


Libros Digitales

Adquiera los mejores
Libros Digitales (Ebooks)
Sobre Electrónica

Ir a Sección Libros      


MAPA DE LINKS:

INICIO - QUIENES SOMOS - ENTRETENIMIENTO - CONTACTENOS

TV: TRC - LCD - Plasma - LED - Smart - OLED

SOLDADURAS: SMD - BGA - Maquinas de Rebaling

TALLER: Puntas de prueba Sonda de RF - Punta de prueba BEBE - Punta de prueba Filtro Pasabajo - Instrumentos Fuentes - Instrumentos Evariac - Instrumentos SuperEvariac - Instrumentos Varios

AUDIO: Amplificadores Analogicos - Amplificadores Digitales - Bafles Caseros

MANUALES: TV TRC - TV LCD - TV Plasma - TV LED - SmartTV - TV Oled - Fuentes de TV - T-COM - Driver de LED - Inverters

EBOOKS

PROGRAMAS: Simuladores de Circuitos Multisim - Simuladores de Circuitos Livewire - Simuladores de Circuitos Proteus - Programas para PICs y memorias Ram

MICROS: Diseñando con PICS 1 - Diseñando con PICS 2

OTROS ARTICULOS

ARTICULOS DE LA A A LA Z

Ingeniero Alberto Picerno - Av. 2 de Abril 1140 - Burzaco - Buenos Aires - Argentina - Tel: (011)3974-4393
Artículos y Ebooks de Electrónica - Todos los Derechos Reservados - 2026

Diseño y Hosting RCH
rch.com.ar - redcomser.com.ar