Inicio Quienes Somos Entretenimiento Contáctenos Como Comprar los Ebooks
Ingresar Registrarse
Artículos Gratuitos sobre electrónica básica y avanzada y venta de libros electrónicos.

TV SMART
LOS TVs UHD 1
QUE ES UN ULTRA ALTA DEFINICIÓN

por ING. PICERNO




Tamaño A+ A-


1.1 INTRODUCCIÓN

  Un TV UHD es un TV HD Full de definición muy mejorada. La mejor manera de comparar la definición de un TV es mediante la cantidad de lí­neas horizontales que forman su imagen. Históricamente los TVs LCD tení­an 720 lí­neas horizontales y esto define la cantidad de pixeles de la pantalla porque la relación de aspecto (relación entre la altura y el ancho) de las pantallas es fija y es de 16 de ancho por 9 de altura. Un poquito de matemáticas nos dice que 720 x 16 / 9 = 1280 pixeles por lí­nea y por lo tanto tendremos 720 x 1280 = 921.600 pixeles, sobre toda la pantalla. Este es nuestro modesto punto de partida en la historia de la definición de los TVs modernos LCD o plasma. Comenzando con los HD READY. 

Al decir modesto, pienso que nuestra civilización estuvo mirando TVs a TRC usando como fuente de programa, a videograbadores VHS durante 20 años con una definición de 250 lí­neas, que en una pantalla de 4/3 daban una cantidad de pixeles de 250 x 4 / 3 = 333 o una definición de imagen de 250 x 333 = 83.300 pixeles (es decir casi 12 veces menor que el peor LCD). 

1.2 MEJORAS DEL HD READY

En muy poco tiempo los fabricantes de pantallas lograron construir pantallas con 1080 lí­neas horizontales. Si hacemos el mismo cálculo llegamos a una definición de 1080 x 16 / 9 = 1920 pixeles sobre cada lí­nea lo que da una definición total de 1080 x 1920 = 2.073.600 pixeles que es algo más del doble que el anterior.
 
¿Para qué más? Si los pixeles ya son tan pequeños que no se pueden observar a simple vista. Muy cierto si miramos el TV desde la distancia de observación normal; pero si nos acercamos a la pantalla podemos observar los pixeles de un HD FULL sin mayor esfuerzo. Por ejemplo en el monitor donde estoy escribiendo este artí­culo que es de 26" debe observarse desde 60 cm para no observar los pixeles y me queda un gran campo visual sin cubrir. Es decir que casi no llego a utilizar la visión periférica. En este caso en que lo utilizo para leer un texto no tiene mayor importancia, pero si estuviera viendo un paisaje pierdo noción de la realidad.

Lo que sigue es un mejoramiento de la pantalla que de las 1080 lí­neas horizontales salta exactamente al doble: es decir 2160 lí­neas. Esto es un cambio mucho más significativo que el anterior, que solo era de 720 a 1080 o sea 1,5 veces. Aquí­ el aumento es de 2 veces. Ahora calculemos la definición como lo hicimos antes 2160 x 16 / 9 = 3840 pixeles sobre cada lí­nea lo que significa que la definición total es de 2160 x 3840 = 8.294.400 es decir una 4 veces la definición del HD. De allí­ que los fabricantes para reforzar el concepto de la mejora en la definición lamen a estos TVs como UHD/4K. Así­ entendemos algo más del nombre; la U es de ULTRA la 4 es por la mejora en la definición. La K hasta ahora no sé porque la pusieron salvo que quieran decir que la definición horizontal es cercana a 4.000.

Antes dijimos que inicialmente estos TVs se conocieron con otro nombre. En efecto de forma mucho más lógica se llamaron pantallas VHD que serí­an de "MUY ALTA DEFINICIÓN". Pero se saltearon el "very" y pasaron directamente al "ultra" confundiendo a todo lo que ya se habí­a hablado del tema. 

1.3 LA DISTANCIA DE OBSERVACIÓN

Ya lo dijimos; esta mejora de la definición permite una observación más cercana de la pantalla sin observar los pixeles individuales. En la figura 1.3.1 se puede observar una comparación muy burda sobre como se observa una misma imagen en HD y UHD/4K a la misma distancia de observación.

Fig.1.3.1 Comparación directa de HD a UHD/4K

Hace algunos años un cientí­fico llamado Lechner se preguntó: ¿ Por qué queremos más pí­xeles, si no somos capaces de verlos? De ahí­ que naciese el concepto de "la distancia de Lechner" o, lo que es lo mismo, a qué distancia el ojo es capaz de diferenciar los detalles que aporta un pí­xel, de acuerdo a las diferentes resoluciones de un televisor. Ver la figura 1.3.2.   

 
Fig.1.3.2 Comparación entre diferentes definiciones de pantalla

Por ejemplo tracemos una recta vertical imaginaria en un TV de 50". Vemos que un TV TRC (480 lí­neas activas) se debe observar desde unos 5 metros como mí­nimo para no ver las lí­neas del raster. En un TV HDReader ya se puede ver desde 5 m hasta 3,2; en un HDFULL desde 3,2 m hasta 1,8 y en un UHD(4K) desde 1,8 m para abajo.

Normalmente, la gente se fija solo en el tamaño de la pantalla, pero también hay que comprobar su resolución. Una pantalla grande con una resolución pequeña, significa que verá afectada su calidad de imagen y por lo tanto no será la adecuada para disfrutar correctamente los contenidos, ya que se apreciarán los pí­xeles individuales. A mayor tamaño de televisor, manteniendo la resolución, mayor distancia tendremos que tomar para no ver la imagen pixelada como se observa en el gráfico.

Ahora que con un TV UHD el tipo de resolución es tan buena, que el usuario puede sentarse a 1.2 metros de un televisor de 100 pulgadas y no verá la imagen pixelada. Es evidente que la imagen ocupa todo el campo visual, directo y periférico obteniéndose una reproducción exacta de la realidad sin nada que nos distraiga si no está en la pantalla. Esta es solo una de las ventajas que se puede disfrutar con la resolución UHD. En la figura 1.3.3 se puede observa una comparación directa entre una pantalla Full HD y una UHD/4K 

 
Fig.1.3.3 comparación directa entre pantallas FHD y UHD
 
Un reparador debe estar al tanto de todos estos desarrollos tecnológicos porque es la fuente de información a la cual recurren normalmente los usuarios; es decir la persona de confianza. Pero la tecnologí­a avanza tan rápidamente que muchas veces el reparador no está actualizado. Si el usuario va a comprar un televisor o simplemente por curiosidad, se habrá dado cuenta de que el concepto UHD o "4k" tiene una gran importancia y no es una moda pasajera.

El usuario suele preguntar ¿por qué necesito tanta resolución? La respuesta es sencilla. Los tamaños de los televisores que ponemos en casa son cada vez más grandes, El clásico TV de 20" ya es algo histórico, pero el tamaño del salón donde lo observábamos prácticamente no cambió, salvo que el usuario haya construido una habitación especial para ver TV. Si ese no es el caso, debe aumentar el tamaño del TV, pero al mismo tiempo la definición de la pantalla. Lo mí­nimo que se requiere en la actualidad para el lugar principal para ver TV es 32"FULL HD. Pero el próximo paso si no aumenta el tamaño de la habitación será 42", 50" o mas pero UHD/4K.

1.4 EL SUMINISTRO DE SEÑALES 4K

Una señal de HD FULL cabe perfectamente en el clásico ancho de banda de TV de los años 70 incluyendo el sonido de 5.1 canales. Esto se logró gracias a las técnicas de compactación digital del video y el sonido. De este modo se pudieron usar las viejas redes de cable coaxil analógico para transmitir las nuevas técnicas digitales hasta que las viejas redes puedan ser cambiadas progresivamente. Los canales satelitales también conservaron el ancho de banda original de los canales analógicos, así­ que están en las mismas condiciones.

El estado actual de las redes en América Latina solo cambió a nivel de de los distribuidores de señal que actualmente utilizan fibra óptica para interconectarse. Pero la conexión a los usuarios sigue realizándose por los clásicos cables coaxiles, por lo que la realidad no cambió demasiado.

Compactar mas, para llegar a cubrir el servicio 4K en un ancho de banda de canal original ya no es posible, sin sacrificar algunos parámetros importantes de la transmisión. Por lo tanto la pregunta es "Y para que quiero un TV que exceda la capacidad de las operadoras de cable y satélite".

Nos queda pensar en la operación directa desde un reproductor de BLURAY modificado para UHD u otra solución, ingresando por un conector HDMI especial, ya que los canales digitales actuales de R V y A no alcanzan para todos los datos por segundo que se deben transmitir. El conector especial tiene pares de caracterí­sticas mejoradas para los tres pares, con lo que se llega a duplicar el caudal de datos. Para los que estén interesados en este tema al final ofrecemos un apéndice.  
Sin embargo la solución adoptada por los fabricantes es totalmente distinta. En el campo le dicen "llevar agua para mi molino" y es un tema que vamos a tratar in extenso en la próxima entrega, porque no solo nos muestra la polí­tica de venta de los fabricantes asiáticos, sino que nos muestra su poco respeto por el comprador y el problema social que se avecina en esta aldea global que es nuestro mundo. Una sí­ntesis de la situación actual serí­a: "el mercado es mí­o para siempre y nadie me lo puede quitar, le guste o no le guste mi polí­tica de venta a todos los compradores del mundo".

En la figura 1.4.1 le mostramos un producto propuesto por Sony pero le aclaramos que Samsung propone algo similar o peor.

 
Fig.1.4.1 Sony Media BOX

Parecen reproductores de discos ópticos, cintas o lectores de memorias Flash, pregrabadas con pelí­culas. Pero no es nada de eso. Por ahora vamos a dejar el tema, como gancho para el próximo artí­culo, sin explicar que son especí­ficamente. Pero le avisamos que cuando destapemos la hoya no va salir un olor agradable desde adentro. 

¿Y las cadenas de TV? por ahora lo único que están haciendo es produciendo sus contenidos propios en UHD y luego procesarlo para emitirlo con formato HD FULL. Es evidente la intensión de emitirlo ahora en HD y si más adelante se venden muchos TVs UHD, volver a emitir el mismo contenido, pero ahora haciendo mucha propaganda con respecto a la ultra alta definición. En cuanto a tener que gastar un canal con el doble de ancho de banda que el de HD, parece no preocuparles demasiado atento a que en la actualidad hay canales de pelí­culas y de deportes, que tienen decenas de canales activos. Técnicamente es posible, con pequeños cambios, usar dos canales en lugar de uno para duplicar el flujo de datos. Solo hay que considerar que los fabricantes de TVs deben tener en cuenta esos cambios, aunque sean simples y permitir la emisión de UHD por cable, aire o satélite.  

1.5 CONCLUSIONES

Que la UHD/4K es una maravilla tecnológica no lo duda nadie. Pero si se fija en su grilla de programación de su sistema de cable, aire o satélite, verá que no hay señales que le permitan usar su TV mas allá de HD. Inclusive los canales dedicados especí­ficamente a 3D, o fueron levantados, o los tienen allí­ medio olvidados porque nunca fueron masivamente utilizados por el gran público y la fabricación de contenidos propios se encarece mucho.

Y hablando del 3D. ¿Los TVs UHD permiten ver imágenes en 3D? Le aseguro que busqué esta información por todos lados y no encontré ni afirmaciones ni negaciones al respecto, por lo que me inclinarí­a a suponer que no lo permiten. Esta serí­a una decisión por polí­ticas de venta, porque desde el punto de vista tecnico y de ancho de banda es perfectamente posible la UHD estereoscópica (tal vez cuando hayan vendido una buena cantidad de UHD 2D aparezcan sorpresivamente los 3D). El lector debe entender que en este mundo actual ocurre algo absolutamente nuevo; las invenciones están haciendo cola, esperando que los usuarios junten dinero.

Por todo esto, yo creo que si un cliente le pregunta si compra un TV UHD, pregúntele a su vez para que lo quiere y luego respóndale que esa ví­a de comunicación no posee ese tipo de canales y explí­quele que para ver UHD hoy, va a tener que comprar un equipo especial que vamos a mencionar en la próxima entrega y que puede costar entre 300 y 500 U$S y que además son equipos que tienen el contenido pregrabado.

1.6 APENDICE 1

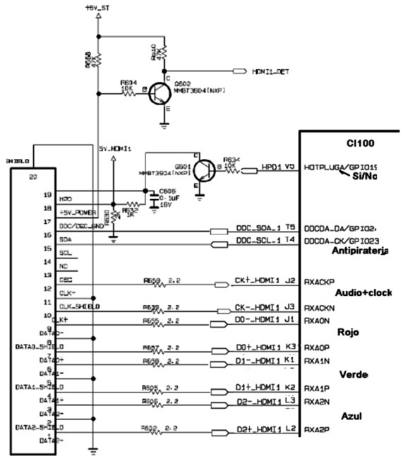
Recordemos brevemente como es una entrada HDMI antes de mencionar como se modifica la entrada del TV para UHD. Ver la figura 1.6.1.

  Fig.1.6.1  Entrada HDMI para TV HD FULL

La sección de señal es la parte inferior del conector de 21 patas (incluyendo el blindaje de borde). La entrada HDMI es una entrada de 4 pares desde las patas 1 a 12 del conector. 3 son para las señales digitales de colores y una para audio y clocks. 
Los resistores R659; R609; R655; R657; R658; R605; R606 y R602 son resistores separadores de 2,2 Ohms colocados para facilitar el service.

Su valor tan bajo se debe a que el lazo de LVDS es un lazo de 3,5 mA que produce una caí­da de tensión de 7,7 mV sobre los resistores separadores. La señal de entrada en cambio es del orden de los 350 mV sobre el par diferencial ya que el superjungla CI100 tiene 100 Ohms de resistencia de entrada cuando está funcionando.

En sí­ntesis que si no fuera por los resistores separadores vamos desde el conectar de entrada al superjungla directamente, sin el circuito integrado protector de sobretensiones que era clásico en los LCD a CCFL. Las protecciones son internas al superjungla, que es una maravilla de miniaturización.

A continuación en la figura 1.6.2 repasamos la función de cada pata del conector.

 
Fig.1.6.2 Función de cada pata

En la entrada HDMI no hay prácticamente ningún cambio ya que el incremento del flujo de datos se consiguió mejorando la calidad de los pares y el conector. Sin embargo aclaramos que ya está previsto el futuro para un sistema de mayor flujo de datos previendo dos pares para cada color.

El cable más indicado para la UHD con el fin de sacar el máximo partido de los equipos de imagen y sonido, corresponde al estandar HDMI 2.0 para obtener la mayor calidad de imagen que requieren los 4K de definición. En la figura 1.6.3 se indica una nueva comparación directa entre las diferentes definiciones.
 
Fig.1.6.3 comparación entre las diferentes definiciones

La última versión de pares que se usaban hasta ahora en HD era la correspondiente al estándar 1.4 capaz de soportar resoluciones Full HD, o lo que es lo mismo 1920í—1080 pí­xeles, suficientes para las pelí­culas y emisiones actuales, pero no para extraer todo el potencial de los TV UHD/4K que ya están inundando el mercado.

El estándar HDMI 2.0 se ha actualizado para dar soporte a los televisores UHD/4K, pudiendo mostrar imágenes de hasta 3840 x 2160 pí­xeles gracias a su enorme ancho de banda de 18 Gbps (Gigabite por segundo) muy superior a los 10,2 Gbps de HDMI 1.4. En la figura 1.6.4 se observa una representación simulada de estas caracterí­sticas. 

 
Fig.1.6.4 Representación de las diferentes velocidades de datos para cada estandard de cable. 

Esta mejora en la velocidad máxima de datos que el cable es capaz de transmitir, lo convierten además en el candidato ideal para tratar con grabaciones y secuencias generadas en tiempo real de hasta 50 o 60 imágenes por segundo, frente a las 30 actuales. Es decir que es el cable adecuado para las transmisiones por sobremuestreo imprescindible para la 3D.

Otro de los saltos cualitativos que te ofrece HDMI 2.0 está relacionado con la cantidad de bites con que se transmite cada color. El estándar anterior admití­a solo 8 bit con lo que solo se logran transmitir 16,7 millones de colores diferentes. El estándar 2.0 tiene soporte para 10 o 12 bits, lo que técnicamente supone pasar a una paleta de 68.000 millones de colores, ofreciendo mejores gradaciones de blanco y negro y color con tonalidades más precisas.

Las señales de color de un TV UHD sufren muchos procesamientos para lograr imágenes visualmente más vividas aunque tengan menos naturalidad. Entre ellas hay un procesado que se llama HDR que permite mejorar los blancos sin aumentar el nivel de los negros. Ver la figura 1.6.5.

 
Fig.1.6.5. comparación entre dos imágenes con y sin HDR

La posibilidad de lograr un mejor funcionamiento del procesador HDR depende del cable utilizado. Para ello se creó especí­ficamente una nueva versión del estándar llamada HDMI 2.0a. Dejemos aclarado que HDR significa High dynamic range o alto rango dinámico y es básicamente una tecnologí­a que empezaron a incorporar los televisores y monitores de alta gama para ofrecer mayores niveles de brillo y contraste sin que uno afecte al otro. Es decir que la imagen tendrá blancos más brillantes sin que ello afecte a la profundidad de los negros, que serán más oscuros, sin perder detalles en las zonas grises y logrando imágenes mucho más impactantes.

Es una caracterí­stica que se comenzó a ver de forma masiva en los televisores a partir del último cuarto de 2015. Hay que tener en cuenta que cada fabricante dará un nombre distinto a esta funcionalidad. Por ejemplo, para Samsung será SUHD, para Panasonic Dynamic Range Remaster, para LG Wide color led, para Sony X-tended Dynamic Range, etc.




SALIR

Más TV SMART

MEDICIÓN DE SEÑALES LVDS PARTE 7
APLICACION A LA REPARACIÓN DE UN TRIPLAQUETA

EN LA PARTE 7 VAMOS A EXPLICAR COMO SE UTILIZA EL MEDIDOR DE SEÑALES LVDS PARA LA REPARACIÓN DE LA PLAQUETA MAIN DE UN TV TRIPLAQUETA

[+] Leer artículo...    


MEDICIÓN DE SEÑALES LVDS (PARTE 6)
El circuito de medición de las señales

En esta Parte 6 vamos a comenzar a a explicar como se realiza la medición con nuestro amplificador modificado y dotado de puntas especiales para circuitos de pequeñas dimensiones.

[+] Leer artículo...    


MEDICIÓN DE SEÑALES LVDS (PARTE 5)
SEÑALES DE VEDA SOBREMUESTREO Y MEDICIONES

EN ESTE ARTICULO COMENZAMOS COMENTANDO EL TEMA DE LAS NORMAS DE LA TV DIGITAL Y DE QUE MODO AFECTAN LA FORMA DE LA SEÑAL LVDS. lUEGO COMEMZAMOS A TRATAR LOS PROBLEMAS PRACTICOS DE LAS MEDICIONES LVDS QUE SON PRECISAMENTE DE TAMAÑO DE LAS PUNTAS DEL TESTER O EL OSCILOSCOPIO.

[+] Leer artículo...    


MEDICION DE SEÑALES LVDS (PARTE 4)
TODO SOBRE LAS COMUNICACIONES DIGITALES MAS MODERNAS DEL TV

En esta parte 4 le damos el apéndice prometido en la parte 3 pero sobre todo le explicamos el tema de la medición de la señal LVDS comenzando a darle los detalles de como mide nuestra sonda que requerirá mas datos que saldrán en la parte 5.

[+] Leer artículo...    


MEDICIÓN DE SEÑALES LVDS PARTE (PARTE 3)
Entradas de señal

En esta entrega explicamos el funcionamiento de las etapas de entrada HDMI de todas las variedades de TV LCD y los detalles de como realizar el seguimiento de las señales.

[+] Leer artículo...    


MEDICIÓN DE SEÑALES LVDS PARTE 2
LAS SEÑALES LVDS DE ENTRADA Y DE SALIDA

EN ESTE ARTÍCULO LE EXPLICAMOS EN QUE SECCIONES DE UN TV LCD SE UTILIZA COMUNICACIONES LVDS, PORQUE RAZÓN Y DASMOS LAS PISTAS PARA EMPREDER SU REPARACIÓN.

[+] Leer artículo...    


SEÑALES LVDS -PARTE 1
INTRODUCCIÓN

ANTIGUAMENTE LAS SEÑALES DE DATOS DE ALTA VELOCIDAD SE TRANSMITÍAN POR CABLES COAXIALES ESPECIALES DE BAJAS PERDIDAS. CON EL INCREMENTO DEL COSTO DEL COBRE SE BUSCO ALGO MAS ECONÓMICO Y VERSATIL UTILIZÁNDOSE EN LA ACTUALIDAD LOS PARES MÚLTIPLES SIMILARES A LOS TELEFÓNICOS MAS CONOCIDOS COMO MULTIPARES.

[+] Leer artículo...    






El Ing. Alberto Picerno, conocido en toda latinoamerica por sus cursos de Tv y LCD, es el autor mas prolífico sobre Electrónica, con mas de 40 libros tecnicos y cientos de articulos publicados. 

Se inicio en el mundo de la electronica de niño ayudando a su padre que era hobbysta y aficionado a la radio.

Su experiencia temprana le permitio recibirse con medalla de oro al mejor promedio de "Tecnico Nacional el Telecomunicaciones" y posteriormente volvio a obtener la medalla de oro al mejor promedio como "Ingeniero en electronica en UTN"

Leer Mas Aquí



Artículos Gratis
Sobre Electrónica
por Ing. Picerno


Ir a Artículos Gratuitos      


Libros Digitales

Adquiera los mejores
Libros Digitales (Ebooks)
Sobre Electrónica

Ir a Sección Libros      


MAPA DE LINKS:

INICIO - QUIENES SOMOS - ENTRETENIMIENTO - CONTACTENOS

TV: TRC - LCD - Plasma - LED - Smart - OLED

SOLDADURAS: SMD - BGA - Maquinas de Rebaling

TALLER: Puntas de prueba Sonda de RF - Punta de prueba BEBE - Punta de prueba Filtro Pasabajo - Instrumentos Fuentes - Instrumentos Evariac - Instrumentos SuperEvariac - Instrumentos Varios

AUDIO: Amplificadores Analogicos - Amplificadores Digitales - Bafles Caseros

MANUALES: TV TRC - TV LCD - TV Plasma - TV LED - SmartTV - TV Oled - Fuentes de TV - T-COM - Driver de LED - Inverters

EBOOKS

PROGRAMAS: Simuladores de Circuitos Multisim - Simuladores de Circuitos Livewire - Simuladores de Circuitos Proteus - Programas para PICs y memorias Ram

MICROS: Diseñando con PICS 1 - Diseñando con PICS 2

OTROS ARTICULOS

ARTICULOS DE LA A A LA Z

Ingeniero Alberto Picerno - Av. 2 de Abril 1140 - Burzaco - Buenos Aires - Argentina - Tel: (011)3974-4393
Artículos y Ebooks de Electrónica - Todos los Derechos Reservados - 2026

Diseño y Hosting RCH
rch.com.ar - redcomser.com.ar