Inicio Quienes Somos Entretenimiento Contáctenos Como Comprar los Ebooks
Ingresar Registrarse
Artículos Gratuitos sobre electrónica básica y avanzada y venta de libros electrónicos.

TV SMART
TIP18
HITACHI 22LD4200

por ING. PICERNO




Tamaño A+ A-

FALLA: 

Funciona perfectamente durante 10 minutos, luego la pantalla se pone oscura aunque el back ligth y el sonido siguen funcionando.

SOLUCIÓN:

Aparentemente es un problema térmico porque al sacarle la tapa el periodo de funcionamiento se prolonga.

Midiendo tensiones de fuente observamos que antes y después de fallar, las tensiones de la plaqueta fuente están estables, pero todos los TVs actuales tienen un sector de la main en donde hay reguladores para alimentar a memorias, circuitos de audio y otros que también deben ser medidos.

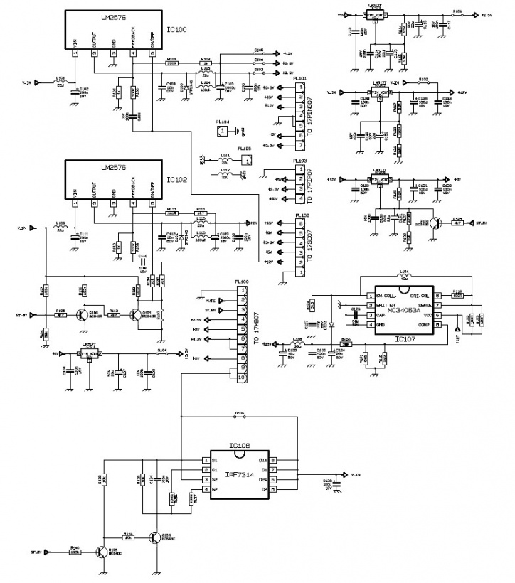
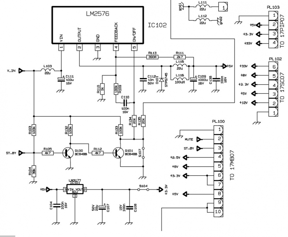
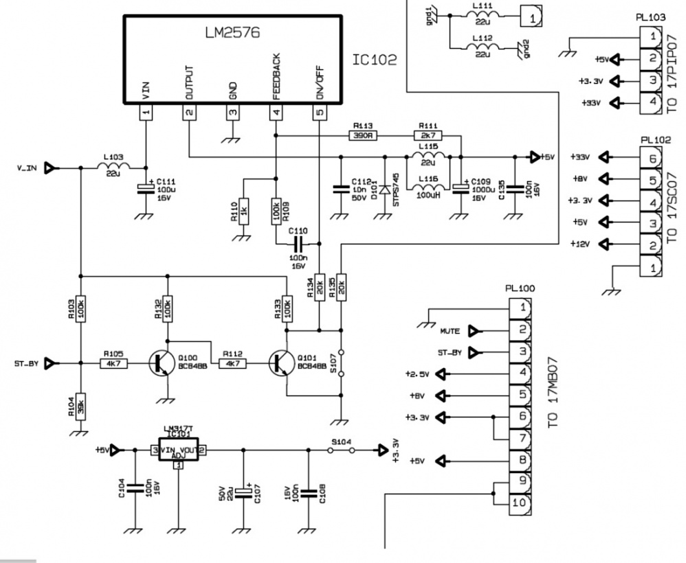
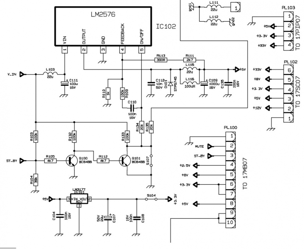
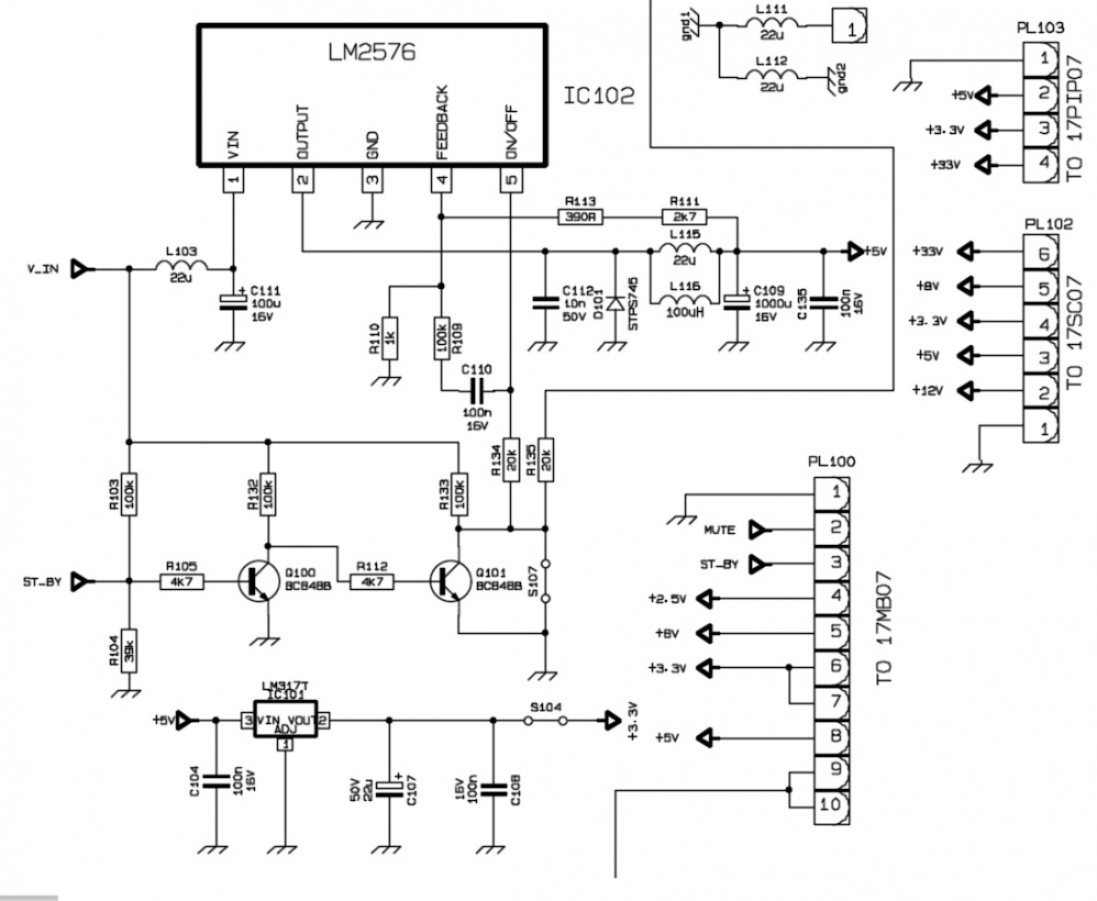
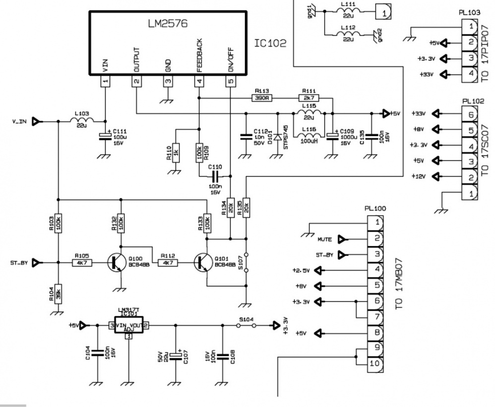
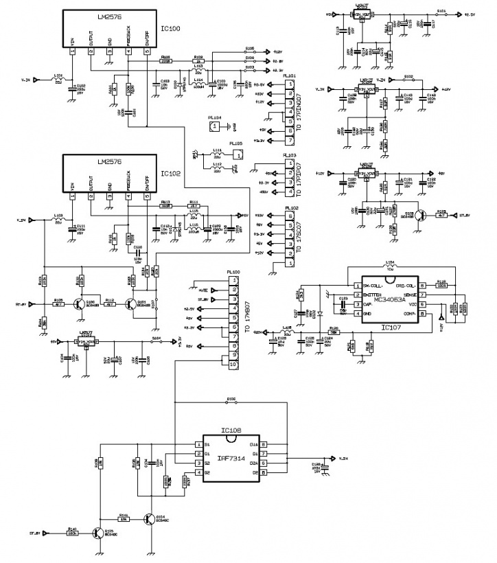
En nuestro caso en el conector PL103 hay una tensión llamada +5V que sigue a la falla. Porque comienza clavada en 5V pero va bajando paulatinamente hasta llegar a 3V, momento en que el TV se apaga. Ver la figura 18.1.

Fig.18.1 sección de fuentes y amplificadores de la main.

Como el dibujo del circuito no tiene buena definición, en la figura 18.2 ponemos una ampliación del CI generador de esta tensión. 

 
Fig.18.2  Circuito del generador de +5V

Nuestra primer acción casi intuitiva es verificar si la tensión de entrada V_IN cambia cuando la salida va bajando y nos encontramos con la sorpresa de que si cambia, pero que además fluctúa al medirla con el tester. Mirando el techito del electrolí­tico de entrada lo vemos curvado y la sonda térmica del tester nos indica que se calienta lindo. Lo sacamos y vemos que su capacidad es la correcta porque da 85 uF (la tolerancia de estos capacitores es de -20 +50%). Pero la medición con el Capachec lo da como malo.

Por suerte es un electrolí­tico de lo mas común y por lo tanto lo cambiamos. La pregunta es porque el capací­metro marca bien y el Capachec lo da por malo. Porque un capacitor nunca es especificamente un capacitor solamente (es decir un capacitor ideal). En su interior tiene por ejemplo remaches o soldaduras de punto, que unen los terminales a la placa de aluminio y son simple remaches de cobre o puntitos de soldadura que con el calentamiento y enfriamiento propio del encendido y el apagado se van aflojando y generan resistencias las que a su vez generan calor y mayor dilatación etc. etc.
 
Es decir que podemos representar al capacitor como un capacitor puro con un resistor equivalente a la resistencia de los remaches. El calor evapora la componente liquida del dieléctrico y el capacitor reduce su valor. Este proceso es degenerativo y termina con una baja capacidad por dieléctrico seco que es acusada por el capací­metro o por incremento de la resistencia equivalente a los contactos que es detectada por el Capachec.

Perdon, me olvide que era un TIP y agregué una imperdonable explicación
técnica superflua.



















SALIR

Más TV SMART

MEDICIÓN DE SEÑALES LVDS PARTE 7
APLICACION A LA REPARACIÓN DE UN TRIPLAQUETA

EN LA PARTE 7 VAMOS A EXPLICAR COMO SE UTILIZA EL MEDIDOR DE SEÑALES LVDS PARA LA REPARACIÓN DE LA PLAQUETA MAIN DE UN TV TRIPLAQUETA

[+] Leer artículo...    


MEDICIÓN DE SEÑALES LVDS (PARTE 6)
El circuito de medición de las señales

En esta Parte 6 vamos a comenzar a a explicar como se realiza la medición con nuestro amplificador modificado y dotado de puntas especiales para circuitos de pequeñas dimensiones.

[+] Leer artículo...    


MEDICIÓN DE SEÑALES LVDS (PARTE 5)
SEÑALES DE VEDA SOBREMUESTREO Y MEDICIONES

EN ESTE ARTICULO COMENZAMOS COMENTANDO EL TEMA DE LAS NORMAS DE LA TV DIGITAL Y DE QUE MODO AFECTAN LA FORMA DE LA SEÑAL LVDS. lUEGO COMEMZAMOS A TRATAR LOS PROBLEMAS PRACTICOS DE LAS MEDICIONES LVDS QUE SON PRECISAMENTE DE TAMAÑO DE LAS PUNTAS DEL TESTER O EL OSCILOSCOPIO.

[+] Leer artículo...    


MEDICION DE SEÑALES LVDS (PARTE 4)
TODO SOBRE LAS COMUNICACIONES DIGITALES MAS MODERNAS DEL TV

En esta parte 4 le damos el apéndice prometido en la parte 3 pero sobre todo le explicamos el tema de la medición de la señal LVDS comenzando a darle los detalles de como mide nuestra sonda que requerirá mas datos que saldrán en la parte 5.

[+] Leer artículo...    


MEDICIÓN DE SEÑALES LVDS PARTE (PARTE 3)
Entradas de señal

En esta entrega explicamos el funcionamiento de las etapas de entrada HDMI de todas las variedades de TV LCD y los detalles de como realizar el seguimiento de las señales.

[+] Leer artículo...    


MEDICIÓN DE SEÑALES LVDS PARTE 2
LAS SEÑALES LVDS DE ENTRADA Y DE SALIDA

EN ESTE ARTÍCULO LE EXPLICAMOS EN QUE SECCIONES DE UN TV LCD SE UTILIZA COMUNICACIONES LVDS, PORQUE RAZÓN Y DASMOS LAS PISTAS PARA EMPREDER SU REPARACIÓN.

[+] Leer artículo...    


SEÑALES LVDS -PARTE 1
INTRODUCCIÓN

ANTIGUAMENTE LAS SEÑALES DE DATOS DE ALTA VELOCIDAD SE TRANSMITÍAN POR CABLES COAXIALES ESPECIALES DE BAJAS PERDIDAS. CON EL INCREMENTO DEL COSTO DEL COBRE SE BUSCO ALGO MAS ECONÓMICO Y VERSATIL UTILIZÁNDOSE EN LA ACTUALIDAD LOS PARES MÚLTIPLES SIMILARES A LOS TELEFÓNICOS MAS CONOCIDOS COMO MULTIPARES.

[+] Leer artículo...    






El Ing. Alberto Picerno, conocido en toda latinoamerica por sus cursos de Tv y LCD, es el autor mas prolífico sobre Electrónica, con mas de 40 libros tecnicos y cientos de articulos publicados. 

Se inicio en el mundo de la electronica de niño ayudando a su padre que era hobbysta y aficionado a la radio.

Su experiencia temprana le permitio recibirse con medalla de oro al mejor promedio de "Tecnico Nacional el Telecomunicaciones" y posteriormente volvio a obtener la medalla de oro al mejor promedio como "Ingeniero en electronica en UTN"

Leer Mas Aquí



Artículos Gratis
Sobre Electrónica
por Ing. Picerno


Ir a Artículos Gratuitos      


Libros Digitales

Adquiera los mejores
Libros Digitales (Ebooks)
Sobre Electrónica

Ir a Sección Libros      


MAPA DE LINKS:

INICIO - QUIENES SOMOS - ENTRETENIMIENTO - CONTACTENOS

TV: TRC - LCD - Plasma - LED - Smart - OLED

SOLDADURAS: SMD - BGA - Maquinas de Rebaling

TALLER: Puntas de prueba Sonda de RF - Punta de prueba BEBE - Punta de prueba Filtro Pasabajo - Instrumentos Fuentes - Instrumentos Evariac - Instrumentos SuperEvariac - Instrumentos Varios

AUDIO: Amplificadores Analogicos - Amplificadores Digitales - Bafles Caseros

MANUALES: TV TRC - TV LCD - TV Plasma - TV LED - SmartTV - TV Oled - Fuentes de TV - T-COM - Driver de LED - Inverters

EBOOKS

PROGRAMAS: Simuladores de Circuitos Multisim - Simuladores de Circuitos Livewire - Simuladores de Circuitos Proteus - Programas para PICs y memorias Ram

MICROS: Diseñando con PICS 1 - Diseñando con PICS 2

OTROS ARTICULOS

ARTICULOS DE LA A A LA Z

Ingeniero Alberto Picerno - Av. 2 de Abril 1140 - Burzaco - Buenos Aires - Argentina - Tel: (011)3974-4393
Artículos y Ebooks de Electrónica - Todos los Derechos Reservados - 2026

Diseño y Hosting RCH
rch.com.ar - redcomser.com.ar